Odpowiedz 
 
Ocena wątku:
  • 2 Głosów - 5 Średnio
  • 1
  • 2
  • 3
  • 4
  • 5
Wzmacniacz QRP co nie tak?
SP7KH Offline
Użytkownik
***

Liczba postów: 145
Dołączył: 24-11-2010
Post: #31
RE: Wzmacniacz QRP co nie tak?
Dzięki za wskazówki.
Doczytałem dokładnie w opisie AVT 5127 (TRx - 2008) że na wyjściu z układu TCA 440 z nóżki (7) poprzez dzielnik pojemnościowy 220/680 p winien
pojawić się sygnał w.cz o amplitudzie około 300 mV.
Z kolei w danych technicnych autor mówi o sygnale w.cz. z płytki TRx-a na poziomie 1V.
Zatem powinny wystarczyć tylko dwa stopnie, driver na tranzystorze BD-135 oraz wzmacniacz mocy na IRF-840 .
W załączeniu jeszcze raz ten wzmacniacz wraz opsem danych TRX-a


Załączone pliki Miniatury
İmage
03-01-2011 18:21
Znajdź wszystkie posty użytkownika Odpowiedz cytując ten post
SP2JQR Offline
Henryk
*****

Liczba postów: 1,528
Dołączył: 23-08-2009
Post: #32
RE: Wzmacniacz QRP co nie tak?
Zajrzałem w międzyczasie do pdf-a irf840 ale też irf530. IRF530 dla zasilania napięciem 12V jest dużo lepszy. Ma mniejszą rezystyancję kanału, a przede wszystkim mniejszą pojemność bramki przy jednocześnie większym prądzie drenu. Radzę zamienić IRF840 na IRF530.
Dla dobrego działania tego wzmacniacza radzę też dodać jednak dwójniki RC które wcześniej proponowałem - poprawią liniowość wzmacniacza co zauważysz na sąsiednich kanałach podczas nadawania. Zrezygnuj też z kondensatora blokującego emiter BD135, a rezystor odrobinę zwiększ np do 4,7 lub 5,6 oma. Stopień będzie stabilniejszy termicznie, a jakość sygnału SSB dużo lepsza. Rezystor (PRek) w bazie dobierz tak aby prąd spoczynkowy BD135 zawierał się w przedziale od 150 do 220mA, a prąd spoczynkowy IRFa przy zastosowanym dwójniku ustaw na 350-450mA. Jeśli nie zastosujesz dwójnika RC to dobry jakościowo sygnał SSB uzyskasz dopiero przy prądzie spoczynkowym około 0,8 - 1,5A. Nie usłyszysz tej zmiany na odsłuchiwanym sygnale, ale usłyszą ją koledzy na sąsiednich kanałach.
Zrezygnowałbym też całkowicie z trafa wyjściowego, na rzecz dławika i jedynie filtru PI tak jak napisałem na wstępie tego wątku. Filtr PI musi zawierać dwa ogniwa - inaczej nie wyciśniesz max mocy. To rozwiązanie z filtrem PI zamiast trafa jest w sumie prostsze i pewniejsze w działaniu - jedyny kłopot to ten pierwszy raz - trzeba obliczyć, albo dobrać wartości elementów filtru PI - zajrzyj do mojego artykułu o Antosiu pancerniku i wstępnie możesz wstawić takie wartości jak tam - zostały one co prawda dobrane dla 30W mocy, więc możesz proporcjonalnie przerobić na mniejszą moc, ale w tym układzie jest szansa właśnie na taką moc z tranzystorem IRF530.
Jeśli już koniecznie chcesz zastosować obciążenie bramki 330 omów to wstaw je tak jak to było na pierwszych schematach między bramkę, a suwak potencjometru - prostszy układ, mniej elementów, ale wtedy już nie masz szans na 30W z tego układu. Bo to jest do uzyskania tylko w układzie rezonansowym, gdy dławik kolektorowy wraz z pojemnością bramki doprowadzisz do rezonansu - bez dwójnika RC między bramką a drenem układ się wzbudzi!. Może jednak przy pierwszym podejściu zrób bez rezonansu - będzie mniej mocy, ale żadnych kłopotów ze strojeniem i uruchomieniem.
Zastosowany w przedstawionym schemacie filtr PI ma dziwne wartości kondensatorów - jakby był projektowany dla obciążenia 25 omów. Dla 50 omów z tego co pamiętam powinno być 820pF, indukcyjności cewki nie pamiętam, zobacz na innych schematach.
Jeszcze uwaga do rysownika schematu - w edytorze łatwo przesunąć niepoprawnie narysowany kondensator 10nF i 330 omów i utworzyć z nich dwójnik o którym napisałem wcześniej.
(Ten post był ostatnio modyfikowany: 03-01-2011 19:26 przez SP2JQR.)
03-01-2011 19:11
Znajdź wszystkie posty użytkownika Odpowiedz cytując ten post
SP7KH Offline
Użytkownik
***

Liczba postów: 145
Dołączył: 24-11-2010
Post: #33
RE: Wzmacniacz QRP co nie tak?
Jeszcze raz dziękuję - nie mam niestety dostępu do art. o Antosiu Pancerniku, ale odnalazłem w necie schemat Antka z naniesionymi przez Kolegę SP2JQR
poprawkami (swoją drogą z AVT-owskiego Antka - żeby sensownie pracował - to pozostałą idea i paragon zakupu kitu).
Zastosowałem te zmiany analogicznie zatem do moich wypocin.
Rezygnacja z trafo w.cz., PI filtr w/g danych z ANTKA.
Wydaje mi się że kondensator cewki L2 od strony przekażnika winien być 750p,
a pozostał 1n5.
Nie jestem też pewien możliwości technicznej założenia perełki ferytowej na wyprowadzenie "G" IRF530, na druku będę miał chyba brak miejsca.
Myślę że teraz powinien układ działać w sposób logiczny.
Nie zrozumiałem tylko czy przy BD135 również należałoby między kolektorem a bazą zaopatrzyć w podobny co przy IRF530 dwónik RC ?
A tak na marginesie - nie mam edytora schematów - niestety - i bawię się po prostu Paintem, do którego "zdiełałem" małą bazę symboli, podkradając ją z kolei z innych, edytowanych Paintem schematów.


Załączone pliki Miniatury
İmage
(Ten post był ostatnio modyfikowany: 04-01-2011 9:53 przez SP7KH.)
04-01-2011 9:44
Znajdź wszystkie posty użytkownika Odpowiedz cytując ten post
SP2JQR Offline
Henryk
*****

Liczba postów: 1,528
Dołączył: 23-08-2009
Post: #34
RE: Wzmacniacz QRP co nie tak?
Zauważyłem po różnicy w tle i po wydzielaniu i kopiowaniu elementów z innych schematów, że to nie jest typowy edytor, ale to nie jest temat tego wątku więc nic nie napiszę. Podziwiam - to naprawdę mistrzostwo.
Obliczyłem wartości dla filtru PI i są one inne dla samego filtru PI z dławikiem, a dla schematu z transformatorem mają powszechnie znane wartości: czyli cewka około 1.8-2uH, kondensatory w przedziale 750pF - 820pF.
Przy łączeniu kilku ogniw filtru PI w jeden większy układ środkowe wartości są złożone z dwóch więc mają mieć podwójną wartość - ja po prostu używam w tym miejscu zawsze dwóch równolegle połączonych kondensatorów, czasem jak nie ma miejsca można dać najbliższą przybliżoną wartość z typowego szeregu czyli 1500pF i tak jest w przytoczonym schemacie. W zależności o tych wartości odrobinę zmienia się granica pasma przenoszenia filtru w granicach 3,8 - 4,3MHz co zupełnie nie ma wpływu na działanie całego układu ( pomijam zmiany w paśmie tłumienia, które nie wpływają w widoczny sposób na transmisję mocy).
Dla schematu z dopasowaniem 50 omów obciążenia za pomocą dwóch ogniw filtru PI do oporności 10 omów wzmacniacza, którą przyjąłem do obliczeń wartości są następujące:
Pierwszy kondensator filtru PI od strony tranzystora =2,82nF. Ten kondensator nie może być pojedynczy ze względu na małą ale istotną dla działania układu indukcyjność własną. Należy tą pojemność złożyć z sześciu kondensatorów 470pF np typu MKT z rozstawem nóżek 5mm.

Środkowy kondensator filtru PI ma wartość =2,57nF i należy go złożyć z pięciu kondensatorów 470pF + jeden 220pF też MKT

Wyjściowy kondensator filtru PI ma pojemność 820pF i może być pojedynczy lub złożony z kondensatorów z typowego szeregu. Mogą być one ceramiczne, ale muszą być z odpowiedniej ceramiki dostosowanej do w.cz. Przy tym kondensatorze zwracam szczególną uwagę na jego napięcie. O ile wszystkie pozostałe mogą być na około 50 - 100V to ten ostatni powinien być na 250V - duże napięcie nie wystąpi w normalnym stanie pracy, ale przy otwartym obwodzie anteny lub niedostrojonej antenie może się pojawić. Nasz wzmacniacz dzięki temu nabierze cech "wojskowych" - używamy przecież TRXów QRP w terenie, w różnych warunkach i nic nie ma prawa zaprojektowanemu wzmacniaczowi zaszkodzić.

Pierwsza cewka będąca dławikiem drenowym tranzystora IRF530 ma indukcyjność 1uH Może być wykonana jako powietrzna jednowarstwowa w następujący sposób: średnica cewki =9mm długość cewki =9mm ilość zwojów =13 drut DNE0,6

Druga cewka w pierwszym ogniwie filtru PI od strony tranzystora ma indukcyjność =870nH wykonanie: średnica cewki = 9mm długość cewki =11,7mm liczba zwojów =13 drut DNE0,8 Jest wykonana tak samo jak poprzednia tylko odrobinę bardziej rozciągnięta.

Trzecia cewka będąca w drugim ogniwie filtru PI - od strony anteny ma indukcyjność =1,8uH wykonanie: średnica cewki =9mm długość cewki =9mm liczba zwojów =17 drut DNE 0,5

Ponieważ w praktyce możemy mieć nieco inne druty, to i tak trzeba za pomocą rozciągania i ściskania dostroić obwody, można też je zrobić na pierścieniach - byłoby to lepsze rozwiązanie ze względu na magnetyczne sprzęganie cewek otwartych, ale do wypróbowania na próbnej płytce polecam te pierwsze - jak wszystko zadziała to można iść dalej w kierunku miniaturyzacji z użyciem pierścieni.

Co do schematu to już mi się bardziej podoba, ale to jeszcze nie jest to co chciałbym widzieć. Zasilanie należy dać od strony tranzystora mocy. W miejce bezpiecznika należy wstawić dławik 10uH lub na drut nanizać tulejkę ferrytową, a bezpiecznik umieścić na wejściu zasilania. elektrolit powinien blokować mosfeta a od strony BD135 zablokować zasilanie 10nF+220nF+100uF/25V.
Od strony mosfeta blokowanie powinno zawierać 10nF+100nF+470nF +4700uF/25V.
Może ktoś zaproponuje też stabilizację termiczną mosfeta - prąd spoczynkowy przy nagrzewaniu może wzrosnąć nawet ponad dwukrotnie bez tej stabilizacji. Do rezonansu trzeba też doprowadzić układ dławik kolektorowy - bramka mosfeta, tak więc kondensator o którym koledzy napisali, że spowoduje niedziałanie tego układu należy przywrócić do schematu, tylko jego wartość będzie w pikofaradach a nie 220nF i należy go oznaczyć gwiazdką, kondensator sprzęgający też powinien być większy - na początek daj 4,7nF z ewentualnym wskazaniem na konieczność dobierania na najlepsze przekazywanie mocy sterującej do mosfeta czyli dopasowanie.
To jeszcze nie koniec, na razie czekam na poprawny schemat.
(Ten post był ostatnio modyfikowany: 05-01-2011 9:36 przez SP2JQR.)
04-01-2011 12:29
Znajdź wszystkie posty użytkownika Odpowiedz cytując ten post
SP6OUJ Offline
Arek
**

Liczba postów: 57
Dołączył: 16-03-2010
Post: #35
RE: Wzmacniacz QRP co nie tak?
Tyle tych poprawek było, że dobrze by teraz zamieścić poprawny schemat tego wzmacniacza.

73! Arek sp6ouj
04-01-2011 18:21
Odwiedź stronę użytkownika Znajdź wszystkie posty użytkownika Odpowiedz cytując ten post
SP2JQR Offline
Henryk
*****

Liczba postów: 1,528
Dołączył: 23-08-2009
Post: #36
RE: Wzmacniacz QRP co nie tak?
No właśnie może ktoś wspomoże i narysuje to w jakimś normalnym edytorze. Będzie można szybko przerabiać i poprawiać, ja nie mam na to czasu.
Powinny być dwa schematy - jeden bym zrobił jako wzmacniacz QRP 6W, a drugi jako wzmacniacz do normalnego gadania 30W - schemat praktycznie prawie ten sam, różnice w wartościach elementów i ten drugi trzystopniowy.
Byłoby to dobre uwieńczenie tej całej dyskusji. A czeka jeszcze poprawna płytka drukowana, o której można tyle samo napisać!
04-01-2011 19:49
Znajdź wszystkie posty użytkownika Odpowiedz cytując ten post
SP7KH Offline
Użytkownik
***

Liczba postów: 145
Dołączył: 24-11-2010
Post: #37
RE: Wzmacniacz QRP co nie tak?
Nie jestem pewien czy nie pomieszałem - ale mój edytor - czyli moja myszka -"jest sprawny inaczej"


Załączone pliki Miniatury
İmage
04-01-2011 20:03
Znajdź wszystkie posty użytkownika Odpowiedz cytując ten post
SP2JQR Offline
Henryk
*****

Liczba postów: 1,528
Dołączył: 23-08-2009
Post: #38
RE: Wzmacniacz QRP co nie tak?
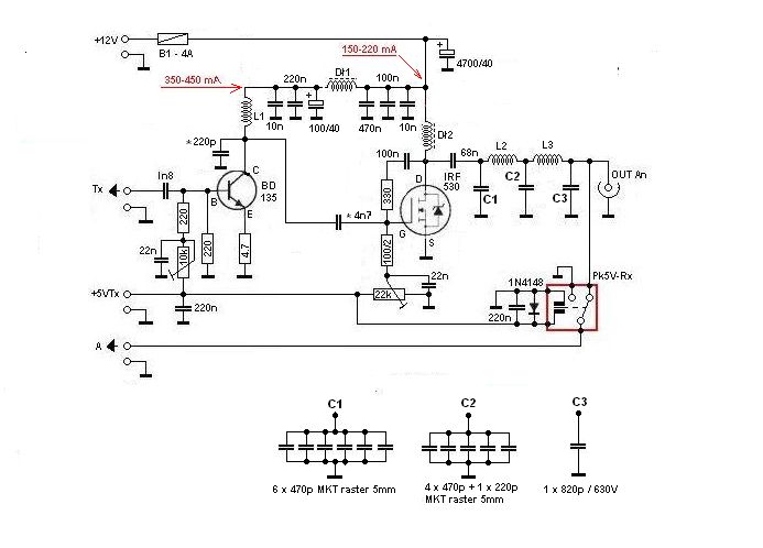
Wreszcie mi się zaczyna podobać!
Zmień jeszcze opisy prądów spoczynkowych bo są w tej chwili odwrotnie i dodaj jeszcze dwójnik RC do pierwszego tranzystora o trochę większej wartości rezystora, niech do pierwszych prób wyniesie 1k a kondensator 10nF. Dwójnik ten w tym przypadku zapobiegnie przede wszystkim wzbudzeniom , ale też poprawi liniowość tego stopnia.

Nadal brakuje jeszcze elmentów stabilizacji trmicznej mosfeta. Zrób tak: równolegle do PRka regulacji prądu mosfeta dodaj 6 diód krzemowych 1N4148 tak aby były w kierunku przewodzenia. Diody te też zablokuj kondensatorem 22nF. Zasilanie tak połączonych diód, PRka i kondensatora podłącz przez rezystor 1k. Rezystor pomiędzy bramką a PRkiem powinien być 3,3k tak jak napisałem w uwagach na samym początku wątku.

Chciałbym aby powstały dwa schematy. Dla mocy 6W z tymi wartościami filtru PI które tu są, a druga wersja dla 30W z wartościami, które podałem dla Antosia Pancernika. Dla mocy 6W można wstawić dodatkowo do źródła mosfeta mały rezystor 1W 0,22 oma, który poprawi stabilność termiczną mosfeta, ale też polepszy jeszcze jakość sygnału modulacji SSB. Przy 6W mocy, można stosować słabsze mosfety np. IRF520 - mamy tu większe możliwości wypróbowania różnych innych typów.
Dla mocy 30W rezystora źródłowego nie dajemy, gdyż wnosiłby już zbyt duże straty - rezystancja stopnia wyjściowego w obwodzie filtru PI powinna być wtedy bardzo niska. Wzmacniacz 30W powinien też mieć jeszcze jeden stopień wzmocnienia z przodu - proponuję tranzystor BFR96 jako bardzo liniowy, w celu zlikwidowania ewentualnego wzbudzenia na gigahercach należy w obwód bazy tego tranzystora dać rezystor 22 omy. Sprzężenie pomiędzy tym stopniem powinno być transformatorowe o przekładni 4:1. Powinien pracować w klasie A z prądem około 50mA. Pomyślcie sami jak może wyglądać ten dodatkowy stopień wraz z całością.
(Ten post był ostatnio modyfikowany: 04-01-2011 21:42 przez SP2JQR.)
04-01-2011 21:40
Znajdź wszystkie posty użytkownika Odpowiedz cytując ten post
SP7KH Offline
Użytkownik
***

Liczba postów: 145
Dołączył: 24-11-2010
Post: #39
RE: Wzmacniacz QRP co nie tak?
Ten Wzmacniacz QRP - około 6W jutro rano zrobię na czysto - no nareszcie moja ciemna masa zaczyna zasady łapać.

Heniek
04-01-2011 21:49
Znajdź wszystkie posty użytkownika Odpowiedz cytując ten post
SP1NV Offline
Mietek
**

Liczba postów: 91
Dołączył: 26-07-2009
Post: #40
RE: Wzmacniacz QRP co nie tak?
To jeszcze pochwal się końcowym schematem pomierzonymi napięciami i prądami ,ilością zwojów, itd i będzie pierwsza twoja konstrukcja ( po części) na tym forum.Może jakaś fotka.
04-01-2011 22:17
Znajdź wszystkie posty użytkownika Odpowiedz cytując ten post
Odpowiedz 


Skocz do:


Użytkownicy przeglądający ten wątek: 3 gości