Odpowiedz 
 
Ocena wątku:
  • 2 Głosów - 5 Średnio
  • 1
  • 2
  • 3
  • 4
  • 5
Wzmacniacz QRP co nie tak?
SP2JQR Offline
Henryk
*****

Liczba postów: 1,528
Dołączył: 23-08-2009
Post: #61
RE: Wzmacniacz QRP co nie tak?
Fajnie, z tymi zmianami powinno już zacząć działać w sensie prawidłowego schematu. Odsprzęganie stopni jest bardzo ważne, więc dodatkowy dławik w obwodzie drenu jest jak najbardziej na miejscu, proponowałbym umieścić go w głównym obwodzie zasilania pomiędzy elementami odblokowującymi zasilanie, a kondensatorem elektrolitycznym, wtedy równolegle do kondensatora elektrolitycznego, który ma dosyć sporą indukcyjność własną i rezystancję szeregową i nie blokuje w.cz. należy dodać podobnie jak dla drenu kilka kondensatorów ceramicznych. Zaproponowane włączenie w obwód drenu też jest prawidłowe. Zrobimy ostatecznie tak jak nam będzie wygodniej umieścić te elementy na płytce, którą też poddamy dokładnej analizie...

Cewka L1 = 1uH powinna jak zauważyłeś znaleźć się w obwodzie drenu - wchodzi ona w skład policzonego w całości obwodu wyjściowego. Przy zbyt dużej indukcyjności dławików kolektorowych i drenowych wzmacniacze rezonansowe mają tendencję do wzbudzeń na częstotliwościach ponadakustycznych. Dławik w kolektorze BD135 też jest elementem rezonansowym - wstawimy na początek 10uH a potem będziemy odwijać zwoje w celu dostrojenia. Chciałbym jednak, aby ktoś po zajrzeniu do pdf tranzystorów spróbował obliczyć jaka powinna być dokładnie jego wartość, aby cały obwód był w rezonansie.

Kolegów w gorącej wodzie kąpanych zachęcam do wstrzymania się jeszcze z praktycznymi próbami - jest zima i można doznać szoku termicznego... (gaśnica, okulary i maska mogą się przydać)

W schemacie, który mam nadzieję będzie już całkiem prawidłowy nadal pozostanie parę niuansów do przedyskutowania - jednak warto go najpierw narysować jeszcze raz i ponumerować wszystkie elementy, aby było wiadomo dokładnie o czym mówimy.
I jeszcze jedno - niech ten pierwszy wzmacniacz będzie QRP dla mocy 6W jak w temacie wątku, jak go całkiem opracujemy, wtedy spróbujemy powiększyć moc.
(Ten post był ostatnio modyfikowany: 07-01-2011 10:09 przez SP2JQR.)
07-01-2011 10:05
Znajdź wszystkie posty użytkownika Odpowiedz cytując ten post
SP7KH Offline
Użytkownik
***

Liczba postów: 145
Dołączył: 24-11-2010
Post: #62
RE: Wzmacniacz QRP co nie tak?
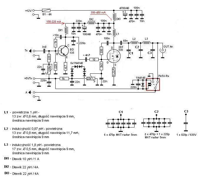
Skryba wzioł i naniósł one uwagi na pierwowzór.
Nie wie tylko czy z dławikiem Dł3 w istote konceptu trafił.


Załączone pliki Miniatury
İmage
07-01-2011 13:39
Znajdź wszystkie posty użytkownika Odpowiedz cytując ten post
SP6OUJ Offline
Arek
**

Liczba postów: 57
Dołączył: 16-03-2010
Post: #63
RE: Wzmacniacz QRP co nie tak?
No to niech się teraz wypowiedzą specjaliści i robimy wzmacniacz. Sam jestem ciekawy jak zadziała. Może metodą "na pająka" zrobimy go i zobaczymy czy zadziała?

73! Arek sp6ouj
07-01-2011 18:09
Odwiedź stronę użytkownika Znajdź wszystkie posty użytkownika Odpowiedz cytując ten post
SP2JQR Offline
Henryk
*****

Liczba postów: 1,528
Dołączył: 23-08-2009
Post: #64
RE: Wzmacniacz QRP co nie tak?
Teraz chyba czas podebatować nad zastosowanymi półprzewodnikami, i innymi "alimentami", szczególnie ciekaw jestem co myślicie o kondensatorze sprzęgającym stopień mocy z filtrem PI 68nF? Może ktoś już policzył ile w przybliżeniu indukcyjności może mieć dławik w kolektorze BD135?
07-01-2011 19:01
Znajdź wszystkie posty użytkownika Odpowiedz cytując ten post
SQ4RNF Offline
Łukasz
***

Liczba postów: 213
Dołączył: 19-04-2010
Post: #65
RE: Wzmacniacz QRP co nie tak?
Jeśli dławik kolektorowy ma być w rezonansie tylko z pojemnością *220p to według moich obliczeń wychodzi 8.4uH dla 3.7MHz. Niestety nie jestem pewien czy w obliczeniach nie powinienem uwzględnić pojemności wejściowej FETa 600pF (według katalogu).

Z pozdrowieniami,
Łukasz SQ4RNF
08-01-2011 2:52
Znajdź wszystkie posty użytkownika Odpowiedz cytując ten post
SP7KH Offline
Użytkownik
***

Liczba postów: 145
Dołączył: 24-11-2010
Post: #66
RE: Wzmacniacz QRP co nie tak?
Skryba też to zauważył i rezonans byłby ale przy kondziołku w pobliżu 180p.
Ale pewności co do wynikowej się pojemności nie mam żadnych
08-01-2011 6:34
Znajdź wszystkie posty użytkownika Odpowiedz cytując ten post
SP2JQR Offline
Henryk
*****

Liczba postów: 1,528
Dołączył: 23-08-2009
Post: #67
RE: Wzmacniacz QRP co nie tak?
Pojemność bramki jest najważniejsza, ale oprócz niej tranzystor MOSFET ma jeszcze kilka innych pojemności z czego najważniejsza jest w tym przypadku pojemność pomiędzy bramką a drenem - trzeba ją też uwzględnić biorąc pod uwagę efekt Millera, poczytajcie sobie w internecie na czym polega.
Trzeba też sprawdzić w danych katalogowych ile pojemności ma kolektor BD135 ( głównie pojemność CE) - on też w tym rezonansie uczestniczy. Kondensator sprzęgający też ma wpływ na wypadkową pojemność tranzystora mosfet widzianą z puntu podłączenia dławika i kolektora.
Może ktoś się pokusi w oparciu o powyższe dane o narysowanie schematu zastępczego dla złożonego z tych kilku elementów obwodu rezonansowego?
Wspomniany kondensator 220pF jest jedynie elementem dostrojczym (pełni funkcję trymera). Może mieć dowolną pojemność, taką która wynika z konieczności dostrojenia całego złożonego obwodu do rezonansu, ta pojemność może jeszcze mieć inną dodatkową funkcję, ale o tym innym razem... a może ktoś pomyśli jaka może być ta funkcja?
Powtórzę jeszcze raz pytanie co myślicie na temat kondensatora sprzęgającego 68nF - jak wpłynie na działanie całego układu?
08-01-2011 12:18
Znajdź wszystkie posty użytkownika Odpowiedz cytując ten post
SP7KH Offline
Użytkownik
***

Liczba postów: 145
Dołączył: 24-11-2010
Post: #68
RE: Wzmacniacz QRP co nie tak?
W podobnych wzmacniaczach np Trx "Junior" kondensator jest 100nf, w poprawionym Antku - lecz przy trafo wyjściowym jest również 100n, w Kacprze jest - co dziwniejsze - 10n, w Antku 2 i 3 takie same po 100n.
Gdybym miał głosować przychylił bym się do większości , czyli 100n - ale dlaczego w Kacprze jest tylko 10 ?

Poprawiono 09.01.2011 g. 05.36
(Ten post był ostatnio modyfikowany: 09-01-2011 6:37 przez SP7KH.)
08-01-2011 12:30
Znajdź wszystkie posty użytkownika Odpowiedz cytując ten post
SP2JQR Offline
Henryk
*****

Liczba postów: 1,528
Dołączył: 23-08-2009
Post: #69
RE: Wzmacniacz QRP co nie tak?
Widzę, że dziś jest dzień piwny, miłego drinkowania !!!
Pozdrawiam!
08-01-2011 13:23
Znajdź wszystkie posty użytkownika Odpowiedz cytując ten post
SQ1PSE Offline
Adam
*

Liczba postów: 31
Dołączył: 13-11-2010
Post: #70
RE: Wzmacniacz QRP co nie tak?
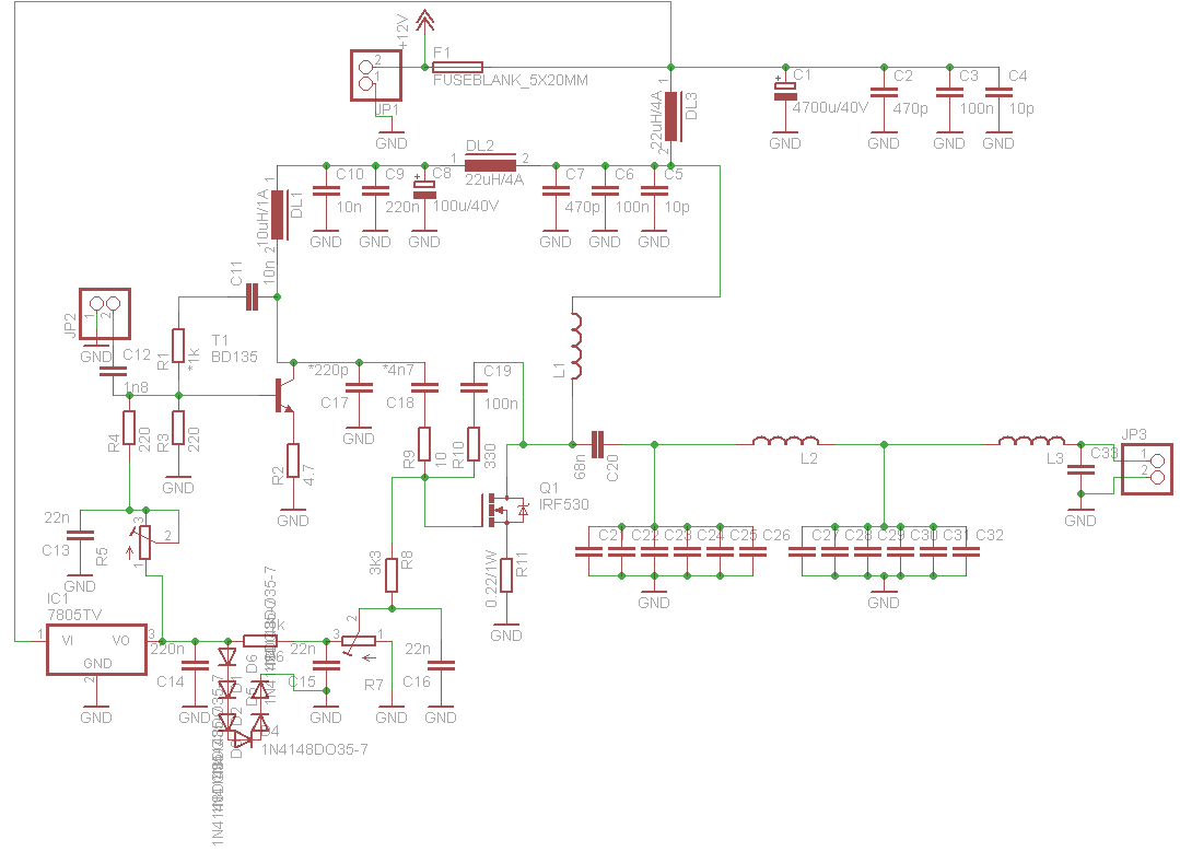
Przerysowałem schemat w eagle, żeby łatwo można było zrobić płytkę.

Powinno być w miarę zgodnie.

MKT w filtrze uwzględnione, reszta ceramiczna i dwa elektrolity. 1W rezystory powinny mieć wystarczająco miejsca, a jak nie to się poprawi.


Załączone pliki Miniatury
İmage

.sch  wzm sp-hm1.sch (Rozmiar: 459.66 KB / Pobrań: 1132)
(Ten post był ostatnio modyfikowany: 08-01-2011 19:11 przez SQ1PSE.)
08-01-2011 16:13
Znajdź wszystkie posty użytkownika Odpowiedz cytując ten post
Odpowiedz 


Skocz do:


Użytkownicy przeglądający ten wątek: 3 gości