|
Wskaźniki segmentowe na LED
|
SP9OYA
Władek ![]() Liczba postów: 26 Dołączył: 19-07-2009 |
|
||
| 21-07-2009 21:58 |
|
SP2-1604
Bogusław ![]() Liczba postów: 17 Dołączył: 24-06-2009 |
|
||
| 24-07-2009 0:15 |
|
SP2-1604
Bogusław ![]() Liczba postów: 17 Dołączył: 24-06-2009 |
|
||
| 09-09-2009 16:01 |
|
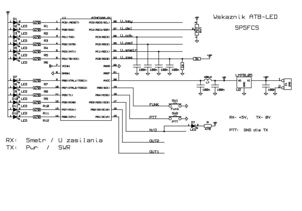
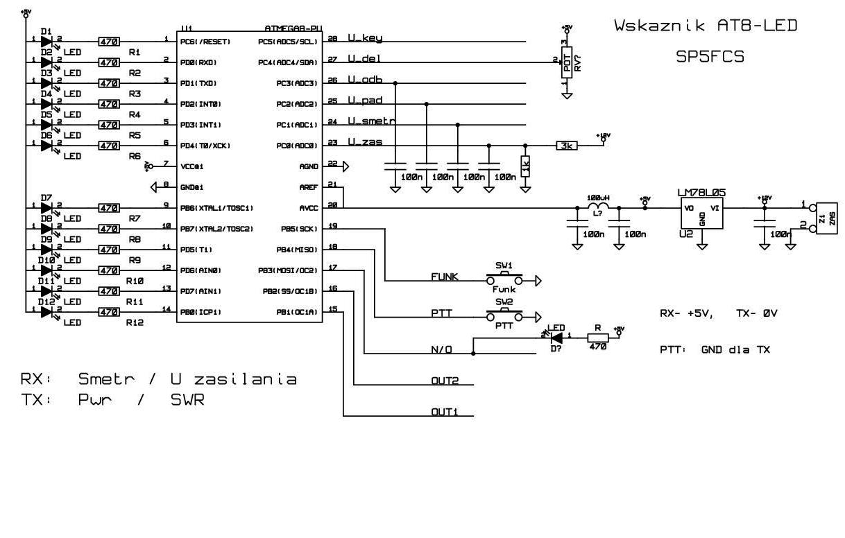
SP5FCS
Adam ![]() ![]() ![]() ![]() ![]() Liczba postów: 1,073 Dołączył: 02-02-2009 |
|
||
| 09-04-2010 23:05 |
|
QRP73
Marek ![]() ![]() Liczba postów: 90 Dołączył: 19-06-2009 |
|
||
| 10-04-2010 9:31 |
|
SP5FCS
Adam ![]() ![]() ![]() ![]() ![]() Liczba postów: 1,073 Dołączył: 02-02-2009 |
|
||
| 10-04-2010 22:16 |
|
HM_DIPOL
Heniek ![]() ![]() ![]() Liczba postów: 172 Dołączył: 27-04-2010 |
|
||
| 27-04-2010 17:45 |
|
SP5FCS
Adam ![]() ![]() ![]() ![]() ![]() Liczba postów: 1,073 Dołączył: 02-02-2009 |
|
||
| 27-04-2010 22:29 |
|
SP3RNP
Liczba postów: 4 Dołączył: 25-03-2010 |
|
||
| 29-04-2010 12:07 |
|
SP5FCS
Adam ![]() ![]() ![]() ![]() ![]() Liczba postów: 1,073 Dołączył: 02-02-2009 |
|
||
| 29-04-2010 23:06 |
|
|
« Starszy wątek | Nowszy wątek »
|
Użytkownicy przeglądający ten wątek: 1 gości




