Odpowiedz 
 
Ocena wątku:
  • 6 Głosów - 4 Średnio
  • 1
  • 2
  • 3
  • 4
  • 5
Fork-Heńka... czyli jak sobie poradzić z DDS za pomocą ARDUINO
SQ2KRR Offline
Nowicjusz
*

Liczba postów: 22
Dołączył: 04-10-2013
Post: #201
RE: Fork-Heńka... czyli jak sobie poradzić z DDS za pomocą ARDUINO
Uruchomiłem i działa. Zmieniłem ustawienia częstotliwości pośredniej na 0 ponieważ postanowiłem wykorzystać Złomka jako generator w.cz.
W moim przypadku układ pracuje od 900kHz do 62400kHz.

İmage İmage

Marek
17-01-2015 0:23
Znajdź wszystkie posty użytkownika Odpowiedz cytując ten post
SQ9MDD Offline
Rysiek
****

Liczba postów: 380
Dołączył: 01-02-2009
Post: #202
RE: Fork-Heńka... czyli jak sobie poradzić z DDS za pomocą ARDUINO
Ale ja tutaj widzę że to piękna wariacja na temat, zamiast arduino golasek ATMEGA328 i PCB kolega wykonał inaczej BRAWO!.
Fajnie że się ta nasza praca na coś przydaje Wink

...przede wszystkim nie zakłócać...
17-01-2015 1:19
Odwiedź stronę użytkownika Znajdź wszystkie posty użytkownika Odpowiedz cytując ten post
SQ6IYY Offline
miso(michal]
***

Liczba postów: 157
Dołączył: 21-09-2009
Post: #203
RE: Fork-Heńka... czyli jak sobie poradzić z DDS za pomocą ARDUINO
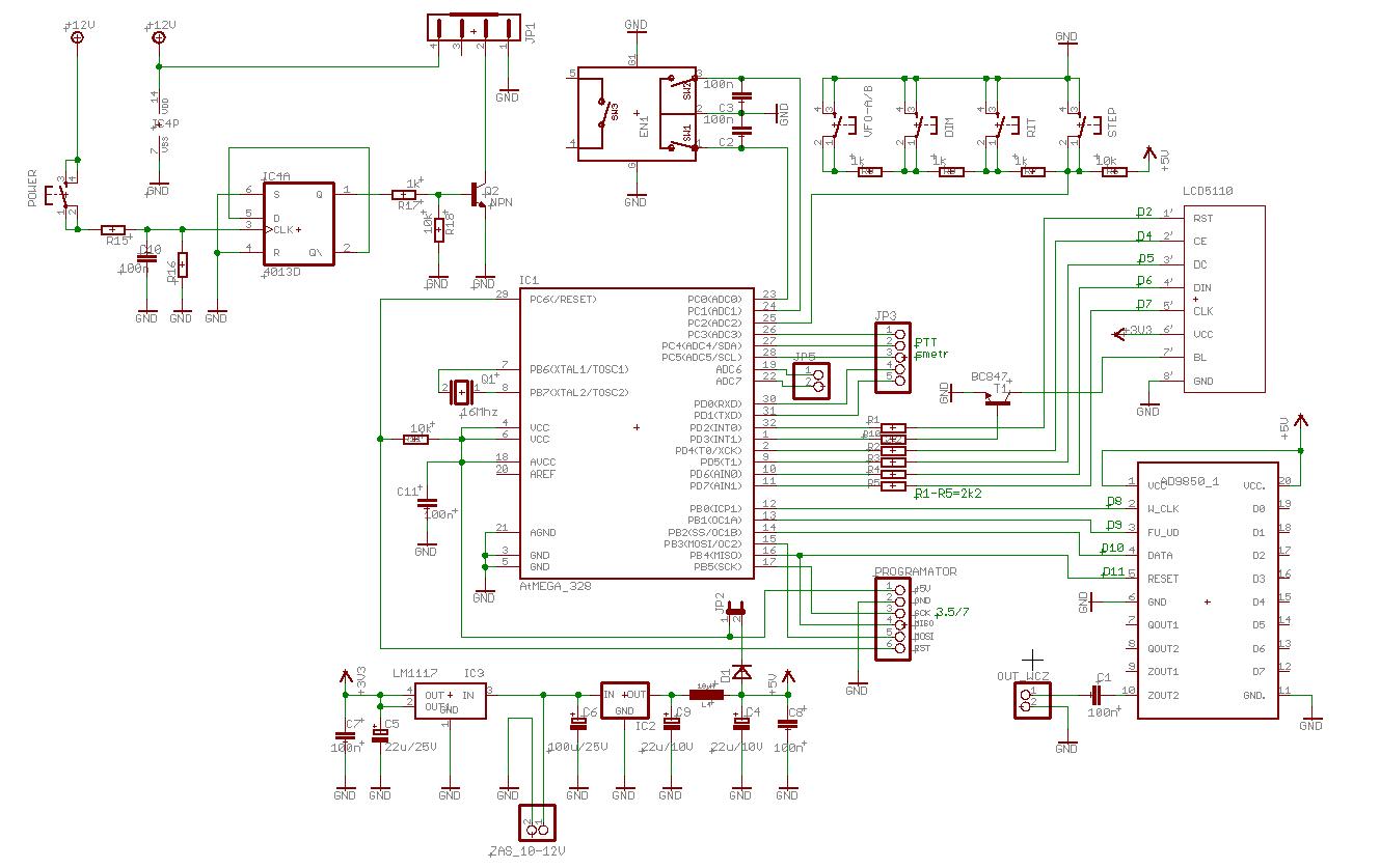
Witam mam trochę czasu jestem w szpitalu i kombinuje na kodzie Złomka dopisałem kilka bloku z syntezę SQ9NJE
http://sq9nje.pl/sterownik-syntezy-si535...nikow-sdr/
i mam komunikat na ktorim pasmie . Jest obsługa filtra pasma w BCD (CD4028) niemam w szpitalu led diode że bi sprawdził poprawność obsługę filtra pasma BAND_swich trochę się gryzie z RIT_swich i wymaga poprawę Warunku
jak jest z DIM i RIT
DIM On // RIT nie aktywni itp.
Kod do obserwacji i poprawkę
Prosze o spojrzenie
SQ6IYY
obrazek


Załączone pliki Miniatury
İmage

.rar  zlomek_v_1_0_16_pasma_11.rar (Rozmiar: 9.42 KB / Pobrań: 1384)

Nie otrzymasz koni wyścigowych krzyżując dwa osły
(Ten post był ostatnio modyfikowany: 09-02-2015 11:30 przez SQ6IYY.)
09-02-2015 9:31
Znajdź wszystkie posty użytkownika Odpowiedz cytując ten post
SQ9MDD Offline
Rysiek
****

Liczba postów: 380
Dołączył: 01-02-2009
Post: #204
RE: Fork-Heńka... czyli jak sobie poradzić z DDS za pomocą ARDUINO
Hej Michał własnie przeglądam kod, pięknie to dopisałeś. Zapomniałeś tylko dopisać się do changeloga i dodać swój znak na samej górze pliku Wink

Jeśli chodzi o ten kawałek kodu:

Kod:
#define FIL_A        12
#define FIL_B        13
#define FIL_C        20       //A6
#define FIL_D        21       //A7

Trzeba będzie zmienić piny A6 i A7 one są charakterystyczne dla ATMEGI 328 w wersji SMD, dodatkowo o czym się ostatnio przekonałem boleśnie, są to tylko wejścia.

W miedzyczasie rysowałem prostą płytkę pod żelazko, ale jeszcze bez BCD.
Więc twoja koncepcja zmusza mnie do pracy Wink Muszę to przerysować.

İmage

Michał wracaj do zdrowia Wink


Załączone pliki
.lay6  zlomek-328-v_1_0_0.lay6 (Rozmiar: 109.06 KB / Pobrań: 1377)

...przede wszystkim nie zakłócać...
10-02-2015 21:00
Odwiedź stronę użytkownika Znajdź wszystkie posty użytkownika Odpowiedz cytując ten post
SP8AJB Offline
Andrzej

Liczba postów: 5
Dołączył: 03-02-2015
Post: #205
RE: Fork-Heńka... czyli jak sobie poradzić z DDS za pomocą ARDUINO
Witam
Jest to mój pierwszy wpis na tym forum, wobec tego witam wszystkich i pozdrawiam.

Jestem pełen podziwu dla tego projektu i pracy Ryśka.
W załącznikach moja wariacja na temat Złomka, czyli sterownik do powstającego właśnie miniYesa.
Płytka zaprojektowana w Eaglu i wykonana termotransferem.

Andrzej


Załączone pliki Miniatury
İmage İmage İmage İmage İmage İmage
(Ten post był ostatnio modyfikowany: 11-02-2015 0:42 przez SP8AJB.)
11-02-2015 0:29
Znajdź wszystkie posty użytkownika Odpowiedz cytując ten post
SQ9MDD Offline
Rysiek
****

Liczba postów: 380
Dołączył: 01-02-2009
Post: #206
RE: Fork-Heńka... czyli jak sobie poradzić z DDS za pomocą ARDUINO
Hej płyteczka wygląda super, gratuluję.
Jesli nie jest to tajemnicą to może podzielisz się jakimś rysunkiem w PDF, albo źródłem, może ktoś będzie chciał powielić Twoją wariację na temat Złomka, zachęcam gorąco. Kurcze ale się tych Złomków namnożyło. Fajnie.

No jestem ciekaw ile jeszcze Złomków powstało o których nie wiemy...

...przede wszystkim nie zakłócać...
11-02-2015 1:19
Odwiedź stronę użytkownika Znajdź wszystkie posty użytkownika Odpowiedz cytując ten post
R0SAX Offline
Nowicjusz
*

Liczba postów: 13
Dołączył: 07-01-2015
Post: #207
RE: Fork-Heńka... czyli jak sobie poradzić z DDS za pomocą ARDUINO
Привет всем! Сегодня наконец получил все детали для сборки синтезатора, собрал на макетной плате. Но вот беда, не могу прошить ардуино, выходит ошибка : zlomek_v_1_0_16.ino:41:23 fatal error: AH_AD9850.h: No such file or directory compilation terminated. Ошибка компиляции. Помогите пожалуйста разобраться. Я в первый раз с ардуино занимаюсь.
(Ten post był ostatnio modyfikowany: 12-02-2015 14:55 przez R0SAX.)
12-02-2015 14:44
Znajdź wszystkie posty użytkownika Odpowiedz cytując ten post
SQ3PJV Offline
Darek
**

Liczba postów: 73
Dołączył: 08-04-2012
Post: #208
RE: Fork-Heńka... czyli jak sobie poradzić z DDS za pomocą ARDUINO
Здравствуйте, составляет основной программы, как вы написали, и библиотеки
небольшие подпрограммы, на которые ссылается основной программы. Вам нужно загрузить их в компилятор załączyć-. Из них было упомянуто в предыдущих должностях в начале, быстро . 5

Darek
(Ten post był ostatnio modyfikowany: 12-02-2015 17:27 przez SQ3PJV.)
12-02-2015 17:24
Znajdź wszystkie posty użytkownika Odpowiedz cytując ten post
R0SAX Offline
Nowicjusz
*

Liczba postów: 13
Dołączył: 07-01-2015
Post: #209
RE: Fork-Heńka... czyli jak sobie poradzić z DDS za pomocą ARDUINO
(12-02-2015 17:24)SQ3PJV napisał(a):  Здравствуйте, составляет основной программы, как вы написали, и библиотеки
небольшие подпрограммы, на которые ссылается основной программы. Вам нужно загрузить их в компилятор załączyć-. Из них было упомянуто в предыдущих должностях в начале. Дать нет. 5

Здравствуйте Олег, спасибо за ответ. Я Вас правильно понимаю, мне нужны к этой программе еще подпрограммы?
12-02-2015 17:28
Znajdź wszystkie posty użytkownika Odpowiedz cytując ten post
SQ3PJV Offline
Darek
**

Liczba postów: 73
Dołączył: 08-04-2012
Post: #210
RE: Fork-Heńka... czyli jak sobie poradzić z DDS za pomocą ARDUINO
Обычно они представляют собой стандартные Arduino шагов, которые вы можете прочитать в сети на вашем языке.


Załączone pliki
.bmp  ardek.bmp (Rozmiar: 991.75 KB / Pobrań: 1623)

Darek
12-02-2015 17:44
Znajdź wszystkie posty użytkownika Odpowiedz cytując ten post
Odpowiedz 


Skocz do:


Użytkownicy przeglądający ten wątek: 3 gości