Odpowiedz 
 
Ocena wątku:
  • 4 Głosów - 3.25 Średnio
  • 1
  • 2
  • 3
  • 4
  • 5
WZMACNIACZE 20W i 150W wg G6ALU
SQ9RFC Offline
Jerzy
*****

Liczba postów: 1,193
Dołączył: 02-07-2010
Post: #91
RE: WZMACNIACZE 20W i 150W wg G6ALU
Wykonałem mozolna pracę ...
Rdzeń BN43-3312, DNE 0.6
Pierwotne 2x1.5 zw. wtórne 4,3,2 zw.
Pierwotne 2x1.0 zw. wtórne 4,3,2 zw.
Pierwotne 2x0.5 zw. wtórne 4,3,2,1 zw.
W sumie 10 transformatorów
Z NWT7 sygnał zduszony o 30dB, na wejściu tłumik 4.5 dB 13.8V zasilanie.
Na wyjściu obciążenie 50 omów bezindukcyjne, oscyloskop (automatyczny pomiar napięcia pp zawsze na tej samej podziałce), cyfrowa miarka mocy FWD i REV
Pomiary przy 1.75, 3.5, 7.0, 14.0, 28.0 MHz
Pomiary Vpp out, I zas, P fwd, P rev
W sumie 200 punktów pomiarowych.
WNIOSKI:
Najlepsza przekładnia trafka to 1:2
Praktycznie identyczne wyniki przy
1.5 zw pierw. / 3 zw wtórnego (lepiej na dolnych pasmach)
1.0 zw pierw./ 2 zw wtórnego (lepiej na górnych pasmach)
Który wariant wybrać decyduje wygoda poprowadzenia grubych ścieżek zasilania i mas na PCB
... c.d.n.

Jak widać, 6 lat temu zrobiłem ten PA - wyniki było normalne ... a nawet rewelacyjne:

(06-09-2012 1:09)SQ9RFC napisał(a):  Sterowany z NWT7 20 watowy G6ALU na australijskiej czerwonej płytce bez jakichkolwiek modyfikacji, daje niezniekształconego (na oko) sygnału:
PASMO/ MOC/ PRĄD POBIERANY
1.8 --- 25.3W --- 2.67A
3.5 --- 19W --- 2.87A
7 --- 19.0W --- 3.10A
14 --- 15.0 --- 3.15A
28 --- 13.5 --- 3.42A
Moc mierzona mostkiem tego samego konstruktora co wzmacniacz.
Bias ustawiany na zimno 125 i 250 mA
Przed regulacją pobierał 40mA prądu - co mnie dziwi (bias z innego źródła).
Po regulacji na zimno pobiera 0.8A, nagrzany 1.1A

Następna wersja będzie miała większe trafo wyjściowe - oryginał się mocno nagrzewa.

I parę lat później ...

(13-06-2013 18:48)SQ9RFC napisał(a):  ...
Wycisnąłem z oryginału 20W na 80 i 35W na 40
...

Skąd te 40W !!!
Czy ktoś coś wie na temat znikających fotek - chciałem teraz popatrzeć jak to było wtedy... ale ! ... z tego posta zniknęły moje oscylogramy !

Dziś na trafku BN43-3312 nawinąłem 2x1.5 i 3 wtórnego (wszystko teflonową żyłą od cienkiego koncentryka). Nie działa dobrze ... max 10W brzydkiego sygnału.
Grzeje się mocno wszystko - coś tu nie gra.








Jednak da się uzyskać 30 W niezniekształconego na oko (5%) sygnału.
PA z (06-09-2012 1:09) odnalazłem.
Pomierzyłem i jest rewelacyjny.
3.6A 13.8V +- 50W pobrane z zasilacza, 30W do anteny 60-% sprawności ...
0.93 A prąd spoczynkowy na gorąco.
İmage
Teraz trzeba zmusić do pracy moją nową PCB...

73 JERZY SQ9RFC
(Ten post był ostatnio modyfikowany: 30-07-2018 13:00 przez SQ9RFC.)
28-07-2018 23:38
Znajdź wszystkie posty użytkownika Odpowiedz cytując ten post
SQ9RFC Offline
Jerzy
*****

Liczba postów: 1,193
Dołączył: 02-07-2010
Post: #92
RE: WZMACNIACZE 20W i 150W wg G6ALU
01-08-2018 godz. 01:07
Przewinąłem trafko - dałem 2 x 1 zw pierwotnego i 2 zw wtórnego. Pierwotne to koncentryk cienki teflonowy z wyciągniętą zyłą gorącą izolowaną - został ekran z zewnętrzną izolacją - wtórne środkowa żyła koncentryka - nic się nie zmieniło nadal tylko 10W.
Jutro dam 2 trafka identycznie jak jest w oryginale ...
01-08-2018 godz. 01:55
Prośba do kolegów obtrzaskanych w PCB w.cz.
W poście #89 zamieściłem projekt PCB - jest dość czytelny dla fachowca - czy coś tam sknociłem jeśli chodzi o w.cz ?
Może malowanki ? ale mam je od Najbera i to nie jeden komplet, więc źródło najlepsze ...

73 JERZY SQ9RFC
(Ten post był ostatnio modyfikowany: 01-08-2018 1:57 przez SQ9RFC.)
01-08-2018 1:07
Znajdź wszystkie posty użytkownika Odpowiedz cytując ten post
SP6AUO Offline
Andrzej
*****

Liczba postów: 1,051
Dołączył: 20-09-2009
Post: #93
RE: WZMACNIACZE 20W i 150W wg G6ALU
Jerzy,dopytam się o Tr2.Jak to ma być.
Na schemacie w opisie jest 1zw:2zw.Na płycie jest zainstalowany odwrotnie do opisu.
W opisie jest pokazane jak go zbudować i ja widzę,że Tr2 jest 3zw:1zw.
Podobnie widzę Tr3 w opisie 0.5zw+0.5zw:3zw a w konstrukcji 0.5zw+0.5zw:2zw.
Tr3 to i Tobie wyszło,że jest lepiej 0.5+0.5:2zw i mi wyszło to samo.
Tr2 będę dziś testował.spróbuję 3zw:2zw i 3zw:1zw.
Bo na razie efekty są marne.Mało mocy i prostokąt.

Andrzej
01-08-2018 6:37
Znajdź wszystkie posty użytkownika Odpowiedz cytując ten post
SP6LUN Offline
Andrzej
****

Liczba postów: 259
Dołączył: 01-09-2014
Post: #94
RE: WZMACNIACZE 20W i 150W wg G6ALU
Na drenie tranzystora nożna uzyskać maksymalna amplitudę Up=Uz-Uds_sat
Uz napięcie zasilania
Uds_sat napięcie nasycenia dren źródło (przy maksymalnym prądzie drenu, więc nie z katalogu)
Up = 13.6V - 2.6V = 11V ( ale może też być 12V-3V = 9V )
Aby uzyskać 16W mocy na 50 omach musimy za transformatorem uzyskać
amplitudę Uq=pierwiastek(16W*50om)*1,414=40V
Przekładnia transformatora musi więc być 1:4 czyli uzw. pierwotne 1zw + 1zw , wtórne 4zw
Czy może być 0,5zw + 0,5zw / 2zw? Moim zdaniem nie jest to dobry pomysł, bo wtedy sprzężenie
między uzwojeniami nie jest bliskie 1.

Andrzej
01-08-2018 8:48
Znajdź wszystkie posty użytkownika Odpowiedz cytując ten post
SQ9RFC Offline
Jerzy
*****

Liczba postów: 1,193
Dołączył: 02-07-2010
Post: #95
RE: WZMACNIACZE 20W i 150W wg G6ALU
Dziękuję koledzy za odpowiedź, ... pod fotką PCB napisałem że opisy trafek są nieprawidłowe, w rzeczywistości są takie jak na schematach.
Przetestowałem 10 trafek z wszystkimi możliwymi kombinacjami uzwojeń, ale nawiniętych DNE 0.6 przy mocy na obciążeniu około 1-3 W przy stałym poziomie wysterowania. Z pomiarów wyszło mi że największe moce na obciążeniu wychodzą przy przekładni ostatniego transformatora 1:2.
Po nawinięciu docelowym okazało się, że nie jestem w stanie powtórzyć wyników. NIE ROZUMIEM !!! Inny drut ?
Wtedy nie przyszło mi do głowy sprawdzać moc maksymalną - skupiłem się na tym aby pomiary były wykonywane przy takim samym wysterowaniu.
Teraz na wtórnym dowinąłem zwojów do przekładni 1:4 i bomba - mam 30 W, zamiast 10 przy przekładni 1:2
Chyba znów zrobię testy, ale dla maksymalnego niezniekształconego ( na oko ) sygnału wyjściowego.
I jeszcze potestuję drut - czy rzeczywiście ekran koncentryka jest najlepszy na pierwotne ? rurki ? a może zwykły DNE ale max gruby ?
Ten DNE mnie interesuje najbardziej.

İmage

73 JERZY SQ9RFC
01-08-2018 11:54
Znajdź wszystkie posty użytkownika Odpowiedz cytując ten post
SQ5KVS Offline
Karol
*****

Liczba postów: 1,013
Dołączył: 26-09-2012
Post: #96
RE: WZMACNIACZE 20W i 150W wg G6ALU
Jerzy, czytaj forum Smile
http://sp-hm.pl/thread-2339-post-29280.html#pid29280

Nie rozumiem - nie robię. Chyba że robię żeby zrozumieć.
01-08-2018 12:51
Znajdź wszystkie posty użytkownika Odpowiedz cytując ten post
SP6AUO Offline
Andrzej
*****

Liczba postów: 1,051
Dołączył: 20-09-2009
Post: #97
RE: WZMACNIACZE 20W i 150W wg G6ALU
Podaj proszę ten Tr2 i Tr3 w zwojach,
żebym już nie musiał dochodzić.

Andrzej
01-08-2018 13:21
Znajdź wszystkie posty użytkownika Odpowiedz cytując ten post
SQ9RFC Offline
Jerzy
*****

Liczba postów: 1,193
Dołączył: 02-07-2010
Post: #98
RE: WZMACNIACZE 20W i 150W wg G6ALU
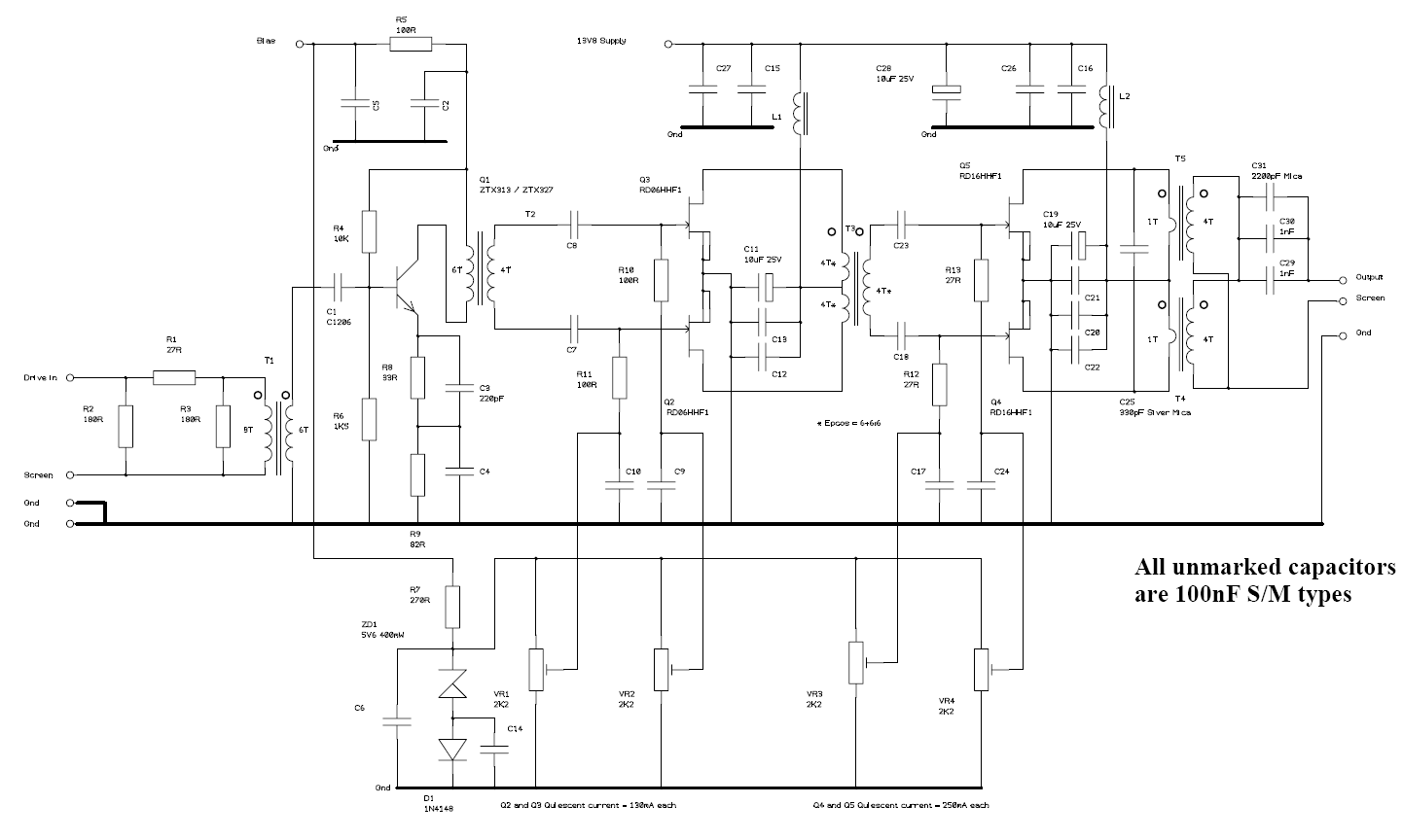
O tym PA mowa.
İmage

Mam ponad 13 tys nieprzeczytanych postów .... to ja wole lutować, mierzyć, sprawdzać, dochodzić. Tulipan DSP ... :-) kto by pomyślał.

73 JERZY SQ9RFC
01-08-2018 16:36
Znajdź wszystkie posty użytkownika Odpowiedz cytując ten post
SP6AUO Offline
Andrzej
*****

Liczba postów: 1,051
Dołączył: 20-09-2009
Post: #99
RE: WZMACNIACZE 20W i 150W wg G6ALU
Mam kilka wątpliwości:
Post:89 i zrzut schematu który tam jest zamieszczony.To nie ten sam co zamieściłeś
w post:98.Który w końcu uruchamiasz ?
İmage ,
Problem drugi:post:91 i zrzut.Opis dotyczy 30Wat a zrzut pokazuje 11.2Vp-p
Co te 11.2Vp-p mają demonstrować.Chciałbym zobaczyć te 30W czyli 110Vp-p
I jeszcze jedno:jak nawinąć dwuotworowy rdzeń,żeby było przełożenie 1:2.
Naprawdę to nie złośliwość.Też jestem na etapie uruchamiania i 2xRD16 i MRF9180
i nie mogę się zbliżyć do 100Vp-p.
Proszę podaj ile zwojów masz na Tr wyjściowym.
Nie czekając na odzew dziś spróbuję 0.5zw+0.5zw/4zw czyli 1:16.

Andrzej
02-08-2018 7:26
Znajdź wszystkie posty użytkownika Odpowiedz cytując ten post
SQ9RFC Offline
Jerzy
*****

Liczba postów: 1,193
Dołączył: 02-07-2010
Post: #100
RE: WZMACNIACZE 20W i 150W wg G6ALU
Zacytuje fragment tego co napisałem wcześniej i podkreślę na czerwono podmiot domyślny :-)

(28-07-2018 14:10)SQ9RFC napisał(a):  Zaprojektowałem nowe PCB małego PA G6ALU - bo potrzebowałem
...
...
tu
http://dn-radio.com/kits/kit-amplifier-3...hhf1-21dbm
gość podobnie zrobił trafo i ściemnia że ma 35W !
...
...

Przy takim napięciu mierzonym i tej częstotliwości lepiej pracuje sonda przełączona na x10. To co jest na ekranie trzeba pomnożyć przez 10.

Rdzeń dwuotworowy ma dwie dziurki.
- pół zwoja: przewlekasz drut przez jeden otwór i lutujesz do płytki po przeciwnych stronach rdzenia.
- jeden zwój: przewlekasz najpierw przez pierwszą, a potem wracasz drugą dziurką, lutujesz z tej samej strony rdzenia.
- półtora zwoju: robisz jeden zwój, a potem co co przewlekłeś drugą dziurką lecisz na przeciwną stronę pierwszą dziurką, lutujesz z przeciwnej.
- dwa zwoje ...

Teraz mam po jednym zwoju na każdy przreciwsobny tranzystor i 4 zwoje wtórnego. Pierwotne w przeciwnych kierunkach, czyli od strony zasilania dwa druty zwarte, potem każdy w swój otwór i wracają przeciwnymi do tranzystorów.

Zrobiłem eksperyment z 5 wtórnego - dało to 33 waty ale nawet po filtrze pojawiły się zniekształcenia na szczytach sinusoidy, eksperymentowałem z prądami tranzystorów, ale jeszcze nie wyciągnąłem wniosków, nie sprawdzałem jeszcze jak będzie pracowało trafko nawinięte DNE 2mm pierwotne i
wtórne tym co się uda wcisnąć. Oscylogramy na bramkach, drenach zamieszczę ...
1:2 to pół zwoja pierwotnego i jeden wtórnego, lub jeden pierwotnego i 2 wtórnego, lub 2 pierwotnego i 4 wtórnego. Czy sie mylę ?

2x0.5 pierwotnego i 4 wtórnego to chyba 1:8 a nie 1:16.
Dla układu przeciwsobnego.

73 JERZY SQ9RFC
(Ten post był ostatnio modyfikowany: 02-08-2018 9:53 przez SQ9RFC.)
02-08-2018 9:23
Znajdź wszystkie posty użytkownika Odpowiedz cytując ten post
Odpowiedz 


Skocz do:


Użytkownicy przeglądający ten wątek: 1 gości