Odpowiedz 
 
Ocena wątku:
  • 0 Głosów - 0 Średnio
  • 1
  • 2
  • 3
  • 4
  • 5
Moj wzmacniacz i ---ugotowany !
SP5LQV Offline
Andrzej
**

Liczba postów: 78
Dołączył: 21-03-2010
Post: #11
RE: Moj wzmacniacz i ---ugotowany !
Czesc . Nie ,nie i jeszcze raz nie ! Ja Ci wierze ze , zasilacz da Ci tyle amper ile potrzebujesz - przejdzie przez stabilizator pod warunkiem ze, wytrzymaja tranzystory wykonawcze .
Ja mam trafo 2,5 KW -- tak 30 do 60 Volt i 80 Amper ! I co z tego ?
Jak Ci pojdzie te Twoje 20 amper na koncowe tranzystory wzmacniacza mocy w Trx-e to (jak pisal 5CII to z tranzystorow mozesz zrobic sobie wisiorek na szyje )!
Ja po pewnych drobnych doswiadczeniach nie zastosuje zasilacza ktory nie bedzie mial ogranicenia pradowego .
Czas najwyzszy dorosnac --- szkoda kasy na drogie tranzystory .
Ten zasilacz ( w/g SP6LB )nawet po poprawkach nie jest przeciwzwarciowy
- mnie sie nie udalo - ani nie ma ograniczenia pradowego --- napewno jestem slabym " dlubakiem "
Te cale wpisy znam ale, myslalem ze jest cos bardziej ciekawego .
Prosze zebys sie nie obrazal ale, sprbuj zrobic jakies proby z zasilaczem !
Ja niestety z tego rezygnuje . Dziura wypalona w moim ulubiony nozu ( po probie zwarciowej )

73 Andrzej SP5LQV
07-01-2011 13:32
Znajdź wszystkie posty użytkownika Odpowiedz cytując ten post
SP2JQR Offline
Henryk
*****

Liczba postów: 1,528
Dołączył: 23-08-2009
Post: #12
RE: Moj wzmacniacz i ---ugotowany !
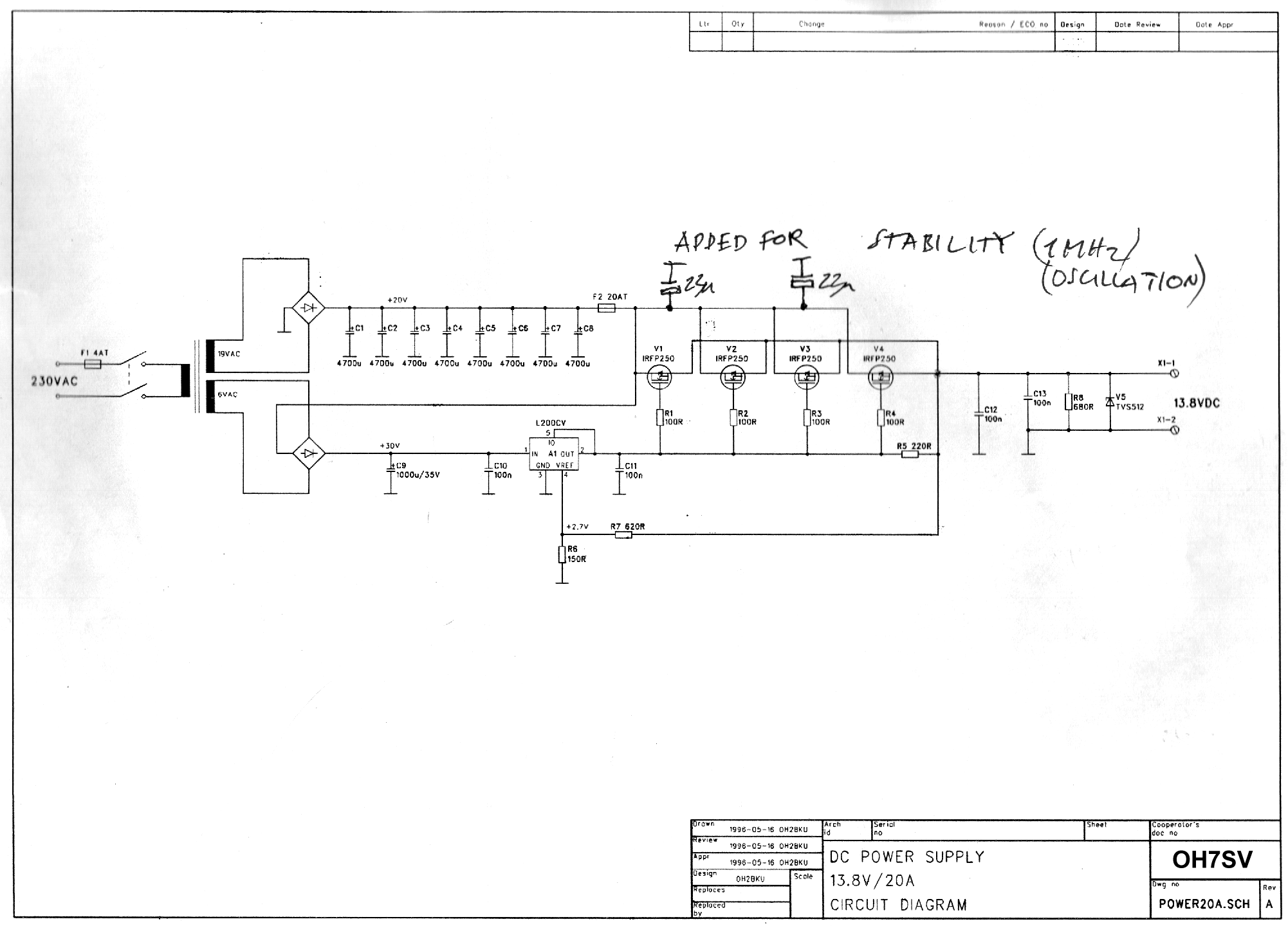
A może ten zasilacz się spodoba, nie wiem co jest warty - może ktoś sprawdzi, abo napisze jak wie?

http://www.sp7ewl.one.pl/attach/PSU_Schematic.png
07-01-2011 19:14
Znajdź wszystkie posty użytkownika Odpowiedz cytując ten post
SP5LQV Offline
Andrzej
**

Liczba postów: 78
Dołączył: 21-03-2010
Post: #13
RE: Moj wzmacniacz i ---ugotowany !
Czesc . O tym zasilaczu rozmawialem z EWL i jest tylko problem z tym tranzystorem wykonawczym . To jakis "dziki "tranzystor .Smile
Ja koncze zasilacz ktory proponuje SP5CII na L 200- przez przypadek mam .
Jeszcze troche zabawy ze zdobyciem tranzystorow wykonawczych bo zima a mnie nie chce sie jechac do Warsiawy .
Moze ktos gdzies znajdzie uklad podobny ale, na nowszym ukladzie .
Pozostaje tylko niesmiertelny 723.

Andrzej
08-01-2011 10:45
Znajdź wszystkie posty użytkownika Odpowiedz cytując ten post
SP5CII Offline
Użytkownik
***

Liczba postów: 196
Dołączył: 14-12-2009
Post: #14
RE: Moj wzmacniacz i ---ugotowany !
Ten zasilacz zanim się zabezpieczy to masz tranzystory spalone.Zabezpieczenie ma zadziałać w ułamku sekundy.
(Ten post był ostatnio modyfikowany: 29-01-2011 22:39 przez SP5CII.)
29-01-2011 22:32
Znajdź wszystkie posty użytkownika Odpowiedz cytując ten post
SP2JQR Offline
Henryk
*****

Liczba postów: 1,528
Dołączył: 23-08-2009
Post: #15
RE: Moj wzmacniacz i ---ugotowany !
Moim zdaniem warto poeksperymentować z tym prostym zasilaczem na mosfecie. Czy ktoś pomierzył czas reakcji po zlikwidowaniu kondensatora 10uF i 0,1uF na wyjściu?

Osobiście przy uruchamianiu wzmacniaczy mocy stosowałem inne schematy, ale ten po zlikwidowaniu kondensatorów wyjściowych warto przebadać. Sądzę też, że można w nim zastosować inne tranzystory. Problemem pewnie będzie duża pojemność wejściowa bramki mosfeta, która nie zdąży się rozładować i opóźni czas zadziałania zabezpieczenia. W związku z tym trzeba przeliczyć i obniżyć wartość rezystorów w bramce mosfeta, aby uzyskać odpowiednio małą stałą czasową, a także inne elementy, ponieważ układ jest zrobiony raczej na zwarcia, a nie na przeciążenia. Warto poeksperymentować zmieniając wartości elementów i typy tranzystorów.
Mój praktyczny test przydatności zasilaczy do uruchamiania końcówek mocy polega na zwieraniu zasilacza ustawionego na kilka amperów bezpiecznikiem topikowym o wartości prądu 63mA. Jeśli zabezpieczenie jest dobre to po zwarciu bezpiecznik się nie przepali. Taki test możemy zastosować tylko w przypadku zabezpieczeń wyłączających lub obniżających prąd do wartości mniejszej niż zastosowany bezpiecznik. Do prób zasilaczy budowałem też specjalny obciążalnik z 5 tranzystorami MOSFET BUZ11 umieszczonymi na dużym radiatorze i regulacją prądu obciążenia za pomocą potencjometru. Do prób dynamicznych można dołożyć regulowany generator przebiegu prostokątnego, mój układ był tylko statyczny.

Tranzystory mocy w.cz. są zbyt drogie do takich prób...
Może ktoś porobi doświadczenia, robiąc powyższą próbę (na końcu, bo bezpiecznik też kosztuje). Układ jest na tyle prosty, że można go zbadać wykonując wszystko w pająku.
Zachęcam do prób i opisania wyników praktycznych zmagań.
(Ten post był ostatnio modyfikowany: 30-01-2011 8:49 przez SP2JQR.)
30-01-2011 8:41
Znajdź wszystkie posty użytkownika Odpowiedz cytując ten post
SP5CII Offline
Użytkownik
***

Liczba postów: 196
Dołączył: 14-12-2009
Post: #16
RE: Moj wzmacniacz i ---ugotowany !
I tu kolega SP2JQR ma rację!!! Najwięcej pracy i wysiłku mnie kosztował zasilacz tranzystorowego stopnia mocy.Ale jak przewaliłem ileś zasilaczy to mam to pewność ze tranzystorów nie uwalę. Na razie jeszcze moja końcówka 250W nie padła mimo skrajnych moich zachowań (ok 20 lat hihi)
73!
(Ten post był ostatnio modyfikowany: 12-02-2011 19:49 przez SP5CII.)
12-02-2011 19:48
Znajdź wszystkie posty użytkownika Odpowiedz cytując ten post
SQ9RFC Offline
Jerzy
*****

Liczba postów: 1,193
Dołączył: 02-07-2010
Post: #17
RE: Moj wzmacniacz i ---ugotowany !
Co to warte?


Załączone pliki Miniatury
İmage
16-02-2011 22:59
Znajdź wszystkie posty użytkownika Odpowiedz cytując ten post
SP5CII Offline
Użytkownik
***

Liczba postów: 196
Dołączył: 14-12-2009
Post: #18
RE: Moj wzmacniacz i ---ugotowany !
A to trzeba sprawdzić, wykonać pomiary.Doprowadzić do takiej sytuacji przy której ma się uszkodzić wyciągnąć wnioski.Tranzystory do zasilacza taniej kosztują niż do stopnia mocy trx-a hihi. Z tego schematu nie wiele można odczytać.
Papier wszystko przyjmie. Doskonałymi nowoczesnymi zasilaczami nowej generacji zainteresujcie sie kol Meteor na Elektrodzie to jest krótkofalowiec z Bydgoszczy
73!
(Ten post był ostatnio modyfikowany: 16-02-2011 23:20 przez SP5CII.)
16-02-2011 23:14
Znajdź wszystkie posty użytkownika Odpowiedz cytując ten post
SP5LQV Offline
Andrzej
**

Liczba postów: 78
Dołączył: 21-03-2010
Post: #19
RE: Moj wzmacniacz i ---ugotowany !
Witam . Dalej jak w temacie . .
Ponieważ 'ugotowałem stosunkowo dobry wzmacniacz końcowy na rosyjskich" starych "
tranzystorach rzuciłem ten temat.
"ugotowałem" wzmacniacz dlatego że , Nie miał zadnego zabezpieczenia przed dużym SWR, nie dostał "porządnego " zasilacza z zabespieczeniem prądowym .
Wyszło że wzmacniacze budowane na rosyjskich tranzystorach sa bardzo "czułe"na duże SWR-y i bylejakie zasilacze !!!!( brak ograniczenia prądu )
Zbudowałem zasilacz na L 200 no i ze wszech miar go polecam !!!! nie do "zdarcia " i do "zamordowania " ( pomimo licznych i" dzikich " prób ) ale , dalej wzmacniacz "ugotowany "!!!
Padły w końcówce 2T 957A no i w drajverze tych tranzystorów 2 T 951.
Brak mi takich tranzystorów - mam za to inne rosyjskie 931. 922, 920--
Poszukuje schematu wzmacniacza TRX-a Wołna -- tego ktorego "przekatował' SP 5 CII- bym mógł zrobic i zastosowac uwagi kol. CII.
Jakby ktoś miał-- bardzo prosze. Chcę wykorzystac istniejące elementy .
Jednocześnie może ktoś podrzuci , jakim układem zabespieczyć całą końcówke przed dużym SWR-em ????
Może ktoś ma schemat zabezpieczenia końcówki z Kontura !!! dobrze działał .
Ja rozumie że są nowszej generacji tranzystory które wytrzymają duży SWR- ale chcę wykorzystać to co mam .
Sp5Cii ja byś mógł to podrzuć schemat swojej końcówki z Wołny no i te udoskonaleniach które wprowadziłeś -( Mam te KT 931) i po Twoich postach wynika że jest to dobra "końcówa ".
wstępnie tyle -- bawię się" starymi " zapasami rosyjskich tranzystorów - licze że coś może wyjść ( dotąd do kąt nie "ugotuje " wszystkich do końca .

tym opymistycznym akcentem Andrzej SP 5 LQV
13-11-2011 14:02
Znajdź wszystkie posty użytkownika Odpowiedz cytując ten post
SP2JQR Offline
Henryk
*****

Liczba postów: 1,528
Dołączył: 23-08-2009
Post: #20
RE: Moj wzmacniacz i ---ugotowany !
Końcówka od Wołny jest nie tylko dobra, ale nawet bardzo dobra. Niedawno ćwiczyłem tego TRXa. Przeróbki zaproponowane przez SP5CII absolutnie polecam do wykonania, dopiero potem inne wynalazki.
Dziwne, że Wołna do tej pory nie doczekała się swojego wątku. Postaram się taki temat założyć i włożę tam trochę różnych materiałów.
13-11-2011 17:53
Znajdź wszystkie posty użytkownika Odpowiedz cytując ten post
Odpowiedz 


Skocz do:


Użytkownicy przeglądający ten wątek: 1 gości