Odpowiedz 
 
Ocena wątku:
  • 0 Głosów - 0 Średnio
  • 1
  • 2
  • 3
  • 4
  • 5
Wzmacniacz na 6P45S
SP7KH Offline
Użytkownik
***

Liczba postów: 145
Dołączył: 24-11-2010
Post: #21
RE: Wzmacniacz na 6P45S
Jeżeli separujący transformator to najlepszy 400V/230V podłączony odwrotnie, wtórnym 230V do sieci, na 400V podwajacz i mamy w prosty i bezpieczny sposób 1130V - aż przy dużo na lampy Luminy, bo Radzieckie w sama raz.
Rozwiązanie sprawdzone.
11-02-2011 7:02
Znajdź wszystkie posty użytkownika Odpowiedz cytując ten post
SQ9MYU Offline


Liczba postów: 5
Dołączył: 22-07-2011
Post: #22
RE: Wzmacniacz na 6P45S
(28-12-2010 22:34)sp5cii napisał(a):  Schemat mojego do dziś pracującego wzmacniacza na 6P45C. Przy diodzie 4v7 S1 brakuje na schemacie kondensatora od 3.3nf-10nF do masy-S2,S3.Brak tej diody powoduje że prąd spoczynkowy jest powyżej 100-150mA w zależności od lamp. Z diodą wynosi ok 50mA dla dwóch lamp .Odłączenie diody przy odbiorze powoduje zablokowanie lampy minusem i nie występuje efekt śrutowy (szum w odbiorniku) na 21-28Mhz.
Powodzenia 73!!
Witam serdecznie wszystkich! To mój pierwszy post na tym forum.
Przymierzam się do egzaminu (we wrześniu jest), będę pracował na Taurusie 80m lecz chcę dobudować PA i teraz chciałem zapytać czy mają koledzy konkretne dane nawojowe dot. cewki PI filtra? Pytanie dotyczy schematu odręcznego jaki zamieści właśnie kolega (6P45S sterowana w katodzie).
Pozdrawiam, Marcin, 73!



EDIT:
Panowie, lepiej jest sterować lampę w katodzie czy w S2 tak jak na schemacie poniżej czy może w S1? Chodzi o to iż PA będzie współpracować z Taurusem który daje max. 5W.


Załączone pliki Miniatury
İmage
(Ten post był ostatnio modyfikowany: 28-07-2011 19:22 przez SQ9MYU.)
27-07-2011 8:33
Znajdź wszystkie posty użytkownika Odpowiedz cytując ten post
SP5CII Offline
Użytkownik
***

Liczba postów: 196
Dołączył: 14-12-2009
Post: #23
RE: Wzmacniacz na 6P45S
steruj w katodzie z Taurusa będziesz miał z 100W wcz.(Z wejścia na 2lampach 50-75om)
W latach 70 sterowałem w/w wzmacniacz z wzmacniacza tranzystorowego 2x2bd39(139).Do 14 Mhz doprowadzałem moc do 300W powyżej 14 był problem bo tranzystory i materiały magnetyczne były nie odpowiednie(21 ok100W-28 ok 50W). Cewka na pifiltr miałem z jakiegoś wojskowego urządzenia ok 30zw na średnicy 80mm odstęp ok 2mmm/zw dobierałem lutując odczepy na cewce na max. mocy w antenie. 21 Mhz 3zw -30mm-30mm powietrzna.
Zwracam uwagę na montaż!!!!! na wyższych pasmach pojemności montażu zminimalizować-kondensator zmienny od anody!!
pozdrawiam 73!
(Ten post był ostatnio modyfikowany: 21-08-2011 19:08 przez SP5CII.)
21-08-2011 10:25
Znajdź wszystkie posty użytkownika Odpowiedz cytując ten post
SQ9MYU Offline


Liczba postów: 5
Dołączył: 22-07-2011
Post: #24
RE: Wzmacniacz na 6P45S
Cześć! Dzięki za odpowiedź!
(21-08-2011 10:25)sp5cii napisał(a):  Cewka na pifiltr miałem z jakiegoś wojskowego urządzenia ok 30zw na średnicy 80mm odstęp ok 2mmm/zw dobierałem lutując odczepy na cewce na max. mocy w antenie.
pozdrawiam 73!
Czyli odstęp między zwojami około 2mm, a jaka średnica druta?
W najbliższym czasie składam to cudo, teraz mnie nie było. Zasilacz mam fabryczny 500V i ujemne na siatkę. To da trochę mniejszą moc ale na początek będzie gitara Smile
73!
27-08-2011 20:42
Znajdź wszystkie posty użytkownika Odpowiedz cytując ten post
DH1CL Offline
CHRIS
*

Liczba postów: 15
Dołączył: 26-01-2010
Post: #25
RE: Wzmacniacz na 6P45S
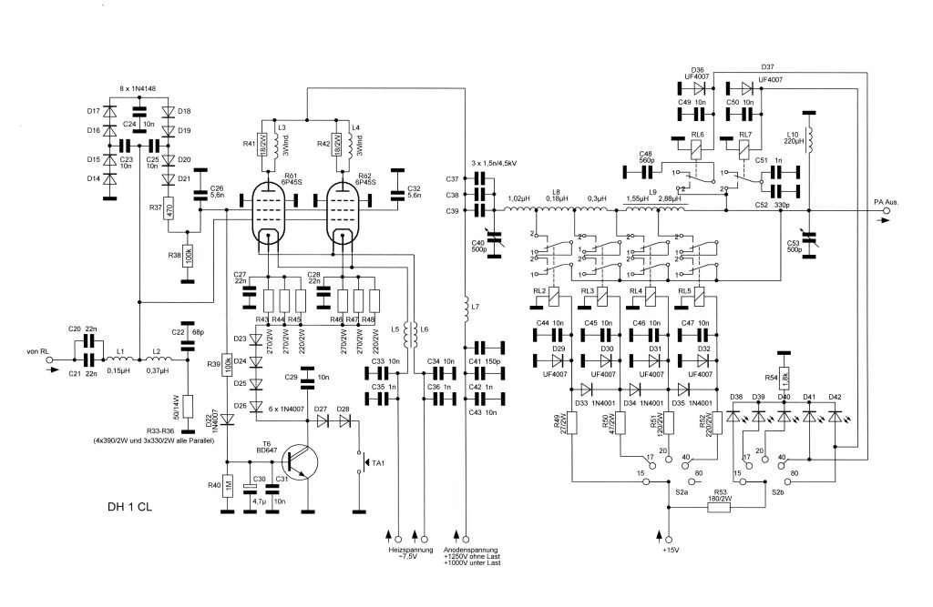
İmage Witam Marcin K.
w zalaczniku fragment schematu Wzm. na dwuch 6p45s. To PA wykonalem przed 13-laty. W tej konfiguracji jak na schemacie pracuje od kilku miesiecy bezawaryjnie. Moc sterujaca 8W max. wyjsciowa ok.300W.

na koniec mala uwaga:

zanim podlaczysz jokikolwiek wzm. do prostego urzadzenia QRP, sprawdz jaki sygnal emituje dany TRX. Wzmacniajac sygnal niepoprawny narazisz sie innym urzytkownikom eteru (splater).

Zajrzyj tutaj:
http://www.qrp4u.de/docs/de/PL519/index.htm

polecam rowniez strone PA0FRI

Chris
28-08-2011 13:35
Znajdź wszystkie posty użytkownika Odpowiedz cytując ten post
SP8GPQ Offline
Tadek
****

Liczba postów: 353
Dołączył: 26-01-2013
Post: #26
RE: Wzmacniacz na 6P45S
(11-02-2011 1:52)SP6XRN napisał(a):  Witam
Przy obecnych układach sieci raczej trudno stosować zasilacz bez-transformatorowy, ale można zastosować trafo separujące 1/1 , które można pozyskać za grosze .Co do sterowanie PA na pentodzie wszyscy mówią o sterowaniu w katodzie lub w siatce pierwszej , a są jeszcze inne siatki .????

Dlaczego?
25-05-2024 20:32
Znajdź wszystkie posty użytkownika Odpowiedz cytując ten post
SP9FKP Offline
Piotr
*****

Liczba postów: 1,287
Dołączył: 28-06-2009
Post: #27
RE: Wzmacniacz na 6P45S
Tadek, sprecyzuj proszę do czego odnosi się Twoje "dlaczego"?

Praktykujący teoretyk
26-05-2024 9:14
Znajdź wszystkie posty użytkownika Odpowiedz cytując ten post
AdamC Offline
Użytkownik
***

Liczba postów: 170
Dołączył: 28-05-2010
Post: #28
RE: Wzmacniacz na 6P45S
(25-05-2024 20:32)SP8GPQ napisał(a):  
(11-02-2011 1:52)SP6XRN napisał(a):  Witam
Przy obecnych układach sieci raczej trudno stosować zasilacz bez-transformatorowy, ale można zastosować trafo separujące 1/1 , które można pozyskać za grosze .Co do sterowanie PA na pentodzie wszyscy mówią o sterowaniu w katodzie lub w siatce pierwszej , a są jeszcze inne siatki .????

Dlaczego?
Bo jak mamy w sieci wyłączniki RCD ( różnicowoprądowy ) to w zależności od wykonania PA może występować zadziałanie tego wyłącznika podczas pracy PA.
26-05-2024 12:39
Znajdź wszystkie posty użytkownika Odpowiedz cytując ten post
SP8GPQ Offline
Tadek
****

Liczba postów: 353
Dołączył: 26-01-2013
Post: #29
RE: Wzmacniacz na 6P45S
(28-08-2011 13:35)DH1CL napisał(a):  Witam Marcin K.
w zalaczniku fragment schematu Wzm. na dwuch 6p45s. To PA wykonalem przed 13-laty. W tej konfiguracji jak na schemacie pracuje od kilku miesiecy bezawaryjnie. Moc sterujaca 8W max. wyjsciowa ok.300W.

na koniec mala uwaga:

zanim podlaczysz jokikolwiek wzm. do prostego urzadzenia QRP, sprawdz jaki sygnal emituje dany TRX. Wzmacniajac sygnal niepoprawny narazisz sie innym urzytkownikom eteru (splater).

Zajrzyj tutaj:
http://www.qrp4u.de/docs/de/PL519/index.htm

polecam rowniez strone PA0FRI

Czy jest dostępny dokładniejszy opis tego wzmacniacza ? Chodzi mi o budowę PI filtra . Tam chyba jest rdzeń T200-2 jak u PA0FRI?

Chris


(26-05-2024 12:39)AdamC napisał(a):  
(25-05-2024 20:32)SP8GPQ napisał(a):  
(11-02-2011 1:52)SP6XRN napisał(a):  Witam
Przy obecnych układach sieci raczej trudno stosować zasilacz bez-transformatorowy, ale można zastosować trafo separujące 1/1 , które można pozyskać za grosze .Co do sterowanie PA na pentodzie wszyscy mówią o sterowaniu w katodzie lub w siatce pierwszej , a są jeszcze inne siatki .????

Dlaczego?
Bo jak mamy w sieci wyłączniki RCD ( różnicowoprądowy ) to w zależności od wykonania PA może występować zadziałanie tego wyłącznika podczas pracy PA.
U mnie w zabezpieczeniu pracuje przekaźnik RM84 /230V . Cewka pobiera prąd 6mA . Wyzwakanie RDC jest 30mA . W każdym razie to działa . Po odwróceniu N z L wzamacniacz się nie włącza.
(Ten post był ostatnio modyfikowany: 26-05-2024 16:43 przez SP8GPQ.)
26-05-2024 14:25
Znajdź wszystkie posty użytkownika Odpowiedz cytując ten post
SQ6ILB Offline
Użytkownik
***

Liczba postów: 186
Dołączył: 19-01-2019
Post: #30
RE: Wzmacniacz na 6P45S
(26-05-2024 14:25)SP8GPQ napisał(a):  
(28-08-2011 13:35)DH1CL napisał(a):  Witam Marcin K.
w zalaczniku fragment schematu Wzm. na dwuch 6p45s. To PA wykonalem przed 13-laty. W tej konfiguracji jak na schemacie pracuje od kilku miesiecy bezawaryjnie. Moc sterujaca 8W max. wyjsciowa ok.300W.

na koniec mala uwaga:

zanim podlaczysz jokikolwiek wzm. do prostego urzadzenia QRP, sprawdz jaki sygnal emituje dany TRX. Wzmacniajac sygnal niepoprawny narazisz sie innym urzytkownikom eteru (splater).

Zajrzyj tutaj:
http://www.qrp4u.de/docs/de/PL519/index.htm

polecam rowniez strone PA0FRI

Czy jest dostępny dokładniejszy opis tego wzmacniacza ? Chodzi mi o budowę PI filtra . Tam chyba jest rdzeń T200-2 jak u PA0FRI?

Chris


(26-05-2024 12:39)AdamC napisał(a):  
(25-05-2024 20:32)SP8GPQ napisał(a):  
(11-02-2011 1:52)SP6XRN napisał(a):  Witam
Przy obecnych układach sieci raczej trudno stosować zasilacz bez-transformatorowy, ale można zastosować trafo separujące 1/1 , które można pozyskać za grosze .Co do sterowanie PA na pentodzie wszyscy mówią o sterowaniu w katodzie lub w siatce pierwszej , a są jeszcze inne siatki .????

Dlaczego?
Bo jak mamy w sieci wyłączniki RCD ( różnicowoprądowy ) to w zależności od wykonania PA może występować zadziałanie tego wyłącznika podczas pracy PA.
U mnie w zabezpieczeniu pracuje przekaźnik RM84 /230V . Cewka pobiera prąd 6mA . Wyzwakanie RDC jest 30mA . W każdym razie to działa . Po odwróceniu N z L wzamacniacz się nie włącza.
Jeżeli urządzenie jednofazowe ma wyznaczone bieguny zasilające, to powinno być podłączone do zasilania na stałe. W innym wypadku to lipa i prowizorka. Big Grin Tongue

Pozdrawiam Grzegorz.
26-05-2024 18:20
Znajdź wszystkie posty użytkownika Odpowiedz cytując ten post
Odpowiedz 


Skocz do:


Użytkownicy przeglądający ten wątek: 1 gości