Odpowiedz 
 
Ocena wątku:
  • 0 Głosów - 0 Średnio
  • 1
  • 2
  • 3
  • 4
  • 5
dobieranie diod do mieszacza diodowego
SQ5KVS Offline
Karol
*****

Liczba postów: 1,013
Dołączył: 26-09-2012
Post: #11
RE: dobieranie diod do mieszacza diodowego
A trochę bardziej do nurtu...
- Ostatnio klucze są bardzo popularne. Zdaje mi się jednak że zrobienie mieszacza na częstotliwości <=GHz jest prostsze na diodach niz na kluczach (mówimy o rękodziełach amatorskich bo są scalone mieszacze, AD8343, LT ma sporo typów itp.
- Czy używali koledzy diod 1N5711 i podobnych? To shottky, mają mała pojemność, można by je połączyć w szereg i będzie trzeba je zasilać z niewiele mocniejszego LO niż zwykłe 1N4148..

Nie rozumiem - nie robię. Chyba że robię żeby zrozumieć.
15-12-2020 13:17
Znajdź wszystkie posty użytkownika Odpowiedz cytując ten post
SP2JQR Offline
Henryk
*****

Liczba postów: 1,528
Dołączył: 23-08-2009
Post: #12
RE: dobieranie diod do mieszacza diodowego
Na wyższe częstotliwości ostatnio używam wyłącznie mieszaczy fabrycznych. Jednak większość z nich nie ma możliwości wprowadzenia równoważenia.
A może ktoś podpowie jakiego mieszacza można użyć na pasmo 2,4GHz do homodyny SSB, który będzie miał równoważenie - mowa o mieszaczu diodowym.

Z mieszaczami do mieszania nie ma problemu, ale z tymi do modulatorów już jest. Typowe wytłumienie nośnej to 35-45dB, a to w modulatorze stanowczo za mało. Pożądane jest uzyskanie około 70dB, aby na dalszych etapach obróbki sygnału można było stosować kompresję w.cz.
15-12-2020 15:29
Znajdź wszystkie posty użytkownika Odpowiedz cytując ten post
SQ4AVS Offline
Rafał
*****

Liczba postów: 1,421
Dołączył: 29-01-2010
Post: #13
RE: dobieranie diod do mieszacza diodowego
Ciężka sprawa Henryku, ale o tym doskonale wiesz. Najprościej przemiana w górę z pośrednią wtedy równoważyć możemy na niskiej częstotliwości gdzie jest łatwiej. A może taka metoda, przesuwnik fazowy regulowany (d. pojemnościowa), układ regulacji amplitudy i sygnał po czymś takim podawać na wyjście modulatora by zmniejszyć poziom nośnej (przeciwfaza). Myślę, że to jest znacznie prostsze w realizacji niż odpowiedni mieszacz o zadawalających parametrach.
15-12-2020 17:51
Odwiedź stronę użytkownika Znajdź wszystkie posty użytkownika Odpowiedz cytując ten post
SQ9KCX Offline
Nowicjusz
*

Liczba postów: 16
Dołączył: 10-02-2020
Post: #14
RE: dobieranie diod do mieszacza diodowego
Jakiś czas temu próbowałem zbudować ten transceiver wspomniany wcześniej,

(07-01-2011 19:00)SQ9RZI napisał(a):  Konkretnie chodziło mi o taki mieszacz, jak w minitranmsceiverze fazowo-homodynowym SP5AHT.

http://www.johnyshop.pl/pdf/Minitranscei...Fazowo.pdf

dobierałem diody omomierzem ale z tego co czytam to jest to niedokładna metoda, teraz dopiero trafiłem na układ
do równoważenia mostka ale nie próbowałem tej metody (zaniechałem projekt), omomierzem niby udało się dobrać takie same diody ale nie mogłem się pozbyć drugiej wstęgi , poza tym odbiór był ok, z nadawaniem dałem sobie spokój, na miliwatach coś tam szło ale też z dwiema wstęgami co do wzmacniacza wyjściowego to niestety poległem (brak jakiegokolwiek doświadczenia). Przedstawiam krótki film z tego mojego dzieła, (uprzedzam że układ budowany był na "martwego pająka") więc pewnie dlatego nie działał jak powinien, pewnie wszystkie sygnały przechodziły przez siebie wzdłuż i wszerz i wyszło to co wyszło.
https://www.youtube.com/watch?v=9DQlUqQmjwk
16-12-2020 12:01
Znajdź wszystkie posty użytkownika Odpowiedz cytując ten post
SQ5KVS Offline
Karol
*****

Liczba postów: 1,013
Dołączył: 26-09-2012
Post: #15
RE: dobieranie diod do mieszacza diodowego
Chwila chwila. Na wyjściu mieszacza diodowego zawsze otrzymujemy dwie wstęgi (DSB). Głównym zagadnieniem wyżej omawianym jest eliminacja nośnej, nie drgiej wstęgi. Do wycięcia drugiej wstęgi to albo metoda fazowa (inny mieszacz i cztery sygnały) albo metoda filtrowa (filtr kwarcowy). Albo jeszcze inne metody, mniej popularne.

Nie rozumiem - nie robię. Chyba że robię żeby zrozumieć.
16-12-2020 12:22
Znajdź wszystkie posty użytkownika Odpowiedz cytując ten post
SQ9KCX Offline
Nowicjusz
*

Liczba postów: 16
Dołączył: 10-02-2020
Post: #16
RE: dobieranie diod do mieszacza diodowego
"Nie rozumiem - nie robię. Chyba że robię żeby zrozumieć. " idealnie do mnie pasuje, ale czasem muszę dostać w łeb łopatą żeby dotarło, oczywiście że usunięcie nośnej, a eliminacja metoda fazowa w tym przypadku , tak czy tak nie udało się, pierwszy raz takie coś zrobiłem ani podpatrzeć nie było u kogo co i jak, a nawet jak się pytałem na paśmie od kilku konstruktorów to dostałem odpowiedź że to jest bardzo trudny układ i żebym "se" dał spokój, zatem dałem "se" spokój, czasem się coś pomyli ale chociaż chciałem spróbować coś zbudować, odbiór był i tyle z tego.
16-12-2020 16:34
Znajdź wszystkie posty użytkownika Odpowiedz cytując ten post
SP3SUZ Offline
Zaawansowany użytkownik
****

Liczba postów: 515
Dołączył: 30-09-2013
Post: #17
RE: dobieranie diod do mieszacza diodowego
@SQ9KCX Ja słuchając tego co prezentujesz na Yu tube nie doszukałem sie wcale złej pracy. Wręcz odwrotnie! Super to odbiera. Jesteś zbyt skromny.
16-12-2020 19:46
Znajdź wszystkie posty użytkownika Odpowiedz cytując ten post
SQ5KVS Offline
Karol
*****

Liczba postów: 1,013
Dołączył: 26-09-2012
Post: #18
RE: dobieranie diod do mieszacza diodowego
Hej.
Ostatnio (to "ostatnio" to jak to u mnie, dość długi przedział czasu) drążę temat mieszaczy, modulatorów, na kluczach i diodach. Robiłem już wcześniej mieszacze ale nie do końca byłem zadowolony, zwłaszcza kiedy zacząłem sterować z Si5351a.

Problem doboru elementów (transformatora, diód, kluczy itp) jest jeszcze bardziej widoczny w przypadku kiedy do kluczowania używamy sygnału prostokątnego - czyli o szerokim widmie.
Przypomnię że w idealnym sygnale prostokątnym kolejne nieparzyste harmoniczne są tylko o 1/n słabsze, więc widmo jest bardzo szerokie.
W mieszaczu zwykle występują transformatory, baluny i inne elementy indukcyjne i okazuje się że zaniedbanie faktu iż kilka skręconych drucików ma między sobą pojemność prowadzi do
tego że mieszacza nie da się zrównoważyć albo występują na wyjściu śmieci, szpilki itp.

Typowy układ mieszacza diodowego podwójnie zrównoważonego:
İmage

Sygnał oscylatora często podajemy "z lewej strony". Transformatory często robi się jako tryfilarnie (trzema skręconymi drutami) nawinięte na jakimś rdzeniu.
Jak się na to patrzy to ma ręce i nogi i nie widać źródła problemu.
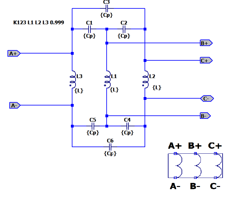
Polecam narysowanie schematu "zastępczego" takiego trafka (taki sobie zrobiłem w ulubionym LTSpice):

İmage

Dla uproszczenia pojemność między drutami zastąpiłem pojemnością na początku i końcu. To są ułamki pikofaradów (kto ma miernik pojemności niech sobie zmierzy) ale ma to wbrew pozorom znaczenie,
Strumień magnetyczny indukowany z jednego uzwojenia nie przechodzi też w 100% (prawie, ale jednak nie cały) przez inne uzwojenia, stąd stała sprzężenia <1. To nam tworzy omawianą przy okazji transformatorów do wzmacniaczy tak zwaną indukcyjność rozproszenia, jest to rzędu nanohenrów.

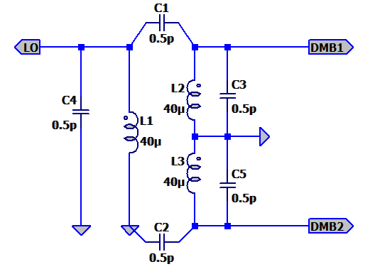
Takie trafko w mieszaczu wygląda wtedy mniej więcej tak (taki np. ADE-1):

İmage

Najbardziej przeszkadza nam kondensator C1 który powoduje niezrównoważenie mieszacza, zwłaszcza dla wyższych harmonicznych. Reszta pojemności rezonanse z indukcyjnościami rozproszenia i wyprowadzeń ale to są częstotliwości setek MHz i są zrównoważone.
I tej pojemności niestety nie da się zrównoważyć przy pomocy potencjometru ani balansowania pojemnościami. Efektem jest pojawienie się szpilek na wyjściach mieszacza. Jest to dość denerwujące i przy zasilaniu mieszacza z np. Si5351 na wyjściach RF/IF są szpilki sięgające kilkunastu mV.

Na szczęście można to łatwo rozwiązać wystarczy zastosować albo dodatkowy balun na wejściu (prądowy, 1:1) typowego mieszacza (jak już wiadomo to łatwo znaleźć, haha http://soldersmoke.blogspot.com/2014/12/...anced.html), można też na wyjściu. Ja zastosowałem typowy 1:4 guanellę. Oto jak rozkładają się pojemości w takim balunie:

İmage

Widać że oba końce (DBM1 i DBM2) są dobrze zrównoważone i żaden z nich nie ma bezpośredniego "przesłuchu" do LO.

Z takimi przemyśleniami usiadłem do zrobienia mieszacza. Na początku zlutowałem z 1N4148 SMD (o ile pamiętam to CD4148W i nie dobierałem ich). Na wyjściu nie guanella tylko zwykły tryfilarny transformator. Wszystko obciążone 50 omami. Na oscyloskopie szpileczki po 5mV. Po dołożeniu potencjometra i trymera do równoważenia szpilki zniknęły.
Dobra nasza, postanowiłem wlutować zamiast jednej 1N4148 dwie 1N5711. No i niestety. Wszystko się rozjechało. Ślepy traf chciał że 1N4148W miały minimalny (1mV) rozrzut w napięciach przewodzenia, rozrzut w pasku 1N5711 (20 sztuk) natomiast sięgał 7mV. Ponieważ nie miałem tylu 1N5711, porzuciłem je i wybrałem najbardziej zbliżone 1N4148. Na nowo zlutowanej płytce, bez trymera do równoważenia pojemności, mam ~500uVrms (odczyt z NWT7) sygnału co daje (załóżmy ~2V LO) ponad 70dB tłumienia Smile

Nie rozumiem - nie robię. Chyba że robię żeby zrozumieć.
(Ten post był ostatnio modyfikowany: 31-08-2021 16:51 przez SQ5KVS.)
31-08-2021 15:49
Znajdź wszystkie posty użytkownika Odpowiedz cytując ten post
SP2JQR Offline
Henryk
*****

Liczba postów: 1,528
Dołączył: 23-08-2009
Post: #19
RE: dobieranie diod do mieszacza diodowego
Ostatnio doszedłem do wniosku, że mieszacze fabryczne diodowe w większości przypadków nie nadają się do dobrego modulatora o dużym wytłumieniu nośnej.
Warto z takiego fabrycznego mieszacza wydłubać monolityczny kwartet diodowy i wykonać modulator na piechotę, ale z PRkami i trymerami równoważącymi rezystancje i pojemności. Przy dobrym wykonaniu można osiągnąć wytłumienie nośnej sięgające 70dB. Wbrew pozorom, przy zastosowaniu kompresji w.cz. takie wytłumienie jest niezbędne.

Zastosowanie syntezy z sygnałem prostokątnym też wymaga bardzo dobrego wytłumienia, jak Karol wyżej napisał. Przetestowałem to praktycznie na mieszaczach ADE-1. Na niskich pasmach jeszcze jako tako chodzą, ale już z pośrednią około 40MHz słychać wiele zakłóceń i stuki podczas zmiany częstotliwości. Tu znacznie lepiej zachowują się mieszacze H.
(Ten post był ostatnio modyfikowany: 31-08-2021 16:06 przez SP2JQR.)
31-08-2021 16:06
Znajdź wszystkie posty użytkownika Odpowiedz cytując ten post
SQ5KVS Offline
Karol
*****

Liczba postów: 1,013
Dołączył: 26-09-2012
Post: #20
RE: dobieranie diod do mieszacza diodowego
Jak się da przed taki ADE-1 prosty balun prądowy na LO i nie łączy mas (tak jak jest w karcie katalogowej) zaczyna to wyglądać lepiej.

Wydłubany kwartet diodowy będzie dobry o tyle że nie trzeba dobierać, z trzeciej strony są tam diody schottkyego o napięciu przewodzenia pewnie ~400mV więc nieco mniejszym niż typowa krzemowa 1N4148.
Można też zastosować BAV99.215, tam są dwie diody w szeregu, na jedną gałąź. Znalazłem u siebie takie ale jeszcze nie mierzyłem.
Od doboru diód gałęzi zależy stopień wyłumienia nośnej na wyjściu. To że nie ma na wyjściu mieszacza sygnału nośnej jest tylko i wyłącznie efektem tego że na "górnej" diodzie jest (względem masy), powiedzmy +600mV, na dolnej -600mV. W efekcie to co idzie na jedną "nogę" transformatora wyjściowego się znosi. Ale tylko jeśli diody są takie same. Potencjometr trochę poprawia sprawę ale coś za coś, jeśli diody bardzo się różnią nie da się zrównoważyć (wyjdą szpilki albo inne harmoniczne).

O sposobach równoważenia mieszaczy na kluczach analogowych napiszę za ~tydzień. Tu się przydaje albo mieszacz H który załatwia wiele problemów albo sprytny trick ze skręconym drucikiem i szczypcami bocznymi... Jak ktoś się wczyta w opracowania jak są klucze zrobione to się domyśli...

Nie rozumiem - nie robię. Chyba że robię żeby zrozumieć.
(Ten post był ostatnio modyfikowany: 31-08-2021 17:10 przez SQ5KVS.)
31-08-2021 17:04
Znajdź wszystkie posty użytkownika Odpowiedz cytując ten post
Odpowiedz 


Skocz do:


Użytkownicy przeglądający ten wątek: 1 gości