Odpowiedz 
 
Ocena wątku:
  • 0 Głosów - 0 Średnio
  • 1
  • 2
  • 3
  • 4
  • 5
Transceivery AM?
SQ9RZI Offline
Zaawansowany użytkownik
****

Liczba postów: 403
Dołączył: 19-03-2010
Post: #1
Transceivery AM?
Ponieważ na forum dużą popularnością cieszą się klasyczne konstrukcje, zaprojektowane przed kilkudziesięciu laty, pozwoliłem sobie rozpocząć kolejny wątek.

Może ktoś z was dysponuje projektami jakichś urządzeń na pasma amatorskie, przeznaczonych do pracy z modulacją AM? Chodzi mi raczej o konkretne projekty, im bardziej kompletne (PCB/schemat montażowy, opis uruchomienia) tym lepiej. Ja osobiście jak dotąd nie natknąłem się na nic takiego, poza schematami bardzo prostych nadajników oraz oczywiście różnej maści odbiorników. Z oczywistych względów pomijam także przedwojenne publikacje. Smile

Przecież nie od razu SSB zdominowało pasma amatorskie. A chyba i obecnie nie ma żadnego (nawet nieformalnego) zakazu korzystania z tej modulacji, pomimo szerszego pasma. Fabryczne transceivery często posiadają taką opcję...

Osobiście natknąłem się na tylko jeden współczesny projekt, od samllwonderlabs:
http://www.smallwonderlabs.com/Retro-75.htm
(Ten post był ostatnio modyfikowany: 26-12-2010 20:20 przez SQ9RZI.)
26-12-2010 20:17
Znajdź wszystkie posty użytkownika Odpowiedz cytując ten post
SP9MRN Offline
MAc
*****

Liczba postów: 822
Dołączył: 29-08-2009
Post: #2
RE: Transceivery AM?
(26-12-2010 20:17)Atlantis napisał(a):  Może ktoś z was dysponuje projektami jakichś urządzeń na pasma amatorskie, przeznaczonych do pracy z modulacją AM? Chodzi mi raczej o konkretne projekty, im bardziej kompletne (PCB/schemat montażowy, opis uruchomienia) tym lepiej.

Ogromne ilości sprzętu AM były publikowane w latach 80 i 90 w radzieckim Radio. A dokładniej w dziale "radio naczinajuszczim" - tym co zaczynał się po 4 stronie kolorowej wkładki :-)

O ile pamiętam, to ich licencja "novice" z ówczesnych czasów pozwalała na pracę AM w tym zakresie (niewykluczone, że wyłącznie AM, bez CW) - stąd sporo opisów takiego sprzętu - o różnym stopniu komplikacji.

Była tego cała masa - nie wiem, czy mi zostały jeszcze jakieś numery, bo raczej schematów do AM nie zostawiałem - ale albo znajdę - albo będzie na krasnodarze w archiwum.

73 świąteczne
dodaję skan nadajnika
MAc
.pdf  tx160.pdf (Rozmiar: 652.58 KB / Pobrań: 1575)
(Ten post był ostatnio modyfikowany: 28-12-2010 13:34 przez SP9MRN.)
26-12-2010 22:11
Odwiedź stronę użytkownika Znajdź wszystkie posty użytkownika Odpowiedz cytując ten post
SP7KH Offline
Użytkownik
***

Liczba postów: 145
Dołączył: 24-11-2010
Post: #3
RE: Transceivery AM?
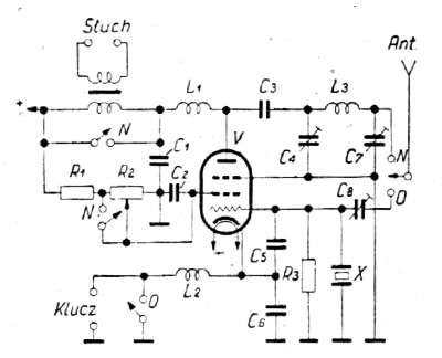
Ależ służe uprzejmie - prościej już nie można.
Materiał z Radioamatora 07/1956 rok.
Niestety nie ma tu jak PDF=a dużego wsadzić.
Mikrofon w miejsce klucza w katodzie i AM-y jak miło!


Załączone pliki Miniatury
İmage İmage
(Ten post był ostatnio modyfikowany: 28-12-2010 22:54 przez SP7KH.)
28-12-2010 22:51
Znajdź wszystkie posty użytkownika Odpowiedz cytując ten post
SQ9RZI Offline
Zaawansowany użytkownik
****

Liczba postów: 403
Dołączył: 19-03-2010
Post: #4
RE: Transceivery AM?
Dziękuję, chociaż mi chodziło raczej o jakieś bardziej złożone i nowsze projekty. Czyżby używania modulacji amplitudy na pasmach AM na szerszą skalę zaprzestano na długo przed nastaniem epoki układów scalonych (mam tutaj na myśli czasy, w których powstały takie klasyczne konstrukcje jak Bartek albo TRX SP5WW)?

Ten rosyjski projekt wygląda interesująco. Były może jakieś polskie konstrukcje tego rodzaju? Może ktoś z forumowiczów zbudował kiedyś jakiś TRX AM?
(Ten post był ostatnio modyfikowany: 30-12-2010 20:59 przez SQ9RZI.)
30-12-2010 20:56
Znajdź wszystkie posty użytkownika Odpowiedz cytując ten post
SP9MRN Offline
MAc
*****

Liczba postów: 822
Dołączył: 29-08-2009
Post: #5
RE: Transceivery AM?
No cóż, AM jest "pasmożerne" niewydajne energetycznie i po prostu przegrywa z SSB.
Z tego co pamiętam, to ostatnią ostoją AMu były 2m, gdzie szerokość zajmowanego pasma nie miała większego znaczenia. Dzisiaj, jak postawisz nośną z dwiema wstęgami o nieodpowiedniej porze, to pewnie nawet ja, człowiek tolerancyjny będę miał do Ciebie pretensje :-)

Myślę, że to podstawowe powody...

Z drugiej strony - pracowałem kiedyś na fazowym nadajniku - taki najprostszy z możliwych, z formowaniem na częstotliwości pracy i dostawałem całkiem niezłe (JAK NA TAMTE CZASY !!!) raporty - co oznacza, że dało się zrobić radio na SSB bez wielkich wydatków.
No i tak AM odeszlo do historii.

73
MAc
mrn
30-12-2010 22:11
Odwiedź stronę użytkownika Znajdź wszystkie posty użytkownika Odpowiedz cytując ten post
SQ9RZI Offline
Zaawansowany użytkownik
****

Liczba postów: 403
Dołączył: 19-03-2010
Post: #6
RE: Transceivery AM?
(30-12-2010 22:11)sp9mrn napisał(a):  No cóż, AM jest "pasmożerne" niewydajne energetycznie i po prostu przegrywa z SSB.
Z tego co pamiętam, to ostatnią ostoją AMu były 2m, gdzie szerokość zajmowanego pasma nie miała większego znaczenia. Dzisiaj, jak postawisz nośną z dwiema wstęgami o nieodpowiedniej porze, to pewnie nawet ja, człowiek tolerancyjny będę miał do Ciebie pretensje :-)

Z tych wszystkich wad AM oczywiście zdaje sobie sprawę i nie postuluję używania go do normalnych, długich łączności czy luźnych rozmów na pasmach. Niemniej oficjalnego zakazu chyba nigdy nie było. Okazjonalna łączność lokalna QRP falą przyziemną (przy niskiej propagacji jonosferycznej) nie powinna chyba nikomu przeszkadzać. Wink

Cytat:Z drugiej strony - pracowałem kiedyś na fazowym nadajniku - taki najprostszy z możliwych, z formowaniem na częstotliwości pracy i dostawałem całkiem niezłe (JAK NA TAMTE CZASY !!!) raporty - co oznacza, że dało się zrobić radio na SSB bez wielkich wydatków.

Właśnie wytrawia się płytka do takiego fazowo-homodynowego minitransceivera wg SP5AHT. Posiadam zdecydowaną większość części (za wyjątkiem elementów indukcyjnych o dużej indukcyjności, nawijanych na rdzeniach kubkowych - te będę musiał zdobyć). Po prostu lubię polską elektronikę z tego okresu, a poza tym chciałbym sprawdzić jak działają urządzenia tego rodzaju.
Co prawda teraz projektem numer 1 jest dla mnie dokończenie Bartka, jednak w moim przypadku dość często to tak wygląda, że mając trochę czasu równolegle zaczynam jakiś projekt i korzystając z części które mam pod ręką składam go prawie w całości. Potem tylko rozglądam się za ostatnimi brakującymi elementami.

BTW jeśli chodzi o zajmowanie pasma, to jak wygląda sprawa w przypadku takich prostych fazowo-homodynowych transceiverów SSB? Charakteryzują się one nieco gorszym tłumieniem drugiej wstęgi niż w przypadku metody filtrowej. Czy fakt ten jest zauważalny "w paśmie" i może komuś przeszkadzać?

Jak przyjmowane jest nadawanie DSB, z wytłumioną nośną?
31-12-2010 0:10
Znajdź wszystkie posty użytkownika Odpowiedz cytując ten post
SQ6ADE Offline
Radjoamator.
****

Liczba postów: 540
Dołączył: 05-04-2010
Post: #7
RE: Transceivery AM?
(31-12-2010 0:10)Atlantis napisał(a):  Z tych wszystkich wad AM oczywiście zdaje sobie sprawę i nie postuluję używania go do normalnych, długich łączności czy luźnych rozmów na pasmach. Niemniej oficjalnego zakazu chyba nigdy nie było. Okazjonalna łączność lokalna QRP falą przyziemną (przy niskiej propagacji jonosferycznej) nie powinna chyba nikomu przeszkadzać. Wink

AM niebo lepiej brzmi niż gęgająca-zdudniona paskuda SSB.
Możesz nawet dostać "OPR" za zajmowanie szerszego pasma jak "ekłalizery" od HI-FI SSB. Smile

tylko na FM UKF -> Just True Sound Hi-Fi Smile
31-12-2010 0:29
Znajdź wszystkie posty użytkownika Odpowiedz cytując ten post
Odpowiedz 


Skocz do:


Użytkownicy przeglądający ten wątek: