Odpowiedz 
 
Ocena wątku:
  • 4 Głosów - 5 Średnio
  • 1
  • 2
  • 3
  • 4
  • 5
Interfejs USB_TRX
SP5FCS Offline
Adam
*****

Liczba postów: 1,073
Dołączył: 02-02-2009
Post: #1
Copyleft Interfejs USB_TRX
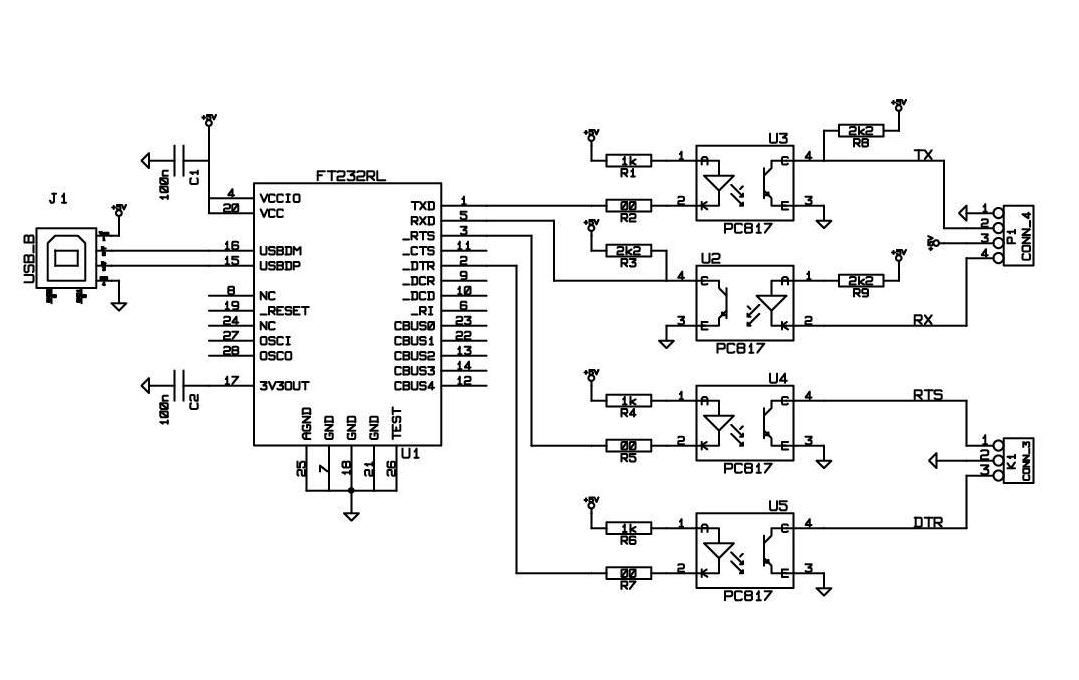
Moduł interfejsu do komunikacji pomiędzy komputerem, złącze USB a i procesorem syntezy np Oleg 9. Moduł posiada optoizolację na transoptorach oraz rozdzielone zasilania od strony PC i radia .
Widok modułu i schemat na zdjęciach. Transoptory SMD PC817C, da się zamontować również przewlekane.

Projekt druku w Sprint Layout 5.0


Załączone pliki Miniatury
İmage İmage İmage

.lay  usb_trx.LAY (Rozmiar: 56.94 KB / Pobrań: 1777)

73 Adam
09-10-2010 9:17
Znajdź wszystkie posty użytkownika Odpowiedz cytując ten post
SQ7HJB
Unregistered

 
Post: #2
RE: Interfejs USB_TRX
Witam!
Podłączając moduł do syntezy łączymy UStx z RX modułu i USrx z TX modułu?
Pozdrawiam
02-02-2011 10:32
Odpowiedz cytując ten post
SP5FCS Offline
Adam
*****

Liczba postów: 1,073
Dołączył: 02-02-2009
Post: #3
RE: Interfejs USB_TRX
Łącząc ze sobą dwa urządzenia kanałem szeregowym (PC-PC, procesor-procesor, radio-komputer) zawsze musimy zastosować przeplot tzn. wyjście nadajnika TxD musi wchodzić na wejście RxD i odwrotnie w drugą stronę plus wspólna masa.
Na schemacie modułu opisane są sygnały wychodzące z modułu. Niektóre urządzenia np. modemy mają przeplot w urządzeniu i stosujemy wtedy połączenie na wprost.

73 Adam
02-02-2011 12:29
Znajdź wszystkie posty użytkownika Odpowiedz cytując ten post
SQ7HJB
Unregistered

 
Post: #4
Wink RE: Interfejs USB_TRX
Witam!
Dziękuję za informację. Wolałem się upewnić u samego autora projektu
Pozdrawiam
02-02-2011 12:54
Odpowiedz cytując ten post
SQ7HJB
Unregistered

 
Post: #5
RE: Interfejs USB_TRX
Witam!
Zmontowałem dziś interfejs.
PTT steruje bez problemu. Nie mogę natomiast uzyskać przestrajania syntezy PILIGRIMA przez CAT-a.
Jakie powinny być ustawienia?
Próbowałem z programami MixW oraz UR6EQF.
Pozdrawiam Marek SQ7HJB


Załączone pliki Miniatury
İmage İmage
04-02-2011 23:16
Odpowiedz cytując ten post
SP8RHP Offline
Robert
***

Liczba postów: 189
Dołączył: 18-09-2009
Post: #6
RE: Interfejs USB_TRX
(04-02-2011 23:16)sq7hjb napisał(a):  Witam!
Zmontowałem dziś interfejs.
PTT steruje bez problemu. Nie mogę natomiast uzyskać przestrajania syntezy PILIGRIMA przez CAT-a.
Jakie powinny być ustawienia?
Próbowałem z programami MixW oraz UR6EQF.
Pozdrawiam Marek SQ7HJB
Witaj Marek....
Spróbuj spod HRD....
(02-02-2011 12:29)sp5fcs napisał(a):  Łącząc ze sobą dwa urządzenia kanałem szeregowym (PC-PC, procesor-procesor, radio-komputer) zawsze musimy zastosować przeplot tzn. wyjście nadajnika TxD musi wchodzić na wejście RxD i odwrotnie w drugą stronę plus wspólna masa.
Na schemacie modułu opisane są sygnały wychodzące z modułu. Niektóre urządzenia np. modemy mają przeplot w urządzeniu i stosujemy wtedy połączenie na wprost.
Czesc Adam...
Może spotkałeś się z takim problemem...
Po podpieciu i-face na FT232 pod radio i odpaleniu
jakiegokolwiek softu, wzrasta w radiu poziom szumu...Sad(((.

QRV 160m-3cm
KF :HexBeam 40/10m+Monoband Fuchs 78.6m-> 1.8/3.5MHz ,eATU+Delta LA2Y 40m/15m +MiniYes v.UT0IS/SP8RHP, V-Beam 2x190m 80/40m .
UKF: 4x15 el RA3AQ +4x23el RA3AQ+50el RA3AQ + 1.4m/90cm parabola
(Ten post był ostatnio modyfikowany: 05-02-2011 15:25 przez SP8RHP.)
05-02-2011 15:20
Znajdź wszystkie posty użytkownika Odpowiedz cytując ten post
SP7DQR Offline
Marek
*

Liczba postów: 10
Dołączył: 10-08-2009
Post: #7
RE: Interfejs USB_TRX
Witam,
zgodnie z tym, co pisał autor syntezy, w programie logujacym nalezy wybrać radio Icom 706 (adres 48H). Parametry portu: 9600,8,N,1.
Moja wersja interfejsu chodziła z tymi ustawieniami.
Niestety układy serii R ( z wewnętrznym generatorem ) mogą generować wyższy poziom szumów niż układy z serii B.

73, Marek SP7DQR
05-02-2011 16:05
Odwiedź stronę użytkownika Znajdź wszystkie posty użytkownika Odpowiedz cytując ten post
SQ7HJB
Unregistered

 
Post: #8
RE: Interfejs USB_TRX
Dzięki za informacje.
Wprowadziłem ustawienia. W UR5EQF sam Omni Rig pokazał adres.
Niestety bez efektu.
Sprawdziłem czy są napięcia po jednej stronie i po drugiej.
Wszystko jest OK. Przejrzałem po raz kolejny poprawność montażu.
Odłożę to może na 1 dzień i sprawdzę jeszcze raz.
A może spróbuje przez max232 i RS-a.
Pozdrawiam
05-02-2011 17:22
Odpowiedz cytując ten post
SQ6ADE Offline
Radjoamator.
****

Liczba postów: 540
Dołączył: 05-04-2010
Post: #9
RE: Interfejs USB_TRX
USB to szkodnik eterowy (z doświadczeń).
Mi łącze czasami zakłóca nawet UKFkę. Najlepiej używać "przejściówki" wpiętej wprost w złącze USB. Coby siejący "fast-spid" USB nie leciał sobie długim kabelkiem.

Oprócz czipów od FTDI są też alternatywy innych producentów - może warto spróbować na nich ??

p.s.
Jak układ działa z 5V to może warto dołożyć w szereg z diódkami transoptorów po ledce SMD ? Będzie widać która linia aktywna.

tylko na FM UKF -> Just True Sound Hi-Fi Smile
(Ten post był ostatnio modyfikowany: 05-02-2011 21:59 przez SQ6ADE.)
05-02-2011 21:52
Znajdź wszystkie posty użytkownika Odpowiedz cytując ten post
SP8RHP Offline
Robert
***

Liczba postów: 189
Dołączył: 18-09-2009
Post: #10
RE: Interfejs USB_TRX
(05-02-2011 21:52)sq6ade napisał(a):  USB to szkodnik eterowy (z doświadczeń).
Mi łącze czasami zakłóca nawet UKFkę. Najlepiej używać "przejściówki" wpiętej wprost w złącze USB. Coby siejący "fast-spid" USB nie leciał sobie długim kabelkiem.

Oprócz czipów od FTDI są też alternatywy innych producentów - może warto spróbować na nich ??

p.s.
Jak układ działa z 5V to może warto dołożyć w szereg z diódkami transoptorów po ledce SMD ? Będzie widać która linia aktywna.
Czesc Krzysztof...
Tak masz racje ...
Ja mam LED-y zalozone na liniach TXd i RXd i np... HRD "próbkuje" caly czas dlatego szumy są non-stop...IZ2BKT , tylko w momencie zmian..szumy pojawiaja sie dopiero w trakcie pojawienia sie sygnalu na liniach TX/RX , podobnie jest jeszcze w innym programie jakims rosyjskim...(nie w MIXW)-> ktorego uzywam okazjonalnie ale bez tego nieszczesnego i-face.Z COM-a z innym i-fejsem BRAK szumów -> sprawdzone na WSJT( FSK i JT65 EME).
Calosc instalacji ze strony sieci 230V i radia jest dobrze uziemiona.
Nie jest to zrobione "na oko" tylko zgodnie z pomiarami wykonanymi , a tyczacych sie norm budowlanych.
Swego czasu postarałem się i dopilnowałem aby nawet linia telefoniczna posiadała swoją "ziemię" w postaci pręta miedzi fi 22mm dł 1.7 zabitego w dobry "grunt " pod rynnę, gdzie spływa woda.

QRV 160m-3cm
KF :HexBeam 40/10m+Monoband Fuchs 78.6m-> 1.8/3.5MHz ,eATU+Delta LA2Y 40m/15m +MiniYes v.UT0IS/SP8RHP, V-Beam 2x190m 80/40m .
UKF: 4x15 el RA3AQ +4x23el RA3AQ+50el RA3AQ + 1.4m/90cm parabola
(Ten post był ostatnio modyfikowany: 05-02-2011 23:41 przez SP8RHP.)
05-02-2011 23:35
Znajdź wszystkie posty użytkownika Odpowiedz cytując ten post
Odpowiedz 


Skocz do:


Użytkownicy przeglądający ten wątek: 1 gości