Odpowiedz 
 
Ocena wątku:
  • 3 Głosów - 5 Średnio
  • 1
  • 2
  • 3
  • 4
  • 5
Skrzynka antenowa HMG-easyATU
SP5FCS Offline
Adam
*****

Liczba postów: 1,073
Dołączył: 02-02-2009
Post: #1
Skrzynka antenowa HMG-easyATU
W tym wątku proponuję Kolegom dyskusję i współpracę przy budowie prototypu prostej wersji skrzynki antenowej HMG-easyATU. Jest to praktyczna realizacja pierwszej fazy większego projektu "Skrzynki antenowej przy antenie" .
Aby mieć pełny obraz różnych pomysłów i koncepcji należy przeczytać wątek główny w którym przedyskutowano wiele tematów. Proponuję w tym wątku skupić się na sprawach technicznej realizacji easyATU a a sprawy koncepcyjne i nowe pomysły opisywać na wątku głównym.


Dlaczego powstało HMG-easy ATU ?
1/ Skrzynki manualne ze względu na niski koszt wykonania oraz prostotę konstrukcji nadal cieszą się dużą popularnością wśród radioamatorów.
2/ Umieszczenie skrzynki przy antenie eliminuje największą wadę skrzynek manualnych podłączanych bezpośrednio do radia czyli strojenie do wypadkowej impedancji fidera i anteny.
3/ Posiadając kilka anten oddalonych od siebie wygodnie byłoby do każdej mieć oddzielną skrzynkę dlatego jej konstrukcja powinna być prosta a koszt wykonania minimalny.
4/ Urządzenie umieszczane na zewnątrz są wielokrotnie bardziej narażone na uszkodzenia czy dewastację co jest kolejnym argumentem za minimalizacją kosztów;
5/ Podczas prac nad bardziej zaawansowaną konstrukcją dobrze jest "potrenować" na prostym i tanim prototypie.
6/ Moduł prostej skrzynki może posłużyć "do psucia" parametrów anteny podczas testów i pomiarów skrzynek antenowych.

Czym jest HMG-easyATU ?
1/ To prosta, łatwa do wykonania, tania skrzynka antenowa montowana przy antenie (opcjonalnie w radiu lub własnej obudowie obok radia) .
2/ W pierwszej wersji jest to skrzynka manualna (cyfrowy nastawnik wartości L,C);
3/ Układ dopasowania typu L z przełączaną pojemnością od strony TRX lub anteny.
4/ Sterowanie skrzynką odbywa się poprzez kanał szeregowy, rolę sterownika skrzynki na początek może pełnić oprogramowanie uruchamiane na PC (np. terminal) lub prosty sterownik na procesorze.
5/ Pomiar dopasowania odbywa się przy radiu (pomiar w radiu lub oddzielnym miernikiem SWR);
6/ Ze względu na brak układu "cichego strojenia" moc musi być redukowana ręcznie przed strojeniem.

Konstrukcja HMG-easyATU:
- cewki na czerwonych rdzeniach Amidona T68...T106;
- 4 pierwsze cewki mogą spokojnie być wykonane jako powietrzne (kolejna oszczędność)
- dwie niezależne płytki cewek i kondensatorów skręcone stroną miedzi poprzez metalowe słupki;
- druki jednostronne do wykonania metodą termotransferu;
- wszystkie układy scalone w podstawkach (łatwy montaż, serwis, naprawa);
- niewielka ilość biernych elementów typu SMD;
- konstrukcja skrzynki (przekaźniki, rdzenie) pozwala na przeniesienie mocy 100W;
- miejsce na umieszczenie transformatora/ symetryzatora typu "Balun";
- procesor sterujący ATmega 8;
- nastawa pojemności 8 bitów (10, 20, 40, 80, 160, 320, 640, 1280pF), stan spoczynkowy bez dodatkowej pojemności
- nastawa indukcyjności 8 bitów (0.1, 0.2, 0.4, 0.8, 1.6, 3.2, 6.4, 12.8uH), stan spoczynkowy: wszystkie cewki zwarte
- wbudowany interfejs szeregowy RS485 (opcja do testów moduł RS232)
- jako obudowę zastosowano rurę PCV 75mm, łącznik oraz dwa korki zamykające;
- przepusty PG7, PG9, drabinka z opakowań po układach scalonych SMD;
- masa całkowita około 0,8 kilograma (zależy od wielkości rdzeni)
- koszt wykonania około 250zł;

Przewodnik po opisie skrzynki easyATU
- rysunek płytki easyATU do wyprasowania + schemat
- plik pdf z płytką easyATU ver.2 600dpi;
- projekt druku w Layout 5.0 .......... NOWY.........
- zdjęcia modułów, modyfikacja RESET na druku
- schemat RS485
- dane cewek na rdzeniach T68, T80
- dane cewek na rdzeniach T-94, kondensatory od 5pF do 640pF
- odpowiedzi na kilka zadawanych pytań

- projekt procesora konsoli domowej, druk, schemat
- projekt konwertera RS485 w LayOut
- projekt przełącznika antenowego

- oprogramowanie easyATU_sp5fcs_v02, opis rozkazów
- oprogramowanie easyATU_sp5fcs_v05, działa RS485 z konsolą domową

- oprogramowanie easyATU Jarka SP3SWJ
- ostatnia wersja oprogramowania easyATU_sp5fcs_v11



Szczegóły konstrukcji na zdjęciach skrzynek w różnych wykonaniach.
Waldek 3Z6AEF, Jarek SP3SWJ, Łukasz SQ4RNF, Adam SP5FCS, Jurek SQ5PGJ, Adam SP7DCB
Grzegorz SQ3ODQ


Załączone pliki Miniatury
İmage İmage İmage İmage İmage İmage İmage İmage İmage İmage

73 Adam
03-10-2010 23:41
Znajdź wszystkie posty użytkownika Odpowiedz cytując ten post
SP9FKP Offline
Piotr
*****

Liczba postów: 1,287
Dołączył: 28-06-2009
Post: #2
RE: Skrzynka antenowa HMG-easyATU
Jeśli mogę jeszcze wtrącić swoje trzy grosze to prosiłbym o umieszczenie pomiaru w skrzynce. Skoro mamy procesor i ADC na pokładzie to wystarczy w odpowiedzi na komendę zmiany nastawy odesłać 4 bajty z pomiaru FWD i REF. Można je będzie będzie obrobić lub zignorować.
Przyszedł mi też do głowy pomysł, by na podstawie tego pomiaru "na dole" ustawiać ALC, np. przez PWM do zadanej wartości.
Jeszcze jedna uwaga:
TD62783 ma dość duże napięcie saturacji. Jeśłi założymy, że przekaźnik pobierze 40 mA i wszystkie będą włączone to moc strat przekroczy dopuszczalną dla tego układu. Warto sprawdzić ...
(Ten post był ostatnio modyfikowany: 04-10-2010 8:17 przez SP9FKP.)
04-10-2010 7:33
Znajdź wszystkie posty użytkownika Odpowiedz cytując ten post
SP3SWJ Offline
Jarek
****

Liczba postów: 657
Dołączył: 20-03-2010
Post: #3
RE: Skrzynka antenowa HMG-easyATU
Adam :-) jaka śliczna RURA :-)

.... przyszła mi na myśl nazwa L-PIPE :-) jako że to jest L network.
04-10-2010 9:14
Odwiedź stronę użytkownika Znajdź wszystkie posty użytkownika Odpowiedz cytując ten post
HM_DIPOL Offline
Heniek
***

Liczba postów: 172
Dołączył: 27-04-2010
Post: #4
RE: Skrzynka antenowa HMG-easyATU
Cieszę się, że w temacie skrzynki coś się dzieje bo myślałem, że na dyskusji się skończy a temat "padnie".
Proponowałem zastosowanie ATmega32 a tu okazało się, że jeden AT8 daje radę i nawet rejestrów szeregowych nie potrzebuje. Najbardziej w konstrukcji podoba mi się jej prostota (płytki jednostronne, elementy przewlekane, podstawki), taki układ jest w stanie wykonać praktycznie każdy.
I tu moje pytanie czy będzie dostępna dokumentacja pozwalająca na wykonanie tej skrzynki. Koszt wydaję się do zaakceptowania dlatego chetni na pewno będą, ja na 100%.
04-10-2010 10:25
Znajdź wszystkie posty użytkownika Odpowiedz cytując ten post
SP5FCS Offline
Adam
*****

Liczba postów: 1,073
Dołączył: 02-02-2009
Post: #5
RE: Skrzynka antenowa HMG-easyATU
Obudowa kaliber 75mm
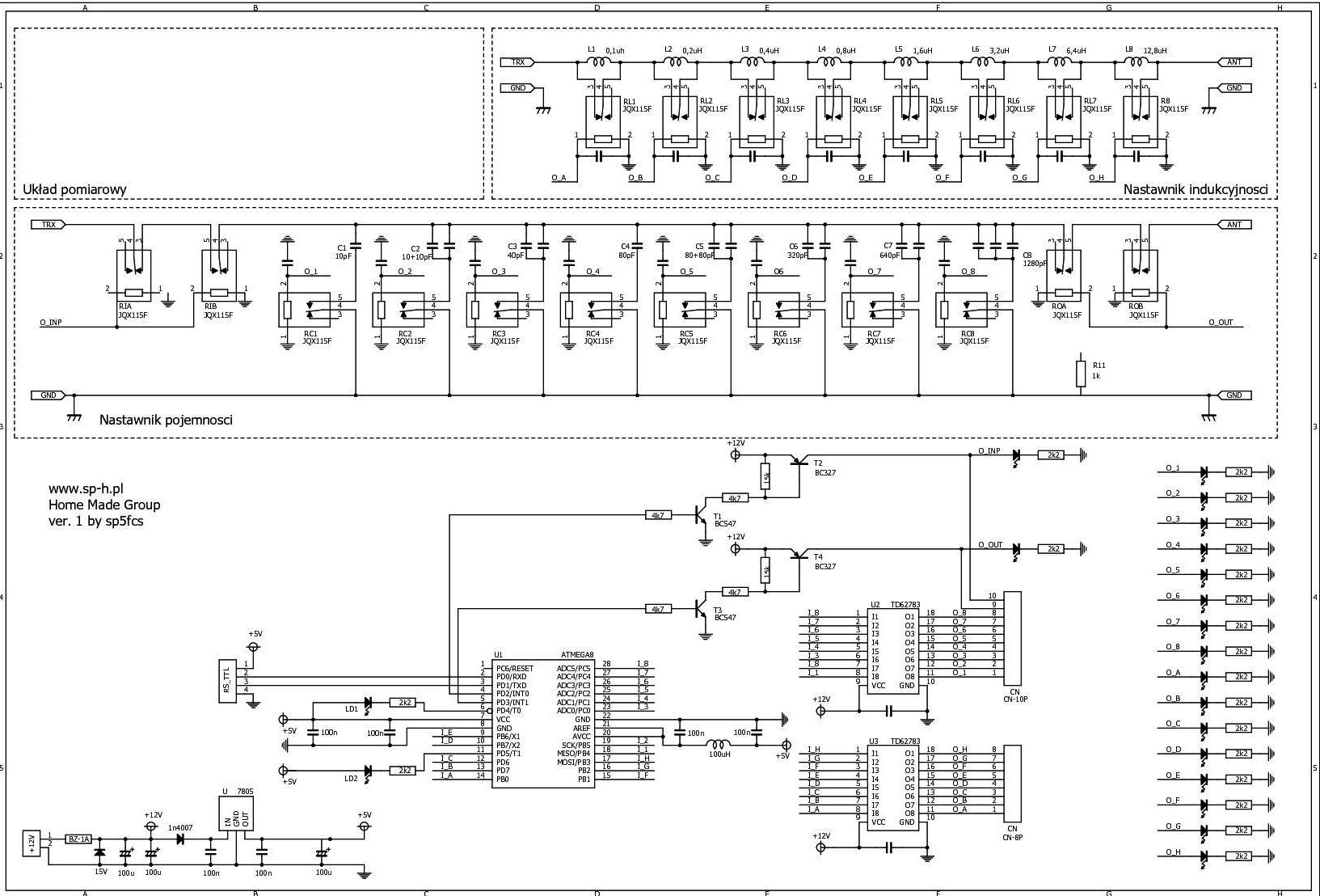
Elementy PCV 50mm były wcześniej stosowane na Baluny antenowe, podczas dyskusji nad obudową skrzynki Jarek zaproponował rurę 110mm. Chciałem aby konstrukcja była zgrabna dlatego postanowiłem wcisnąć ją w "kaliber 75mm". Jest ciasno ale wszystko się mieści.

Układ pomiarowy
Wolny poligon na płytce indukcyjności to miejsce na mostek pomiarowy. Możemy go wrysować w wolne miejsce lub dostawić jako autonomiczny moduł pomiarowy (padająca, odbita). Tak samo wykonany jest procesor skrzynki, możemy oddzielić go od płytki nastawnika pojemności w jego miejsce dać inny model np. ATmega32. Połączenie kabelkami pomiędzy procesorem a przekaźnikami może nie wygląda super ale upraszcza druk i pozwala na podpinanie innych modułów procesora.

Obciążenie układów TD62783AP
Przed wykonaniem prototypu wykonałem test obciążenia układu na wszystkich pinach przez kilka godzin i "nie odparował". Przekaźnik pobiera około 30mA, podczas testu włączyłem 16 przekaźników (wejście/wyjście ma własne tranzystory). Przy zasilaniu 12V pobór prądu przez cały układ wynosił około 650mA. Po kilku godzinach pracy układy były lekko ciepłe.

Testy układu dopasowania
Aktualnie skrzynka obsługuje podstawowe komendy wysyłane z terminala, pozwala na dowolną konfigurację układu dopasowania typu "L'. Już w tej chwili jest możliwa praca jako skrzynki manualnej i możemy wykonać pierwsze testy z antenami aby sprawdzić zakres dopasowania, zachowanie cewek i przekaźników przy pełnej mocy (ile przeniosą), odporność sterowania i komunikacji na w.cz. Aktualnie moduł procesora nie ma ekranu, po zastosowaniu cewek powietrznych może okazać się jednak konieczny. Testy najlepiej realizować na kilku prototypach wykonanych przez różnych Kolegów posiadających jednak pewne doświadczenie w "zabawkach antenowych".

Druga faza projektu
Drugi etap projektu to wykonanie prostej konsoli do sterowania skrzynką bez udziału komputera, mostka do pomiaru SWR (podająca, odbita, moc) oraz jakiegoś mechanizmu redukowania mocy nadajnika. Może pomysł Piotra z wykorzystaniem ALC, tłumik mocy, inne pomysły ???

Dokumentacja wykonawcza
Opracowanie jest we wstępnej fazie i zapewne będzie podlegało jeszcze różnym modyfikacjom. Sprawdzenia wymaga jeszcze kilka elementów, potem wykonanie kilku testów z fizyczną anteną. Aby zachęcać do budowania układ musi być wstępnie sprawdzony. Po pozytywnych testach dokumentacja wykonawcza będzie sukcesywnie publikowana na Forum HMG.

73 Adam
04-10-2010 13:32
Znajdź wszystkie posty użytkownika Odpowiedz cytując ten post
TG50 Offline
Józef
***

Liczba postów: 178
Dołączył: 20-11-2009
Post: #6
RE: Skrzynka antenowa HMG-easyATU
Nie mam doświadczenia z automatami bo używałem dotychczas tylko skrzynek manualnych. Jeśli możemy zmieniać nastawy tak jak w manualu to dla mnie już jest plus bo skrzynka będzie przy antenie, konstrukcja jest prosta a nawyki strojenia na małej mocy mam już wyrobione.
Jeśli skrzynka umie "rozmawiać" z komputerem przez RS232 to może ktoś z Kolegów napisze prosty program do zmiany ustawień, będzie taniej i szybciej.

Wybieramy pasmo, może być podzielone na kilka podzakresów np. co 20kHZ, robimy nastawę skrzynki i zapis do skrzynki i pamięci komputera. Jeśli zmienimy częstotliwość to wystarczy kliknąć myszką i mamy nowe nastawy z pamięci komputera. Taka manualna skrzynka obsługiwana z PC, a zamiast kartki z nastawami tablica w pamięci komputera (może kilka dla różnych anten ?). Takie rozwiązanie daje również możliwość przestrajania skrzynki podczas odbioru, (to o czym pisał Piotr SP9FKP), automat chyba tego nie potrafi ?
Nie umiem programować ale znajomy programista stwierdził, że nie jest to bardzo trudne do wykonania na PC. Może znajdzie się Kolega radioamator o takich umiejętnościach.
73 Józef
(Ten post był ostatnio modyfikowany: 05-10-2010 12:39 przez TG50.)
05-10-2010 12:26
Znajdź wszystkie posty użytkownika Odpowiedz cytując ten post
SP3SWJ Offline
Jarek
****

Liczba postów: 657
Dołączył: 20-03-2010
Post: #7
RE: Skrzynka antenowa HMG-easyATU
TG50. :-) mam nadzieję że czytałeś ten zakręcony wątek z narodzin tego ATU i plik założeń w PDF :-)

Jednym z rozwiązań "klocków LEGO" miał być domowy kontroler do ATU.

Na obecnym etapie realizacyjnym można:

1. To co zrobił ADAM pozostawić dokładnie tak jak jest - nic dodać nic ująć... wstawić tylko sclaka od RS485

2. Zrobić moduł domowy z LCD i kilkoma gałkami
- MEGA8
- LCD 2x16
- dwa obrotowe encodery ( L C)
- kilka przycisków funkcyjnych ENTER ESC <<< >>>
- ....i na specjalne życzenie TG50 10 przyciskó BANDów. (to można zrobić analogowo na rezystorach)


Czyli bazować na pomiarach SWR z domu.... a na dachu mamy zdalna skrzynkę L network do anteny ....

TG50 twoje marzenie jest jak najbardziej realne....Big Grin
... refleksja na temat BALUNa na wyjściu ATU...

Przemyśliwałem pomysł Adam na temat umieszczenia BALUN na wyjściu ATU - ale dla mnie to zły pomysł....

Musiał by mieć pełne przenoszenie 1:1 w całym zakresie KF zarówno dla 10 20 50 100 i 1000 oma.... co jest nierealne do wykonania...

Jeżeli chcemy dać BALUN - to proponuję na wejściu skrzynki jako zwyczajne trafo 1:1 pracujące zawsze przy 50 omach łatwo pomierzyć i zweryfikować czy w całym zakresie KF odpowiednio przenosi i transformuje.

Jako "rozładowywanie" elektrostatyki wystarczy rezystor 100 kom pomiędzy masą COAX a "masą" obwodu "L"...
Oczywiście pełne zwarcie pomiędzy masą COAX a masą elektroniki.

Nie wymaga to żadnych zmian układowych w konstrukcji Adama - jest nawet miejsce na takie trafo-balun 1:1

... ale w obecnych testach - narazie proponuje pominąć kwestię baluna.....
Idea ... i chyba jeszcze jedno dla czytających ten wątek -> warto było by odwiedzic to "wprowadzenie do zagadnienia"
.
.Cool
(Ten post był ostatnio modyfikowany: 05-10-2010 19:02 przez SP3SWJ.)
05-10-2010 12:38
Odwiedź stronę użytkownika Znajdź wszystkie posty użytkownika Odpowiedz cytując ten post
SP5FCS Offline
Adam
*****

Liczba postów: 1,073
Dołączył: 02-02-2009
Post: #8
RE: Skrzynka antenowa HMG-easyATU
Program do sterowania ATU z PC
Wariant sterowania skrzynką antenową bezpośrednio z komputera był omawiany na wątku głównym. Sam pomysł napisania prostej aplikacji dla ułatwienia obsługi jest ciekawy. Komendy sterujące są dość proste ale trzeba je pamiętać i fizycznie wystukać na klawiaturze lub wykonać jakieś makra. Dedykowany program uprościłby obsługę do minimum. Jest tylko jeden problem, ktoś ten program musi napisać.

HMG - easyATU a główny wątek automatycznej skrzynki przy antenie
Projekt skrzynki easyATU nie został opracowany zamiast głównego projektu skrzynki automatycznej tylko jako jego wstępna faza realizacji. Do opisu konstrukcji założyłem nowy wątek aby oddzielić opis techniczny konstrukcji od ogólnej dyskusji na temat różnych koncepcji skrzynek. Mimo, że jest to skrzynka manualna, to jej testy powinny dać sporo wiedzy i doświadczenia w pracach nad zaawansowaną konstrukcją, która mam nadzieję również powstanie. Konstrukcja minimum już istnieje, teraz możemy ją tylko rozbudowywać. To co powstało jest do dyspozycji członków HMG. Potrzeby są spore, brak układu pomiarowego, konsoli sterującej, algorytmów strojenia.

Cytat:Jarek SP3SWJ napisał:
Przemyśliwałem pomysł Adam na temat umieszczenia BALUN na wyjściu ATU - ale dla mnie to zły pomysł....

Jarek napisałem, że w skrzynce jest miejsce na "Balun" (korki z obu stron rury), nikomu nie sugerowałem jak i gdzie ma go podłączyć (nadinterpretacja).
Każdy pomysł jest fajny pod warunkiem, że ktoś go zrealizuje. Chwilowo nie widać zbyt wielu chętnych do wsparcia projektu własną pracą.

73 Adam
05-10-2010 21:08
Znajdź wszystkie posty użytkownika Odpowiedz cytując ten post
SP3SWJ Offline
Jarek
****

Liczba postów: 657
Dołączył: 20-03-2010
Post: #9
RE: Skrzynka antenowa HMG-easyATU
:-) Adam - to podcięcie PCB na wyjściu tak mi zasugerowało :-)




Jak zespawam jakiś prototyp easyATU to mogę napisać program BASCOM ( i wrzucić źródła) co będzie z komputera PC z hyperterminala pozwalał na błyskawiczne strojenie z klawiatury PC. Proponuje na początek prosty mechanizm, sterowanie znakami ASCII bez używania ENTER.

Przykładowe funkcje literek:
X -zwiększ L
Z - zmniejsz L
M -zwiększ C
N - zmniejsz C
V - przełącz C po stronie TRX
B - przełącz C po stronie ANT

P1, P2.....P0 - Zapamietaj nastawę w EEPROM
1,2,3,4,5....0 - przywołaj zapamiętana nastawę

klawisze
QWERTYUI można przypisac do przełączania cewek "wprost"
ASDFGHJK można przypisac do przełączania cewek "wprost"

L - robi baypass - odłacza C i zwiera CEWKI

Skrzynka każdorazowo odpowiada wykonaną nastawą
L=xxxxx
C=yyyyy
||~~~~
~~~~||
=====


Na początek proponuje takie prymitywne sterowanko.


łatwe do opanowania z klawiatur PC i łatwe do sterowania z dowolnego mikrokontrolera (wspomnianego kilka postów wcześniej)

===========
(Ten post był ostatnio modyfikowany: 05-10-2010 23:10 przez SP3SWJ.)
05-10-2010 23:08
Odwiedź stronę użytkownika Znajdź wszystkie posty użytkownika Odpowiedz cytując ten post
SP5FCS Offline
Adam
*****

Liczba postów: 1,073
Dołączył: 02-02-2009
Post: #10
RE: Skrzynka antenowa HMG-easyATU
Wykonanie skrzynki należy rozpocząć od wyprasowania płytki drukowanej.

Należy pamiętać, że urządzenie jest w fazie projektu, każdy może sobie je wykonać i prowadzić własne testy i eksperymenty ale na własną odpowiedzialność. Przed zakończeniem testów nie ma gwarancji poprawnego funkcjonowania wszystkich elementów urządzenia.

Na zdjęciach płytka wykonana metodą termotransferu, rozmieszczenie elementów, widok płytki od strony miedzi oraz plik z drukiem do wyprasowania.
Otwory pod cewki, przekaźniki, złącza 1mm, pozostałe 0,8mm, pod słupki łączące płytki 3,2mm.
Płytki po wytrawieniu obcinamy tak aby zniknęło zewnętrzne obrysowanie, następnie skręcamy na słupki dystansowe (2*M3) i sprawdzamy czy pasuje do rury (środek rury około 67mm, zależy od producenta!!). Dopasowanie na lekki wcisk musimy wykonać przed montażem elementów.


Załączone pliki Miniatury
İmage İmage İmage İmage

.pdf  easy_ATU_pcb.pdf (Rozmiar: 53.79 KB / Pobrań: 3308)

73 Adam
06-10-2010 0:08
Znajdź wszystkie posty użytkownika Odpowiedz cytując ten post
Odpowiedz 


Skocz do:


Użytkownicy przeglądający ten wątek: 6 gości