Odpowiedz 
 
Ocena wątku:
  • 3 Głosów - 5 Średnio
  • 1
  • 2
  • 3
  • 4
  • 5
Skrzynka antenowa HMG-easyATU
SQ6OXK Offline
Paweł
****

Liczba postów: 317
Dołączył: 23-06-2010
Post: #11
RE: Skrzynka antenowa HMG-easyATU
(05-10-2010 23:08)SP3SWJ napisał(a):  Przykładowe funkcje literek:
V - przełącz C po stronie TRX
B - przełącz C po stronie ANT

Hmm, jakie przełącz?

To C będzie można zmieniać miejscami czyli przed L i za L?
Nie pamiętam o taki pomyśle.

Jak AL podstawić do liczenia takich cewek z dwoma rdzeniami?
Czy to jest dwa razy AL jednego czy inna wartość?
Jak przekrój drutu zastosować dla 200W?

I pytanie laika. Które jest w szeregu a które równolegle, względem sygnał-masa?

--= SWL SP6-01-396 =--
(Ten post był ostatnio modyfikowany: 06-10-2010 12:37 przez SQ6OXK.)
06-10-2010 12:21
Znajdź wszystkie posty użytkownika Odpowiedz cytując ten post
SP3SWJ Offline
Jarek
****

Liczba postów: 657
Dołączył: 20-03-2010
Post: #12
RE: Skrzynka antenowa HMG-easyATU
:-) SP6.. Smile obejrzyj załączone zdjęcia easyATU ....

L network musi być przełączany... i nawet była dyskusja o szeregowo łączonych przekaźnikach.... Big Grin
klawisze
QWERTYUI można przypisac do przełączania cewek "wprost"
ASDFGHJK można przypisac do przełączania kondensatorów "wprost"
(Ten post był ostatnio modyfikowany: 06-10-2010 12:36 przez SP3SWJ.)
06-10-2010 12:35
Odwiedź stronę użytkownika Znajdź wszystkie posty użytkownika Odpowiedz cytując ten post
3Z6AEF Offline
Waldek
***

Liczba postów: 237
Dołączył: 27-06-2009
Post: #13
RE: Skrzynka antenowa HMG-easyATU
(06-10-2010 12:21)SP6-01-396 napisał(a):  Jak AL podstawić do liczenia takich cewek z dwoma rdzeniami?
Czy to jest dwa razy AL jednego [...] ?
Tak, to jest "dwa razy AL jednego".
Zobacz jak to policzył (cytowany już tu na forum) Dave G3YNH w SGC230.

Cytat:Jak przekrój drutu zastosować dla 200W?
Przy tej mocy wystarczy średnica 1 - 1.3 mm (a nawet mniej), to nie problem.
Gorzej jest z wielkością rdzenia toroidalnego - rozmiary T68, T80 są za małe dla 200W.
Wielkość rdzeni toroidalnych była już dyskutowana przy okazji wątku Skrzynka antenowej domowej roboty
(zob. np. ten post)
(Ten post był ostatnio modyfikowany: 07-10-2010 19:44 przez 3Z6AEF.)
06-10-2010 15:03
Znajdź wszystkie posty użytkownika Odpowiedz cytując ten post
SP9MRN Offline
MAc
*****

Liczba postów: 822
Dołączył: 29-08-2009
Post: #14
RE: Skrzynka antenowa HMG-easyATU
Adam, masz jakiś optymalny sposób łączenia pojemności? czy składałeś z tego co miałeś w szufladzie - robię zestawienie do zakupu.

MAc\mrn
06-10-2010 15:04
Odwiedź stronę użytkownika Znajdź wszystkie posty użytkownika Odpowiedz cytując ten post
SP5FCS Offline
Adam
*****

Liczba postów: 1,073
Dołączył: 02-02-2009
Post: #15
RE: Skrzynka antenowa HMG-easyATU
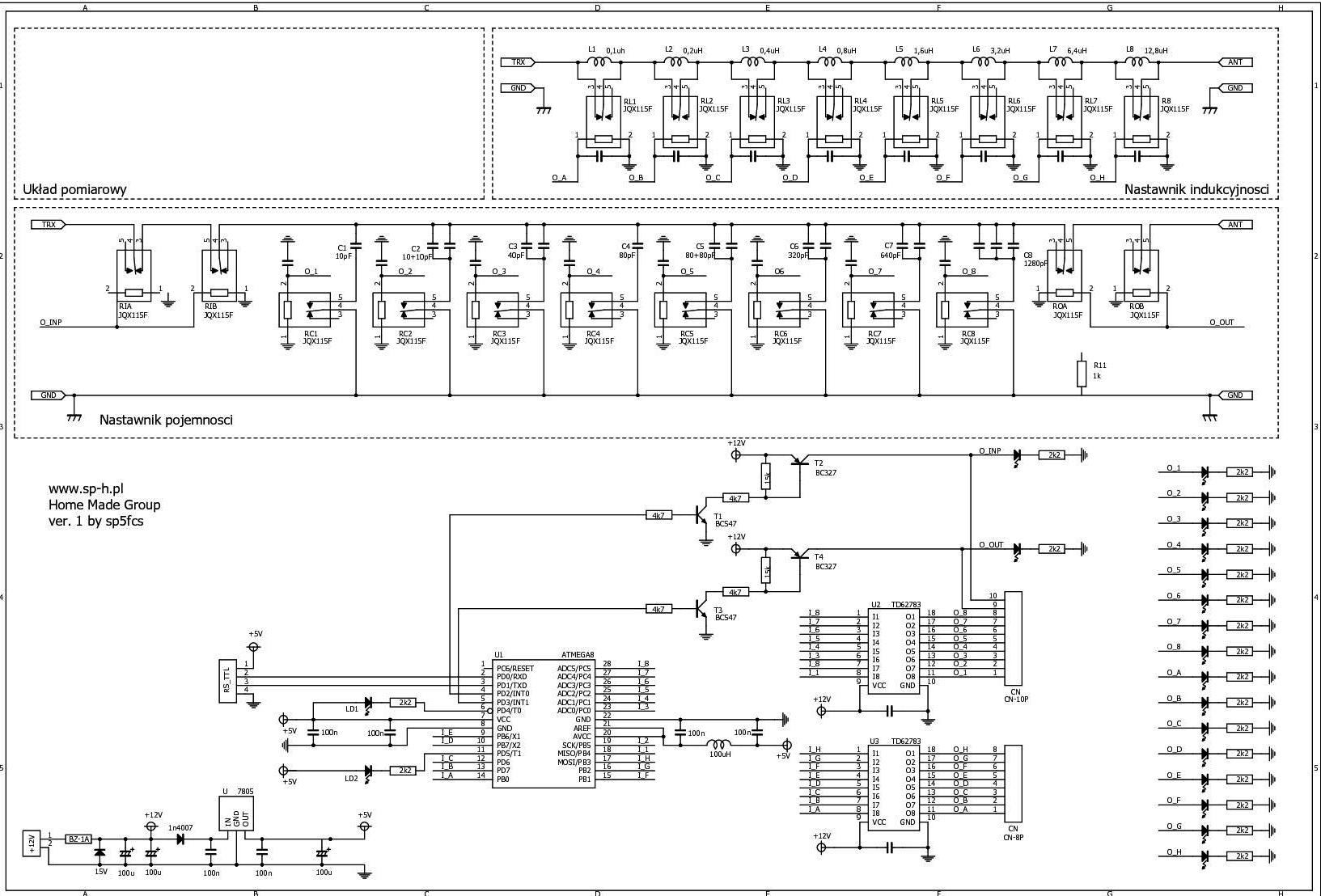
Szereg wartości elementów L, C w dopasowaniu
Jako, że jest to skrzynka ręczna możemy dać dowolny własny szereg wartości elementów z krokiem x2. Ja wybrałem takie wartości sugerując się przedziałami z innych skrzynek oraz tym co jest powszechnie dostępne (nie robiłem symulacji zakresu dopasowania). Przydałby się może mniejszy krok zmian pojemności ale na początek nie jest to takie istotne. Nie chciałem stawiać trzeciego drivera dlatego mamy 2x8 bitów regulacji.
Na każdym bicie są otwory pod cztery kondensatory (C||C+C||C) co daje dużą swobodę zestawiania wartości. U mnie wyszło tak:
(10, 10+10, 18+22, 80, 80+80, 100+220, 640 (z 680p), 640+640,) plus zwory.
Przy kondensatorach wysokonapięciowych rozrzuty wartości są tak duże, że mając kilka wartości w szeregu zawsze coś poskładamy. Miejsca jest dużo i zmieści się praktycznie każdy kondensator (zdjęcie).
Zakres indukcyjności od góry wynika trochę z możliwości rdzenia (na 2*T80-2 przy drucie 0,9mm to praktycznie max. Jeśli będzie taka potrzeba możemy dać większy rdzeń (2*T106-2) lub cieńszy drut. Niestety miejsca na cewki nie ma za dużo (zdjęcie).
Jeśli chcemy porównywać wyniki testów to warto mieć taki sam zakres regulacji układu dopasowania. Na początek proponuję wszystkie cewki na rdzeniach, powietrzne mogą mocniej "siać" po sterowaniu.

Interfejs komunikacyjny
Na złączu mamy RS_TTL, do testów podpinam moduł RS232 do współpracy z PC. Tak samo możemy zapiąć moduł USB (warto aby był izolowany).
Na płytce procesora jest podstawka pod RS485 i wyjście 2-przewodowe.
Parametry transmisji: 2400Bd, 8, 1, N
Komunikacja i sterowanie jest sprawdzone i działa (na stole) Cool.

Schemat skrzynki easyATU
Pierwsza wersja schematu skrzynki, mogą jeszcze być błędy bo to mój pierwszy schemat pod BSch3V (tak chciałem sprawdzić co ten programik potrafi). Do czasu wykonania druków postaram się o weryfikację i poprawki. Chwilowa brakuje jeszcze układu RS485 i jego otoczenia.

Pawle, jedyny sposób komunikacji ze skrzynką to kanał szeregowy. Do modułu przy antenie niczego sobie nie "przypniesz". Do sterowania potrzebny jest komputer lub drugi procesor z wyświetlaczem i klawiszami. Na wszystko przyjdzie czas, teraz pracujemy nad modułem antenowym.


Załączone pliki Miniatury
İmage İmage İmage İmage İmage

73 Adam
06-10-2010 16:11
Znajdź wszystkie posty użytkownika Odpowiedz cytując ten post
SQ6OXK Offline
Paweł
****

Liczba postów: 317
Dołączył: 23-06-2010
Post: #16
RE: Skrzynka antenowa HMG-easyATU
(06-10-2010 15:03)3z6aef napisał(a):  Przy tej mocy wystarczy średnica 1 - 1.3 mm (a nawet mniej), to nie problem.
Gorzej jest z wielkością rdzenia toroidalnego - rozmiary T68, T80 są za małe dla 200W.

Ale rozumiem Waldku, że potrzebne są większe rdzenie, bo nie mieści się w nich drut, czy wynika to z innego powodu?


------------------------------------------------

Adamie, masz może jakiś schemat tej części cyfrowej (ATMega i i dwa TDA), chce rzucić okiem jakie mam możliwości podpięcia wyświetlacza i klawiszy. Chcę sobie ja zrobić najpierw jako przy radiu (i tam nie mam żadnej) i testować.

--= SWL SP6-01-396 =--
06-10-2010 20:55
Znajdź wszystkie posty użytkownika Odpowiedz cytując ten post
SP3SWJ Offline
Jarek
****

Liczba postów: 657
Dołączył: 20-03-2010
Post: #17
RE: Skrzynka antenowa HMG-easyATU
Paweł.... Krok po kroku... bez knucia

1. klonujesz konstrukcję Adama
2. Wgrywasz program Adama
3. podłączasz do PC za pomocą RS232 i sprawdzasz wg Adama instrukcji... które pojawią się w stosownym czasie....
4. Jak ci wszystko działa... to.....


========= >> dopiero teraz knujesz co dalej....

Jako domowa jednostka sterujaca do testów wystarczy ci dowolny mikrokontroler lub PC który potrafi wysyłać dane po RS232

Możesz sobie napisać własny program... co dusza zapragnie...

=========

Ja zaproponowałem wizje swojego programu do prymitywnego uruchamiania. Ale jeżeli do tego dopiszesz prawdziwy progrma na dowolny PC lub uC ... masz już prawdziwe urządzenie

=========

PYTANIE ... Paweł - czy jesteś praktykującym BASCOMowcem i czy masz jakikolwiek zestaw uruchomieniowy ???

(ups... a może cie uraziłem tym Bascomem..... :-)
06-10-2010 21:40
Odwiedź stronę użytkownika Znajdź wszystkie posty użytkownika Odpowiedz cytując ten post
SP9MRN Offline
MAc
*****

Liczba postów: 822
Dołączył: 29-08-2009
Post: #18
RE: Skrzynka antenowa HMG-easyATU
(06-10-2010 21:40)SP3SWJ napisał(a):  Jako domowa jednostka sterujaca do testów wystarczy ci dowolny mikrokontroler lub PC który potrafi wysyłać dane po RS232

Możesz sobie napisać własny program... co dusza zapragnie...

Dokładnie tak. Jeżeli przyjmiemy ascii, to PC z terminalem na początek a potem nawet attiny i kilka klawiszy. Ale można też dowolny nastawnik np w bcd
06-10-2010 22:05
Odwiedź stronę użytkownika Znajdź wszystkie posty użytkownika Odpowiedz cytując ten post
SP3SWJ Offline
Jarek
****

Liczba postów: 657
Dołączył: 20-03-2010
Post: #19
RE: Skrzynka antenowa HMG-easyATU
Paweł

Przeczytaj moje uwagi na temat stosowani ATU.

easyATU oczywiście będzie ci działała przy w układzie
TRX-eATU=====================Aantena

Ale pamiętaj że nie do tego ona została stworzona...


to ma byc jako
TRX============================eATU---Aantena

.... rzucę hasło....

PRECZ z pseudobalunami !!!! VIVAT easyATU !!!!!
zapomniąłme dac linka
(Ten post był ostatnio modyfikowany: 06-10-2010 22:18 przez SP3SWJ.)
06-10-2010 22:16
Odwiedź stronę użytkownika Znajdź wszystkie posty użytkownika Odpowiedz cytując ten post
SQ6OXK Offline
Paweł
****

Liczba postów: 317
Dołączył: 23-06-2010
Post: #20
RE: Skrzynka antenowa HMG-easyATU
Jarek mam BASCOM-owoy zestaw z AVT do '51 i AVR tak że to nie problem by coś napisać, choć piszę sporadycznie i idzie mi to wolno (muszę w help-ie szukać komend).

Teraz mam antenę LW i przewód od anteny i uziemienia idą do radia, niestety mimo 43m LW i wpicia na 1m rurki wodnej f20 w ziemie mam SWR koło 3, dlatego chciałem pobawić się tą skrzynką przy radiu.

Chciałem wykorzystać ATMega z płytki podpiąć wyświetlacz i klawisze by po testować ją i tymczasowo wykorzystać jako skrzynkę przy radiu.

Wiem, oczywiście jakie jest przeznaczenie i pewnie ostatecznie trafi na antenę.

--= SWL SP6-01-396 =--
06-10-2010 23:11
Znajdź wszystkie posty użytkownika Odpowiedz cytując ten post
Odpowiedz 


Skocz do:


Użytkownicy przeglądający ten wątek: 2 gości