Odpowiedz 
 
Ocena wątku:
  • 2 Głosów - 5 Średnio
  • 1
  • 2
  • 3
  • 4
  • 5
Prosty odbiornik bez. przemianą
SQ8NZD Offline
Adrian
*****

Liczba postów: 860
Dołączył: 11-02-2011
Post: #1
Prosty odbiornik bez. przemianą
Dzień dobry !

Jak można przestroić owy odbiornik na pasmo 80 i 20m ?

Oscylator jak przestroić ? Wiem.....
Ale co z transformatorem T1 : 3zw. sprzęgającej i 22zw. na T50-7 (biały) ??


Cewka oscylatora ma 15zw. z odczepem na 4zwoju od strony masy.
W oscylatorze z mini ring core wychodzi 2uH + 251pF = 7.180MHz

Jak postąpić z T1 by dajmy na to działał na paśmie 14.150-14.250MHz czy 3.650-3750MHz ?

Odbiornik opisany w Świat Radio 05/06 2023 - strona 53-54


Załączone pliki Miniatury
İmage

https://sites.google.com/view/sq8nzd - Moja strona web.
(Ten post był ostatnio modyfikowany: 27-04-2023 21:42 przez SQ8NZD.)
27-04-2023 21:39
Znajdź wszystkie posty użytkownika Odpowiedz cytując ten post
SP9MRN Offline
MAc
*****

Liczba postów: 822
Dołączył: 29-08-2009
Post: #2
RE: Prosty odbiornik bez. przemianą
Wariant naukowy (ortodoksyjny) mówi, że stosunek impedancji/stosunku zwojów jest w kwadracie. czyli jeżeli zmienisz impedancję części rezonansiwej T1 to powineneś również zmienić liczbę zwojów uzwojenia sprzęgającego.
Jednakże.... ;-) Praktyka w przypadku takiego odbiornika mówi, że to nie ma większego znaczenia, czyli ważne żeby obwód rezonansowy "wtórne T1/C1" siedział w paśmie, a uzwojeniem sprzęgającym z anteną można się pobawić i zobaczyć czy zmiana z trzech na cztery czy pięć zwojów coś zmieni. Ale zapewne niewiele, szczególnie, że to filtr jednoobwodowy.
Oscylator jak sam zauważyłeś - ma siedzieć w paśmie. Odczep dobierasz najpierw proporcjonalnie a potem eksperymentujesz, żeby w całym zakresie przestrajania pracowało stabilnie.
Z mojej strony zdecydowanie polecam trzymanie się jednego układu VFO - takiego prostego na FECie z diodą w bramce, zrób go sobie na osobnej płytce jak moduł, i używaj do kolejnych konstrukcji, bo to działa zawsze,. trzyma amplitudę w zakresie pasma i nie trzeba kombinować z różnymi niepewnymi wynalazkami.


mrn
27-04-2023 23:00
Odwiedź stronę użytkownika Znajdź wszystkie posty użytkownika Odpowiedz cytując ten post
SQ8NZD Offline
Adrian
*****

Liczba postów: 860
Dołączył: 11-02-2011
Post: #3
RE: Prosty odbiornik bez. przemianą
Nie wiem czy dobrze liczę ??


(27-04-2023 23:00)SP9MRN napisał(a):  Wariant naukowy (ortodoksyjny) mówi, że stosunek impedancji/stosunku zwojów jest w kwadracie. czyli jeżeli zmienisz impedancję części rezonansiwej T1 to powineneś również zmienić liczbę zwojów uzwojenia sprzęgającego.
Jednakże.... ;-) Praktyka w przypadku takiego odbiornika mówi, że to nie ma większego znaczenia, czyli ważne żeby obwód rezonansowy "wtórne T1/C1" siedział w paśmie, a uzwojeniem sprzęgającym z anteną można się pobawić i zobaczyć czy zmiana z trzech na cztery czy pięć zwojów coś zmieni. Ale zapewne niewiele, szczególnie, że to filtr jednoobwodowy.
Oscylator jak sam zauważyłeś - ma siedzieć w paśmie. Odczep dobierasz najpierw proporcjonalnie a potem eksperymentujesz, żeby w całym zakresie przestrajania pracowało stabilnie.
Z mojej strony zdecydowanie polecam trzymanie się jednego układu VFO - takiego prostego na FECie z diodą w bramce, zrób go sobie na osobnej płytce jak moduł, i używaj do kolejnych konstrukcji, bo to działa zawsze,. trzyma amplitudę w zakresie pasma i nie trzeba kombinować z różnymi niepewnymi wynalazkami.

mrn

Mam rozumieć, że najważniejsza jest częstotliwość oscylatora, a T1+C1 to niechaj sobie będą.... Tak ?
Może skopiować .... ?? /załącznik/


Załączone pliki Miniatury
İmage İmage İmage

https://sites.google.com/view/sq8nzd - Moja strona web.
(Ten post był ostatnio modyfikowany: 28-04-2023 22:49 przez SQ8NZD.)
28-04-2023 19:32
Znajdź wszystkie posty użytkownika Odpowiedz cytując ten post
SP9MRN Offline
MAc
*****

Liczba postów: 822
Dołączył: 29-08-2009
Post: #4
RE: Prosty odbiornik bez. przemianą
(28-04-2023 19:32)SQ8NZD napisał(a):  Mam rozumieć, że najważniejsza jest częstotliwość oscylatora, a T1+C1 to niechaj sobie będą.... Tak ?

nie ;-) co do c1/t1 napisałem (albo chciałem napisać), że f rezonansowa uzw. wtórnego T1+C1 ma być w pożądanym paśmie (i to należy przeliczyć, nawinąć i zestroić) a liczba zwojów uzwojenia pierwotnego T1 (sprzęgającego z anteną) jest w takim odbiorniku bez większego znaczenia.

73
mrn
28-04-2023 23:30
Odwiedź stronę użytkownika Znajdź wszystkie posty użytkownika Odpowiedz cytując ten post
SQ8NZD Offline
Adrian
*****

Liczba postów: 860
Dołączył: 11-02-2011
Post: #5
RE: Prosty odbiornik bez. przemianą
Oki.

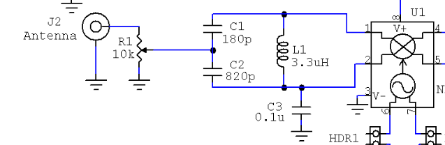
Ale częstotliwość rezonansowa T1(2uH) / C1(100pf) to 11.254MHz..... Jeśli chodzi o pasmo do jakiego nastrojony był odbiornik.... Ja chciałbym go przestroić i potrzebuję odrobinę pomocy.

Czy może ma być 11,254 - 7100 = 7.088MHz
lub 11.254 - 7000 = 6.988MHz

https://sites.google.com/view/sq8nzd - Moja strona web.
(Ten post był ostatnio modyfikowany: 28-04-2023 23:57 przez SQ8NZD.)
28-04-2023 23:57
Znajdź wszystkie posty użytkownika Odpowiedz cytując ten post
SP9MRN Offline
MAc
*****

Liczba postów: 822
Dołączył: 29-08-2009
Post: #6
RE: Prosty odbiornik bez. przemianą
(28-04-2023 23:57)SQ8NZD napisał(a):  Oki.

Ale częstotliwość rezonansowa T1(2uH) / C1(100pf) to 11.254MHz..... Jeśli chodzi o pasmo do jakiego nastrojony był odbiornik.... Ja chciałbym go przestroić i potrzebuję odrobinę pomocy.

Na moje oko albo wchodzą jakieś pojemności układu wynikające z bezpośredniego połączenia z bazą albo błąd, bo faktycznie 7MHz to by było jakieś 230pf a przy 100pf wychodzi jak w mordę 11MHz.
Może też być tak, że ten obwód jest tak stłumiony (czyli tak bardzo do d...) przez to ciężkie sprzężenie z tranzystorem, że jest płaski jak deska i tylko udaje filtr. Ale to też byłby błąd projektowy, co w amatorskich konstrukcjach jest częste.
Ja uważam, że w naszych warunkach w paśmie innym niż 7MHz powinien być filtr co najmniej dwuobwodowy a w przypadku 3,5MHz dodatkowo poprzedzony filtrem dolnoprzepustowym, żeby 7MHz nie przełaziło.

73
mrn
29-04-2023 12:01
Odwiedź stronę użytkownika Znajdź wszystkie posty użytkownika Odpowiedz cytując ten post
SQ8NZD Offline
Adrian
*****

Liczba postów: 860
Dołączył: 11-02-2011
Post: #7
RE: Prosty odbiornik bez. przemianą
Czyli C1-251pF , a cewka rezonansowa T1-2uH = 7.103MHz (na środku pasma)
Aha. Jak poszerzyć pasmo by było 7.000-7.200MHz ?

Tylko o tyle proszę. Confused

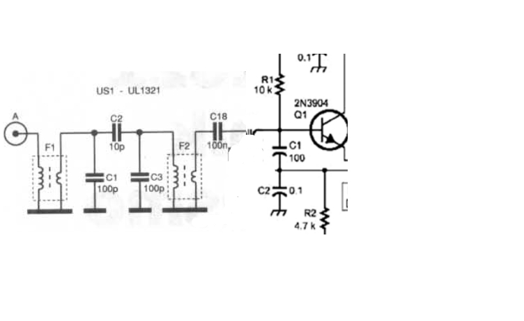
Może tak jak w moim załączniku. Z taką konstrukcją jak z pierwszego postu nie widziałem. Zawsze były 2 cewki, 2 dzielniki pojemnościowe i kondensator np. 10pf czy coś podobnego....

Odbiornik trzeba przystosować do tego filtra z załączników ; np. avt179.pdf

Które lepsze rozwiązanie ?


Załączone pliki Miniatury
İmage İmage

.pdf  avt179.pdf (Rozmiar: 650.2 KB / Pobrań: 524)

https://sites.google.com/view/sq8nzd - Moja strona web.
(Ten post był ostatnio modyfikowany: 29-04-2023 16:50 przez SQ8NZD.)
29-04-2023 16:50
Znajdź wszystkie posty użytkownika Odpowiedz cytując ten post
SP9FYS Offline
Zaawansowany użytkownik
****

Liczba postów: 306
Dołączył: 12-12-2009
Post: #8
RE: Prosty odbiornik bez. przemianą
Jeżeli obliczenia są poprawne, ten filtr będzie z pewnością wiele szerszy niż 200kHz. Ale uwaga! Kondensator 10pF sprzęgający oba obwody rezonansowe jest elementem krytycznym! Jezeli będzie miał zbyt dużą wartość - w środku charakterystyki będzie dołek, tym głębszy im silniejsze będzie sprzężenie (za duża wartość tego kondensatora). Mniejsza wartość tej pojemności - charakterystyka bardziej wąska.
Przydałby Ci się dostęp do jakiegoś przyrząd do sprawdzenia charakterystyki tego filtru w rodzaju NanoVna albo czegoś podobnego...
(Ten post był ostatnio modyfikowany: 29-04-2023 18:29 przez SP9FYS.)
29-04-2023 18:27
Znajdź wszystkie posty użytkownika Odpowiedz cytując ten post
SQ8NZD Offline
Adrian
*****

Liczba postów: 860
Dołączył: 11-02-2011
Post: #9
RE: Prosty odbiornik bez. przemianą
(29-04-2023 18:27)SP9FYS napisał(a):  Przydałby Ci się dostęp do jakiegoś przyrząd do sprawdzenia charakterystyki tego filtru w rodzaju NanoVna albo czegoś podobnego...

Przydała by się wiedza na poziomie inżyniera elektronika. Taki miernik nie jest drogi... Stać mnie.


Ja to taki chłopak, który lubi sobie poszaleć z lutownicą w ręku.
Teoria u mnie leży. Zresztą nie ma książek o radioelektronice a o fizyce kwantowej całe zatrzęsienie. O co tu biega ? hi! Huh

Dzięki Ci SP9FYS. Big Grin

PS. Książka o tytule : ,,Elektronika dla każdego" , Harry Kybett, Earl Boysen jest OK. A znacie coś lepszego po polsku ?

https://sites.google.com/view/sq8nzd - Moja strona web.
(Ten post był ostatnio modyfikowany: 29-04-2023 21:59 przez SQ8NZD.)
29-04-2023 21:31
Znajdź wszystkie posty użytkownika Odpowiedz cytując ten post
SP6LUN Offline
Andrzej
****

Liczba postów: 259
Dołączył: 01-09-2014
Post: #10
RE: Prosty odbiornik bez. przemianą
W opisie kitu AVT-179 jest informacja, że filtr tworzą uzwojenia pierwotne F1 i F2. Tymczasem z obrazu płytki drukowanej wynika, że z jednej strony jest to uzwojenie pierwotne, a z drugiej wtórne - co jest błędem. Również schemat sugeruje to narysowaną ilością zwojów (filtry nie mają oznaczonych końcówek).
Po poprawieniu połączeń, nie powinno być problemów ze sprzężeniem - jest ono ustalone stosunkiem pojemności kondensatorów, które są stałe i nie należy ich zmieniać na przypadkowe wartości.

Andrzej
29-04-2023 21:32
Znajdź wszystkie posty użytkownika Odpowiedz cytując ten post
Odpowiedz 


Skocz do:


Użytkownicy przeglądający ten wątek: 1 gości