Odpowiedz 
 
Ocena wątku:
  • 0 Głosów - 0 Średnio
  • 1
  • 2
  • 3
  • 4
  • 5
Sprzężenie indukcyjne pomiędzy blokami odbiornika
SP7EZG Offline
Artur
***

Liczba postów: 198
Dołączył: 06-12-2015
Post: #1
Sprzężenie indukcyjne pomiędzy blokami odbiornika
Witajcie.

Od jakiegoś czasu studiuję publikacje SP5AHT i SP6LB.

Przykład

https://ep.com.pl/files/7329.pdf

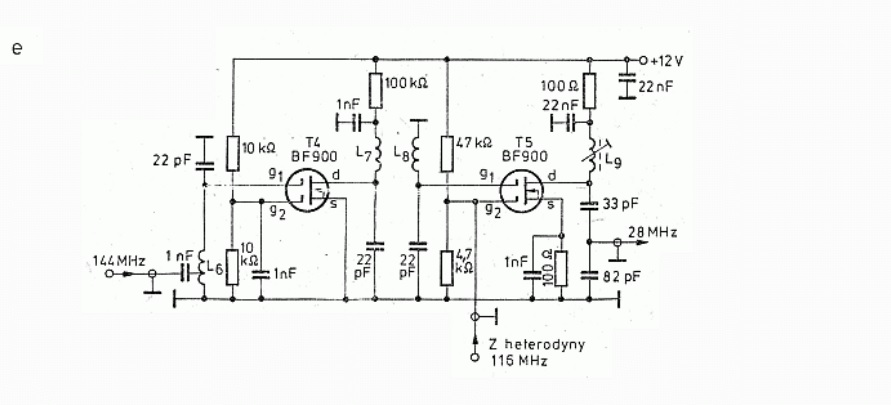
W torze odbiorczym zastanowiło mnie sprzężenie wzmacniacza wejściowego w.cz z mieszaczem. Pracują tam cewki L2 i L3. Dodatkowo, autor układu proponuje wykonanie na płytce "prototypowej"
Zwróciłem na to uwagę bo:

1. Zakładając, że cewki są wykonane idealnie tożsamo, jaki wpływ na "jakość" tego sprzężenia ma odległość cewek? Jak odszukać optymalną odległość? Maksimum sygnału?
2. Rozumiem, że trymery C2 i C3 mają zniwelować różnice wynikające z budowy cewek?
3. Dlaczego stosuje się tego typu rozwiązania w układach UKF (stosowane również masowo w propozycjach min. SP6LB), oraz czy jest sens ich zastąpienia np. kondesnatorem 10p?
4. Trochę obok - w jaki sposób zaprojektowano filtr wejściowy - ten z odczepem? Wiem, że często tego typu rozwiązania stosowało się również w głowicach UKF.


Pozdrawiam.

Pozdrawiam, Artur
24-03-2023 12:23
Znajdź wszystkie posty użytkownika Odpowiedz cytując ten post
SP6AUO Offline
Andrzej
*****

Liczba postów: 1,051
Dołączył: 20-09-2009
Post: #2
RE: Sprzężenie indukcyjne pomiędzy blokami odbiornika
Jedną cewkę stroiłem na 144.500MHz a drugą 145.500MHz (C2 i C3 ). Jest to typowy filtr na 2m.
Odległością ustalałem sprzężenie,żeby pasmo przenoszenia 2MHz było jak najbardziej płaskie i o małym tłumieniu.
Unikałem siodełka i szpica.Moje cewki to 2x 5zw na fi5mm drutem srebrzonym 0,5mm w odległości 15mm.

Andrzej
24-03-2023 12:59
Znajdź wszystkie posty użytkownika Odpowiedz cytując ten post
SP7EZG Offline
Artur
***

Liczba postów: 198
Dołączył: 06-12-2015
Post: #3
RE: Sprzężenie indukcyjne pomiędzy blokami odbiornika
Dzięki za odpowiedź Panie Andrzeju.
Przeglądam właśnie podobne rozwiązanie - "Poradnik UKF" str 698.
Tam podobne sprzężenie uzupełniono kondensatorem 1 pF.
Mam nanoVNA, spróbuję to pomierzyć chociaż orientacyjnie.

Pozdrawiam, Artur
24-03-2023 15:09
Znajdź wszystkie posty użytkownika Odpowiedz cytując ten post
SP6AUO Offline
Andrzej
*****

Liczba postów: 1,051
Dołączył: 20-09-2009
Post: #4
RE: Sprzężenie indukcyjne pomiędzy blokami odbiornika
Później sobie to usprawniłem.
Cewki nawijałem na karkasie z rdzeniem (takie jak były w głowicach radiowych o podstawie 7.5x5mm i rurka 5mm)
Zamiast trymerów dawałem stałe kondensatory chyba 8,2p.
Jak było za małe sprzężenie zakładałem oczko z drutu na oba karkasy nad cewką.
Taki gotowy filtr karkas obok karkasu ekranowałem albo kubkiem aluminiowym 12.5x28mm (były takie podwójne filtry na 10,7MHz, takie
z Diory albo kawałkami płytki z laminatu i miedzi.
Na wejściu też dawałem taki podwójny filtr.
Cewka miała odczep na 0,5zw
Pozdrawiam

Andrzej
(Ten post był ostatnio modyfikowany: 25-03-2023 7:28 przez SP6AUO.)
25-03-2023 7:28
Znajdź wszystkie posty użytkownika Odpowiedz cytując ten post
SP7CLB Offline
Krzysztof
***

Liczba postów: 188
Dołączył: 05-04-2010
Post: #5
Photo RE: Sprzężenie indukcyjne pomiędzy blokami odbiornika
Można i na druku - tutaj jednostronnym

İmage
25-03-2023 11:49
Znajdź wszystkie posty użytkownika Odpowiedz cytując ten post
SQ5KVS Offline
Karol
*****

Liczba postów: 1,013
Dołączył: 26-09-2012
Post: #6
RE: Sprzężenie indukcyjne pomiędzy blokami odbiornika
Stopień sprzężenia między obwodami rezonansowymi można zapewnić na kilka sposobów - magnetycznie, pojemnościowo, mieszanie. W układach o wyższych częstotliwościach
w zasadzie sprzężenie jest mieszane - przez obie cewki przenikają wzajemnie ich strumienie magnetyczne, ale działa (zwłaszcza na "gorących" końcach cewek) również sprzężenie pojemnościowe pomiędzy nimi.
I teraz UWAGA. Sprzężenie nie jest wartością dowolną i zasada "im więcej tym lepiej" tu nie działa. Obwód rezonansowy ma "pik" na jakiejś swojej częstotliwości. Zwiększając sprzężenie między obwodami (dajmy na to, dwoma w tym przypadku) czy to trymerem pomiędzy, albo zbliżaniem cewek (czasem się też daje dodatkowy przewód sprzęgający), powodujemy że część energii z jednego obwodu przepływa do drugiego i odwrotnie. W efekcie pojedynczy "pik" zaczyna się rozdzielać na dwa, coraz dalej od siebie. Umiejętnie dobierając sprzężenie możemy dostać filtr pasmowy o jakiejś szerokości, z jakimś zafalowaniem (dla dwóch obwodów będzie to dołek pośrodku).
Za duże sprzężenie - zafalowanie będzie duże, szerokość pasma duża.
Za małe sprzężenie - będzie pojedynczy pik, ale straty będą duże.
İmage

W książce SP6LB na pewno coś o tym było... Smile

Tak więc zastąpienie tego co jest jakimś kondensatorem da "jakiś" efekt, ale nie do końca wiadomo jaki a wręcz można sobie popsuć. Jednak bez VNA ciężko takie rzeczy zmierzyć a niestety każde włożenie tego w układ może te parametry zmienić.

Nie rozumiem - nie robię. Chyba że robię żeby zrozumieć.
27-03-2023 13:43
Znajdź wszystkie posty użytkownika Odpowiedz cytując ten post
SP9FYS Offline
Zaawansowany użytkownik
****

Liczba postów: 305
Dołączył: 12-12-2009
Post: #7
RE: Sprzężenie indukcyjne pomiędzy blokami odbiornika
W praktyce takie macanie na ślepo nigdy nie daje pożądanych efektów nawet używając NanoVna. Niestety jedyną skuteczną metodą jest obliczenie filtru korzystając z metod analitycznych lub graficznych (są łatwo dostępne nomogramy i tabele, również w Bieńkowskim).
Najszybciej filtr o potrzebnej charakterystyce można zaprojektować korzystając z programów do modelowania filtrów np. "Elsie" Tonne Software (z takiego najczęściej korzystam). Nb. jest wiele dostępnego za free podobnego oprogramowania.
___________
Co się zaś tyczy konstrukcji https://ep.com.pl/files/7329.pdf to lepiej opuścić litościwie zasłonę milczenia na rozwiązaniami w części interesującej kol. EZG.
(Ten post był ostatnio modyfikowany: 27-03-2023 16:44 przez SP9FYS.)
27-03-2023 16:44
Znajdź wszystkie posty użytkownika Odpowiedz cytując ten post
SP7EZG Offline
Artur
***

Liczba postów: 198
Dołączył: 06-12-2015
Post: #8
RE: Sprzężenie indukcyjne pomiędzy blokami odbiornika
Zamieniam się w słuch, w mojej ocenie jest to na tyle proste i bezbolesne, że w ramach odpoczynku po pracy zawsze warto to zbudować.

W rozwiązaniu PA2HKR, na które powołuje się SP6LB sprawa wygląda tożsamo.
(27-03-2023 13:43)SQ5KVS napisał(a):  Stopień sprzężenia między obwodami rezonansowymi można zapewnić na kilka sposobów - magnetycznie, pojemnościowo, mieszanie. W układach o wyższych częstotliwościach
w zasadzie sprzężenie jest mieszane - przez obie cewki przenikają wzajemnie ich strumienie magnetyczne, ale działa (zwłaszcza na "gorących" końcach cewek) również sprzężenie pojemnościowe pomiędzy nimi.
I teraz UWAGA. Sprzężenie nie jest wartością dowolną i zasada "im więcej tym lepiej" tu nie działa. Obwód rezonansowy ma "pik" na jakiejś swojej częstotliwości. Zwiększając sprzężenie między obwodami (dajmy na to, dwoma w tym przypadku) czy to trymerem pomiędzy, albo zbliżaniem cewek (czasem się też daje dodatkowy przewód sprzęgający), powodujemy że część energii z jednego obwodu przepływa do drugiego i odwrotnie. W efekcie pojedynczy "pik" zaczyna się rozdzielać na dwa, coraz dalej od siebie. Umiejętnie dobierając sprzężenie możemy dostać filtr pasmowy o jakiejś szerokości, z jakimś zafalowaniem (dla dwóch obwodów będzie to dołek pośrodku).
Za duże sprzężenie - zafalowanie będzie duże, szerokość pasma duża.
Za małe sprzężenie - będzie pojedynczy pik, ale straty będą duże.
İmage

W książce SP6LB na pewno coś o tym było... Smile

Tak więc zastąpienie tego co jest jakimś kondensatorem da "jakiś" efekt, ale nie do końca wiadomo jaki a wręcz można sobie popsuć. Jednak bez VNA ciężko takie rzeczy zmierzyć a niestety każde włożenie tego w układ może te parametry zmienić.

Dziękuję za ten post. Ogólnie przejrzałem kilka konstrukcji - to rozwiązanie z tego co zauważyłem - jest dość popularne w starych głowicach UKF, przy czym tam korzysta się zazwyczaj z filtrów 7x7.
Tak czy inaczej póki nie zbuduję, nie będę wiedział. W ogólnym podejściu zależałoby mi na tym, żeby wykonanie było 'powtarzalne'.

Ja wiem, jakie koledzy mają podejście do tych prostych urządzeń, zwłaszcza, że dziś mamy wszystko dostępne - płytki, kity etc. Ale ja lubię próbować, często mi nie wychodzi. Zwłaszcza, że to zawsze pewne doświadczenie sensu uruchamiania bardziej rozbudowanych konstrukcji.


Załączone pliki Miniatury
İmage

Pozdrawiam, Artur
(Ten post był ostatnio modyfikowany: 28-03-2023 6:53 przez SP7EZG.)
27-03-2023 19:28
Znajdź wszystkie posty użytkownika Odpowiedz cytując ten post
SQ5KVS Offline
Karol
*****

Liczba postów: 1,013
Dołączył: 26-09-2012
Post: #9
RE: Sprzężenie indukcyjne pomiędzy blokami odbiornika
Próbować nie zaszkodzi, a wręcz trzeba. Choć warto przed próbami coś zaprojektować a potem to właśnie próbować zbudować. Można się wtedy przekonać co ma znaczenie w takim odwzorowaniu a co nie ma. O tym czy się zbudowało to co trzeba decydują wyniki jakiś pomiarów no i ucho (swoje, albo korespondenta). Dlatego warto mierzyć Smile

Nie rozumiem - nie robię. Chyba że robię żeby zrozumieć.
28-03-2023 10:44
Znajdź wszystkie posty użytkownika Odpowiedz cytując ten post
SP6LUN Offline
Andrzej
****

Liczba postów: 259
Dołączył: 01-09-2014
Post: #10
RE: Sprzężenie indukcyjne pomiędzy blokami odbiornika
Mom zdaniem warto sprzężenie ustawić na elemencie nieregulowanym.
Jeżeli elementem regulowanym (dostrojenie) będzie cewka to stosujemy sprzężenie pojemnościowe.
Jeżeli elementem regulowanym będzie pojemność, stosujemy sprzężenie magnetyczne.
Dzięki temu dostrajając filtr (częstotliwości obwodów LC) nie zmieniamy już sprzężenia,
które zostało policzone i ustawione/dobrane elementami stałymi/nieregulowanymi.

Andrzej
29-03-2023 14:11
Znajdź wszystkie posty użytkownika Odpowiedz cytując ten post
Odpowiedz 


Skocz do:


Użytkownicy przeglądający ten wątek: 1 gości