Odpowiedz 
 
Ocena wątku:
  • 2 Głosów - 5 Średnio
  • 1
  • 2
  • 3
  • 4
  • 5
Analizator NA01
blejders Offline


Liczba postów: 7
Dołączył: 24-09-2010
Post: #191
RE: Analizator NA01
Każdy kompilator "przekłada" kod źródłowy najpierw na asemblera a następnie na kod binarny, ja też nie jestem orłem w asemblerze ale wszystko widać po długości kodu.
25-03-2014 23:54
Znajdź wszystkie posty użytkownika Odpowiedz cytując ten post
SP6FRE Offline
Leszek
****

Liczba postów: 737
Dołączył: 20-09-2009
Post: #192
RE: Analizator NA01
Dyskusja na temat możliwości oversampling-u oraz metod przetwarzania danych A/D warta jest odrębnego wątku.
Podobnie warto dyskutować na temat celowości użycia konkretnego języka programowania do osiągnięcia zamierzonego celu. Zwykle jednak, jeśli autorem oprogramowania jest jedna osoba to zarówno wybór języka jak i użyte sposoby programowania obciążone są jego indywidualnymi preferencjami i umiejętnościami.
Oba zarysowane problemy mają swoje miejsce na tym forum w działach metod pomiarowych oraz programowania i chętnie wezmę udział w dyskusji o ile takie wątki się pojawią.
Ale w moim przypadku, gdyby NA01 miał do wykonania jedynie pomiar A/D wtedy zysk z pominięcia operacji zmiennoprzecinkowych byłby znaczny. Jednak miernik wykonuje znacznie więcej działań dla których nie można obejść działań na liczbach typu float. Choćby wizualizacja w dziedzinie logarytmicznej, wyliczenie wartości LC w rezonansie, pomiar mocy, częstotliwości itp. Przy tak rozległym kodzie jak w NA01 użycie mnożenia dodaje kod tej operacji tylko raz. Potem można mnożyć i mnożyć a kodu przybywa w niewielkim stopniu - ot tyle by zapisać instrukcję mnożenia.
Ja świadomie używam bascom-a bo za słaby jestem aby programować w C, który generuje bardziej zwięzły kod. Wystarcza mi jednak kiedy kod mieści się w pamięci a program działa wystarczająco szybko. W ostateczności "przesiadka" na procesor z dwukrotnie większą pamięcią to koszt kilku PLN co jestem w stanie zaakceptować. Mogę się jednak skupić bardziej na funkcjonalności miernika, procedurach pomiarowych i metodach wizualizacji. Uzyskane dokładności pomiaru są lepsze niż jestem w stanie to pokazać więc nie mam dyskomfortu z powodu utraty informacji z pomiaru. Połączenie z PC zapewni możliwość użycia bardziej zaawansowanych metod pomiaru i wizualizacji.
Reasumując, warto, pamiętać o dostępnych możliwościach - w tym nowych metodach podniesienia dokładności pomiaru - ale używać tych, które zna się najlepiej i prowadzą skutecznie do celu bez istotnej utraty informacji.
L.J.
(Ten post był ostatnio modyfikowany: 26-03-2014 10:36 przez SP6FRE.)
26-03-2014 10:34
Odwiedź stronę użytkownika Znajdź wszystkie posty użytkownika Odpowiedz cytując ten post
SQ5TDZ Offline


Liczba postów: 2
Dołączył: 03-07-2013
Post: #193
RE: Analizator NA01
witam
jako posiadacz tegoż miernika z ciekawości się pytam jak tam prace nad podłączeniem do komputera ?
12-07-2014 8:05
Znajdź wszystkie posty użytkownika Odpowiedz cytując ten post
SP7DCB Offline
Adam
*

Liczba postów: 20
Dołączył: 07-01-2011
Post: #194
RE: Analizator NA01
Witam,
montuję właśnie druga wersję tego miernika na PCB v.8 i szukam do niej schematu Smile w niniejszym wątku dopatrzyłem się schematu w wersji 7.02 ... różnice niby drobne -np. inne ułożenie elementów, 2 przekaźniki, widzę też różnicę wartości niektórych elementów (schemat vs montaż PCB).
Podsumowując czy wersja 8 PCB jest "rozwojową" NA01 czy przejściową do NA02??

Pozdrawiam,
Adam
05-01-2017 9:34
Znajdź wszystkie posty użytkownika Odpowiedz cytując ten post
SP6FRE Offline
Leszek
****

Liczba postów: 737
Dołączył: 20-09-2009
Post: #195
RE: Analizator NA01
Witam!
NA02 jest rozwinięciem wersji NA01 o pomiar wektorowy impedancji. Poza tym NA01 i NA02 są mniej więcj funkcjonalnie równoważne w tym sensie, że mierzą podobne parametry za pomocą identycznych przystawek, choć np. NA02 ma większy zakres pomiaru częstotliwości.
Oczywiście, Płytki NA01 i 02 są różne co najmniej dlatego, że na NA02 jest dodatkowy układ miernika tłumienia/fazy.
Jeśli montujesz NA01 w wersji z dwoma przekaźnikami to masz najnowszą wersję tego urządzenia.
Ponieważ obecnie "zanurzony po dziurki w nosie" Big Grin jestem już w projekt NA02 to najprostszą metodą wyjaśnienia jakiegoś problemu będzie metoda łopatologiczna a więc proszę o konkretne pytanie na co na pewno dostaniesz konkretną odpowiedź.
Na razie nie mam dostępu do materiałów źródłowych ale obiecuję po południu zamieszczenie odpowiednich materiałów ale proszę o wskazanie gdzie masz wątpliwości?
L.J.
(Ten post był ostatnio modyfikowany: 05-01-2017 10:55 przez SP6FRE.)
05-01-2017 10:55
Odwiedź stronę użytkownika Znajdź wszystkie posty użytkownika Odpowiedz cytując ten post
SP7DCB Offline
Adam
*

Liczba postów: 20
Dołączył: 07-01-2011
Post: #196
RE: Analizator NA01
Witam,
w takim razie z elementami sobie (chyba) poradzę wzorując się na NA02.
Pozostaje kwestia roli przekaźnika na wyjściu -do czego służy albo inaczej -czy go montować? oraz jeśli odpowiedź jest "tak" to oczywiście byłby przydatny program obsługujący tę funkcjonalność bo jak rozumiem dostępna wersja 7.01 oprogramowania jeszcze nie zawiera tej rozbudowy.

Pozdrawiam,
Adam
05-01-2017 14:30
Znajdź wszystkie posty użytkownika Odpowiedz cytując ten post
SP6FRE Offline
Leszek
****

Liczba postów: 737
Dołączył: 20-09-2009
Post: #197
RE: Analizator NA01
Witam!
Znalazłem odpowiednie kawałki schematu i rysunki:

İmage

Tu pokazałem jakie zmiany zaszły w schemacie w stosunku do wersji już opublikowanej. Generalnie biorąc wprowadziłem do schematu możliwość wtrącenia w tor pomiarowy dodatkowego tłumienia (ok. 30dB) co pozwala na poprawę "widoczności" charakterystyk w zakresie małych tłumień lub np. małego SWR. Faktycznie, ta funkcjonalność na razie nie działa więc jeśli chcesz to po prostu zrób zwory pinów w pozycji normalnie zwartej. Można też wtedy nie montować 2 oporników 1.5k oraz 51 omów - tego do masy. Ponieważ przekaźnik kosztuje kilka PLN to proponuję go wlutować bo chodzi mi po głowie wprowadzenie tej funkcjonalności więc będzie jak znalazł Blush

İmage

Na schemacie montażowym pokazałem gdzie mają się pojawić dodatkowe elementy. Pokazałem również (kolor różowy) kros jaki musi się pojawić na tej płytce (niestety posiada ona błąd braku połączenie, którego nie wykrył mi Kickad) Sad
Na tej płytce przekażniki montowane są od strony elementów. To ważne bo są polaryzowane i montowane od spodu nie będa działać (w NA02 natomiast muszą być montowane od spodu!).

Na koniec proponuję zassać najnowszą wersję oprogramowania wersja 7.03, w której znajdują się dodatkowe drobne poprawki.

P.s. Przy okazji dla zainteresowanych mam informację, że dysponuję jeszcze pewną ilością płytek do NA01 w cenie grubo niżej ceny produkcji (25PLN + 10PLN za przesyłkę). W tym zestawie jest płytka główna, płytka klawiszy i płytka mieszacza, w sumie 92+17+12=121cm2 porządnego druku dwustronnego z dostępnym opisem montażu i oprogramowaniem Smile

L.J.
(Ten post był ostatnio modyfikowany: 05-01-2017 16:30 przez SP6FRE.)
05-01-2017 16:22
Odwiedź stronę użytkownika Znajdź wszystkie posty użytkownika Odpowiedz cytując ten post
SP7DCB Offline
Adam
*

Liczba postów: 20
Dołączył: 07-01-2011
Post: #198
RE: Analizator NA01
Witam ponownie,
bardzo dziękuję za szczegółowe wyjaśnienia. Przekaźnik na pewno zamontuję ..
Czekam jeszcze na kilka elementów i będę finalizował uruchamianie nowej wersji. Dam oczywiście info o wynikach.

Korzystając z okazji chciałbym zarezerwować PCB do NA02 -w zamówieniu już uwzględniłem brakujące elementy Smile.

Pozdrawiam,
Adam
05-01-2017 22:21
Znajdź wszystkie posty użytkownika Odpowiedz cytując ten post
SP7DCB Offline
Adam
*

Liczba postów: 20
Dołączył: 07-01-2011
Post: #199
RE: Analizator NA01
Witam,
montaż i uruchomienie zakończone. W weekend trochę testów.

A od nowego tygodnia przenoszę się na wątek NA02.
Leszek -prośba zatem o dopisanie mnie do listy chętnych na PCB do NA02.

İmage İmage


Pozdrawiam,
Adam
12-01-2017 23:51
Znajdź wszystkie posty użytkownika Odpowiedz cytując ten post
SP6FRE Offline
Leszek
****

Liczba postów: 737
Dołączył: 20-09-2009
Post: #200
RE: Analizator NA01
Witam!
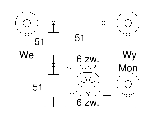
Gratuluję zakończenia pracy z miernikiem. Do testów przydałaby się jakaś przystawka, najłatwiej zmontować na pająka mostek SWR np. taki jak na zdjęciu:
http://sp-hm.pl/attachment.php?aid=3228
http://sp-hm.pl/attachment.php?aid=3244
Wprawdzie na schemacie napisałem o 6 zwojach ale najlepsze wyniki uzyskasz nawijając 2 x 3/4 zwoja (po prostu przewlekając przewód przez rdzeń dwuotworowy). Przydałoby się też obciążenie dopasowane 51 omów. Na zdjęciu takie obciążenie wykonane jest z typowego, zaciskanego wtyku BNC/50 przez wlutowanie opornika w przewód środkowy wtyku i wciśnięcie go w obudowę. Drugi koniec opornika należy zalutować na końcówce obudowy wcześniej lekko czyszcząc ją papierem ściernym aby poprawić warunki lutowania.
Mając mostek SWR będziesz się mógł "pobawić" mierząc charakterystyki swojej anteny co zawsze jest bardzo interesujące i pouczające ;-)
Kolejno możesz szybko zmontować przystawkę LCQ:
http://lx-net.pl/hr/netw1/lcq.JPG
Ta pozwoli na pomiary elementów L i C, dobroci a także kwarców.
L.J.
13-01-2017 10:19
Odwiedź stronę użytkownika Znajdź wszystkie posty użytkownika Odpowiedz cytując ten post
Odpowiedz 


Skocz do:


Użytkownicy przeglądający ten wątek: 2 gości