Odpowiedz 
 
Ocena wątku:
  • 2 Głosów - 5 Średnio
  • 1
  • 2
  • 3
  • 4
  • 5
Analizator NA01
SP6FRE Offline
Leszek
****

Liczba postów: 737
Dołączył: 20-09-2009
Post: #111
RE: Analizator NA01
Faktycznie, z Andrzejem wymieniamy uwagi już od pewnego czasu. Ponieważ ma kilka ciekawych pomysłów i świetny montaż zachęciłem go do opublikowania swoich pomysłów oraz doświadczeń z uruchamianiem ostatniej wersji NA01. Na razie możemy podziwiać próbę Andrzeja wykonania NA01 w wersji kompaktowej. Od tego zaczął przygodę z NA01. Ze względu na inny wyświetlacz konieczne są zmiany w druku a poza tym pomogę Andrzejowi uruchomić miernik już z najnowszym oprogramowaniem. Na razie jednak pojawi się pewnie opis dopiero co uruchomionego miernika według mojej ostatniej propozycji. Postaram się skomentować to co opisze Andrzej bo przy okazji pojawiło się kilka faktów wartych podzielenia się z innymi kolegami składającymi urządzenie.
L.J.
18-07-2012 21:31
Odwiedź stronę użytkownika Znajdź wszystkie posty użytkownika Odpowiedz cytując ten post
SP7MUN Offline
Nowicjusz
*

Liczba postów: 11
Dołączył: 11-07-2012
Post: #112
RE: Analizator NA01
Zgodnie z obietnicą, na początek, chcę przekazać kolegom informacje o narzędziach jakich używałem do montażu analizatora a w szczególności do montażu elementów smd. Jak widać ze zdjęcia potrzebne będą: lupa ,sonda oraz kilka rodzajów grotów.
Sonda do pomiarów elementów SMD
Sonda przeznaczona jest do pomiarów i jednocześnie przenoszenia elementów w odpowiednie miejsce przeznaczenia w płytce druku do wlutowania. Swoim wyglądem przypomina pensetę. Pracuje w połączeniu z miernikiem pomiarowym. Zrobiona jest z dwóch pasków laminatu jednostronnego, oraz przyklejonego np. za pomocą „kropelki” gniazda np. od komputera oraz z wyprowadzeń do wlutowania na stronie laminatu obu pasków. Głównym elementem sondy są przylutowane na jej wierzchołku styki przekaźnika, których blaszki są nieco wyprofilowane dla wygody pomiaru. Szerokość blaszek pomiarowych od strony elementów to około 2 mm. Potrzebna jest także para przewodów z różnymi wyprowadzeniami zgodne z wejściem gniazd miernika
Groty do lutowania – grot podstawowy
Groty do lutownicy transformatorowej wykonuję sam i mam nadzieję, że załączony opis będzie pomocny innym. Po zgięciu kawałka druta miedzianego należy przygiąć czubek grota i zacisnąć kombinerkami a pozostałą część wyprofilować jak na zdjęciu pierwszego z lewej grota. Następnie należy położyć grot na kowadełku trzymając rękoma za końcówki i rozklepać młotkiem zaciśnięty czubek obracając i ciągnąc przy uderzeniu młotkiem ku dołowi tak aby wytworzyła się płaszczyzna. Następnie można cęgami obciąć boki do postaci strzałki i obrobić. Po obróbce proponuję obie końcówki grota pobielić z boku od wewnątrz dla lepszego styku w lutownicy przed przykręceniem. Takie groty użytkuję podczas ciągłego lutowania które nie powodują przegrzania druku i są leprze punkty lutownicze bez żadnego zwarcia
Grot do lutowania elementów smd – w tym układów scalonych
Do druku smd z tego samego grota bardziej wyostrzamy strzałkę na przedzie na przykład pilnikiem do grubości nóżki układu scalonego .Przed lutowaniem końcówki układu należy posmarować pastą lub topnikiem w roztworze i lutować impulsowo, najlepiej przez złapanie układu scalonego cyną po obu stronach skrajnych końcówek aby ustawić dokładnie układ w swoim miejscu na druku. Oczywiście wszystko robimy pod lupą Do lutowania użyłem Topnika – RF 800-NO CLEAN (cena 100ml to 9,50PLN), nie potrzeba po nim czyścić płytki, tworzy lepszy styk po lutowaniu oraz co najważniejsze szybko załapuję cynę co jest bardzo istotne aby miejsce na druku oraz układ się nie przegrzewały.
Grot do wylutowania elementów smd
Grot na trzeciej pozycji zrobiony jest do wylutowania elementów SMD obustronnie z dwóch stron. Wykonany jest z drutu o grubości 1mm po wygięciu i zagięciu czubka grota do góry i wyprofilowaniu do wielkości elementu smd. Używam tego grota razem z pensetą odciągając szybko elementy smd po rozgrzaniu aby ich nie przegrzać bo stracą boczne końcówki lutownicze.
Na zdjęciach widać całą kolekcje grotów jakie posiadam. Opisałem tylko groty jakich używałem do montażu analizatora Innych używam w zależności od potrzeb montażowych.
W kolejnym poście opiszę sam montaż analizatora oraz napotkane problemy.


Załączone pliki Miniatury
İmage İmage
23-07-2012 18:08
Znajdź wszystkie posty użytkownika Odpowiedz cytując ten post
KLIMA Offline
Użytkownik
***

Liczba postów: 194
Dołączył: 15-09-2010
Post: #113
RE: Analizator NA01
Bardzo eleganckie groty!
Ale mam jedno pytanie - jaki jest sens takiej zabawy? Przecież lutownice ze stabilizacją są powszechnie dostępne. Niektóre mają nawet całkiem solidną moc (no, nie taką samą jak transformatorówka, ale blachy nikt tym nie lutuje).
23-07-2012 19:08
Znajdź wszystkie posty użytkownika Odpowiedz cytując ten post
SQ8NVF Offline
Bartłomiej
***

Liczba postów: 144
Dołączył: 05-12-2009
Post: #114
RE: Analizator NA01
A ja zawsze podziwiam tych, którzy lutują współczesne układy SMD transformatorówką...Przecież tam płyną takie duże prądy, że niejeden 2-bramkowy mosfet może się uszkodzić. Ale jak widać da się nie uszkodzićWink
(Ten post był ostatnio modyfikowany: 23-07-2012 20:59 przez SQ8NVF.)
23-07-2012 20:59
Znajdź wszystkie posty użytkownika Odpowiedz cytując ten post
SQ1GYQ Offline
Andrzej
****

Liczba postów: 411
Dołączył: 18-06-2009
Post: #115
RE: Analizator NA01
Witam

Ja też używam transformatorówki do lutowania smd i jakoś nie ubiłem żadnego układu. Najważniejsze o czym należy pamiętać to grot na czas wymieniać nie doprowadzić do tego aby podczas lutowania nam się przepalił bo wtedy na 99,9% scalak czuły na elektrostatykę będzie "trupem". Smile

Co do grotów to fajnie na zdjęciu i w opisie przedstawił kolega SP7MUN, robię podobnie jak kolega.

A tak najlepszy regulator temperatury to według mnie palce przy lutowaniu transformatorówką oczywiście to są moje odczucia i moja opinia Smile

Pozdrawiam

Andrzej
(Ten post był ostatnio modyfikowany: 23-07-2012 21:24 przez SQ1GYQ.)
23-07-2012 21:24
Znajdź wszystkie posty użytkownika Odpowiedz cytując ten post
SP6FRE Offline
Leszek
****

Liczba postów: 737
Dołączył: 20-09-2009
Post: #116
RE: Analizator NA01
Andrzej ma faktycznie imponujący zestaw grotów co wynika po części z jego perfekcyjnego sposobu montażu układów. Ja używam lutownicy transformatorowej ze zwykłym grotem a do najmniejszych elementów dokręcam na ten grot śrubą m3 zaostrzoną w szpic końcówkę o długości 3-5mm.
Przez grot lutownicy transformatorowej faktycznie płynie duży prąd ale napięcie na grocie ma tylko 0.2V (0.35V bez grota). Elementy elektroniczne uszkadzają się napięciowo (duży potencjał, mały ładunek -> niewielka moc) więc o wiele groźniejsza jest elektryczność statyczna, która może osiągać kilkaset V w różnicy potencjałów. Większość elementów elektronicznych toleruje napięcia wsteczne od kilku do kilkudziesięciu woltów więc lutownica transormatorowa jest tu niegroźna. Można się zastanawiać nad wpływem dość dużego pola magnetycznego wokół grotu na napięcia indukowane w ścieżkach i samych elementach ale taki wpływ dla pola 50Hz ma niewielki zasięg, ścieżki są krótkie więc siła elektromotoryczna w nich generowana jest niewielka a poza tym obwód z indukowanym napięciem musi być zamknięty aby w ogóle popłynął w nim prąd. A w zamkniętym obwodzie sa rezystory, kondensatory, złacza w kierunku przewodzenia i zaporowym i inne elementy co może dla prądu stanowić istotna przeszodę. Przypuszczam, że większość uszkodzeń półprzewodników to iskry elektrostatyczne lub upływności napięcia sieci jeśli sprzęt do lutowania ma takie a układ podłączony jest do zasilacza z podobną upływnością lub do uziemienia. A zatem nie bójmy się lutownicy transformatorowej ;-)
L.J.
24-07-2012 13:24
Odwiedź stronę użytkownika Znajdź wszystkie posty użytkownika Odpowiedz cytując ten post
SP7MUN Offline
Nowicjusz
*

Liczba postów: 11
Dołączył: 11-07-2012
Post: #117
RE: Analizator NA01
W kolejnym poście przedstawiam zmontowany już analizator i jego zdjęcia. Montaż elementów oraz prawidłowe wstawienie układów należałoby wykonać według poleceń i kolejności podanej przez Leszka na jego stronie: http://lx-net.pl/hr/netw/na01.html ale ja nie trzymałem się tych zaleceń, między innymi o przygotowaniu do uruchomienia górnej połowy układu, tylko od razu wlutowałem wszystko. W swoim opisie Leszek zamieszcza najważniejsze uwagi dotyczące montażu urządzenia oraz opisuje najważniejsze zmiany. Po zmontowaniu górnego zestawu elementów płytka może być gotowa do sprawdzenia prawidłowego działania procesora. Przedtem należy dokładnie sprawdzić omomierzem czy nie ma zwarć między pinami układów oraz usunąć zanieczyszczenia między ścieżkami druku Szczególną uwagę zwracam kolegom na prawidłowe wstawienie układów oraz generatora kwarcowego 100 MHZ oznaczonego kropką na pinie 1. Prawidłowy montaż generatora umożliwiło mi porównanie ze zdjęciem. Zwracam też uwagę, że w gnieździe AT Mega pracują dwa elementy i należy je wlutować przed montażem podstawki procesora. Po podłączeniu napięcia 12V powinny ukazać się napisy startowe oraz można sprawdzić działanie klawiatury przechodząc za pomocą klawiszy po menu. U mnie jednak po włączeniu zasilania nie pojawiły się żadne napisy. Podczas uruchamiania pojawiły się problemy z napięciami w układzie, stabilizator 7805 zaniżał napięcie do 4,8V a pobór prądu wynosił ponad 250 mA. Po wymianie na inny egzemplarz mam teraz 5,2V i obecnie pobór prądu przy zasilaniu z 12V to 120,9 mA. Po tej wymianie uzyskałem podświetlenie wyświetlacza a wtedy skorygowałem potencjometrem montażowym R1 napięcie ujemne -3V, które należy mierzyć na pinie nr 3 wyświetlacza do czytelnego pojawienia się napisów. Następny problem pojawił się gdy na drugi dzień załączyłem układ, pojawiły się napisy i po kilkunastu sekundach wszystko wygasło. Sprawdzałem kwarc16 MHZ który otrzymałem od Leszka bo było podejrzenie zatrzymania pracy procesora ale był w porządku. Następnie spróbowałem ruszyć potencjometrem montażowym R1 bo pomyślałem że może przestawiło się napięcie ujemne -3V ale kiedy lekko trąciłem potencjometr wtedy okazało się że bez żadnego kręcenia, że wyświetlacz zadziałał. Wszystko pojawiło się na ekranie a przyczyną był wadliwy potencjometr, choć był fabrycznie nowy jak i stabilizator. Potencjometr miał na jednej z nóżek ruchomy zacisk i luzy a po wymianie na inny wszystko działa bez problemu. Miałem jeszcze problem z zadziałaniem przekaźnika do pomiaru częstotliwości, który po wybraniu opcji w menu: pomiar częstotliwości nie chciał zadziałać. Leszek poradził aby zmienić szeregowy opornik w obwodzie zasilania przekaźnika na mniejszy aby napięcie na nim było nie mniejsze niż 4 V. Po zmniejszeniu opornika do 51 omów przekaźnik zaczął działać i pomiar częstotliwości stał się możliwy. Po pojawieniu się problemów informowałem o nich Leszka i otrzymywałem w odpowiedzi wskazówki oraz propozycje pomiarów kontrolnych a także sugestie dotyczące niezbędnej korekty. W ten sposób mogłem ostatecznie uruchomić analizator. W następnym poście pokażę już działające urządzenie.


Załączone pliki Miniatury
İmage İmage İmage İmage
30-07-2012 13:00
Znajdź wszystkie posty użytkownika Odpowiedz cytując ten post
SP6FRE Offline
Leszek
****

Liczba postów: 737
Dołączył: 20-09-2009
Post: #118
RE: Analizator NA01
Pzy okazji uruchomienia urządzenia Andrzeja chciałbym zwrócić uwagę na dwa elementy. Pierwszy to odpowiednie napięcie polaryzujące ekran wyświetlacza. Napięcie to musi być ujemne o wartości ok. minus 2.5V-3V i wytwarza je sam wyświetlacz. Właściwy poziom napięcia dobiera się za pomocą jedynego rezystora nastawnego w układzie więc nie ma wątpliwości o jaki element chodzi. Potencjometr ten rozpięty jest pomiędzy dodatnie napięcie ze stabilizatora 5V oraz ujemne napięcie własne wyświetlacza. Za pomocą tego regulowanego napięcia ustawia się własciwy kontrast treści na wyświetlaczu a podana wartość (-2.5V-3V) jest oczywi.ście przybliżona bo pewnie każdy ustawi ten kontrast po swojemu. Niewątpliwie jednak napięcie to musi być ujemne. Drugim problemem jest opornik szeregowy w obwodzie cewki przekaźnika trybu pomiaru częstotliwości. Na schemacie to kilkaset omów co przy oporności cewki przekaźnika ok. 120 omów oznacza, że przekaźnik nigdy nie zadziała :-( Optymalna wartość to 30-50 omów. Przy okazji przypominam, że ze względu na wadę obecnego druku NA01, przekaźnik należy wlutować od strony gniazd BNC i wtedy nie ma potrzeby zmiany druku. Montaż przekaźnika od strony elementów wymaga zamiany miejscami doprowadzeń cewki przekaźnika bo to przekaźnik spolaryzowany.
L.J.
30-07-2012 20:31
Odwiedź stronę użytkownika Znajdź wszystkie posty użytkownika Odpowiedz cytując ten post
SP7MUN Offline
Nowicjusz
*

Liczba postów: 11
Dołączył: 11-07-2012
Post: #119
RE: Analizator NA01
Tym razem opiszę w jaki sposób wykonałem obudowę miernika. Obudowa wykonana jest z laminatu jednostronnego i dopa-sowana do płytki druku, która została zmniejszona z trzech stron (tam gdzie nie ma gniazd) przez zeszlifowanie po 1 mm. War-to na koniec zaokrąglić ostre rogi płytki. Podstawą do wykonania obudowy jest rysunek. Rysunek naniosłem po stronie lamina-tu w skali 1:1 z zachowaniem ok. 2mm dodatkowego miejsca na ślad piły. Środki otworów pod klawisze należy zaznaczyć pre-cyzyjne, zgodnie z rysunkiem oraz zarysować kształt otworu za pomocą cyrkla, odległość otworów to 15mm. Okno wyświetla-cza najlepiej wyznaczyć ze zmontowanego już układu zakładając niewielki powiększenie rozmiaru okna oraz wyznaczając jego odległość od linii klawiszy z natury. W szczególności należy zwracać uwagę na symetrię wzajemną położenia klawiszy I wyświe-tlacza na rysunku na laminacie. Płytkę laminatu mocuję jednym lub dwoma ściskami stolarskimi blisko miejsca przeznaczonego do przecięcia aby się nie ruszała. Dla bezpieczeństwa chciałbym przypomnieć aby nie używać brzeszczotów kolorowych, w szczególności czarnych lub niebieskich. Te brzeszczoty są przeznaczone do cięcia metali utwardzonych, są drobnoziarniste, czę-sto się blokują podczas przecinania płytki a lekkie skręcenie czy pochylenie piłki w bok może doprowadzić do pęknięcia a w konsekwencji do zranienie lub nawet kalectwa. Polecam typowe brzeszczoty do metalu, naszej produkcji, o szerokich śladach cięcia, które są elastyczne I nie pękają. Otwory klawiszy mają docelowo 9mm ale wiercę je wstępnie do maksimum 7mm oraz rozwiercam za pomocą ostrza nożyczek z obu stron otworu. Idealnym narzędziem w tym wypadku byłby oczywiście rozwiertak ale nożyczki również się sprawdzają. Wiercenie dużych otworów w warunkach domowych zwykle prowadzi do uzyskania owal-nego lub trójkątnego otworu więc warto wykonać taki otwór o mniejszej średnicy I powiększyć go ręcznie co z reguły poprawia jego kształt. Poza tym, mając zarysowany profil otworu można za pomocą nożyczek poprawić jego centryczność zbierając wię-cej materiału z właściwej strony w razie potrzeby. Okno wyświetlacza wycinam cienką piłką wprowadzoną za pomocą małych otworów umieszczonych w rogach pola wyświetlacza w odległości ok. 1mm od brzegu otworu. Na koniec szlifuję krawędzie oraz myję miedzianą część laminatu w celu poprawienia przyczepności podczas lutowania elementów obudowy. Część obudo-wy od strony gniazd składa się z 2 elementów I ma otwory 14,4mm z tym że element, który pokazany jest na rysunku jako wewnętrzny ma wycięcia do krawędzi płytki w celu ułatwienia przy wstawianiu płytki drukowanej. Element z pełnymi otwora-mi stanowi atrapę I jest przykręcany na końcu. W końcu należy wszystko zlutować. Boczne płytki kładę się na górną część w odległości grubości laminatu czyli 1,5mm. Płytkę od strony gniazd ustawiam w odległości 3mm ze względu na montowaną na końcu atrapę. Początkowo łączę wszystkie elementy prowizorycznie w 3 punktach na długości lutowania każdego z elementów zachowując kąt 90 stopni pomiędzy nimi. Zaczynam od dłuższych elementów dociskając je wzajemnie. Po zlutowaniu prowizo-rycznym oceniam błędy I je koryguję a na koniec poprawiam luty na całej długości połączeń zwiększając ich ilość i uważając aby nie przegrzać laminatu. Płytka drukowana mocowana jest do tak wykonanego pudełka za pomocą gwintowanych tulejek, któ-rych długość ustalam mierząc odległości po włożeniu płytki miernika do obudowy. Dolna pokrywa mocowana jest również za pomocą gwintowanych tulejek. Na koniec polecam podklejenie izolacją powierzchni laminatu w miejscu gdzie styki wyświetla-cza mogą opierać się o górną powierzchnię obudowy aby zapobiec możliwym zwarciom. W następnym wpisie pokażę uru-chomiony już analizator oraz wstępne pomiary.


Załączone pliki Miniatury
İmage İmage İmage İmage

.pdf  rys.pdf (Rozmiar: 922.84 KB / Pobrań: 1285)
11-08-2012 11:54
Znajdź wszystkie posty użytkownika Odpowiedz cytując ten post
SP6FRE Offline
Leszek
****

Liczba postów: 737
Dołączył: 20-09-2009
Post: #120
RE: Analizator NA01
Przy okazji pomiaru filtrów dla potrzeb TRX-CW stwierdziłem, że wykres filtra pasmowego ma lustra charakterystyki głównej leżace poniżej pasma przenoszenia wzmacniacza. Po sprawdzeniu częstotliwości tych luster okazało się, że leżą dość dokładnie na częstotliwościach będących nieparzystymi podzielnikami głównego pasma. Po sprawdzeniu kszałtu napięcia na wyjściu miernika od razu znalazłem "winowajcę". To wzmacniacz wyjściowy separujący sygnał pomiarowy z generatora DDS. Zrobiłem błąd montazowy i zamiast opornika rzędu 1.5k wstawiłem 10 krotnie mniejszy (smd) co przy moim wzroku łatwo usprawiedliwić. Dlatego wzmacniacz zamiast lekko wzmacniać i separować, mocno wzmacniał i zbyt mocno obciążał generator DDS deformując kształt sygnału.
Opisaną sytuację pokazałem na zdjęciach. Na zdjęciu wzm10 widać początkowy kształt napięcia sporo odbiegający od ideału. Na kolejnych zdęciach (11,12 i 13) widać mierzoną charakterystykę filtra pasmowego 3.5MHz oraz wspomniane lustra na częstotliwościach ok. 3.6/3 oraz 3.6/5. Na zdjęciu 20 widać poprawiony kształt sygnału wyjściowego oraz ponownie pomiar charkterystyki gdzie efekty lustra dla niższych częstotliwości są istotnie zmniejszone.
Wytłumaczenie tego zjawiska jest oczywiste. Zniekształcony sygnał pomiarowy na częstotliwościach wielokrotnie niższych niż pasmo przenoszenia zawiera skłądowe wyższych rzędów (głównie nieparzyste), które przechodzxą przez filtr dając na wykresie echo. Wprawdzie ten efekt jest dotkliwy tylko kiedy pasmo analizy jest dość szerokie aby widać było pasmo główne i częstotliwości podharmoniczne ale właśnie w taki sposób ocenić można jakość generatora "podstawy czasu" miernika. W szczególności harmoniczne moga mieć wpływ na pracę miernika jako analizatora widma (z przystawką mieszacza).
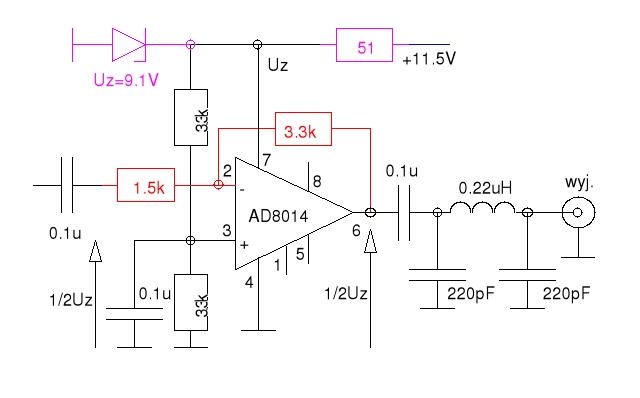
Na koniec załączam zalecany układ stopnia wzmocnienia. Istotne są tu oporniki zaznaczone na czerwono. Elementy te można odnieść do R3 i R7 na schemacie z postu #83. Dodatkowo, można usunąć z układu diodę zenera 9.1V zastępując ją kondensatorem 0.1uF. co poprawi dynamikę wzmacniacza (opornik szeregowy z diodą powinien mieć 50-100 omów a po usunięciu diody można opornik zastapić dławikiem o wartości od kilku do kilkudziesięciu uH).
Wzmacniacz wymaga na wejściu nieodwracającym (3) połowy napięcia zasilania (dzielnik 3.3k + 3.3k) co powoduje, że na wyjściu układu napięcie jest również równe mniej więcej połowie napięcia zasilania. W stanie prawidłowego działania również napięcie na wejściu odwracającym (2) jest równe napięcie na wejściu nieodwracającym.
L.J.


Załączone pliki Miniatury
İmage İmage İmage İmage İmage İmage İmage
(Ten post był ostatnio modyfikowany: 06-10-2012 17:42 przez SP6FRE.)
06-10-2012 17:42
Odwiedź stronę użytkownika Znajdź wszystkie posty użytkownika Odpowiedz cytując ten post
Odpowiedz 


Skocz do:


Użytkownicy przeglądający ten wątek: 2 gości