Odpowiedz 
 
Ocena wątku:
  • 0 Głosów - 0 Średnio
  • 1
  • 2
  • 3
  • 4
  • 5
6Ж2П jako mieszacz
SO9LEK Offline


Liczba postów: 8
Dołączył: 11-11-2019
Post: #1
6Ж2П jako mieszacz
Link do karty danych lampy
Witam, co koledzy myślą o mieszaczu na tej lampie w odbiorniku na 80m i 40m? VFO idzie do siatki trzeciej, sygnał z anteny na pierwszą siatkę. Jak ustawić punkt pracy lampy? Jaka będzie wydajność czy wzmocnienie przemiany?
25-03-2020 20:10
Znajdź wszystkie posty użytkownika Odpowiedz cytując ten post
SP3SUZ Offline
Zaawansowany użytkownik
****

Liczba postów: 515
Dołączył: 30-09-2013
Post: #2
RE: 6Ж2П jako mieszacz
Ja zrobił bym tak: Siatke pierwszą podeprzeć opornikiem 1 Mega Om podobnie siatke trzecią. Takim samym opornikiem. Napięcie anodowe maksymalnie 180V a siatki drugiej 80V do 120V ( dobrać doświadczalnie na maksymalny stosunek sygnału do szumu) Napiecie heterodyny (wysokiej częstotliwośći) powinno wynosić ok 200 mikrovoltów lub wiecej do 0,5Volta w.cz. chodzi o to że im wyższe to napiecie tym lepsza czułość mieszacza. Tyle na początek Jak chcesz to Ci cos jeszcze podpowiem.
26-03-2020 21:26
Znajdź wszystkie posty użytkownika Odpowiedz cytując ten post
SO9LEK Offline


Liczba postów: 8
Dołączył: 11-11-2019
Post: #3
RE: 6Ж2П jako mieszacz
Czyli 3 i 1 siatka razem i na nie heterodayna + sygnał w.cz, chyba nie zrozumiałem. Wiem że pentoda z heterodyną na 3 siatkę i w.cz. na drugą zachowuje się podobnie jak heptoda i ma b. dobre parametry mieszania.
26-03-2020 23:03
Znajdź wszystkie posty użytkownika Odpowiedz cytując ten post
SQ9RFC Offline
Jerzy
*****

Liczba postów: 1,193
Dołączył: 02-07-2010
Post: #4
RE: 6Ж2П jako mieszacz
I ja podpinam się pod temat. Mało kto jeszcze coś wie o układach lampowych każda informacja jest cenna!

73 JERZY SQ9RFC
26-03-2020 23:53
Znajdź wszystkie posty użytkownika Odpowiedz cytując ten post
SO9LEK Offline


Liczba postów: 8
Dołączył: 11-11-2019
Post: #5
RE: 6Ж2П jako mieszacz
Będę budować w przyszłości RX na 4x EF95 + 2szt 6Ż2P + 1szt EL95 do głośnika. Czy napięcie do AGC lepiej brać z Audio (przed potencjometrem głośności) czy z sygnału pośredniej przed detektorem?
27-03-2020 0:06
Znajdź wszystkie posty użytkownika Odpowiedz cytując ten post
SP2JQR Offline
Henryk
*****

Liczba postów: 1,528
Dołączył: 23-08-2009
Post: #6
RE: 6Ж2П jako mieszacz
Tylko z p.cz.
Zrobienie bardzo dobrego ARW na m.cz. jest oczywiście możliwe, ale niesamowicie bardziej skomplikowane.
27-03-2020 10:56
Znajdź wszystkie posty użytkownika Odpowiedz cytując ten post
SP9LVZ Offline
Piotr
*****

Liczba postów: 814
Dołączył: 13-01-2015
Post: #7
RE: 6Ж2П jako mieszacz
Do mieszaczy stosowało się heptody, a nie pentody. Typową lampą do mieszaczy jest ECH81. Na triodzie tej lampy robi się generator, a na heptodzie mieszacz. Pentody wykorzystuje się do wzmacniaczy tak jak ta 6Ż2P. Schemat lampowego SP5WW jest na tym forum zaraz na początku tematu SP5WW warto przeglądnąć w jakich stopniach, jakie są zastosowane lampy.
Nie wiem czy na tej pentodzie wyjdzie dobry mieszacz, ale warto sprawdzić i podzielić się efektami....
(Ten post był ostatnio modyfikowany: 27-03-2020 15:05 przez SP9LVZ.)
27-03-2020 10:59
Odwiedź stronę użytkownika Znajdź wszystkie posty użytkownika Odpowiedz cytując ten post
SP9FKP Offline
Piotr
*****

Liczba postów: 1,287
Dołączył: 28-06-2009
Post: #8
RE: 6Ж2П jako mieszacz
Mieszacze robi się na pentodach, zresztą jak na każdej innej lampie. Bo problem nie leży w ilości siatek a w tym w jakim punkcie charakterystyki lampa będzie pracowała.. W odróżnieniu od wzmacniacza gdzie charakterystyka amplitudowa powinna być jak najbardziej liniowa, mieszacz odwrotnie wymaga mocno nieliniowej charakterystyki tak by powstało dużo produktów przemiany. To właśnie one cechują "wzmocnienie" przemiany. Jak to osiągnąć? No tu nie ma prostej odpowiedzi. Generalnie należy wprowadzić lampę w dolny, zakrzywiony odcinek pracy, pentody mają wyraźne załamanie. Można to osiągnąć na wiele sposobów (duży rezystor katodowy, obniżone napięcie siatki drugiej, podciągnięty minus na siatce pierwszej lub trzeciej, masz masę kombinacji do wypróbowania). Do wysterowania mieszacza potrzebne są WOLTY, jeśli chcesz to sterować z jakiejś syntezy, zawczasu przygotuj solidny wzmacniacz.
Co do ARW oczywiście z p.cz. Odfiltrowanie składowych akustycznych zawsze stwarza problemy. Sięgnij do dokumentacji starego FT-200, tam jest dobrze działające ARW na jednej triodzie. Tam też możesz podejrzeć porządny mieszacz na ECF82.

Praktykujący teoretyk
27-03-2020 13:32
Znajdź wszystkie posty użytkownika Odpowiedz cytując ten post
SP6FRE Offline
Leszek
****

Liczba postów: 737
Dołączył: 20-09-2009
Post: #9
RE: 6Ж2П jako mieszacz
Witam!

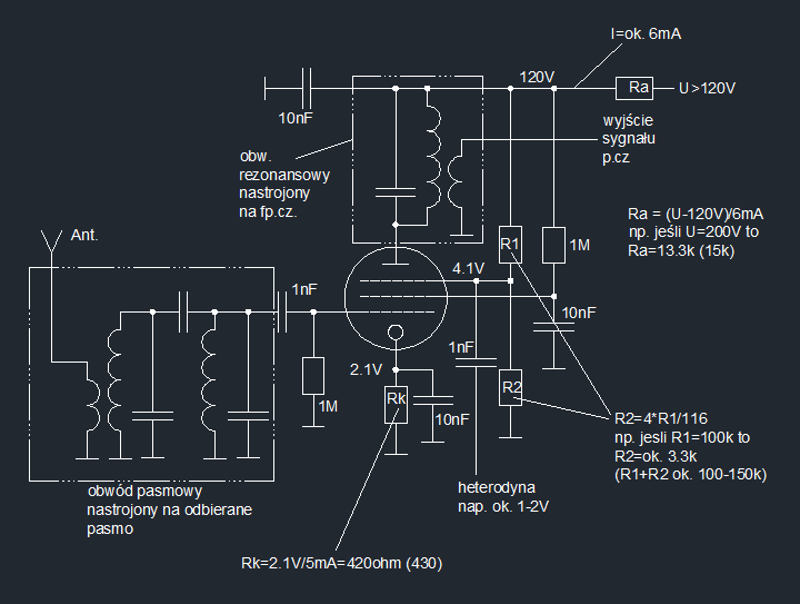
Oto moja propozycja na taki mieszacz.

İmage İmage

Jako, że mamy tylko rodzinę charakterystyk anodowych to proponuje się skupić na punkcie pracy właśnie z prądem anodowym ok. 5mA.
Na charakterystykach zaznaczyłem miejsce gdzie będzie pracować lampa. w szczególności interesująca jest charakterystyka Ua=f(Us3). Wydaje się, że najlepszym punktem pracy dla mieszacza będzie 'kolano' charakterystyki gdzie sprawność mieszania powinna być największa.
Odpowiada to napięciu stałemu na S3 ok. 2V (względem katody). Unikając polaryzacji R1/R2 wystarczy połączyć siatkę 3 z katodą opornikiem R2 ok. 1k - w tej sytuacji lampa pracować będzie w punkcie pracy odpowiadającemu zerowemu napięciu na siatce 3 i przemiana również będzie choć mniej skuteczna. Opornik R2 wyznacza jednocześnie 'oporność' mieszacza dla sygnału heterodyny
Na schemacie podałem jak wyliczyć istotne elementy w tym układzie.

Rk - opornik katodowy powinien zapewniać polaryzację siatki pierwszej o wartości ok. -2.1V (względem katody). Przez ten opornik płynie zadany prąd anodowy (5mA) a więc jego wartość to ok. 430 omów. Napięcie +2V (względem katody) na siatkę 3 można uzyskać z dzielnika R1/R2 - uwzględniając spadek napięcia na oporniku katodowym (efektywnie +4.1V względem masy). Jeśli całość będzie zasilana z napięcia większego niż 160V to należy wstawić opornik redukujący Ra o podanej na rysunku wartości przy założeniu, że będzie przez niego przepływał prąd anodowy + prąd dzielnika R1/R2 - w sumie ok. 6.1mA.

Oczywiście, zarówno obwody wejściowe mogą być bardziej lub mniej rozbudowane, również obwód w anodzie, nastrojony na żądąną pośrednia nie musi mieć dwóch indukcyjności, zamiast małej cewki sprzęgającej można użyć sprzężenia za pomocą pojemności wprost z anody do następnego lampowego stopnia wzmacniacza p.cz.

L.J.
(Ten post był ostatnio modyfikowany: 27-03-2020 14:06 przez SP6FRE.)
27-03-2020 13:43
Odwiedź stronę użytkownika Znajdź wszystkie posty użytkownika Odpowiedz cytując ten post
SP2JQR Offline
Henryk
*****

Liczba postów: 1,528
Dołączył: 23-08-2009
Post: #10
RE: 6Ж2П jako mieszacz
Dlaczego jednak w epoce lampowej powszechnie stosowano do mieszania heptody?
Otóż dodatkowa siatka stanowiła ekran i dawała dodatkową separację heterodyny od obwodów wejściowych podłączonych do siatki pierwszej. Jednocześnie można to było sterować mniejszym sygnałem heterodyny.
Niestety istniała dosyć duża wada lamp z dużą ilością siatek - każda dodatkowa siatka wprowadzała dodatkowe szumy. W celu osiągnięcia przyzwoitej czułości radia był potrzebny dodatkowy wzmacniacz w. cz., który jednak obniżał odporność odbiornika na intermodulację.
Wyczynowe odbiorniki miały ze względu na szumy mieszacze na triodach.
W szczycie rozwoju lamp wymyślono lampy z odchylanym strumieniem bodajże były to lampy 7360. lampy te dawały jednocześnie małe szumy przekładające się na dużą czułość odbiornika bez potrzeby dodatkowego wzmacniacza w.cz. oraz przy tej czułości zachowywały jednocześnie bardzo wysokie IP3 rzędu 30dBm. Mieszczacze na tych lampach pracowaly lepiej niż znane wtedy już pierścieniowe mieszacze diodowe.
Te lampy są jednak dzisiaj nie do zdobycia lub mają kosmiczną cenę.
Proponuję zaprojektować mieszacz na podwójnej triodzie jeśli już musi być lampowy.
Osobiście poszedłbym w hybrydę: dobre współczesne półprzewodnikowe wejście na mieszaczu H o IP3 rzędu 40dBm, stopień obciążający mieszacz na fecie potem filtry kwarcowe za filtrami stopień dopasowujący półprzewodnikowy, reszta czyli p.cz., detektor i m.cz. na lampach plus do tego współczena synteza.
Da to dobre parametry toru odbiorczego a jednocześnie lampowe audio, do którego wielu kolegów tęskni.
27-03-2020 14:16
Znajdź wszystkie posty użytkownika Odpowiedz cytując ten post
Odpowiedz 


Skocz do:


Użytkownicy przeglądający ten wątek: 1 gości