Odpowiedz 
 
Ocena wątku:
  • 1 Głosów - 5 Średnio
  • 1
  • 2
  • 3
  • 4
  • 5
Wzmacniacz lampowy QQE06/40
SP6FRE Offline
Leszek
****

Liczba postów: 737
Dołączył: 20-09-2009
Post: #11
RE: Wzmacniacz lampowy QQE06/40
Witam!

Na początek gratuluję powrotu do rozwiązania "old school", mam nadzieję, że nie będziesz zrażał się nie do końca udanym startem, choć jak mówisz wzmacniacz ruszył więc należy go jedynie dopracować.

To, że nie wszystko działa od razu nie wynika z jakiś potwornych błędów jakie popełniłeś, sam pamiętam różne moje i kolegów potyczki z lampami w czasach kiedy z przyrządów pomiarowych dostępny był woltomierz i amperomierz a w porywach GDO i miernik dobroci cewek.

Dlatego namawiam również innych kolegów aby skupili się bardziej na poradach niż na krytykowaniu a jeśli krytyka to konstruktywna, nie podoba mi się transformator to proponuję to i tamto.

Mając dostęp do bardziej zaawansowanych mierników spróbuj zacząć od dławika antenowego. Uwaga o sprawdzeniu rezonansów jest słuszna, często "dziurawy dławik" może być powodem spadku mocy lub niepożądanych rezonansów. Najprostszą metodą może być założenie na dławik pętelki dołączonej do miernika impedancji (analizator NWT ma taką możliwość). Dławik na czas pomiaru należałoby odłączyć od układu i zewrzeć jego końce lub zewrzeć opornikiem o wartości ok. 1.2k (przybliżona oporność wewnętrzna lampy w tym układzie). Pomierz dławik tak jak jest obecnie zamontowany i po wyjęciu z obudowy. Generalnie należy unikać zbyt bliskiej odległości dławika od innych elementów a u Ciebie akurat dość blisko przebiega ekran. Dla porównania może po prostu usuń ten ekran bo wydaje się, że w jednostopniowym wzmacniaczu nie jest konieczny.

Kolejna sprawa to transformator wejściowy, Jeśli możesz wykonać drugi taki transformator, to po prostu połącz je razem większymi uzwojeniami i sprawdź na analizatorze jak wygląda tłumienie takiego zestawu w paśmie. Zauważalny spadek wzmocnienia (> 3dB) albo istotne tłumienie początkowe będzie sygnałem, że może lepiej pominąć transformator lub zmniejszyć jego przełożenie?

Przy okazji, nie jest do końca prawdziwe, że nie da się przewidzieć wpływu parametrów lampy na jej zachowanie w funkcji częstotliwości. Zakłądając, że prąd siatki ma charakter rzeczywisty i niezależny od częstotliwości można skupić się na pojemności wejściowej lampy, która w tym układzie ma ok. 10pF. Dla porównania w układzie przeciwsobnym ma pojemność ok. 3 razy mniejszą. Niestety, obie lampy połączone równolegle siatkami to już 20pF.

Na rysunku pokazałem jak zmienia się reaktancja wejścia lampy (linia niebieska) i impedancja łącznie z opornikiem 450 omów jaki dałeś na wyjściu transformatora. Jak widać reaktancja lampy spada z 2.5k na 3MHz do nieco poniżej 500omów na 20MHz. W połączeniu z równoległym opornikiem 450 omów (linia czerwona) zmiany są istotnie łagodniejsze ale i tak w analizowanym paśmie oporność spada z ok. 400 do 220 omów co dla napięcia to prawie połowa i zakładając sterowanie napięciowe lampy oznaczać może spadek mocy na wyjściu z grubsza również o połowę. Wszystkie te rozważania dotyczą założenia, że transformator jest idealny, rzeczywisty transformator pewnie pogorszy ten stan - jak go pomierzysz to zobaczysz o ile.

Na koniec dla porządku:
- moc wyjściową 100W można uzyskać w klasie C, dla klasy B znalazłem jedynie informację, że wynosi ona 54W (dla mocy rozproszenia w anodzie 2x18W).
- pomysł z chłodzeniem nie jest zły. Producent zaleca używanie specjalnych klipsów metalowych do podłączenia styku anodowego, właśnie dla poprawy termicznych warunków pracy lampy.
- nie natknąłem się na informacje o wewnętrznych pojemnościach dla siatki drugiej, ma ona specjalną konstrukcję zmniejszającą indukcyjności pasożytnicze. Siatkę drugą należy faktycznie dołączyć do masy przez pojemność odsprzęgającą ale mam nadzieję, że masz to zrobione a jedynie brak tego elementu na schemacie.
- ale za to wyczytałem, że anody mają dodatkowe kondensatory kompensujące poprawiające zachowanie lampy.

Reasumuąc: zmierz dławik i transformator, sprawdź czy ekran nie ma wpływu na parametry dławika a jeśli nie wpływa na pracę wzmacniacza to spróbuj go usunąć.
Jeśli transformator okaże się psuć parametry ze wzrostem częstotliwości spróbuj bez niego lub z mniejszym przełożeniem.
Na razie nie pisałem o pi-filtrze ale jeśli masz odpowiednią ilość odczepów i odpowiedni zakres zmienności kondensatorów - a na to ze zdjecia wygląda to dopasowanie powinno się udać.

L.J.


Załączone pliki Miniatury
İmage
(Ten post był ostatnio modyfikowany: 26-09-2019 8:15 przez SP6FRE.)
25-09-2019 21:40
Odwiedź stronę użytkownika Znajdź wszystkie posty użytkownika Odpowiedz cytując ten post
SQ9MLZ Offline
majk lima zulu
*

Liczba postów: 27
Dołączył: 15-08-2013
Post: #12
RE: Wzmacniacz lampowy QQE06/40
Cześć
Po krótkiej przerwie wróciłem do testów PA. A więc po kolei:
Sprawdziłem dławik. Nie było rezonansów szeregowych w zakresie 1-30 MHz

Transformator wejściowy sprawdzałem w konfiguracji 1:6 uzyskuje wtedy trochę mniejszą moc wyjściową a problem z wyższymi pasmami 21-28 nadal jak był tak jest.
02-01-2020 17:09
Znajdź wszystkie posty użytkownika Odpowiedz cytując ten post
SP1NV Offline
Mietek
**

Liczba postów: 91
Dołączył: 26-07-2009
Post: #13
RE: Wzmacniacz lampowy QQE06/40
Witam moim zdaniem ta końcówka jest za bardzo "upchana ". Nie podoba mi się położenie dławika anodowego L3 . W moich konstrukcjach obudowa była wykonana tak że podstawka była umocowana na płycie aluminiowej -elementy sterujące poniżej podstawki - blok mocy powyżej podstawki . Twój dławik anodowy może powodować jakieś sprzężenie zwrotne ograniczając moc . Pomijając inne aspekty o których koledzy już tu wspomnieli.
03-01-2020 17:34
Znajdź wszystkie posty użytkownika Odpowiedz cytując ten post
SQ9MLZ Offline
majk lima zulu
*

Liczba postów: 27
Dołączył: 15-08-2013
Post: #14
RE: Wzmacniacz lampowy QQE06/40
(03-01-2020 17:34)SP1NV napisał(a):  Witam moim zdaniem ta końcówka jest za bardzo "upchana ". Nie podoba mi się położenie dławika anodowego L3 . W moich konstrukcjach obudowa była wykonana tak że podstawka była umocowana na płycie aluminiowej -elementy sterujące poniżej podstawki - blok mocy powyżej podstawki . Twój dławik anodowy może powodować jakieś sprzężenie zwrotne ograniczając moc . Pomijając inne aspekty o których koledzy już tu wspomnieli.

Cześć,
Jest upchana ale taka właśnie miała być Smile
Z tego właśnie względu dławik anodowy jest umieszczony w takim a nie innym miejscu.
Nie rozumiem w jaki sposób dławik może powodować sprężenie zwrotne(nie ma rezonansu szeregowego), mógłbyś mi wyjaśnić co dokładnie masz na myśli?
04-01-2020 11:29
Znajdź wszystkie posty użytkownika Odpowiedz cytując ten post
SP6FRE Offline
Leszek
****

Liczba postów: 737
Dołączył: 20-09-2009
Post: #15
RE: Wzmacniacz lampowy QQE06/40
Witam!

Ponieważ dławik anodowy "wypada" chyba z grona podejrzanych to proponuję skupić się na wejściu wzmacniacza.

(02-01-2020 17:09)SQ9MLZ napisał(a):  Transformator wejściowy sprawdzałem w konfiguracji 1:6 uzyskuje wtedy trochę mniejszą moc wyjściową a problem z wyższymi pasmami 21-28 nadal jak był tak jest.

Czy możesz opisać jak testowałeś transformator? Proponowałem Ci wykonanie bliźniaka używanego transformatora i połączenie ich od strony większej ilości zwojów. Dobry transformator, mierzony analizatorem, poza niewielkim tłumieniem będzie miał płaską charakterystykę w paśmie pracy.

Jak wygląda dławik L7? Pracuje on bezpośrednio w obwodzie siatki a ponieważ nie pokazałeś ostatecznego schematu, to nie wiadomo czy jest od strony potencjometru polaryzującego odsprzęgnięty do masy za pomocą kondensatora? Jeśli tak, to on ma także bezpośredni wpływ na to co dociera do siatek. Zastosuj zamiast niego zwykły opornik np. 4.7k a jeśli to dławik jest winien wtedy zauważysz to od razu.
Jak jest umieszczony dławik L7 w stosunku do dławika antenowego? Najgorszy przypadek jest wtedy kiedy oba są osiowe, równoległe względem siebie i dość blisko siebie. Jeśli tak jest to spróbuj je oddalić a jeśli mają osie równoległe to zmień położenie L7 aby jego oś była prostopadła do osi dławika antenowego.

Ostatnim podejrzanym może być po prostu sam sygnał wejściowy. Czy sprawdzałeś jak wygląda sygnał źródłowy na wyższych pasmach? Czy ma poziom jak na niższych pasmach po obciążeniu zbliżonym do tego jaki prezentuje lampa?
Dobrym testem w tym przypadku może być pomiar sygnału źródła za transformatorem obciążonym kondensatorem 20pF (lampy) oraz opornikiem 450 omów jak to jest w układzie. Oczywiście należy podczas pomiaru transformator odłączyć od lampy (wystarczy odłączyć C5-1nF). Taki pomiar wymaga oscyloskopu z sondą 1:10 lub detektora szczytowego choć oscyloskop ma tą przewagę, że widać kształt sygnału docierającego do lampy. Możesz ten pomiar powtórzyć także dołączając dławik w obwodzie siatek (przez kondensator 1nF) do wyjścia transformatora - tak jak to jest w schemacie podstawowym.
Oczywiście, ostatnie pomiary powinny odbywać się z wyłączonym zasilaniem wzmacniacza.

L.J.
(Ten post był ostatnio modyfikowany: 04-01-2020 18:54 przez SP6FRE.)
04-01-2020 18:54
Odwiedź stronę użytkownika Znajdź wszystkie posty użytkownika Odpowiedz cytując ten post
SQ9MLZ Offline
majk lima zulu
*

Liczba postów: 27
Dołączył: 15-08-2013
Post: #16
RE: Wzmacniacz lampowy QQE06/40
wejście - tak właśnie zrobię. Spróbuję zrobić trafo wejściowe na kilku różnych rdzeniach które posiadam w różnych konfiguracjach.

Transformatory testowałem za pomocą analizatora minimax. Do Trafo 1:9 podpięty był rezystor 450ohm Do tego samego rdzenia z przełożeniem 1:6 > rezystor 300ohm.
Oba miały płaską charakterystykę w zakresie 3-30 MHz swr < 1.2

Dławik L7 jest osiowy i znajduje się na pcb zasilacza z dala od lampy.

Jako sygnał wejściowy stosuję sygnał z ft817 Smile

Jeszcze się nie dorobiłem oscyloskopu, wszystko w swoim czasie Cool

Nie mam dużego doświadczenia z lampami ale jako winowajcę obstawiam układ wejściowy. Po podłączeniu kondensatora sprzęgającego C5 swr powyżej ~16MHz zaczyna iść w górę ( przy układzie z trafo 1:9 ); przy trafo 1:6 swr też rośnie ale nie tak jak w konfiguracji 1:9; efekt ten ustaje praktycznie przy podłączeniu rezystora 50 ohm zamiast układu wejściowego.
05-01-2020 1:04
Znajdź wszystkie posty użytkownika Odpowiedz cytując ten post
SP6AUO Offline
Andrzej
*****

Liczba postów: 1,051
Dołączył: 20-09-2009
Post: #17
RE: Wzmacniacz lampowy QQE06/40
Przełożenie impedancji 1:9 to np: 1zw/3zw.
Tak z ciekawości,jak nawinąć 1:6 ?

Andrzej
05-01-2020 7:40
Znajdź wszystkie posty użytkownika Odpowiedz cytując ten post
SP6FRE Offline
Leszek
****

Liczba postów: 737
Dołączył: 20-09-2009
Post: #18
RE: Wzmacniacz lampowy QQE06/40
Witam!

Spróbuj zastosować transformator o przekładni impedancji 4 czyli n1/n2=1/2. Patrząc na pokazany wyżej wykres impedancji układu wejścia lampy wydaje się, że dla wyrównania charakterystyki dla wyższych częstotliwości bardziej korzystne będzie dopasowanie "od góry" - właśnie do impedancji ok. 250 omów. Inna sprawa, że tak wyrównana charakterystyka da być może równomierną moc w całym zakresie ale zarazem mniejszą niż masz dotychczas na dolnych pasmach. Wtedy musisz zdecydować na czym Ci bardziej zależy, na równomierności czy na mocy.

(05-01-2020 1:04)SQ9MLZ napisał(a):  Po podłączeniu kondensatora sprzęgającego C5 swr powyżej ~16MHz zaczyna iść w górę ( przy układzie z trafo 1:9 ); przy trafo 1:6 swr też rośnie ale nie tak jak w konfiguracji 1:9; efekt ten ustaje praktycznie przy podłączeniu rezystora 50 ohm zamiast układu wejściowego.

Sprawdź proszę jak zachowuje się SWR przy dołączeniu C5 ale po odłączeniu L7. Nie pisałeś nic o próbie zastąpienia L7 opornikiem?

Jeszcze jedna podstawowa sprawa, czy Twój FT817 ma jednorodną moc na wszystkich pasmach? Jak masz, to użyj miernika mocy a jeśli nie masz takiego to zastosuj pomiar napięcia szczytowego:

İmage

Dla kilku W mocy sterującej możesz użyć układu wprost stosując dowolną diodę detekcyjną DG, 1N4148 lub BAT dołączoną wprost do obciążenia 50 omów na wyjściu FT. Jako C użyj kondensatora np. 1uF z równoległym opornikiem 100k oraz jako wskaźnika woltomierza napięcia stałego na zakresie 2-30V.
Zakładając, że napięcie przebicia diody jest co najmniej 30V możesz tą metodą mierzyć moc do ok. 10W. Dla większych mocy trzeba użyć dodatkowego dzielnika napięcia (np. dzielnik 2k/1k zwiększy zakres pomiarów ok. 10 krotnie a więc do ok. 100W).
Miernik napięcia szczytowego Umx mierzy amplitudę sygnału a pomiar mocy stąd wnioskowany opiera się na założeniu, że sygnał jest sinusoidalny. Dla tych założeń moc sygnału to oczywiście Umx^2/2/R (tu R to 50 omów).
Jeśli sygnał sterujący spada z częstotliwością to nie ma czego czepiać się wzmacniacza.
Jeśli FT817 ma dodatkowo regulację ALC to być może ona zmniejsza wysterowanie na wyższych częstotliwościach kiedy SWR rośnie do nieakceptowalnego poziomu? Ten efekt możesz również zbadać za pomocą detektora szczytowego zapinając go na wyjście transformatora.

I na koniec mała prośba o aktualny schemat, pytanie o kondensatory odsprzęgające w kilku miejscach ciągle wisi w powietrzu ;-)

L.J.
(Ten post był ostatnio modyfikowany: 05-01-2020 11:19 przez SP6FRE.)
05-01-2020 11:19
Odwiedź stronę użytkownika Znajdź wszystkie posty użytkownika Odpowiedz cytując ten post
SQ9MLZ Offline
majk lima zulu
*

Liczba postów: 27
Dołączył: 15-08-2013
Post: #19
RE: Wzmacniacz lampowy QQE06/40
@SP6AUO
1:6 bardzo łątwo znaleźć w wyszukiwarce. Polecam stronę PA0FRI:
https://pa0fri.home.xs4all.nl/Ant/Baluns/baluns.htm

@SP6FRE
Można przyjąć, że 817 ma praktycznie jednakową moc na pasmach, różnica jest bardzo mała. Mierzyłem miernikiem NISSEI TX502.
Reszta punktów włącznie ze schematem odpowiem niebawem.
05-01-2020 22:51
Znajdź wszystkie posty użytkownika Odpowiedz cytując ten post
SQ9MLZ Offline
majk lima zulu
*

Liczba postów: 27
Dołączył: 15-08-2013
Post: #20
RE: Wzmacniacz lampowy QQE06/40
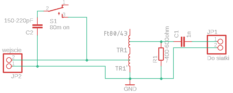
Po przerwie pora na update,
Układ dopasowania wejścia zmieniłem na autotransformator nawinięty na rdzeniu z materiału 43.
Nawinąłem 12 zwojów drutem 0.75; sygnał wejściowy podawany jest na drugim zwoju. Następnie co jeden zwój robiłem odczepy i sprawdzałem analizatorem jak wygląda dopasowanie. Uzyskałem dopasowanie na 4-6 odczepie. W przypadku pasma 80m zastosowałem dodatkowy kondensator na wejściu, który polepszał dopasowanie.
Gdy kondensator jest odłączony pracują pasma 40-17m.
Wyższe pasma póki co nie pracują.



İmage

İmage

Schemat dopasowania wejścia:
İmage
14-03-2021 12:23
Znajdź wszystkie posty użytkownika Odpowiedz cytując ten post
Odpowiedz 


Skocz do:


Użytkownicy przeglądający ten wątek: 8 gości