Odpowiedz 
 
Ocena wątku:
  • 1 Głosów - 5 Średnio
  • 1
  • 2
  • 3
  • 4
  • 5
Pomiar dobroci obwodu rezonansowego
SP9FKP Offline
Piotr
*****

Liczba postów: 1,287
Dołączył: 28-06-2009
Post: #31
RE: Pomiar dobroci obwodu rezonansowego
Kropka nad i...
Dotarłem do "Experimental Methods in RF Design" W7ZOI, KK7B i W7PUA. A oto obszerny cytat z tego znakomitego dzieła:

.zip  Pomiar Q.zip (Rozmiar: 2.53 MB / Pobrań: 2093)
(Ten post był ostatnio modyfikowany: 14-03-2010 10:54 przez SP9FKP.)
14-03-2010 10:53
Znajdź wszystkie posty użytkownika Odpowiedz cytując ten post
SQ4AVS Offline
Rafał
*****

Liczba postów: 1,421
Dołączył: 29-01-2010
Post: #32
RE: Pomiar dobroci obwodu rezonansowego
A widzisz Adamie miałeś od razu pomysł najlepszy z tym słabym sprzężeniem obwodu równoległego Blush
14-03-2010 12:50
Odwiedź stronę użytkownika Znajdź wszystkie posty użytkownika Odpowiedz cytując ten post
SP6FRE Offline
Leszek
****

Liczba postów: 737
Dołączył: 20-09-2009
Post: #33
RE: Pomiar dobroci obwodu rezonansowego
W związku z kolejnym etapem budowy miernika NA01
NA01
chciałbym ponownie wrócić do tematu.
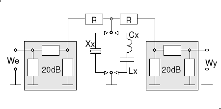
Eksperymentując z kilkoma metodami pomiaru dobroci obwodów doszedłem do wniosku, że najbardziej skuteczną metodą w procedurze automatycznej będzie metoda z użyciem tłumików 20dB oraz pomiarem częstotliwości szeregowego obwodu rezonansowego, tym bardziej, że nadaje się ona również do pomiaru częstotliwości rezonansowej (w tym rezonatorów kwarcowych) a także do pomiaru indukcyjności przy znanej pojemności i pojemności przy znanej indukcyjności.
Niestety, metoda ta pokazana na rysunku ma wadę. O ile przy pomiarze rezonatorów kwarcowych mających bardzo dużą dobroć nie ma to znaczenia o tyle przy pomiarze "zwykłych" obwodów wydaje się istotne.
Jak widać na schemacie pomiarowym, badany układ rezonansowy (także rezonator kwarcowy) włącza się pomiędzy dwa tłumiki o wartości 20dB i impedancji 50 omów. Przy odpowiednim doborze zakresu częstotliwości pomiarowych można uzyskać z łatwością wykresy jak na zdjęciach, dla których system automatycznie wylicza dobroć oraz częstotliwość rezonansu. Niestety, wyliczona dobroć zależy silnie od użytych rezystorów R i tak dla rezystancji R=150 omów dobroć obwodu to 68 a przy R=38 omów dobroć ma wartość 93. Zapewne istnieje sposób aby matematycznie uwzględnić wartości użytych oporników w wyliczeniu rzeczywistej wartości dobroci obwodu nieobciążonego. Niestety, nie udało mi się na razie trafić na odpowiedni kawałek teorii, który mógłby mnie tu wspomóc :-( . Jeśli więc ktoś czuje się na siłach sam udzielić takiej rady lub może wskazać ślad gdzie można znaleźć odpowiednie sugestie to będę wdzięczny. Wprawdzie decydując się na jakąś konkretna wartość R mógłbym założyć, że interesuje mnie czy dobroć jest większa czy mniejsza ale może uda się problem rozwiązać do końca jeszcze na etapie programowania tej funkcjonalności.
Zastosowanie tłumików 20dB oraz oporników R pozwala "znieczulić" układ pomiarowy co paradoksalnie poprawia warunki pomiaru dobroci. Próby ze słabym sprzężeniem za pomocą pojemności dają, przynajmniej u mnie, gorsze wyniki, szczególnie dla pomiaru automatycznego a poza tym ten sposób silnie zależy od częstotliwości.
Dodatkowym efektem przy pomiarze dobroci jest pomiar częstotliwości rezonansu oraz pojemności przy znanej indukcyjności lub pomiar indukcyjności przy znanej pojemności. Widoczne na zdjęciach wartości Lx oraz Cx to właśnie wyliczone wartości komplementarne dla przyjętych wartości referencyjnych Lr i Cr. Dla przykładu, widoczny na zdjęciu obwód rezonansowy zbudowany jest z nieznanej cewki oraz kondensatora referencyjnego Cr=100pF. Dla tej wartości pojemności system określił indukcyjność na Lx=4.3uH. Podobnie zakładając, że indukcyjność referencyjna ma wartość 10uH system wylicza pojemność na Cx=43pF. Oczywiście wartości referencyjne Lr i Cr można ustawić przed pomiarem.
Na kolejnych zdjęciach pokazuję schemat układu pomiarowego, pomiar rezonatora kwarcowego 8MHz oraz pomiar obwodu LC raz z opornikiem R=150 oraz na kolejnym zdjęciu z R=38 omów.
L.J.


Załączone pliki Miniatury
İmage İmage İmage İmage
(Ten post był ostatnio modyfikowany: 11-07-2011 22:36 przez SP6FRE.)
11-07-2011 22:35
Odwiedź stronę użytkownika Znajdź wszystkie posty użytkownika Odpowiedz cytując ten post
SQ9JXT Offline
Tomek
****

Liczba postów: 493
Dołączył: 05-04-2011
Post: #34
RE: Pomiar dobroci obwodu rezonansowego
Tu jeszcze znalazłem dziesiątki linków do mierników cewek czy kondensatorów LC. Może ktoś z Kolegów wykorzysta Smile

http://py2wm.qsl.br/LC_meter/LC_meter-e.html
13-07-2011 20:32
Znajdź wszystkie posty użytkownika Odpowiedz cytując ten post
SP6FRE Offline
Leszek
****

Liczba postów: 737
Dołączył: 20-09-2009
Post: #35
RE: Pomiar dobroci obwodu rezonansowego
Wprawdzie nie znalazłem wytłumaczenia teoretycznego ale sprawdziłem empirycznie jak oporność wtrącona R wpływa na pomiar dobroci obwodu.
Otóż zależność ta dla cewki o przeciętnej dobroci, takiej jak na poprzednich zdjęciach wynosi:
R=0 Q=95
R=10 Q=95
R=20 Q=95
R=51 Q=95
R=100 Q=95
R=150 Q=79
R=220 Q=47
R=510 Q=10
Jednocześnie w każdym przypadku pomiar indukcyjności wskazywał tą samą wartość a częstotliwość środkowa nie różniła się o więcej niż kilka kHz (ok. 0.1%).
Wydaje się więc, że nie ma się czym przejmować i zastosuję szeregowe oporniki o wartości R=51 omów co pozwoli na zwiększenie dynamiki (czyli dokładności pomiaru). Dla opornika o wartości zerowej dołek rezonansu znajduje się na poziomie -16dB wobec pełnej dynamiki na ekranie 44 dB. Dla opornika 51 omów dynamika wprawdzie wynosi tylko 36dB ale dołek ma wartość -23dB co pokazuję na załączonych zdjęciach. Oczywiście dokładniej można pomierzyć parametry kiedy dołek rezonansu jest bardziej wyraźny względem dostepnej dynamiki .
Dobór opornika R dla obwodów o większej dobroci jest mniej krytyczny natomiast może mieć większy wpływ dla obwodów o małej dobroci choć wydaje się, że pomiar z opornikiem 51 omów ma jeszcze pewien "zapas" pomiarowy.
Dziękuję przy okazji za link do miernika LC. Pomysł jest znakomity i znalazł, jak widać, wielu naśladowców. Sam się noszę z zamiarem wykonania własnej wersji tego miernika w przyszłości. Niestety, taki miernik nie pomaga w pomiarze dobroci :-(
L.J.


Załączone pliki Miniatury
İmage İmage
13-07-2011 22:59
Odwiedź stronę użytkownika Znajdź wszystkie posty użytkownika Odpowiedz cytując ten post
SP3GO Offline
Rafał
***

Liczba postów: 182
Dołączył: 15-04-2015
Post: #36
RE: Pomiar dobroci obwodu rezonansowego
Witajcie!

To mój pierwszy post na tym forum, ale z zamiłowania jestem radioamatorem konstruktorem i ciągle się uczę tego hobby, więc pewnie będę tutaj zaglądał regularnie :-)

Wątek pomiaru dobroci cewek i obwodów rezonansowych jest już dość stary, ale może ktoś jeszcze przeczyta mojego posta ;-)

Od paru dni też usilnie przymierzałem się do pomiaru dobroci cewek i obwodów rezonansowych. Podczas swoich eksperymentów nauczyłem się jednej rzeczy, do której dotarłem dopiero po pewnym czasie, a która tu na forum była również jakby zapomniana/pominięta. Otóż dobroć cewki/obwodu zależy silnie od częstotliwości!
Zatem nie ma za bardzo sensu podawać zmierzonych wartości dobroci w rodzaju: "dławik 1uH - 50; cewka powietrzna 2uH - 120", bo bez podania częstotliwości, na której element był sprawdzany, to mniej więcej tak, jak podanie impedancji wejściowej anteny bez podania pasma, której ta wartość dotyczy :-)
Ta sama cewka/obwód może mieć Q=50 dla f=3MHz, ale już Q=150 dla np. f=7MHz.

Ostatecznie do pomiaru Q udało mi się zastosować prosty układ, który jest wykorzystywany w różnego rodzaju miernikach dobroci.
Całość polega na podaniu sygnału w.cz. źródłem o znikomej impedancji do obwodu szeregowego (rezonans napięć) złożonego z kondensatora strojeniowego o wysokiej dobroci i badanej cewki oraz na bezpośrednim pomiarze napięcia na kondensatorze w rezonansie i przy odstrojeniu do -3dB.
Układ wygląda jak na załączniku.

İmage

Kluczem jest tutaj transformator, który ma duże przełożenie rzędu 50:1, a więc nawet wysoka (np. 1k omów) impedancja wyjściowa generatora jest transformowana na 2500 raza mniejszą. Zastosowałem rdzeń pierścieniowy FT50-43 (AL=523), 50 zwojów jako pierwotne (równomiernie na całym obwodzie rdzenia) i jeden zwój jako wtórne. Wtórne to właściwie króciutki przewód przełożony przez środek rdzenia, z jednej podłączony do masy, a z drugiej do badanej cewki.
Kondensator strojeniowy powietrzny z dwiema sekcjami ~250pF połączonymi równolegle.

To co istotne dla mnie to to, że generator może mieć dowolną (nieznaną nawet) impedancję wyjściową, a w dodatku do pomiaru nie jest potrzebny analizator NWT (którego nie posiadam), a wystarczy zwykły oscyloskop :-)

Pomiar wykonuję następująco:

1. Podłączam badaną cewkę i sondę oscyloskopu do zacisków kondensatora strojeniowego.
2. Generator ustawiam na żądaną częstotliwość, dla której interesuje mnie dobroć cewki. Notuję częstotliwość jako f0.
3. Kondensatorem strojeniowym ustawiam rezonans obwodu na max napięcia na zaciskach kondensatora
4. Notuję pomierzone napięcie (dla prostoty będzie to napięcie w Vp-p podawane mi bezpośrednio przez oscyloskop) np. 2Vpp
5. Obliczam napięcie (znów Vpp) potrzebne do rozstrojenia -3dB mnożąc zanotowane wcześniej napięcie przez 0.707, czyli w przykładzie 2Vpp*0.707 = 1.414Vpp
6. Zmieniam precyzyjnie częstotliwość generatora poniżej rezonansowej, aż do osiągnięcia napięcia 1.414Vpp (według przykładu powyżej) na oscyloskopie i notuję częstotliwość jako f1.
7. Zmieniam precyzyjnie częstotliwość generatora powyżej rezonansowej, aż do osiągnięcia napięcia 1.414Vpp (według przykładu powyżej) na oscyloskopie i notuję częstotliwość jako f2.
8. Obliczam dobroć obwodu jako:
Q = f0/(f2-f1)
pamiętając, że ta dobroć obowiązuje w okolicach częstotliwości f0.

Zakładając dużą dobroć kondensatora strojeniowego powietrznego, mogę przyjąć, że zmierzona/obliczona właśnie dobroć jest bliska dobroci cewki dla tej częstotliwości.

Czy któryś z Kolegów widzi jakiś problem w tej metodzie pomiaru i ewentualnie mógłby mi wytknąć błędy w moim rozumowaniu? (w sposób możliwie mało bolesny ;-)

Tak jak pisałem wcześniej - ciągle się uczę tego hobby, więc proszę o wyrozumiałość :-)

Jeśli wszystko wydaje się być OK, to dziś przeprowadzę szereg pomiarów dla różnych cewek i różnych częstotliwości, aby zobaczyć takie ogólne zestawienie w postaci wykresu...

Pozdrawiam,
Rafał SP3GO
22-04-2015 9:50
Znajdź wszystkie posty użytkownika Odpowiedz cytując ten post
SQ9RFC Offline
Jerzy
*****

Liczba postów: 1,193
Dołączył: 02-07-2010
Post: #37
RE: Pomiar dobroci obwodu rezonansowego
Wygląda rozsądnie, ale proponuję jednak za mniej niż stówkę zrobić NWT. Będziesz miał wszystko pięknie wyświetlone i policzone na ekranie komputera. NWT sam mierzy dobroć.

73 JERZY SQ9RFC
22-04-2015 11:45
Znajdź wszystkie posty użytkownika Odpowiedz cytując ten post
SQ5KVS Offline
Karol
*****

Liczba postów: 1,013
Dołączył: 26-09-2012
Post: #38
RE: Pomiar dobroci obwodu rezonansowego
Ano, wystarczy kliknąć "3db Q" i wypisuje na ekranie.
Ale ja chciałem pochwalić za upór w dążeniu do prawdy. Żeby zrozumieć trzeba pogłówkować, a potem to już z górki Big GrinD
W kartach katalogowych dławików jest czasem napisane dla jakiej częstotliwości jest to "Q".
Dodatkowo, twój generator na schemacie oznaczony jako "osc" może Ci coś wnosić do obwodu. Jego impedancja "zwiera" kondensator, im jest mniejsza tym wypadkowa dobroć kondensatora+źródła jest gorsza.

İmage
Tutaj jest akurat odwrotnie niż u Ciebie, ale zasada jest podobna.
(Ten post był ostatnio modyfikowany: 22-04-2015 12:01 przez SQ5KVS.)
22-04-2015 12:00
Znajdź wszystkie posty użytkownika Odpowiedz cytując ten post
SP3GO Offline
Rafał
***

Liczba postów: 182
Dołączył: 15-04-2015
Post: #39
RE: Pomiar dobroci obwodu rezonansowego
(22-04-2015 12:00)SQ5KVS napisał(a):  Dodatkowo, twój generator na schemacie oznaczony jako "osc" może Ci coś wnosić do obwodu. Jego impedancja "zwiera" kondensator, im jest mniejsza tym wypadkowa dobroć kondensatora+źródła jest gorsza.

Przepraszam za może mało czytelny mój schemat, ale był robiony w pośpiechu ;-)
Oczywiście na moim schemacie "OSC." to oznaczenie oscyloskopu (aby było wiadomo gdzie przyłożyć sondy :-)
A generator jest oczywiście pierwszy po lewej stronie - odizolowany od reszty transformatorem o dużym przełożeniu...

Pozdrawiam,
Rafał SP3GO
22-04-2015 12:04
Znajdź wszystkie posty użytkownika Odpowiedz cytując ten post
SQ5KVS Offline
Karol
*****

Liczba postów: 1,013
Dołączył: 26-09-2012
Post: #40
RE: Pomiar dobroci obwodu rezonansowego
Ok, ja pomyślałem (też na szybko) że to oscylator Big Grin
22-04-2015 12:10
Znajdź wszystkie posty użytkownika Odpowiedz cytując ten post
Odpowiedz 


Skocz do:


Użytkownicy przeglądający ten wątek: 1 gości