Odpowiedz 
 
Ocena wątku:
  • 1 Głosów - 5 Średnio
  • 1
  • 2
  • 3
  • 4
  • 5
VFO zamiast VXO
SQ8NZD Offline
Adrian
*****

Liczba postów: 859
Dołączył: 11-02-2011
Post: #1
VFO zamiast VXO
Witam

W konstrukcji tej wykorzystano przestrajanie oparte o rezonator 4.91 MHz z BB112...

Ja chciałbym zrobić VFO na diodach BB105 i obwodzie LC, ale chciałem się dopytać co jest do usunięcia ze schematu a co dodać. Nie chcę "wylać dziecka z kąpielą".

Mam zamówić w AVT części do niego i zwlekam z powodu tego nieszczęsnego układu do przestrajania częstotliwości tegoż układu.

Proszę o pomoc. Smile

PS. Pewnie zachodzicie w głowę.... po co robię te transceivery ?? Otóż by mieć satysfakcję z tego, że coś co powołałem do życia działa. A robienie łączności na takim sprzęcie to istna poezja. Big Grin


Załączone pliki Miniatury
İmage

https://sites.google.com/view/sq8nzd - Moja strona web.
(Ten post był ostatnio modyfikowany: 04-11-2017 13:54 przez SQ8NZD.)
04-11-2017 13:54
Znajdź wszystkie posty użytkownika Odpowiedz cytując ten post
SP4LVC Offline
Bogdan sk
*****

Liczba postów: 761
Dołączył: 10-07-2009
Post: #2
RE: VFO zamiast VXO
Wrzuć w Google hasło ,,generator przestrajany Seilera". Myślę, że obrazki schematów pozwolą Ci zdecydować się na jakiś układ.

Bogdan
05-11-2017 1:45
Znajdź wszystkie posty użytkownika Odpowiedz cytując ten post
SP7EZG Offline
Artur
***

Liczba postów: 198
Dołączył: 06-12-2015
Post: #3
RE: VFO zamiast VXO
Adrian,

z własnego doświadczenia - tylko Seiler! Zastanów się natomiast, czy aby na pewno chcesz ryzykować stabilnością częstotliwości.

Pozdrawiam, Artur
05-11-2017 11:31
Znajdź wszystkie posty użytkownika Odpowiedz cytując ten post
SQ8NZD Offline
Adrian
*****

Liczba postów: 859
Dołączył: 11-02-2011
Post: #4
RE: VFO zamiast VXO
(05-11-2017 11:31)SP7EZG napisał(a):  Adrian,

z własnego doświadczenia - tylko Seiler! Zastanów się natomiast, czy aby na pewno chcesz ryzykować stabilnością częstotliwości.

Cuś takiego chcę zastosować.


Załączone pliki Miniatury
İmage

https://sites.google.com/view/sq8nzd - Moja strona web.
05-11-2017 13:59
Znajdź wszystkie posty użytkownika Odpowiedz cytując ten post
SPO3O2OL Offline
_._. _ _._
****

Liczba postów: 330
Dołączył: 07-01-2017
Post: #5
RE: VFO zamiast VXO
4U Smile

İmage

Wojc!o
05-11-2017 15:13
Znajdź wszystkie posty użytkownika Odpowiedz cytując ten post
SQ8NZD Offline
Adrian
*****

Liczba postów: 859
Dołączył: 11-02-2011
Post: #6
RE: VFO zamiast VXO
Oooo Wojtku.... Punktujesz u mnie. Dziękuję. Teraz wszystko jasne. Takie 4U rozwiązują całą sprawę lepiej niż tysiąc słów.

73! Smile

https://sites.google.com/view/sq8nzd - Moja strona web.
(Ten post był ostatnio modyfikowany: 05-11-2017 15:42 przez SQ8NZD.)
05-11-2017 15:41
Znajdź wszystkie posty użytkownika Odpowiedz cytując ten post
SQ8NZD Offline
Adrian
*****

Liczba postów: 859
Dołączył: 11-02-2011
Post: #7
RE: VFO zamiast VXO
(05-11-2017 13:59)SQ8NZD napisał(a):  
(05-11-2017 11:31)SP7EZG napisał(a):  Adrian,

z własnego doświadczenia - tylko Seiler! Zastanów się natomiast, czy aby na pewno chcesz ryzykować stabilnością częstotliwości.

Cuś takiego chcę zastosować.

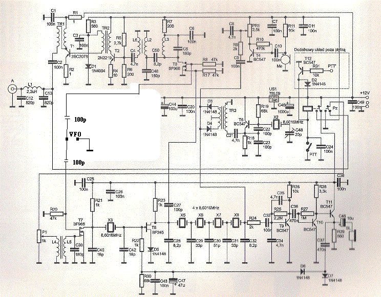
W VFO tym chciałbym zastosować diodę BB105 x2 to potrzebny będzie ten kondensator 0.1uF przy rezystorze 100kom ?



Inna sprawa. Czy można zamienić te rezonatory na kwarce o częstotliowści 10MHz w tym transceiverku ?


Załączone pliki Miniatury
İmage İmage

https://sites.google.com/view/sq8nzd - Moja strona web.
(Ten post był ostatnio modyfikowany: 10-11-2017 12:07 przez SQ8NZD.)
10-11-2017 12:07
Znajdź wszystkie posty użytkownika Odpowiedz cytując ten post
SP7EZG Offline
Artur
***

Liczba postów: 198
Dołączył: 06-12-2015
Post: #8
RE: VFO zamiast VXO
Podejrzyj może pierwszego Kacpra, zobacz jak tam to było robione.
Osobiście poszukuję od kilku dni Seilera na kilka mega, ale trzeba jednak usiąść i przeliczyć, bo wszystko co jest jest niestety na UKF. Swoja drogą chętnie bym się dowiedział jak się liczy taki generator....

Pozdrawiam, Artur
14-11-2017 9:06
Znajdź wszystkie posty użytkownika Odpowiedz cytując ten post
SP5CII Offline
Użytkownik
***

Liczba postów: 196
Dołączył: 14-12-2009
Post: #9
RE: VFO zamiast VXO
dostawić FLL i stabilność kwarcu (FLL) ....uzyskana dobowa stabilność VFO +/- od 20Hz przy stabilnym temperaturowo otoczeniu , przy znacznych zmianach temperatury otoczenia 40Hz/100 Hz (zadbać o stabilność mechaniczną VFO)

(Ten post był ostatnio modyfikowany: 05-11-2018 10:17 przez SP5CII.)
05-11-2018 10:16
Znajdź wszystkie posty użytkownika Odpowiedz cytując ten post
SP4SKP Offline
Nowicjusz
*

Liczba postów: 38
Dołączył: 27-07-2009
Post: #10
RE: VFO zamiast VXO
(14-11-2017 9:06)SP7EZG napisał(a):  Podejrzyj może pierwszego Kacpra, zobacz jak tam to było robione.
Osobiście poszukuję od kilku dni Seilera na kilka mega, ale trzeba jednak usiąść i przeliczyć, bo wszystko co jest jest niestety na UKF. Swoja drogą chętnie bym się dowiedział jak się liczy taki generator....

W załączeniu układ VFO w układzie Seilera zamieszczony w książce Wiktora Chojnackego pt "Układy półprzewodnikowe w urządzeniach krótkofalarskich"


Załączone pliki Miniatury
İmage
(Ten post był ostatnio modyfikowany: 05-11-2018 11:56 przez SP4SKP.)
05-11-2018 11:51
Znajdź wszystkie posty użytkownika Odpowiedz cytując ten post
Odpowiedz 


Skocz do:


Użytkownicy przeglądający ten wątek: 1 gości