Odpowiedz 
 
Ocena wątku:
  • 0 Głosów - 0 Średnio
  • 1
  • 2
  • 3
  • 4
  • 5
Paraset zaczynamy...
SP5RF Offline
Robert
****

Liczba postów: 343
Dołączył: 13-03-2010
Post: #1
Paraset zaczynamy...
Od Pana Dawida (DW radio) dostałem obudowę od Paraseta. Części mam od dawna i dziś odebrałem obudowę o cynkowania na czarno? Nawet nie wiedziałem że coś takiego jest, ale wygląda dobrze. Docelowo pomaluję takim lakierem który wygrzewa się w piekarniku...

Ale do rzeczy. siadam do Paraseta ale zrobię dwa. Jednego starannie, a drugiego też starannie, ale tak jak bym robił w warunkach okupacyjnych. Serio. Obudowa drewniana, z tych części co mam, żadnych ozdobników, zgodnie z zasadami sztuki i tyle. Zobaczymy jak to będzie?
Na foto obudowa po cynkowaniu (- 40 zł) i klimatyczna tekturowa walizeczka na szpeje.... (- 40 zł)


Jeśli macie jakieś uwagi to proszę....

Frycz.


Załączone pliki Miniatury
İmage İmage

Shy SP5RF
03-08-2017 22:50
Znajdź wszystkie posty użytkownika Odpowiedz cytując ten post
SP2AQS Offline


Liczba postów: 1
Dołączył: 29-12-2013
Post: #2
RE: Paraset zaczynamy...
İmage İmage İmage Witam kolego Robercie . Jeżeli chcesz wykonać Paraseta , mogę trochę pomóc (głównie doradztwem ) . Rok temu udało mi się go złożyć i uruchomić . Nie mam jeszcze skrzynki drewnianej . Także wbudowany klucz telegraficzny jest dopracowywany . Myślę , że Paraseta możesz składać spokojnie i "fabrycznie" , bo nie był produkowany w warunkach okupacyjnych lecz w nieokupowanej Wielkiej Brytanii w zakładach w Stanmore . Dla tego też zachowała się dokumentacja i trochę oryginalnych egzemplarzy . Zbieram teraz części do trudniejszego dzieła , czyli radiostacji powstańczych . Te rzeczywiście powstawały pod bombami i przy braku podzespołów . Także dokumentacja i zdjęcia są bardzo skąpe . Pozdrawiam i życzę powodzenia ! Krzysztof SP2AQS
06-08-2017 23:44
Znajdź wszystkie posty użytkownika Odpowiedz cytując ten post
SP5RF Offline
Robert
****

Liczba postów: 343
Dołączył: 13-03-2010
Post: #3
RE: Paraset zaczynamy...
Piękne,Smile

Jedynie co, to zastosował bym wkręty z łbem stożkowym....
Wpuszczone jak na foto

RF.


Załączone pliki Miniatury
İmage

Shy SP5RF
08-08-2017 13:45
Znajdź wszystkie posty użytkownika Odpowiedz cytując ten post
SP5RF Offline
Robert
****

Liczba postów: 343
Dołączył: 13-03-2010
Post: #4
RE: Paraset zaczynamy...
No to zrobiłem skrzyneczki drewniane. Taki amerykaniec twierdzi, że radia w skrzynkach metalowych są mniej czułe a w drewnianych bardziej - tłumienie. Skrzynki trochę większe od oryginalnych ale po to żeby mieć trochę przestrzeni. Zrobię też dokładnie taką jak trzeba ale jak przyjdzie tarcza do piły. Z rozpędu zrobiłem dwie....

Płyta sklejki + listewki+ klej wikol = 70 PLN.

F.


Załączone pliki Miniatury
İmage İmage

.jpg  DSC_6840.JPG (Rozmiar: 796.99 KB / Pobrań: 1519)

Shy SP5RF
(Ten post był ostatnio modyfikowany: 19-09-2017 20:11 przez SP5RF.)
19-09-2017 20:11
Znajdź wszystkie posty użytkownika Odpowiedz cytując ten post
SP3SUZ Offline
Zaawansowany użytkownik
****

Liczba postów: 514
Dołączył: 30-09-2013
Post: #5
RE: Paraset zaczynamy...
Skrzynka skrzynka ale powedzcie kto Wam robi te pokretła ze skalą?? no weź i to kup ...(!) ale wrażenie robi . Odbiornik mi sie tez podoba jak dam rade czasowo to sobie złożę na współczesnych lampach. Sprawdzałem , oryginalne maja nachylenie 2,5 mA /V a np EF89 ok 4,5 5,5 mA/V. Czyli powinno zagrać nawet przy napięciu o 100V niższym. Owszem kiedys w takim starutkim warsztacie w Gorzowie u śp. pana Dmochowskiego widziałem takie lampy jak oryginalne. teraz to juz w sferze marzeń. Pan Dmochowski juz patrzy z góry, a lampy dawno w śmietniku spróbował bym jeszcze na lampach bateryjnych od snody meteo. Mam kilka 2P29P sprawne. Ciekawy jestem... Na bateriach typu żelowego 12V od zasilaczy NMT 450. sześć takich daje 70V zobaczymy.
Amerykaniec twierdzi ze radia w skrzynkach metalowych są gorszego sortu... Niech posłucha odbiornika USP. Nie trzeba innych albo RBM-ki, szczęka opadnie mu do podłogi.
(Ten post był ostatnio modyfikowany: 19-09-2017 23:01 przez SP3SUZ.)
19-09-2017 22:55
Znajdź wszystkie posty użytkownika Odpowiedz cytując ten post
SP5RF Offline
Robert
****

Liczba postów: 343
Dołączył: 13-03-2010
Post: #6
RE: Paraset zaczynamy...
(19-09-2017 22:55)SP3SUZ napisał(a):  /.../
Amerykaniec twierdzi ze radia w skrzynkach metalowych są gorszego sortu... Niech posłucha odbiornika USP. Nie trzeba innych albo RBM-ki, szczęka opadnie mu do podłogi.

To taki typ naukowca, i powiedział coś w rodzaju: Metalowe obudowy wprowadzają pewne tłumienie i pogarszają dobroć cewek (chodziło mu o duże cewki takie jak nadawcza w RBM czy Parasecie) , dlatego ja robię obudowy drewniane.

Może coś w tym jest np RBM ka miała by czułość nie 0,5 ukV tylko 0,46 ukV i moc nie 1,2W tylko 1,35W Z tym że takie radio ( w drewnie) też jest bardziej podatne na zakłócenia.

Jak zrobię Paraseta to porównam pracę w obudowie ze sklejki blaszaną... Lampy metalowe mam ale na początek zastosuję EF80 i EL84 w czarnych kubkach ekranujących...

F.

Pozdr!

Shy SP5RF
(Ten post był ostatnio modyfikowany: 20-09-2017 19:04 przez SP5RF.)
20-09-2017 19:03
Znajdź wszystkie posty użytkownika Odpowiedz cytując ten post
SQ5KVS Offline
Karol
*****

Liczba postów: 1,013
Dołączył: 26-09-2012
Post: #7
RE: Paraset zaczynamy...
Ma to sens. Coś za coś. Metalowa obudowa za to nam wycina trochę zakłócenia co w czasach nadających świetlówek, nadających żarówek, nadających zasilaczy, komórek, routerów i innego badziewia ma pewne znaczenie....
21-09-2017 11:24
Znajdź wszystkie posty użytkownika Odpowiedz cytując ten post
SP5RF Offline
Robert
****

Liczba postów: 343
Dołączył: 13-03-2010
Post: #8
RE: Paraset zaczynamy...
No więc miałem chwilę czasu i zrobiłem kolejną skrzynkę do Paraseta.

https://youtu.be/NLpPZpoWy9U

Tym razem w wymiarze takim jak trzeba, tylko nieco wyższą, ale odrobinę żeby zmieścić tam podręcznik... No i będę mógł porównać jak działa w obudowie metalowej a jak w drewnianej Dodgy

* mam teraz spóźnioną fascynację filmami time-lapse Wink


Załączone pliki
.jpg  DSC_6845.JPG (Rozmiar: 706.28 KB / Pobrań: 1551)

Shy SP5RF
23-09-2017 14:19
Znajdź wszystkie posty użytkownika Odpowiedz cytując ten post
3Z9N Offline
Krzysztof 3Z9N
***

Liczba postów: 119
Dołączył: 30-03-2010
Post: #9
RE: Paraset zaczynamy...
Podziw za to, że chce Ci się tak bawić Wink
Widać, że masz zacięcie stolarza Wink Wink
Za moich czasów takie układy nazywało się 0-V-2
Pozdrawiam

Home made SDR-IF, SDR-IQ, SunSDR2 PRO, Icom IC718, Ant: EFHW 80..10m
(Ten post był ostatnio modyfikowany: 19-05-2018 10:35 przez 3Z9N.)
19-05-2018 10:35
Znajdź wszystkie posty użytkownika Odpowiedz cytując ten post
SQ9RFC Offline
Jerzy
*****

Liczba postów: 1,193
Dołączył: 02-07-2010
Post: #10
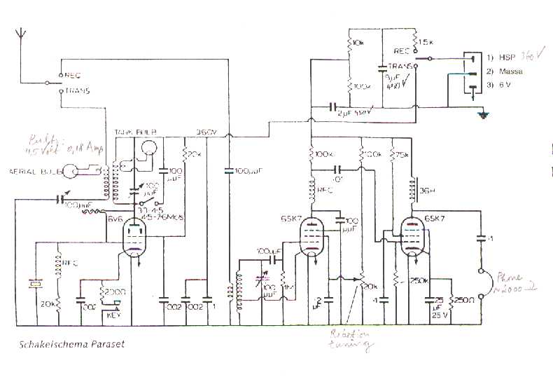
RE: Paraset zaczynamy...
Zasilanie Paraseta to 350V
Podawane jest na to radio kablem z wtyczką męską - raczej niebezpieczne...
Zamiast wpinać słuchawki wysokoomowe w obwód anodowy ostatniej lampy zastosowano wielki dławik i kondensator w szereg ze słuchawkami ... dla bezpieczeństwa operatora ?
Kłuci mi się to ze zdrowym rozsądkiem.
İmage

73 JERZY SQ9RFC
(Ten post był ostatnio modyfikowany: 24-11-2020 3:20 przez SQ9RFC.)
24-11-2020 3:19
Znajdź wszystkie posty użytkownika Odpowiedz cytując ten post
Odpowiedz 


Skocz do:


Użytkownicy przeglądający ten wątek: 1 gości