Odpowiedz 
 
Ocena wątku:
  • 1 Głosów - 5 Średnio
  • 1
  • 2
  • 3
  • 4
  • 5
Transceiver Antek
SQ8NZD Offline
Adrian
*****

Liczba postów: 859
Dołączył: 11-02-2011
Post: #61
RE: Transceiver Antek
(02-02-2019 22:41)SPO3O2OL napisał(a):  Prawdopodobnie będą w RX spursy w okolicach 3.6 i 3.75MHz

Nie rozumiem słowa >spursy< ??

https://sites.google.com/view/sq8nzd - Moja strona web.
02-02-2019 23:11
Znajdź wszystkie posty użytkownika Odpowiedz cytując ten post
SPO3O2OL Offline
_._. _ _._
****

Liczba postów: 330
Dołączył: 07-01-2017
Post: #62
RE: Transceiver Antek
Sygnały niepożądane,ptaszki Smile
W okolicach 3.6MHz nie będzie to raczej przeszkadzać,z tym występującym około 3.75MHz pewnie też się da żyć choć są polskie stacje które pracują na tej częstotliwości i taki Spur(ptaszek)może utrudnić odbiór.

Wojc!o
(Ten post był ostatnio modyfikowany: 02-02-2019 23:22 przez SPO3O2OL.)
02-02-2019 23:15
Znajdź wszystkie posty użytkownika Odpowiedz cytując ten post
SQ8NZD Offline
Adrian
*****

Liczba postów: 859
Dołączył: 11-02-2011
Post: #63
RE: Transceiver Antek
Cześć.

Mam złą wiadomość. Podłączyłem zasilanie do Antka zapominjąc wcześniej podłączyć R12 z R13. Wtedy miernik częstotliwości pokazywał wartość 0. Poprawiłem błąd ale.... Czy to może teraz się "mścić" ? Odbiornik reaguje na podłączenie anteny ale teraz brrrrrr.

Film : https://youtu.be/Kn7JXF0nHLw

https://sites.google.com/view/sq8nzd - Moja strona web.
(Ten post był ostatnio modyfikowany: 05-02-2019 18:51 przez SQ8NZD.)
05-02-2019 18:50
Znajdź wszystkie posty użytkownika Odpowiedz cytując ten post
SP9AWP Offline
Początkujący
**

Liczba postów: 96
Dołączył: 22-10-2015
Post: #64
RE: Transceiver Antek
Z braku takiego połączenia nic nie powinno się uszkodzić.

73 Wojtek
05-02-2019 18:57
Znajdź wszystkie posty użytkownika Odpowiedz cytując ten post
SQ8NZD Offline
Adrian
*****

Liczba postów: 859
Dołączył: 11-02-2011
Post: #65
RE: Transceiver Antek
Może wtórnik emiterowy z Lidia 40, do którego jest podłączona skala cyfrowa jest u mnie zbyt blisko cewki VFO ? Tam jest dłwawik 100uH. Może jakieś inne szkodliwe sprzężenia ??

https://sites.google.com/view/sq8nzd - Moja strona web.
(Ten post był ostatnio modyfikowany: 05-02-2019 20:35 przez SQ8NZD.)
05-02-2019 20:35
Znajdź wszystkie posty użytkownika Odpowiedz cytując ten post
SP6IFN Offline
Ryszard
****

Liczba postów: 463
Dołączył: 23-03-2010
Post: #66
RE: Transceiver Antek
(05-02-2019 20:35)SQ8NZD napisał(a):  Może wtórnik emiterowy z Lidia 40, do którego jest podłączona skala cyfrowa jest u mnie zbyt blisko cewki VFO ? Tam jest dłwawik 100uH. Może jakieś inne szkodliwe sprzężenia ??
To nie jest ToToLoTek, nie zgaduj, zrób próbę. Odłącz zasilanie miernika częstotliwości, wtedy się dowiesz czy to jest przyczyna brumienia.
05-02-2019 21:12
Odwiedź stronę użytkownika Znajdź wszystkie posty użytkownika Odpowiedz cytując ten post
SP9FYS Offline
Zaawansowany użytkownik
****

Liczba postów: 305
Dołączył: 12-12-2009
Post: #67
RE: Transceiver Antek
Przeczytaj post #58.
06-02-2019 22:00
Znajdź wszystkie posty użytkownika Odpowiedz cytując ten post
SP6IFN Offline
Ryszard
****

Liczba postów: 463
Dołączył: 23-03-2010
Post: #68
RE: Transceiver Antek
(06-02-2019 20:46)SQ8NZD napisał(a):  Nic nie daje rady. Jak go pomierzyć ? Jakie powinny być napięcia i jak to poprawić ?

HELP Huh

1# Zacznij od wymiany zasilacza, na dobry, bo ten co go widać na foto jest "taki sobie", a najlepiej uruchamiaj układ na zasilaniu akumulatorowym.
2# Wyłącz oświetlenie z diodami LED.
3# Wyłącz inne "bajery" zasilane z lokalnych przetwornic, jeśli są w pobliżu stołu montażowego.
4# Odłącz antenę.
5# Jeśli dalej występuje BRUM, sprawdź swoje VFO, jeśli jest strojone diodą pojemnościową, to ją zmień na kondensator strojony.
6# Jeśli dalej nic się nie zmieniło, sprawdź co nabroiłeś w montażu.
Bo już dalej nie wiem co Ci radzić.
...................
R!
06-02-2019 23:40
Odwiedź stronę użytkownika Znajdź wszystkie posty użytkownika Odpowiedz cytując ten post
SQ8MVY Offline
Paweł
****

Liczba postów: 724
Dołączył: 30-07-2011
Post: #69
RE: Transceiver Antek
(06-02-2019 23:40)SP6IFN napisał(a):  ....Bo już dalej nie wiem co Ci radzić....
Złożyć układ na normalnym PCB, jak już niejednokrotnie sugerowali inni.

73 Paweł
06-02-2019 23:50
Znajdź wszystkie posty użytkownika Odpowiedz cytując ten post
SQ8NZD Offline
Adrian
*****

Liczba postów: 859
Dołączył: 11-02-2011
Post: #70
RE: Transceiver Antek
Witajcie

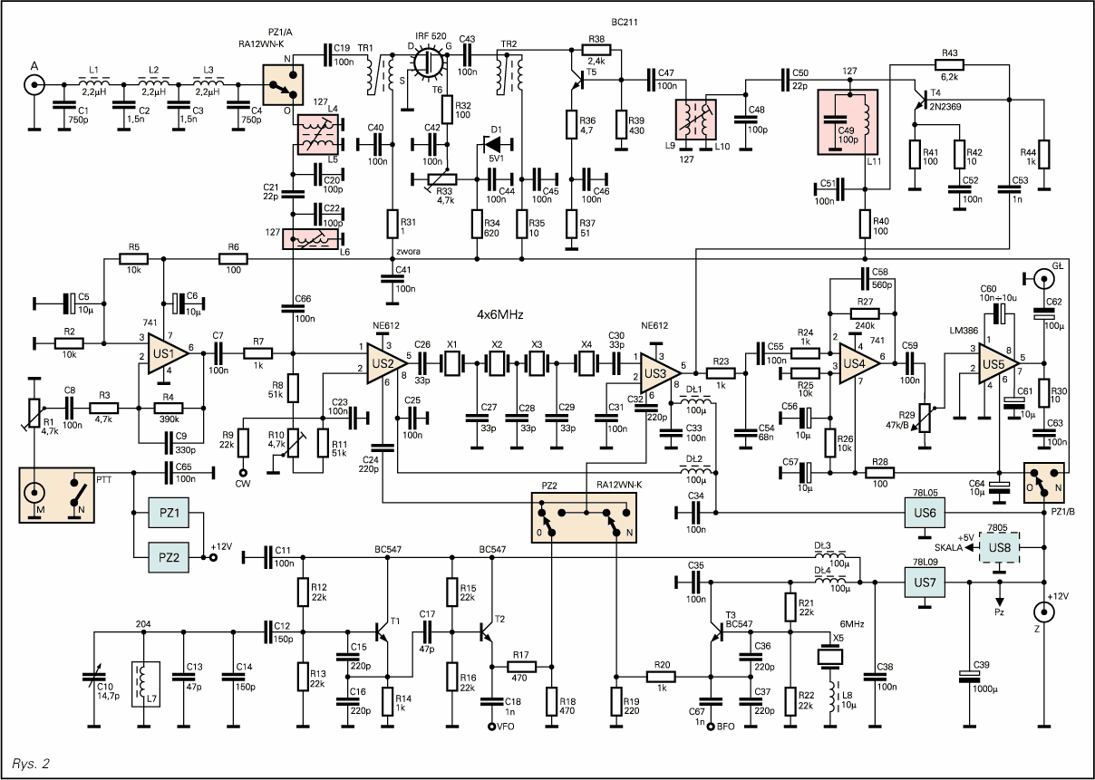
Mam przesterowane audio w Antku. To chyba wina UA741 (US4). Po prostu charczy bardzo głośno.
Jak zmniejszyć wzmocnienie.


Załączone pliki Miniatury
İmage

https://sites.google.com/view/sq8nzd - Moja strona web.
(Ten post był ostatnio modyfikowany: 15-09-2019 17:46 przez SQ8NZD.)
15-09-2019 17:46
Znajdź wszystkie posty użytkownika Odpowiedz cytując ten post
Odpowiedz 


Skocz do:


Użytkownicy przeglądający ten wątek: 1 gości