Odpowiedz 
 
Ocena wątku:
  • 3 Głosów - 3.67 Średnio
  • 1
  • 2
  • 3
  • 4
  • 5
Transceiver DC01
SP6FRE Offline
Leszek
****

Liczba postów: 737
Dołączył: 20-09-2009
Post: #31
RE: Transceiver DC01
Na mojej stronie rozpocząłem opis montażu i uruchomienia transceivera DC01:
http://lx-net.pl/hr/dc01/nkrok.html
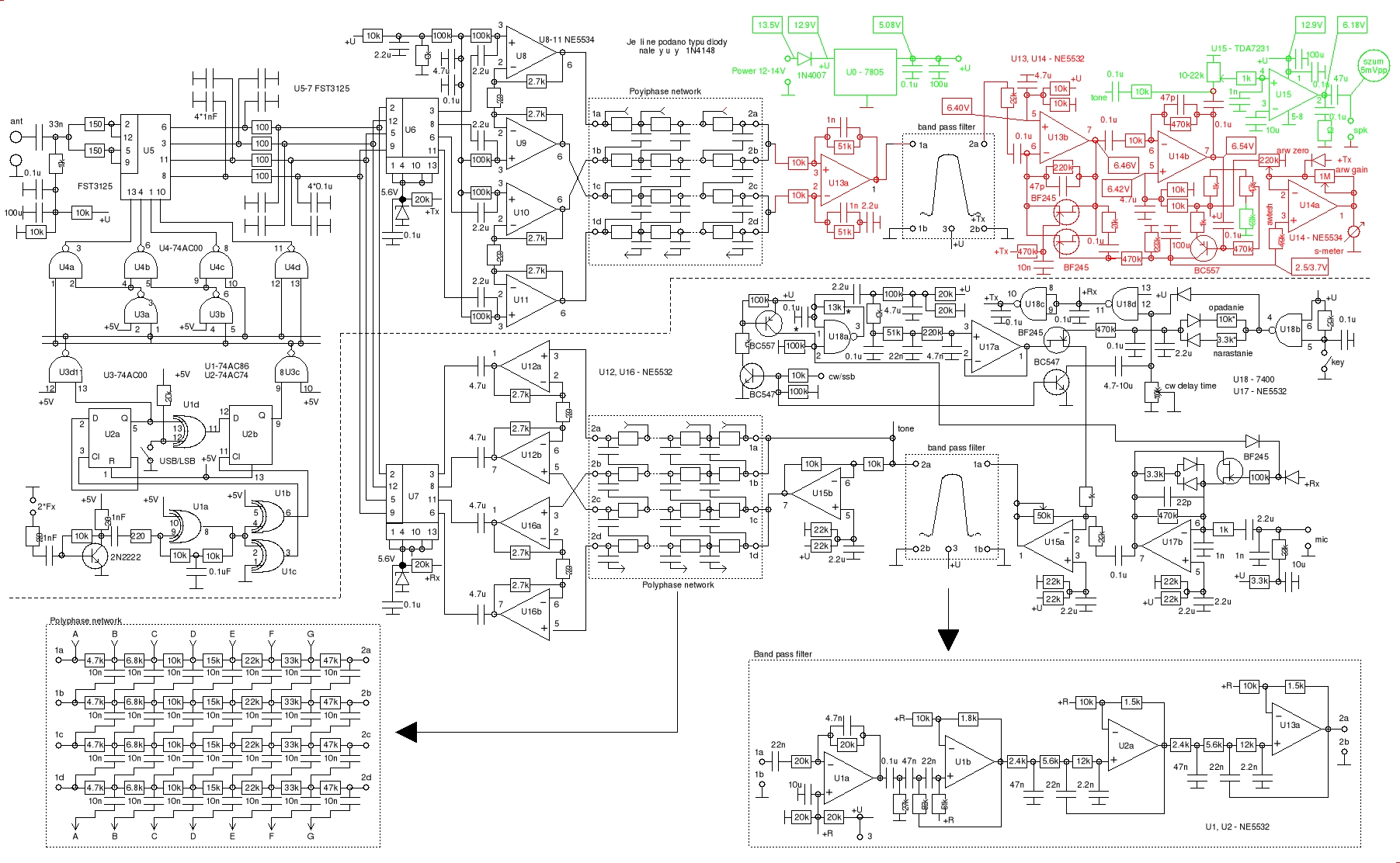
Opis zawiera juz 3 kroki: jak pozyskać płytki drukowane, jak wykonać wzmacniacz końcowy m.cz. oraz jak wykonać i uruchomić przedwzmacniacz m.cz wraz z układem ARW i miernikiem sygnału. Każdy krok zawiera schemat układu z zaznaczeniem elementów do montażu i uruchomienia w omawianym kroku (na czerwono) oraz podukładów już wykonanych (na zielono) w sposób pozwalający na bieżącą kontrolę działania całego urządzenia. Zarówno schemat jak i rysunek montażowy dla bieżącego kroku zamieszczone są w plikach pdf co pozwala na "przybliżenie" opisów ;-) Dla przykładu zamieszczam rysunek schematu doprowadzony do stanu na dziś. Rysunki w formie pdf mają oczywiście lepszą jakość.
L.J.


Załączone pliki Miniatury
İmage
(Ten post był ostatnio modyfikowany: 20-03-2010 16:38 przez SP6FRE.)
20-03-2010 16:36
Odwiedź stronę użytkownika Znajdź wszystkie posty użytkownika Odpowiedz cytując ten post
SP6FRE Offline
Leszek
****

Liczba postów: 737
Dołączył: 20-09-2009
Post: #32
RE: Transceiver DC01
W opisie DC01 zrobiłem kolejny postęp dochodząc do filtra polifazowego. Aktualny stan opisu można sprawdzić na mojej stronie:
http://lx-net.pl/hr/dc01/nkrok.html
Przy tej okazji chciałbym przedstawić teoretyczne wyniki badania filtra polifazowego jaki zrobiłem pod wpływem dysksji na ten temat z Gienkiem sp1bbv. Gienek przetestował w aplikacji do doboru wartości filtra kilka zestawów dla różnych założeń dotyczących górnej i dolnej częstotliwości pracy filtra i uzyskał dla stałej wartości kondensatorów (10nF) wyniki dla rezystancji oczywiście różniące się od wartości nominalnych z szeregu. Powstało pytanie jak dokładnie dobierać poszczególne wartości rezystorów aby wynik był możliwie dobry. Wtedy z kolei ja zrobiłem symulację charakterystyki filtra polifazowego przedstawionego na pierwszym z rysunków. Pierwszy z załączonych wykresów pokazuje charakterystykę nominalną filtr nieco ograniczoną od góry w analizie dla wyraźniejszego pokazania różnic w doborze. Wprawdzie widać tu jedną krzywą, która rozchodzi się dla mniejszych częstotliwości na dwie ale w rzeczywistości są to cztery jednakowe, nakładające się charakterystyki , które poza pasmem pracy dla mniejszcych częstotliwości rozchodzą się na dwie pary charakterystyk (również nachodzących na siebie) dla członów o przesunięciu 0 i 180 stopni oraz 90 i 270 stopni. Druga charakterystyka powstała z symulacji układu filtra gdzie zamiast rezystora 22k wstawiłem człon z rezystorem 27k (różnica 5k czyli ok. 25%). Dla tego przypadku charakterystyka filtra nieco zmieniła kształt ale w dalszym ciągu zachowana została pełna symetria i nakładanie się charakterystyk torów w paśmie pracy. Na trzecim wykresie zasymulowałem sytuację gdzie w członie zamiast rezystorów 22k zastosowałem rezystory różniące się wartościami od 21.8k do 22.2k a więc o nie więcej niż 1%. Tu reakcja jest widoczna "gołym okiem". Tak więc wykonując filtr polifazowy należy dobierać wartości zgodnie z szeregiem (przynajmniej dla członów wewnętrznych filtra) natomiast bardzo dokładnie dobierać wartości dla każdej z czwórek rezystorów i kondensatorów w członie (w pionie). Zaleca się aby rezystory były dobierane nie gorzej niż 1% a kondensatory nie gorzej niż 5%.
L.J.


Załączone pliki Miniatury
İmage İmage İmage İmage
(Ten post był ostatnio modyfikowany: 28-03-2010 21:49 przez SP6FRE.)
28-03-2010 21:48
Odwiedź stronę użytkownika Znajdź wszystkie posty użytkownika Odpowiedz cytując ten post
ORINOCO Offline
Początkujący
**

Liczba postów: 52
Dołączył: 01-01-2011
Post: #33
RE: Transceiver DC01
Mam pytanie jak zamiast dalszej części m.cz. podłączyć do układu TRX DC1 kartę muzyczną komputera? Inaczej jak dopasować wyjścia NE5534 do line in w komputerze? Interesuje mnie gotowe i sprawdzone rozwiązanie. Mógłbym część tego trx-a wykorzystać jako SDR-TRX. Jedyny przykład jaki znalazłem to schemat SofRocka40 ale tam jest fst3126 i inne wzmacniacze operacyjne.
(Ten post był ostatnio modyfikowany: 01-01-2011 21:12 przez ORINOCO.)
01-01-2011 19:09
Znajdź wszystkie posty użytkownika Odpowiedz cytując ten post
SP3IQ Offline
Bogdan
****

Liczba postów: 281
Dołączył: 23-10-2011
Post: #34
RE: Transceiver DC01
(28-03-2010 21:48)SP6FRE napisał(a):  W opisie DC01 zrobiłem kolejny postęp dochodząc do filtra polifazowego. Aktualny stan opisu można sprawdzić na mojej stronie:
http://lx-net.pl/hr/dc01/nkrok.html
L.J.
Witam,
Jestem na HomeMode od tygodnia i zainteresował mnie bardzo projekt Leszka SP6FRE. Na stronie autora zapoznałem się z całością dokumentacji i mam zamiar budować DC01. Zauważyłem, że ten projekt szczególnie nadaje się do powielania z powodu bardzo dobrej dokumentacji, którą zaprezentował Leszek SP6FRE na swej stronie internetowej, w porównaniu na przykład do raczej kiepskich i skąpych informacji o Piligrimie. Jednak od ponad roku w temacie DC01 jest cisza. Dlatego kieruję takie pytania:
a) do wszystkich, czy ktoś już zbudował DC01 i czy mógłby to zrelacjonować,
b) do Leszka SP6FRE: Leszku czy realizujesz lub będziesz realizował swe plany rozwojowe? Nie wiadomo też, z jakiego okresu pochodzą informacje na stronie internetowej: http://lx-net.pl/hr/dc01/nkrok.html , czy są aktualizowane i jeśli są aktualizowane, to kiedy to "z grubsza" miało miejsce.
Właśnie kontaktuję się z ZUF w Poznaniu celem zakupu płytek ale na razie kontakt jest negatywny. Nie ma informacji, czy w ostatnim okresie zaistniały jakieś istotne wydarzenia w sprawie DC01, które należałoby dziś uwzględnić czy zastosować, planując jego budowę.
73 Bogdan SP3IQ.
Witam ponownie,
Byłem dziś w ZUF w Poznaniu, aby zorientować się w kwestii wykonawstwa zestawu płytek do DC01. Cały zestaw (10 sztuk) nadal jest w cenie 100 zł+porto. Jest tylko pewien przejściowy kłopot w kontaktach z ZUF via email, dlatego mogę ewentualnie pomóc w załatwieniu takiego zestawu. Może nawet znalazłoby się kilku chętnych, to w razie czego można oczekiwać na rabat. Gdyby byli chętni proszę info na PW.
73 Bogdan, SP3IQ.
(Ten post był ostatnio modyfikowany: 09-11-2011 23:35 przez SP3IQ.)
08-11-2011 17:43
Znajdź wszystkie posty użytkownika Odpowiedz cytując ten post
SP3IQ Offline
Bogdan
****

Liczba postów: 281
Dołączył: 23-10-2011
Post: #35
RE: Transceiver DC01
Cześć,
Dziś wieczorem nastąpiło pierwsze uruchomienie odbiornika DC-01 z DDS na SI-570. Montowałem od połowy grudnia, ale niestety nie zawsze był czas do montowania, więc w sumie kilka długich i kilka krótszych wieczorów i wreszcie dziś nadszedł moment gdzie mogłem ocenić odbiornik. Ze względu na porę dnia, mogłem odbierać tylko na 30, 40, 80 i 180 metrach. Po pierwszej godzinie zmuszony byłem zamontować "naprędce" SCAF1 (płytki od SP6CDK), która to płytka była kiedyś uruchomiona i czekała na swoją dzisiejszą okazję. Po włączeniu SCAF1 odbiór na DC-01 był ciekawy, tak że można było spokojnie porównywać jakość odbioru z FT-2000. Bardzo fajnie DC-01 radził sobie z pasmem 160 metrów, zarówno na CW i SSB. Próby robiłem na razie z zewnętrznym filtrem pasmowym (od Krzysztofa SP7MTF).
Jeśli ktoś chciałby się zdecydować na montaż DC-01, to mam następujące uwagi:
a) części kupować dopiero po zdobyciu płytki, jest bowiem co najmniej kilka części krytycznych pod względem gabarytów i rastru wyprowadzeń, np. filtr polifazowy montowałem z R i C w obudowach 0603, są też R i C montowane pod podstawkami lub między podstawkami
b) jest kilka "błędów", schemat nie zgadza się z płytką montażową,
c) płytka PCB z ZF Poznań nie posiada metalizowanych otworów, dlatego kolejność montażu jest bardzo ważna, zawsze wpierw należy wykonać wszystkie połączenia ze stroną masy PCB (dotyczy to wszystkich elementów połączonych z masą w tym podstawki układów scalonych),
d) wszystkie rezystory węglowe THT z rastrem wyprowadzeń ok.3.6 mm.
Z pierwszych godzin użytkowania odbiornika widzę następujące wady (wszystkie pozostałe znamiona to zalety !):
a) filtr polifazowy można montować tylko z wykorzystaniem kondensatorów ceramicznych 0603; w trakcie selekcji kondensatorów widać wyraźnie jak niestabilne termicznie są kondensatory ceramiczne. Aby montować z kondensatorów polimerowych lub poliestrowych, to należałoby opracować inną (większą) płytkę,
b) DDS na Si-570 posiada zbyt mały zestaw funkcji, dokuczliwe jest to, że nie pamięta ostatniego QRG po wyłączeniu z zasilania,
c) przydałby się filtr na częstotliwości akustyczne (w tym 50 i 100Hz) na wejściu odbiornika.
Nie wiem też jak usunąć efekt "mikrofonowania", mianowicie pukając delikatnie w różnie elementy lub PCB występuje efekt jakby te elementy działały podobnie jak przetwornik (mikrofon), dotyczy to układów scalonych i niektórych kondensatorów ceramicznych we wcześniejszych stopniach wzmocnienia. Być może po zamontowaniu i usztywnieniu płytek do obudowy ustąpi ten efekt. Może też należałoby zastosować jakieś amortyzatory miniatorowe do mocowania płytki.
Ciąg dalszy nastąpi.
73 Bogdan, SP3IQ.
İmage
24-02-2012 0:26
Znajdź wszystkie posty użytkownika Odpowiedz cytując ten post
SP8GVM Offline
Krzysiek
*

Liczba postów: 40
Dołączył: 26-06-2009
Post: #36
RE: Transceiver DC01
Tak długo to jeszcze nic nie robiłem jak DC-01 hi.Ale czas kończyć lub zacząć od nowa DC.Piligrima zrobiłem do testów na stole w tydzień a rodzimą konstrukcję trzy lata hi .Postaram się poprawić .Ciągnie wilka do lasu.
24-02-2012 22:53
Znajdź wszystkie posty użytkownika Odpowiedz cytując ten post
SP3IQ Offline
Bogdan
****

Liczba postów: 281
Dołączył: 23-10-2011
Post: #37
RE: Transceiver DC01
Cześć,
Montując stronę nadawczą DC01 mam mały problem. Brak na PCB podłączenia dla zasilania układów U12, U15, U16, U17 i U18. Nie jest określony też sposób połączenia na schemacie i w opisie. Wszystkie punkty zasilania w.w. układów są połączone razem (i tu jest chyba OK). Wśród tych układów jest też 7400, więc wnoszę że powinno to być to 5V ale gdzie podłączyć ? Z oddzielnego stabilizatora 7805, czy z istniejącego ? Na stałe, czy tylko w czasie nadawania ? Może ktoś wie ?
73 Bogdan, SP3IQ.

P.S.
Dziś kontaktowałem się z ZF Poznań celem załatwienia zestawu PCB dla kolegi. Dowiedziałem się, że jest jeszcze jeden dodatkowy zestaw płytek już wykonany i gotowy do odbioru. Będę w ZF w poniedziałek. Może ktoś byłby chętny ?
(Ten post był ostatnio modyfikowany: 26-02-2012 7:29 przez SP3IQ.)
26-02-2012 7:29
Znajdź wszystkie posty użytkownika Odpowiedz cytując ten post
SP6FRE Offline
Leszek
****

Liczba postów: 737
Dołączył: 20-09-2009
Post: #38
RE: Transceiver DC01
Mam nadzieję, że nie odpowiadam za późno :-(
Na załączonym rysunku pokazałem jak należy podłączyć zasilanie do układów o jakich piszesz. Wszystkie układy zasilane są z napięcia działającego stale +12V poprzez dwie zwory pokazane na rysunku na czerwono. Ten sposób zasilania wymaga aby układ cyfrowy 4*NAND jaki działa w tej części był typu CMOS a więc jest to nie 7400 ale CD4011. Niezbędne poprawki postaram się niezwłocznie wprowadzić do kolejnego kroku opisu. Niemniej, jeśli będziesz miał kolejne wątpliwości to proszę o kontakt bezpośredni ;-)
Jeśli możesz, to sprawdź skąd pochodzi w największym stopniu efekt mikrofonowania. Nia pamiętam aby coś takiego występowało, przynajmniej w stopniu zauważalnym wprost, w moim modelu. Kolejne moje pytanie dotyczy dodatkowego układu fltra m.cz. Czy zastosowałeś go zamiast filtra jaki jest przewidziany w układzie czy też dodatkowo i w którym miejscy ten filtr działa?
L.J.


Załączone pliki Miniatury
İmage
26-02-2012 21:21
Odwiedź stronę użytkownika Znajdź wszystkie posty użytkownika Odpowiedz cytując ten post
SP3IQ Offline
Bogdan
****

Liczba postów: 281
Dołączył: 23-10-2011
Post: #39
RE: Transceiver DC01
Witam Leszku,
dzięki za wyjaśnienie tej niezgodności sposobu zasilania strony nadawczej. Teraz wszystko jasne. Nie wpadło mnie do głowy, że to może być CD4011, bo widnieje na schemacie opis: U18 – 7400.
Jeśli chodzi o efekt mikrofonowania, to jeszcze nie znalazłem przyczyny, ale oczywiście będę nad tym pracował aby znaleźć przyczynę. Przypuszczam jednak, ze to jakiś mój błąd montażowy.
Odnośnie mojej propozycji filtra wejściowego, to miałem na myśli aby był to filtr górnoprzepustowy, powiedzmy tłumiący tylko częstotliwości akustyczne, powiedzmy poniżej minimum15-20 KHz. Zauważyłem, że przydźwięk sieci 50Hz („brumy”) może pochodzić wprost z anteny. Zauważyłem to w czasie, gdy nie miałem sygnału z DDS, to słyszałem wyraźnie 50 Hz na poziomie S3-S4. W czasie normalnej pracy, na niższych pasmach to nie jest zupełnie zauważalne ale na wyższych pasmach przy dobrej kierunkowej antenie, gdzie poziom szumów jest niski, to brum 50 Hz może być odczuwalny. Nie sądzę aby to był efekt braku ekranowania (mam jeszcze DC01 w czasie testów na biurku), ponieważ po odłączeniu anteny „brum” wyraźnie zmniejsza się prawie do S1-S2.
Dziś dodatkowo zauważyłem, że chyba szybkość pracy ARW nie jest zbyt wysoka. Początek nadawania silniejszego korespondenta (na przykład był sygnał S7 a teraz nadaje silniejsza stacja z sygnałem na poziomie S9+), to pierwsza sylaba jest za głośna.
Na koniec podam, że pisanie o takich czy innych problemach, powoduje zainteresowanie wśród uczestników HomeMode. Od wczoraj notuję wzrost zainteresowanie konstrukcją DC01 (po mailach i PW), tak że jutro wykupię cały zapas płytek (2 komplety) jaki posiada na magazynie firma ZF.
Tak czy owak, testuję odbiór DC01 i jestem wręcz zachwycony jakością odbioru, wiem co piszę, ponieważ do porównania mam FT-2000. Fantastycznie odbieram sygnały CW/SSB nie tylko na niższych pasmach 160 i 80 metrów ale również na 10, 12 metrach. Jak włączyłem płytkę SCAF1, to odbiór jest wręcz super. Nie skorzystałem z Twojego projektu filtru na MAX-7480, bo miałem wcześniej uruchomiony filtr SCAF1, który tylko czekał na swą okazję.
73 Bogdan, SP3IQ.
(Ten post był ostatnio modyfikowany: 26-02-2012 23:02 przez SP3IQ.)
26-02-2012 22:58
Znajdź wszystkie posty użytkownika Odpowiedz cytując ten post
SP6FRE Offline
Leszek
****

Liczba postów: 737
Dołączył: 20-09-2009
Post: #40
RE: Transceiver DC01
Dziękuję za szybką odpowiedź, Postaram się również możliwie szybko uzupełnić opis pozostałej części.
W sprawie brumu mam propozycję abyś spróbował zasilić urządzenie z akumulatora. Z moich doświadczeń wynika, że zasilacz wymaga bardzo dokładnej filtracji. Najlepsze wyniki uzyskiwałem kiedy ostatnim członem zasilacza za stabilizatorem był klasyczny filtr z dławikiem i dwoma kondensatorami po 2-4 tysięcy uF. Oczywiście im większa indukcyjność dławika tym lepiej ale dławik nie może mieć też zbyt dużej oporności aby spadek napięcia nie był za duży. Stosowałem również rozwiązanie kiedy część odbiorcza zasilana była z dodatkowym filtrem a stopnie mocy nadajnika sprzed tego filtra. Dodatkowo, sprawdź czy tranzystor BF245 w pobliżu U13b - ten, do bramki którego prowadzi opornik 470k (+Tx) ma ten opornik dołączony do masy w czasie testowania odbiornika. Tranzystor ten pracuje jako klucz i przy nadawaniu całkowicie blokuje wzmocnienie tego stopnia ale jeśli bramka będzie "wisieć" w powietrzu to może wprowadzać dodatkowe tłumienie ARW lub "łapać" przydźwięk.
Jeśli chodzi o ARW to możesz spróbować zmniejszyć pojemność 20uF w kolektorze BC557 do 10uF zwiększając jednocześnie oporność równoległą 22k do 47k. To powinno podnieść szybkość działania z zachowaniem stałej czasowj układu ARW. Wcześniej jednak proponuję spróbować regulacji ARW za pomocą działającego tam potencjometra 47k i sprawdzenie stanu bramki opisanego wyżej tranzystora.
L.J.
(Ten post był ostatnio modyfikowany: 26-02-2012 23:58 przez SP6FRE.)
26-02-2012 23:51
Odwiedź stronę użytkownika Znajdź wszystkie posty użytkownika Odpowiedz cytując ten post
Odpowiedz 


Skocz do:


Użytkownicy przeglądający ten wątek: 3 gości