Odpowiedz 
 
Ocena wątku:
  • 0 Głosów - 0 Średnio
  • 1
  • 2
  • 3
  • 4
  • 5
Transceiver lampowy
K1963 Offline


Liczba postów: 1
Dołączył: 03-09-2010
Post: #11
RE: Transceiver lampowy
Witam
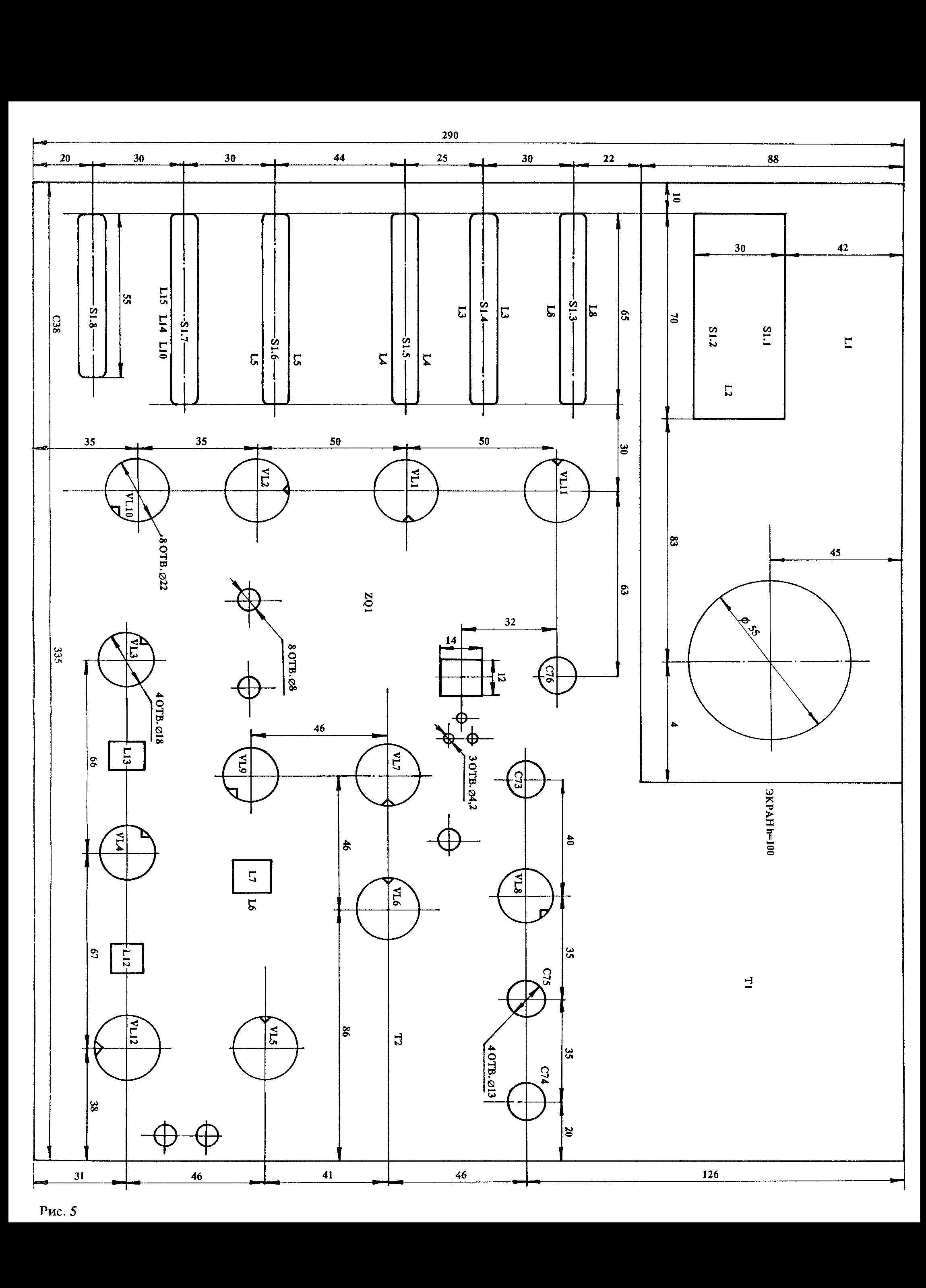
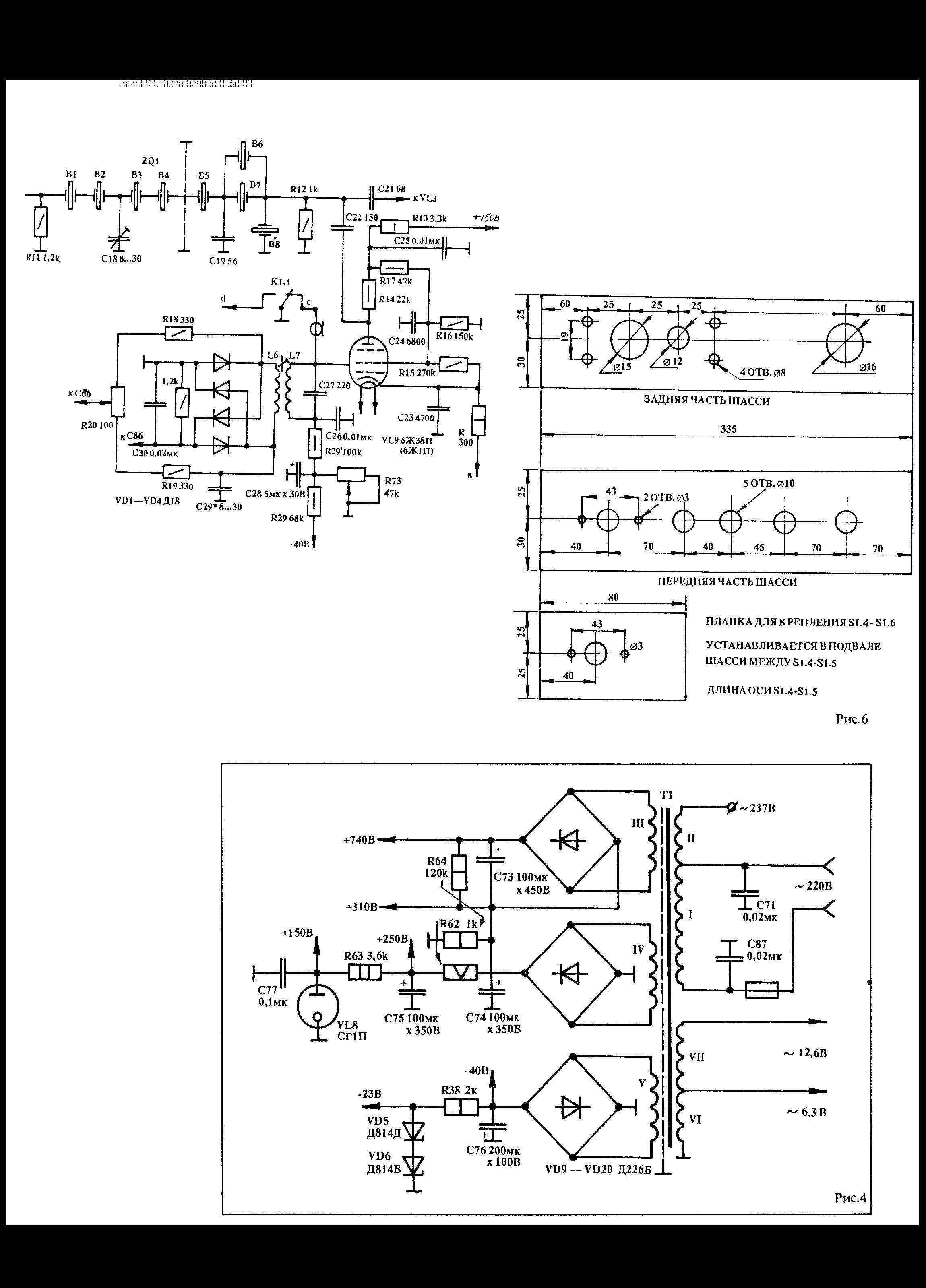
Jakiś czas temu znalazłem ciekawą dokumentacje trx'a Rubin.
Do tego stopnia nmie zainteresował że je jestem na etapie wykonywania
mechaniki.
Zamieszczam dokumentacje ,może zainteresuje kogoś.
http://www.cqham.ru/forum/showthread.php?t=11883&page=1
Ostatnio pojawiła się strona z kontynuacją projektu i unowocześnieniem.
http://62.181.46.36/thread30662.html


Załączone pliki Miniatury
İmage İmage İmage İmage İmage İmage
(Ten post był ostatnio modyfikowany: 14-04-2011 10:06 przez K1963.)
14-04-2011 10:01
Znajdź wszystkie posty użytkownika Odpowiedz cytując ten post
Odpowiedz 


Skocz do:


Użytkownicy przeglądający ten wątek: 1 gości