Odpowiedz 
 
Ocena wątku:
  • 0 Głosów - 0 Średnio
  • 1
  • 2
  • 3
  • 4
  • 5
Return Loss Bridge a zwykły mostek Wheatstona
SP3GO Offline
Rafał
***

Liczba postów: 182
Dołączył: 15-04-2015
Post: #1
Return Loss Bridge a zwykły mostek Wheatstona
Witajcie,

Czy ktoś może mi wyjaśnić jaka jest różnica w zastosowaniu mostka RLB i zwykłego mostka Wheatstona przy pomiarach impedancji?

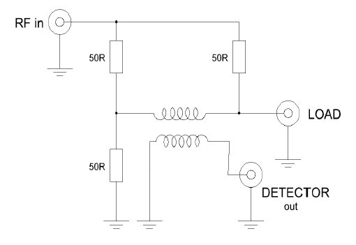
RLB:

İmage

mostek Wheatstona:

İmage

Bo ja widzę tylko jedną różnicę: w przypadku RLB detektor ma wejście niesymetryczne, a w przypadku mostka Wheatstona detektor musi mieć wejście symetryczne. Zgadza się? Czy coś jeszcze je różni?

Wyciągając dalej wnioski z tej różnicy powyżej, mogę powiedzieć, że mając do dyspozycji detektor z symetrycznym wejściem (taki jak sonda na kostce AD8307, albo nawet lepiej! na AD8302), to nie muszę wcale nawijać transformatora, a wystarczy mi parę rezystorów na mostek Wheatstona. Dobrze wnioskuję?

Pozdrawiam,
Rafał SP3GO
25-06-2015 13:20
Znajdź wszystkie posty użytkownika Odpowiedz cytując ten post
SP2JQR Offline
Henryk
*****

Liczba postów: 1,528
Dołączył: 23-08-2009
Post: #2
RE: Return Loss Bridge a zwykły mostek Wheatstona
Słuszne spostrzeżenie, ale o ile pamiętam ( może się mylę) AD8302 ma wejście niesymetryczne, a szkoda...
Można budować piękne urządzenia bardzo szeroko chodzące przy zastosowaniu mostka.
Sprzęgacze są raczej wąskopasmowe i mają gorsze parametry od zwykłego mostka wykonanego przy pomocy rezystorów SMD.
25-06-2015 21:14
Znajdź wszystkie posty użytkownika Odpowiedz cytując ten post
SP3GO Offline
Rafał
***

Liczba postów: 182
Dołączył: 15-04-2015
Post: #3
RE: Return Loss Bridge a zwykły mostek Wheatstona
Faktycznie, chyba pomyliłem pojęcia wejścia symetrycznego (symmetrical, czyli lustrzane odbicie jednego sygnału do drugiego względem masy, sygnały więc w przeciwfazie) z detekcją różnicową (differential).

AD8302 ma oczywiście oba wejścia niesymetryczne, ale pomiar jest różnicowy pomiędzy wejściami. Jak to jest ładnie napisane w nocie katalogowej:

"The AD8302 measures the magnitude ratio, defined here as
gain, and phase difference between two signals."

Ta specyfika różnicowego pomiaru kostki AD8302 chyba nadawałaby się do zastosowania właśnie w zwykłym mostku Wheatstona - tam właśnie chodzi o pomiar różnicowy. Razem z takim mostkiem detektor wzmocnienia/tłumienia w AD8302 powinien pokazać jasno odchylenie mierzonej impedancji od 50 omów na drugim ramieniu mostka.
Ale zastanawiam się co w takiej sytuacji pokaże mi detektor fazy...
W końcu w punktach X i Y fazy sygnałów będą zgodne nawet, jeśli obciążenie będzie posiadało jakąś reaktancję. Przy takim obciążeniu część sygnału się odbije, ale czy jest w stanie to pokazać detektor fazy w kostce...

Muszę to po prostu sprawdzić - AD8302 już przylutowane - wystarczy podłączyć pozostałe elementy :-)
Może się okazać, że do pomiaru części urojonej impedancji obciążenia (właśnie na podstawie detektora fazy w tej kostce) będę musiał jednak użyć sprzęgacza kierunkowego, aby mierzyć różnicę faz między sygnałem padającym, a odbitym, a wtedy bez nawinięcia transformatora się jednak nie obejdzie... ;-)

Pozdrawiam,
Rafał SP3GO
26-06-2015 11:47
Znajdź wszystkie posty użytkownika Odpowiedz cytując ten post
SQ6KY Offline


Liczba postów: 9
Dołączył: 24-06-2009
Post: #4
RE: Return Loss Bridge a zwykły mostek Wheatstona
Witam koledzy.
Zapoznajcie się z tym linkiem :
http://www.asobol.ru/moi-konstrukcii/nwt...-dla-nwt-7
Mostek zrobiony na AD8307. Po co wyważać otwarte drzwi.
W razie problemów z językiem rosyjskim proszę o prywatną wiadomość.
Pozdrawiam.
Zbyszek SQ6KY
28-06-2015 11:15
Znajdź wszystkie posty użytkownika Odpowiedz cytując ten post
SP2JQR Offline
Henryk
*****

Liczba postów: 1,528
Dołączył: 23-08-2009
Post: #5
RE: Return Loss Bridge a zwykły mostek Wheatstona
A tu na stronie 4 trochę teorii na temat mostka i pomiaru fazy i SWR mostkiem.

.pdf  Ins _MR_D_30 - działanie mostka i analizatora.pdf (Rozmiar: 800.88 KB / Pobrań: 2869)

AD8302:
.pdf  AD8302.pdf (Rozmiar: 563.13 KB / Pobrań: 1265)


.pdf  aplikacja AD8302.pdf (Rozmiar: 749.38 KB / Pobrań: 1909)

Tu przykłady mostków amatorskich:
http://www.wb.commufa.jp/ja2djh/html/e_rlb.html
(Ten post był ostatnio modyfikowany: 28-06-2015 17:37 przez SP2JQR.)
28-06-2015 17:37
Znajdź wszystkie posty użytkownika Odpowiedz cytując ten post
SP3GO Offline
Rafał
***

Liczba postów: 182
Dołączył: 15-04-2015
Post: #6
RE: Return Loss Bridge a zwykły mostek Wheatstona
(28-06-2015 11:15)SQ6KY napisał(a):  Mostek zrobiony na AD8307. Po co wyważać otwarte drzwi.

Tak, tego typu połączenie (mostek Wheatstona + AD8307) też już próbowałem. Działa OK, ale główny problem polega jednak na mało precyzyjnym doborze impedancji referencyjnej, która porównywana jest do impedancji mierzonej.

Poza tym, nie chodzi o wyważanie otwartych drzwi - ja widzę, że drzwi są otwarte, ale interesuje mnie z czego te drzwi są zrobione i jak działają zawiasy... Wink

(28-06-2015 17:37)SP2JQR napisał(a):  A tu na stronie 4 trochę teorii na temat mostka i pomiaru fazy i SWR mostkiem.

To by chyba potwierdzało moje przypuszczenia (jeśli dobrze rozumiem), że właściwie mostek Wheatstona działa podobnie jak sprzęgacz kierunkowy i za jego pomocą możemy zmierzyć moduł impedancji, bo napięcie w punkcie pomiarowym mostka jest proporcjonalne do niedopasowania impedancji na wrotach referencyjnych i wrotach pomiarowych.
Jeśli jednak dochodzimy do bezpośredniego pomiaru przesunięcia fazowego, aby określić reaktancję obciążenia (stąd moje przejście od AD8307 do AD8302), co jak ładnie opisuje dokument - wcale nie jest proste, to już musimy mieć raczej sprzęgacz kierunkowy, aby móc porównać fazy sygnału padającego i odbitego. Pomiar przesunięcia fazowego dla zwykłego mostka Wheatstona będzie raczej bezużyteczny...

Dziękuję za linki.

Pozdrawiam,
Rafał SP3GO
30-06-2015 13:21
Znajdź wszystkie posty użytkownika Odpowiedz cytując ten post
SP2IPT Offline
Jakub
***

Liczba postów: 233
Dołączył: 01-03-2012
Post: #7
RE: Return Loss Bridge a zwykły mostek Wheatstona
Gdyby ktos chcial to porzadnie dopasowac to moge polecic
http://www.coilcraft.com/wbc.cfm
Zrobilem miernik mocy na AD8307 wykorzystujac WBC4-1TLB - bez specjalnej korekcji tabelarycznej prawie cala dynamika deklarowana przez producenta (na wejsciu tylko ten transformator, zadnych kondensatorow).

pz
30-06-2015 17:51
Znajdź wszystkie posty użytkownika Odpowiedz cytując ten post
Odpowiedz 


Skocz do:


Użytkownicy przeglądający ten wątek: 1 gości