Odpowiedz 
 
Ocena wątku:
  • 0 Głosów - 0 Średnio
  • 1
  • 2
  • 3
  • 4
  • 5
Pa 50W Racal od DW Electronics
bolanren Offline
Jerzy SP5RZM
****

Liczba postów: 434
Dołączył: 10-04-2011
Post: #1
Pa 50W Racal od DW Electronics
Witam Forumowiczów,

Mam do Kolegów pytanie, czy macie jakieś doświadczenia z uruchamianiem Pa Racal ,50W, od DW Electronics? Sprzedawca udostępnia schemat układu polaryzacji baz dla dwóch ostatnich stopni, z sugestią by prądy spoczynkowe dla driverów ustawić na poziomie 40 mA dla każdej z dwóch gałęzi oraz 140 mA dla obydwu gałęzi ostatniego stopnia łącznie. Prąd spoczynkowy dla ostatniego stopnia udało mi się osiągnąć zgodnie z zaleceniem lecz mam problem z ustawieniem prądów dla tranzystorów drivera. W jednym przypadku ustawić się dało 37 mA, a w drugim, całkowicie symetrycznym maksymalnie zaledwie 8 mA.. Sprawdziłem naprędce złącza i rezystancja tych złącz w poszczególnych tranzystorach rózni się. W jednym przypadku, gdzie udało się uzyskac prąd spoczynkowy około 37 mA rezystancja w kierunku przewodzenia wynosi ok.650 ohm, zaś w drugim, w którym osiągam zaledwie 8 mA wynosi ona ok.560 ohm. Jestem słabym elektronikiem i nie wiem czy na tej podstawie można wyciągać jakieś dalej idące wnioski? Prosiłbym o radę.

sp5rzm Jerzy
Myślę, że chyba zadając takie ogólne pytanie, bez przedstawienia schematu urządzenia było nazbyt optymistycznym pociągnięciem. Uzupełniam więc swój poprzedni post o załączniki.

Pozdrawiam
Jerzy


Załączone pliki Miniatury
İmage İmage İmage İmage İmage
(Ten post był ostatnio modyfikowany: 26-08-2014 19:28 przez bolanren.)
26-08-2014 14:34
Znajdź wszystkie posty użytkownika Odpowiedz cytując ten post
SQ9JXT Offline
Tomek
****

Liczba postów: 493
Dołączył: 05-04-2011
Post: #2
RE: Pa 50W Racal od DW Electronics
(26-08-2014 14:34)bolanren napisał(a):  W jednym przypadku ustawić się dało 37 mA, a w drugim, całkowicie symetrycznym maksymalnie zaledwie 8 mA.. Sprawdziłem naprędce złącza i rezystancja tych złącz w poszczególnych tranzystorach rózni się. W jednym przypadku, gdzie udało się uzyskac prąd spoczynkowy około 37 mA rezystancja w kierunku przewodzenia wynosi ok.650 ohm, zaś w drugim, w którym osiągam zaledwie 8 mA wynosi ona ok.560 ohm. Jestem słabym elektronikiem i nie wiem czy na tej podstawie można wyciągać jakieś dalej idące wnioski?

Na podstawie samej rezystancji złącz nie wyciągałbym zbyt pochopnych wniosków. Natomiast brak możliwości ustawienia prądu w symetrycznym układzie może nasuwać podejrzenia co do jego sprawności.

Pozdrawiam!
Tomek
SQ9JXT
27-08-2014 10:24
Znajdź wszystkie posty użytkownika Odpowiedz cytując ten post
SP5BMP Offline
Janusz
****

Liczba postów: 606
Dołączył: 02-11-2010
Post: #3
RE: Pa 50W Racal od DW Electronics
Jerzy, proponuję abyś zamienił rezystory 3,9 k na mniejsze np. 1k. Powodzenia.
27-08-2014 10:59
Znajdź wszystkie posty użytkownika Odpowiedz cytując ten post
bolanren Offline
Jerzy SP5RZM
****

Liczba postów: 434
Dołączył: 10-04-2011
Post: #4
RE: Pa 50W Racal od DW Electronics
Wszystkim Kolegom za rady i sugestie serdecznie dziękuję. Wpierw zrobię tak jak doradza mi Kolega Janusz, a mianowicie zmienię rezystory na 1k. Intuicja i doświadczenie życiowe podpowiada mi , że jeśli mam czegoś oczekiwać, to niestety będzie to na ogół wariant niemiły, czyli niesprawny jeden z tranzystorów. Chciałbym wykonać jeszcze prosty manewr polegający na przełożeniu tranzystorów. Jeśli okaże się, że zjawisko podąża za tranzystorem, to znaczy, że to jest sprawca tego nieszczęścia Smile .

Pozdrawiam Forumowiczów
sp5rzm Jerzy
27-08-2014 11:31
Znajdź wszystkie posty użytkownika Odpowiedz cytując ten post
SP5BMP Offline
Janusz
****

Liczba postów: 606
Dołączył: 02-11-2010
Post: #5
RE: Pa 50W Racal od DW Electronics
Jerzy, poczekaj z zamianą tranzystorów. Zamień miejscami diody, te do których są podłączone rezystory 3,9k. W zależności od zastosowanej diody przy danym prądzie napięcia mogą się różnić. Ja sprawdzałem ten wzmacniacz i dlatego prosiłem o zdjęcie, abym wiedział który model hi. Działał dobrze i uzyskałem parametry takie jak na załączonej dokumentacji. Pozdrawiam, Janusz.
27-08-2014 12:02
Znajdź wszystkie posty użytkownika Odpowiedz cytując ten post
bolanren Offline
Jerzy SP5RZM
****

Liczba postów: 434
Dołączył: 10-04-2011
Post: #6
RE: Pa 50W Racal od DW Electronics
Święte słowa! Tak zrobię. Już się boję, że wszystko się może wyjaśnić i stracę całą radość gonienia króliczka Smile .

Czyli zrobię tak: wpierw pozamieniam diody, a później , gdyby nie przyniosło to żadnego rezultatu, połączenia tranzystorów. Skoro miałeś do czynienia z tym modelem, to czy spotkałeś się z podobnym zjawiskiem?

pozdrawiam
Jerzy
W moim Pa zastosowałem diody 1N4148. Tak jak sugerował sprzedawca.
Januszu,

Zamiana diod nic nie zmieniła. Wykonałem Twój drugi sugerowany manewr i obniżyłem wartość z 3,9K do 1,8K . Teraz jest w porządku. Zastanawia mnie taka spora różnica w polaryzacji baz tranzystorów pracujących przeciwsobnie. Czy to może oznaczać, że nie są one w tej gałęzi sparowane? Jutro podłączę na wejście NWT7 i zobaczę jaką moc uda się z tego Pa pozyskać przy zasilaniu 28V.

Pozdrawiam
Jerzy sp5rzm
(Ten post był ostatnio modyfikowany: 27-08-2014 21:15 przez bolanren.)
27-08-2014 14:55
Znajdź wszystkie posty użytkownika Odpowiedz cytując ten post
SP3SUZ Offline
Zaawansowany użytkownik
****

Liczba postów: 514
Dołączył: 30-09-2013
Post: #7
RE: Pa 50W Racal od DW Electronics
Jerzy! Bo prawdopodobnie są niesparowane. Taki numer nie tylko Racal potrafi zrobić. Wyobraź sobie że mam odbiornik Drake SPR 4 i tam w końcówce mocy ( odpowiedzialna w końcu za jakość sygnału) tranzystory przypominaja rękodzieło ludowe-hi. Co jeden to lepszy! Dlatego sie nie dziw że dwa różne tranzystory i dwie różne "bety". A pokuś się i zmierz dwa tranzystory pod kątem parametru "beta"( najtanszym mierniczkiem cyfrowym za dwadzieścia złotych!). Zobaczysz wtedy co masz. Powodzenia!
27-12-2014 23:14
Znajdź wszystkie posty użytkownika Odpowiedz cytując ten post
SQ5KVS Offline
Karol
*****

Liczba postów: 1,013
Dołączył: 26-09-2012
Post: #8
RE: Pa 50W Racal od DW Electronics
Przepraszam za odkurzanie starego tematu. Mam od dość dawna Racala wersja 60W (?), dokładnie tą wersję: http://www.ra-ukf.iq24.pl/podglad_posta....za=2304886
Pytanie do kolegów czy macie schemat do tej wersji?
Przepraszam Bolanren, skąd wziąłeś schemat do swojej wersji? Ja w necie nie znalazłem.
Nie znalazłem też schematu biasu do tej wersji. W ostateczności rozrysuję sobie ale to jest trochę roboty.

Nie rozumiem - nie robię. Chyba że robię żeby zrozumieć.
22-02-2023 15:55
Znajdź wszystkie posty użytkownika Odpowiedz cytując ten post
SP6AUO Offline
Andrzej
*****

Liczba postów: 1,051
Dołączył: 20-09-2009
Post: #9
RE: Pa 50W Racal od DW Electronics
Witam


Załączone pliki Miniatury
İmage

Andrzej
(Ten post był ostatnio modyfikowany: 23-02-2023 15:51 przez SP6AUO.)
22-02-2023 21:50
Znajdź wszystkie posty użytkownika Odpowiedz cytując ten post
SQ5KVS Offline
Karol
*****

Liczba postów: 1,013
Dołączył: 26-09-2012
Post: #10
RE: Pa 50W Racal od DW Electronics
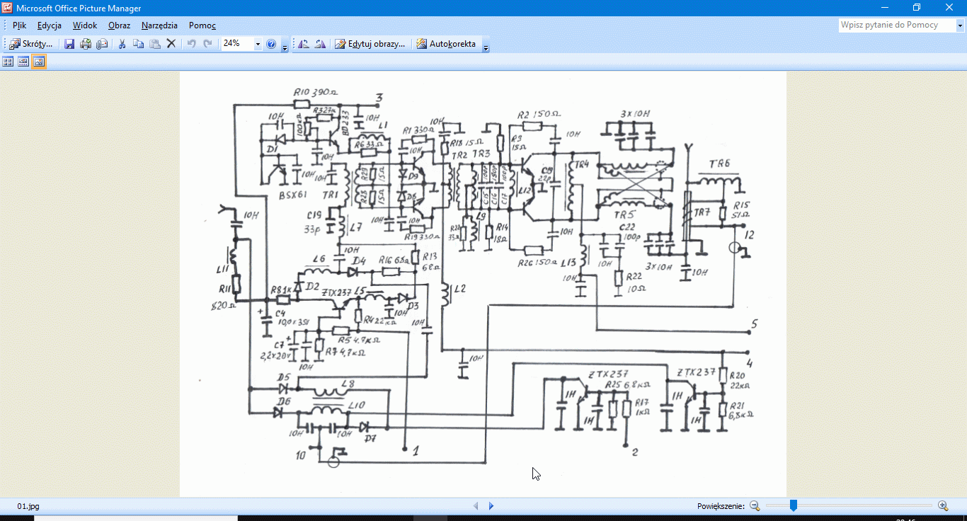
Tak, dzięki, to ta wersja. Na moją prośbę DW podesłało mi też ten schemat wraz ze schematami do biasu.
Chyba był rysowany przez jakiegoś cyrylicopisa, bo zdaje mi się ze kondensatory 10n są podpisane jako 10H Smile
Sporą tajemnicę dla mnie stanowią te układy zrealizowane na trzech tranzystorach ZTX i to z diodami D5-D6-D7 dookoła L8 L10
ZTX237 to po prostu (pewnie kwalifikowany inaczej) BC237, małosygnałowy tranzystor.
Ten pierwszy, na górze zdaje mi się jakimś systemem sterowania tłumikiem. Nie do końca też zgadzają mi się polaryzacja D5 - zgodnie z rozpiska od DW Radio
D5 powinna zapinać wejście wzmacniacza. Problem w tym że D5 jest polaryzowana przewodząco wtedy kiedy (2) jest w stanie wysokim. Wg. rozpiski DW Radio (2) nie podłączamy.
Mogę się mylić, DW radio mogło się mylić, albo schemat jest nie do końca dobry.
Ostatecznie i to jest bardzo prawdopodobne, wytnę to w "pinezkę" i zapnę się gdzieś przy L7. W razie niedopasowania - dopasuje, mam VNA.

Nie rozumiem - nie robię. Chyba że robię żeby zrozumieć.
23-02-2023 12:40
Znajdź wszystkie posty użytkownika Odpowiedz cytując ten post
Odpowiedz 


Skocz do:


Użytkownicy przeglądający ten wątek: 1 gości