Odpowiedz 
 
Ocena wątku:
  • 2 Głosów - 5 Średnio
  • 1
  • 2
  • 3
  • 4
  • 5
KiCad - wspomaganie projektowania
SP9DR Offline
Nowicjusz
*

Liczba postów: 40
Dołączył: 30-11-2011
Post: #41
RE: KiCad - wspomaganie projektowania
Hm dziwne, może ścieżkę dostępu mam inną EESCHEMA niż w CVPCB???

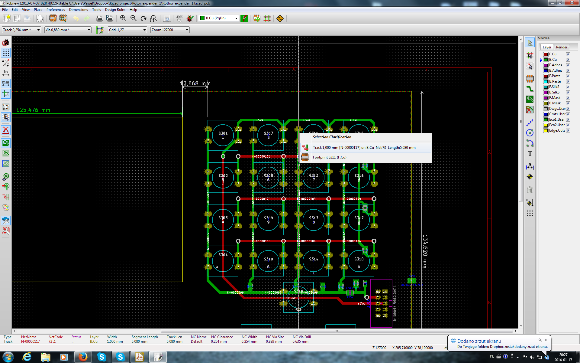
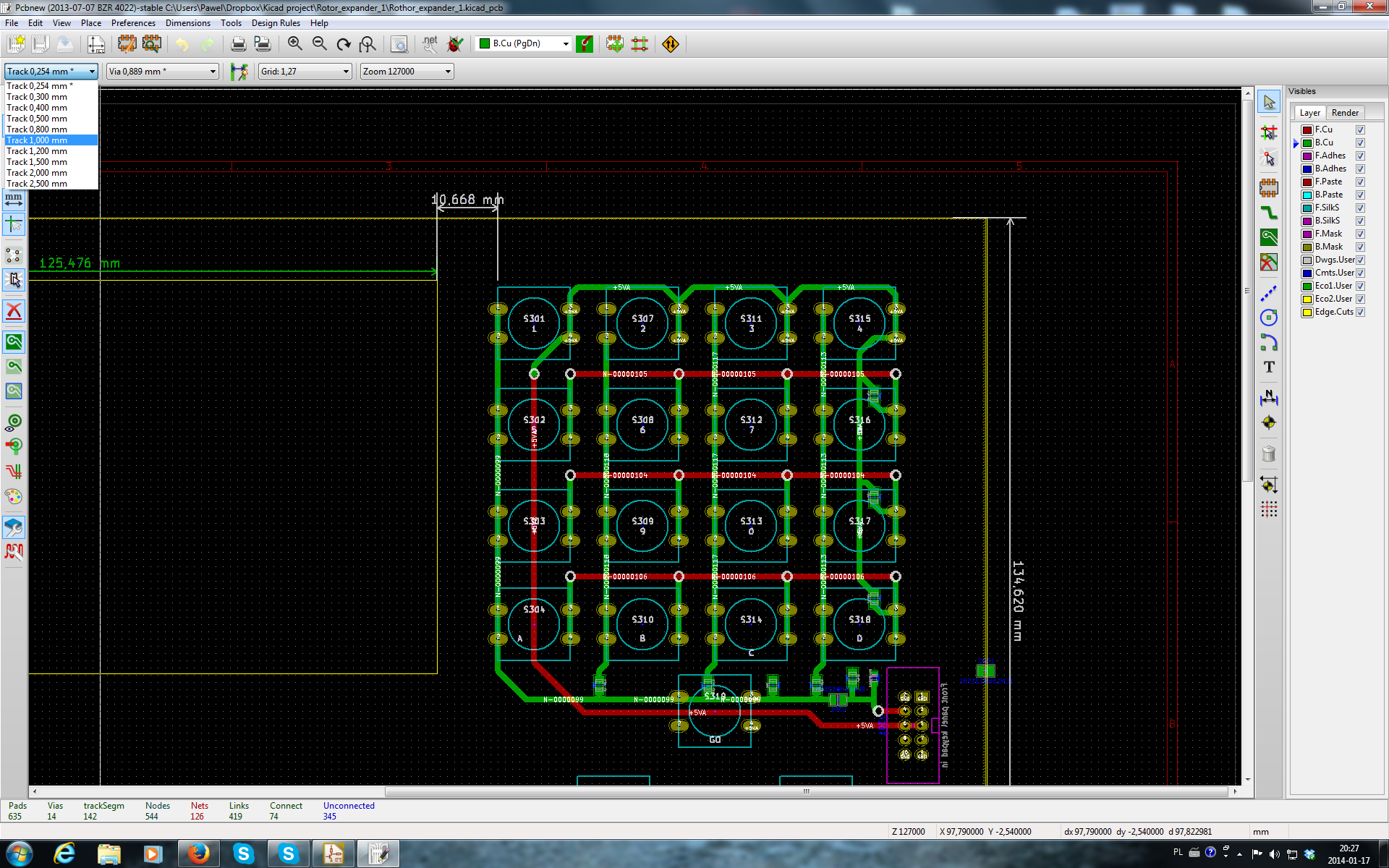
Wracając do poprzedniego pytania da się zmienić szerokość już istniejącej ścieżki ale najpierw trzeba zdefiniować inne rozmiary dla ścieżek i via.
lista dostępnych rozmiarów pokaże się po lewej stronie w okienku Track-rozmiar
Później wybierasz interesującą cię ścieżkę i klikasz prawym klawiszem rozwija się lista z której wybierasz interesująca cię opcję zmiany szerokości ścieżki lub segmentu itp.

Wracając na chwile do footprintów po przypisaniu wszystkich interesujących cię footprintów wróć do Eeschema i kliknij na pierwsza ikonę od prawej na pasku tak biała ze szczałką wtedy przypiszesz wybrane footprinty do elmentów schematowych.


Załączone pliki Miniatury
İmage İmage İmage İmage
(Ten post był ostatnio modyfikowany: 17-01-2014 22:37 przez SP9DR.)
17-01-2014 22:37
Znajdź wszystkie posty użytkownika Odpowiedz cytując ten post
SQ5KVS Offline
Karol
*****

Liczba postów: 1,013
Dołączył: 26-09-2012
Post: #42
RE: KiCad - wspomaganie projektowania
Witam.
Głupie pytanie. Najpierw się meczymy w EEschema, potem w dobieraniu footprintów, poten PCBNew, tam się okazuje ze lepiej zamienić końcówki bo elektrycznie mała różnica, ale praktycznie - na płytce - ogromna, więc zmieniamy te końcówki, przekręcamy układ, ale nie mamy już siły żeby zrobić to jak trzeba (EEschema -...->PCBNew) więc na schemacie zostaje po staremu.
I pytanie - czy da się eksportować netlistę wstecz - z PCBNew? Oczywiście zakładam, że przypisyaliśmy w PCBNew numery sieci jak trzeba..
10-03-2014 18:03
Znajdź wszystkie posty użytkownika Odpowiedz cytując ten post
SP2SGA Offline
Adam
***

Liczba postów: 110
Dołączył: 10-02-2014
Post: #43
RE: KiCad - wspomaganie projektowania
Oczywiście. Wszystko jest zapisane w program files w katalogu kicada i można robić sobie kopie.

Pozdrawiam
Adam
SP2SGA
10-03-2014 19:39
Znajdź wszystkie posty użytkownika Odpowiedz cytując ten post
SP9DR Offline
Nowicjusz
*

Liczba postów: 40
Dołączył: 30-11-2011
Post: #44
RE: KiCad - wspomaganie projektowania
Nie jestem pewien czy dobrze rozumiem pytanie, chodzi Ci o to że na przykład masz złącze 3 pinowe.
Pin 1 to GND Pin 2 to coś tam teraz pin 3 to +VCC i teraz ma płytce nie pasuje ci kolejność pinów bo ścieżki się przecinają?

To jest banalnie proste zajmuje parę sekund zmianę na schemacie robisz przez kliknięcie prawym klawiszem na elemencie w tym przypadku złączu.
Potem rozwija się lista obracasz element jak Ci pasuje ewentualnie zmieniasz podłączenie klikasz GENERATE NET LIST i tyle.
Później w PCB new wczytujesz listę przez kliknięcie na read net list i wybierasz opcje;
EXTRA FOOTPRINTS -albo usuń albo zatrzymaj
EXCHANGE MODULE - zatrzymaj albo zmień
W sumie tyle.
Żeby uniknąć kolejny raz doboru elementów robisz tak:
Klikasz w eeschema ostatnią ikonę na pasku od prawej taka biała kartka ze strzałką i napisem BAK
To przypisuje footprinty do elementów na schemacie i nie trzeba tego już powtarzać chyba ze chcesz wymienić obudowę

Kicad to świetne narzędzie wymaga jednak czasu.
Pozdrawiam
Paweł


Załączone pliki Miniatury
İmage İmage İmage
(Ten post był ostatnio modyfikowany: 10-03-2014 19:49 przez SP9DR.)
10-03-2014 19:49
Znajdź wszystkie posty użytkownika Odpowiedz cytując ten post
SQ5KVS Offline
Karol
*****

Liczba postów: 1,013
Dołączył: 26-09-2012
Post: #45
RE: KiCad - wspomaganie projektowania
Nie o to Smile ale fakt, w sumie zabrakło jednego zdania. Ja już mam płytkę w PCBnew taka jak chce finalnie. Wiekszosc netlisty pochodzila z EEscheme, ale potem juz w PCBNew zmienialem na samej plytce.Teraz, jak spowodować żeby EEscheme zobaczył zmiany układowe.
11-03-2014 1:02
Znajdź wszystkie posty użytkownika Odpowiedz cytując ten post
SP9DR Offline
Nowicjusz
*

Liczba postów: 40
Dołączył: 30-11-2011
Post: #46
RE: KiCad - wspomaganie projektowania
Raczej nie możliwe to jest.
Ciekawi mnie natomiast jak ty dokonujesz tych zmian ?
11-03-2014 22:44
Znajdź wszystkie posty użytkownika Odpowiedz cytując ten post
SQ5KVS Offline
Karol
*****

Liczba postów: 1,013
Dołączył: 26-09-2012
Post: #47
RE: KiCad - wspomaganie projektowania
Wyłącza się kontrole poprawności, zamieszcza elementy(footprinty), każdy "pad" ma w KiCAd (pcbnew) zmienną oznaczającą do jakiej sieci ma byc połączony.
Ostatecznie jednak zmodyfikowalem (zaktualizowalem) schemat Smile
12-03-2014 0:14
Znajdź wszystkie posty użytkownika Odpowiedz cytując ten post
SP9FKP Offline
Piotr
*****

Liczba postów: 1,287
Dołączył: 28-06-2009
Post: #48
RE: KiCad - wspomaganie projektowania
Ta strona zapewne ucieszy wielu zwolenników Kicada a niezdecydowanych może zachęci do zapoznania się z tym narzędziem.
13-03-2014 10:28
Znajdź wszystkie posty użytkownika Odpowiedz cytując ten post
SP9DR Offline
Nowicjusz
*

Liczba postów: 40
Dołączył: 30-11-2011
Post: #49
RE: KiCad - wspomaganie projektowania
90 procent elementów mam z tej właśnie strony polecam.
Po za tym warto zainstalować elementy 3D z Diptrace.
13-03-2014 22:41
Znajdź wszystkie posty użytkownika Odpowiedz cytując ten post
SQ5KVS Offline
Karol
*****

Liczba postów: 1,013
Dołączył: 26-09-2012
Post: #50
RE: KiCad - wspomaganie projektowania
Witajcie.
Jakiś czas temu przyszła pora na nowy projekt. Ponieważ KiCad jest jak na razie jedynym oprogramowaniem które jako-tako znam (nie jestem zawodowym elektronikiem) to zabrałem się za rysowanie schematu i PCB w KiCad. Układ znacznie bardziej skomplikowany niż poprzednie, więc elementów też dużo więcej. Przyznam że od jakiegoś momentu zacząłem zgrzytać zębami...
Wspominałem już z pół roku temu że wg. mnie w KiCad jest gdzieś błąd. Przy przechodzeniu z EEschema do CvPCB, potrafiły mi się zmieniać wybrane już uprzednio footprinty. Zawsze zamieniały się na takie które już na schemacie były - więc program nie brał ich z "kosmosu". Wyobraźcie sobie, kilkaset elementów, i za każdym razem przy przechodzeniu do CvPCB trzeba sprawdzać czy aby nie zamienił footprinta kondensatora z C2 na PIN_ARRAY1, R3 na SM1206, itd, itp. Ilość odnóży nie miała dla niego znaczenia.
Ostatecznie, postanowiłem sprawę zbadać i już chyba wiem gdzie siedzi bug.
Metoda postępowania u mnie jest zawsze taka:
Schemat -> numerowanie ->sprawdzanie poprawności -> generowanie listy sieci ->CvPCB, a potem import z pliku CvPCB footprintów z żądaniem pokazania footprintów na schemacie.
Potem oczywiście zmiany schematu, tu coś się odjęło, tam dodało, itp itd. Więc - od nowa - numerowanie (od zera, nie tylko nowych) -> poprawność ->sieć -> CvPCB ... I tu się okazywało, że pomieszał footprinty.
Co ustaliłem - na 99% problem powstaje, kiedy po wprowadzeniu zmian, numerujemy komponenty "od zera". Nie wiem tylko czy błąd jest w generowaniu listy sieci, czy w CvPCB. Jak nie przenumeruję (tzn nowe komponenty będą miały nowe - wyższe - numery) to wszystko zdaje się być ok. Z tym że przenumerowanie się przydaje żeby zachować porządek...

Oto obrazek. Najpierw narysowałem elementy w dolnym rządku. W CvPCB dałem im footprinty (odpowiednio) C1, C1-1, C2, i SM603, SM805, SM1206. Potem dodałem dwa elementy (z wartościami "nowe"), zrobiłem numerację od nowa, wczytałem do CvPCB. No i problem. Program próbuje dopasować footprinty po numerze elementów. Nie wie że teraz C2 to stary C1, itp. Elementom C1 i R1 (nowym) sam nadał footprinty. To co widzicie jest bez "dotykania" - tak wczytał CvPCB.
Totalnie bez sensu...
Chyba że tak się nie powinno robić, a to ja jestem niezbyt rozgarnięty...

KiCad jeden z najnowszych (2013-07-07).

İmage

Pozdrawiam.
(Ten post był ostatnio modyfikowany: 09-09-2014 17:45 przez SQ5KVS.)
09-09-2014 17:43
Znajdź wszystkie posty użytkownika Odpowiedz cytując ten post
Odpowiedz 


Skocz do:


Użytkownicy przeglądający ten wątek: 2 gości