Odpowiedz 
 
Ocena wątku:
  • 4 Głosów - 5 Średnio
  • 1
  • 2
  • 3
  • 4
  • 5
NWT-7 analizator obwodów
SQ2EER Offline
Jacek sk
***

Liczba postów: 182
Dołączył: 17-06-2009
Post: #21
RE: NWT-7 analizator obwodów
Witam - wiem że nie na temat ale czy mogą koledzy odpowiedzieć gdzie mogę zaopatrujecie się w elementy smd - potrzebuje dławiki w rozmiarze smd 15nH 1812 oraz 68uH DO3316P - do NWT502m - pozdrawiam 73 Jacek.
(Ten post był ostatnio modyfikowany: 09-01-2010 2:33 przez SQ2EER.)
09-01-2010 2:27
Znajdź wszystkie posty użytkownika Odpowiedz cytując ten post
SP2QCA Offline
Artur
****

Liczba postów: 341
Dołączył: 22-06-2009
Post: #22
RE: NWT-7 analizator obwodów
(02-12-2009 1:05)sp5fcs napisał(a):  Schemat mostka pochodzi z opisu NWT7 w "Świecie Radio" nr 11/2007. Mostek jest łatwy do wykonania i pracuje poprawnie w zakresie KF. Na drugim zdjęciu mój eksperymentalny mostek. Prawe górne złącze jest do pomiaru SWR-a a lewe górne do pomiaru impedancji Z (szeregowy rezystor 50 om dla wygody). Analizator antenowy to nie jest ale możliwości w porównaniu ze zwykłym miernikiem SWR zdecydowanie większe.

Jaki jest zakres pomiarowy impedancji z tą przystawką ?

pozdrowienia
Artur sp2qca
11-01-2010 18:23
Znajdź wszystkie posty użytkownika Odpowiedz cytując ten post
TG50 Offline
Józef
***

Liczba postów: 178
Dołączył: 20-11-2009
Post: #23
RE: NWT-7 analizator obwodów
Nie posiadam takiej przystawki ale z analizy oprogramowania do NWT-7 wynika, że zakres pomiarowy wynosi (0...200) Ohm.
Nie pokrywa to całej rozpietości impedancji anten ale dla anten w okolicy Z=50 ohm to wystarczy.


Załączone pliki Miniatury
İmage
11-01-2010 18:44
Znajdź wszystkie posty użytkownika Odpowiedz cytując ten post
SP5MNL Offline
Leszek
*

Liczba postów: 32
Dołączył: 16-01-2010
Post: #24
RE: NWT-7 analizator obwodów
Jestem elektronikiem z zawodu i z zamiłowania.
Zainteresował mnie projekt NWT-7.
Niestety nie mam możliwości samodzielnego wykonania pcb.
Czy płytka z AVT + tłumik wg sq8luu funkcjonalnie odpowiada rozwiązaniu NWT7 v.2 ?
Niestety na sięci nie mogę znaleśc opracowania v.2, dlatego piszę do ciebie.
Mógłbyś mi podesłac wzór pcb, schemat i wsad do pic
Może warto by było zamówić druk do v.2 w większej ilości. Koledzy z HM-G i z SP-QRP byli by pewnie zainteresowani
Jeżeli chodzi o filtr wyjściowy z syntezy to polecam fabryczne filtry firmy coilcraft. Można u nich zamówic darmowe sample
Zastosowałem taki w syntezie Dl4JAL - http://www.coilcraft.com/lcfilt.cfm

vy 73
Leszek
SP5MNL
Loc.KO02le

Vy 73!
Leszek SP5MNL
21-01-2010 13:51
Znajdź wszystkie posty użytkownika Odpowiedz cytując ten post
SP5FCS Offline
Adam
*****

Liczba postów: 1,073
Dołączył: 02-02-2009
Post: #25
RE: NWT-7 analizator obwodów
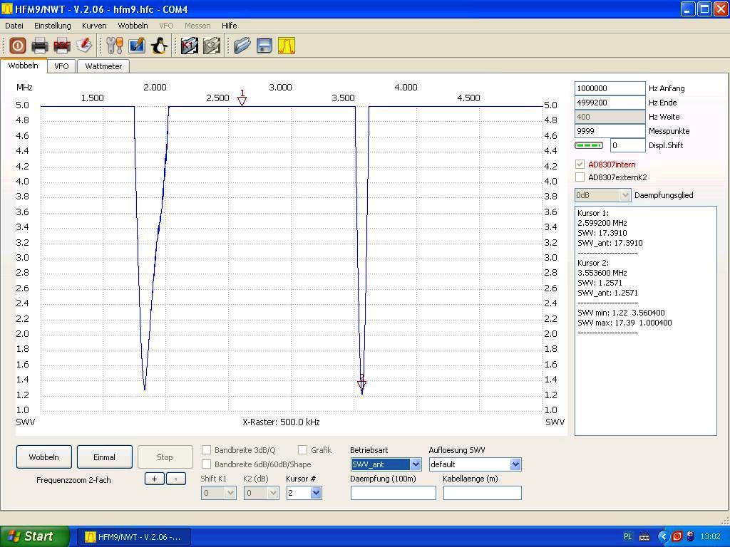
Ze względu na pytania dotyczące przystawki do NWT-7 w postaci mostka pomiaru SWR oraz impedancji [ Z ] zamieszczam ekrany z wykresami pomiarowymi mojego egzemplarza. Zakres pomiarowy (2...30)MHz.
Wykonując mostek zależało mi bardziej na sprawdzeniu metody niż na dokładności. Posiadając własny NWT-7 warto wykonać sobie taki mostek. Być może w innym wykonaniu można uzyskać lepsze wyniki.

Zdjęcie pierwsze pokazuje wykres częstotliwościowy odpowiedzi mostka przy rozwartym wyjściu mostka (złącze do podłączenia anteny).
Zdjęcie drugie pokazuje wykres mostka przy podłączeniu do wyjścia sztucznego obciążenia 50om.
Zdjęcie trzecie przedstawia pomiar SWR dipola z trapami na pasmo 160 i 80m, antena nie była strojona, konfiguracja odwrotne "V", punkt zasilania na 12m, końce na 2m.


Załączone pliki Miniatury
İmage İmage İmage

73 Adam
30-01-2010 14:35
Znajdź wszystkie posty użytkownika Odpowiedz cytując ten post
SP9SVN Offline


Liczba postów: 1
Dołączył: 18-02-2010
Post: #26
RE: NWT-7 analizator obwodów
Witam,
od kilkunastu dni analizuję - przygotowuję się do wykonania NWT7.
Poczytałem poszperałem w necie i na chwilę obecną mam dwa pytania,
podejrzewam że uznacie je za banalne ale niestety sam nie znalazłem odpowiedzi:
- czy NWT7 i NWT7v2 różnią się wsadem do mikrokontrolera??
jeżeli tak to czy wszystkie obsługują włączanie tłumików programowo??
- jakie są Wasze opinie programach do współpracy z NWT7, interesuje mnie program w języku angielskim.
NWT7 - chcę wykonać głównie ze względu na dopieszczanie pośrednich i filtrów.
Proszę o podpowiedzi, ewentualne sugestie.
Grzegorz sp9svn
25-02-2010 9:50
Znajdź wszystkie posty użytkownika Odpowiedz cytując ten post
QRP73 Offline
Marek
**

Liczba postów: 90
Dołączył: 19-06-2009
Post: #27
RE: NWT-7 analizator obwodów
Cytat:SP9SVN napisał:
- czy NWT7 i NWT7v2 różnią się wsadem do mikrokontrolera??
jeżeli tak to czy wszystkie obsługują włączanie tłumików programowo??

Wykonałem NWT7 w wersji na płytce AVT ze względu na dostępność płytki, odradzam, musimy samodzielnie dorobić płytkę detektora oraz tłumików. Oprogramowanie obsługuje tłumiki po małej modyfikacji na druku i wg mnie niczym się nie różni. Składając wg schematu NWT7 w pierwszej wersji ma za duże wzmocnienie na MAR-e (przyczyna moich kłopotów i złych wykresów na wątku pomiar dobroci obwodów). Konieczna jest modyfikacja tłumika przed MAR-em oraz dobranie rezystora w obwodzie zasilania MAR-a tak aby uzyskać minimalny poziom harmonicznych. Poziom sygnału na wyjściu nie powinien przekraczać +10dBm.

NWT7 v1 (AVT), sterowanie przekaźników ze złącza ST8 (1-K1,2-K2,3-K3), oprogramowanie oraz aplikacja tłumików z NWT7 v2. Zmiana na druku, pin 6 procesora, (nr 2 na złączu ST8) musi być podciągnięty przez rezystor 1k do +5V i wszystko działa.

UWAGA na przekaźniki wymagające podania (+) na określoną nogę cewki, nie zawsze pasują do biegunowości sterowania na płytce tłumików. Najlepiej stosować takie w których biegunowość cewki jest nieistotna.
(Ten post był ostatnio modyfikowany: 18-03-2010 11:24 przez QRP73.)
17-03-2010 10:09
Znajdź wszystkie posty użytkownika Odpowiedz cytując ten post
SQ7HJB
Unregistered

 
Post: #28
RE: NWT-7 analizator obwodów
Można prosić o rozwinięcie tematu. Wykonałem również na płytce z AVT i mam problem ze sterowaniem przekaźnikami. Zmieniłem tłumik na wyjściu na mniejszy 1,5dB. Natomiast ten przed MAR-em zostawiłem bez zmian. Może wystarczy zmienić opornik przy DDS-ie. Ten którym reguluje się poziom sygnału wyjściowego.


Załączone pliki Miniatury
İmage
17-03-2010 10:19
Odpowiedz cytując ten post
bez_znaku Offline


Liczba postów: 5
Dołączył: 07-02-2010
Post: #29
RE: NWT-7 analizator obwodów
Witam,
poszukuję materiałów nt NWT-7 (pcb wersja 2.1 DL1ALT 2008). Może ktoś z Was posiada i byłby skłonny podzielić się materiałami na ten temat. Dysponuję jedynie materiałami ze Świata Radio ale dotyczy to nieco innego rozwiązania pcb. Strona autora od jakiegoś czasu jest niedostępna

Pozdrawiam
08-04-2010 23:14
Znajdź wszystkie posty użytkownika Odpowiedz cytując ten post
SP2QCA Offline
Artur
****

Liczba postów: 341
Dołączył: 22-06-2009
Post: #30
RE: NWT-7 analizator obwodów
(17-03-2010 10:19)sq7hjb napisał(a):  Można prosić o rozwinięcie tematu. Wykonałem również na płytce z AVT i mam problem ze sterowaniem przekaźnikami. Zmieniłem tłumik na wyjściu na mniejszy 1,5dB. Natomiast ten przed MAR-em zostawiłem bez zmian. Może wystarczy zmienić opornik przy DDS-ie. Ten którym reguluje się poziom sygnału wyjściowego.

Na czym polega problem ze sterowaniem przekaznikami?
Ich włączaniem zajmuje się PIC - poziom sygnału z DDS-a i po wzmocnieniu
nie ma związku ze sterowaniem przekaźnikami.

pozdrowienia
Artur sp2qca
09-04-2010 9:26
Znajdź wszystkie posty użytkownika Odpowiedz cytując ten post
Odpowiedz 


Skocz do:


Użytkownicy przeglądający ten wątek: 8 gości