Odpowiedz 
 
Ocena wątku:
  • 0 Głosów - 0 Średnio
  • 1
  • 2
  • 3
  • 4
  • 5
VFO / VXO.... Jak to zrobić?
SP5RF Offline
Robert
****

Liczba postów: 343
Dołączył: 13-03-2010
Post: #11
RE: VFO / VXO.... Jak to zrobić?
Witam, Przedstawię pokrótce wyniki badań. Jako iż jestem zdania że trzeba robić, robić i jeszcze raz robić, zamiast gadać, bo żadna dyskusja zawieszona przestrzeni nie zastąpi badań i pomiarów, więc trochę się zeszło...

Moim celem jest stabilne VXO lampowe do transceivera 80m/CW. Artykuł fajny, i czytałem też inne, ale ten podchodzi do sprawy faktycznie inaczej.

Ja po przelutowaniu i pomierzeniu dziesiątek kwarców (duże, małe, stare, nowe...) w dziesiątkach konfiguracji (pojedynczo, parami, trójkami z indukcyjnościami, pojedyńczymi i złożonymi i bez ) stwierdziłem że nie tędy droga. Na przykład zakres przestrajania VXO z dwoma kwarcami był nawet nawet, ale sinusoida na ekranie oscyloskopu była zdeformowana w takie "ząbki" (trochę żałuje że nie dokumentowałem tego) .

Zakres przestrajania rezonatora ceramicznego 3,58 układzie jak na rys. był dobry, ale częstotliwość w tym układzie już nie. Ledwo ocierał się o początek pasma (!?!) więc nabyłem rezonator SMD 3,68 i on przestraja 3,55 - 3,64. Można bardziej ale spada amplituda sygnału i trzeba by ją korygować np fizycznie łącząc kondensator zmienny z potencjometrem który podnosił by napięcie na drugiej siatce a sam generator zrobić n EF80. Ale za dużo roboty. 3,55 - 3,64 mnie zadowala, ładna sinusoida też Smile

Ale!!

Bo zawsze jest jakieś ale. Rezonator w miarę pracy i nieuchronnego nagrzewania minimalnie płynie, co mnie minimalnie denerwuje. Jak środek przymocować na sztywno do masy to mniej, ale.... A więc zabudowałem rezonator ceramiczny (zegarmistrzowska robota) do "zwykłej" obudowy po kwarcu. Te pozłacane niteczki podlutowałem do rezonatora, a środek grubą srebrzanką do obudowy. (jak na rys.) a całość zamknąłem w termostacie 75 st.C. Zamknie to sprawę dryfu temperaturowego raz na zawsze.

Jak pomierzę to dam znać, ale za kilka dni, bo teraz co dzień o 3:50 rano jestem na łowisku bo od 1 maja można łowić szczupaka... Smile) To zresztą zabawne bo teraz kiedy piszę ten post jest 8:55 a ja mam wrażenie że jest południe.
Taki mały Jet-Lag Wink


Załączone pliki Miniatury
İmage İmage İmage İmage İmage

Shy SP5RF
(Ten post był ostatnio modyfikowany: 05-05-2012 9:10 przez SP5RF.)
05-05-2012 9:03
Znajdź wszystkie posty użytkownika Odpowiedz cytując ten post
SP5CII Offline
Użytkownik
***

Liczba postów: 196
Dołączył: 14-12-2009
Post: #12
RE: VFO / VXO.... Jak to zrobić?
A może tak-- http://www.cqham.ru/trx77_27.htm
http://www.cqham.ru/image4/trx77_27_image003.jpg
Nie spojrzałem wcześniej ale ta stronę podał wcześniej Henryk SP2JQR
73!

(Ten post był ostatnio modyfikowany: 31-05-2012 20:33 przez SP5CII.)
31-05-2012 20:33
Znajdź wszystkie posty użytkownika Odpowiedz cytując ten post
SP2FP Offline
PAWEŁ
***

Liczba postów: 184
Dołączył: 01-11-2009
Post: #13
RE: VFO / VXO.... Jak to zrobić?
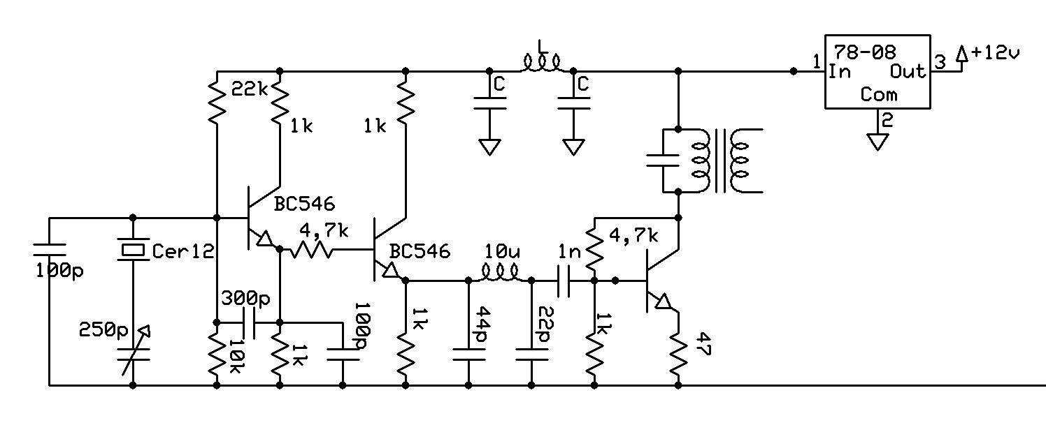
Witam . Mam podobny dylemat . Kombinuje vco dla pasma 3,5-3,8 z pcz 8,200 . Chcąc mieć heterodynę 11,7-12 wykonałem gen. z użyciem rezonatora ceramicznego - 12MHz. układ działa bardzo ładnie , zakres przestrajania od 11,7 do 12,1 bardzo mnie zaskoczył . Oczywiście zastosowanie równoległego kond. 100p z bazy do masy ogranicza górny zakres i poprawia równomierność amplitudy. Niestety sam rezonator jest bardzo wrażliwy na temperaturę otoczenia zmiana nawet 1-2 stopnie daje 200-500 Hz . Kompensacja kondensatorami o różnych współczynnikach nie wiele pomaga . Stabilność temperaturowa użytego rezonatora to 0,5% dla 0-70 st . Próbuję zakupić ze wsp 0,07 ale na razie kłopot logistyczny . Zastosowałem jeszcze na próbę smd 5MHz i podobny efekt. Pytanie - czy wam też mocno taki generator pływał ? Układ jest w "pająku" z użyciem płytki jako masy i zasilania więc zdaję sobie sprawę że to też ma znaczenie ale dzięki temu mogę każdy element podgrzać i mieć odpowiedź który z nich ma wpływ na zmianę f . Kondensator zmienny przykręcony na 4 śrubki i krótkie połączenia . Oczywiście testy były również z pominięciem kond. zmiennego - rezonator prosto do masy . Na chwile obecna brak ostatniego stopnia wzmacniającego
Zdjęcia to schemat , emiter generatora , oscylogram , po LPF wąsko i szeroko .


Załączone pliki Miniatury
İmage İmage İmage İmage İmage
(Ten post był ostatnio modyfikowany: 20-11-2013 20:57 przez SP2FP.)
20-11-2013 20:57
Odwiedź stronę użytkownika Znajdź wszystkie posty użytkownika Odpowiedz cytując ten post
SQ5KVS Offline
Karol
*****

Liczba postów: 1,013
Dołączył: 26-09-2012
Post: #14
RE: VFO / VXO.... Jak to zrobić?
Widzę kilka rozwiązań. Stabilizacja temperatury układu - a przynajmniej rezonatora. Koniecznie też zastosuj kondensatory o minimalnym współczynniku temperaturowym (C0G itp) - wtedy przynajmniej będziesz bardziej pewien że to rezonator "jeździ".
Jaki to jest dokładnie model rezonatora? Jeśli znasz jego oznaczenie, na stronie producenta powinieneś znaleźć jego parametry i wsp. temperaturowy.

Zastanawiałbym się też nad VXO na VFO - np. z rdzeniem typu T50-7 (Tc = 30ppm/*C). Jeśli dobrze policzyłem, zmiana o jeden stopień celsjusza dała by zmianę częstotliwości o jakieś 40-50Hz.
22-11-2013 11:43
Znajdź wszystkie posty użytkownika Odpowiedz cytując ten post
SP2FP Offline
PAWEŁ
***

Liczba postów: 184
Dołączył: 01-11-2009
Post: #15
RE: VFO / VXO.... Jak to zrobić?
Witaj .. kondensatory stosowałem różne nawet styroflexy i one najstabilniej pracują , Rezonator był zwykły dwie nóżki ( bez pojemności ) za 0,50 zł wsp temp 0,5% napisałem w poście ...(nie mylić z tolerancją częstotliwości ) Teraz udało mi się w końcu zamówić taki : CSTCE12M0G15L99-R0 w elfa... z 0,08 procentowym współczynnikiem . Dojdzie to podam wyniki . Jak nie uzyskam stabilności to dodam termostat liniowy z lm35 lub podobny aby nie było dryfu włącz wyłącz grzałkę ( rezystor). albo vacar z białym rdzeniem i kompensacją przez dobrane pojemności
22-11-2013 12:10
Odwiedź stronę użytkownika Znajdź wszystkie posty użytkownika Odpowiedz cytując ten post
SQ5KVS Offline
Karol
*****

Liczba postów: 1,013
Dołączył: 26-09-2012
Post: #16
RE: VFO / VXO.... Jak to zrobić?
No tak, 0.5% to sporo (napisałeś 0.5% dla 0-70 *C co można rozumieć różnie), i na tej częstotliwości dało by około 650Hz/*C. To się nawet zgadza z tym co zaobserwowałeś.. Ale nawet ten 0.08% to prawie 3x więcej niż T50-7. Powodzenia!
22-11-2013 12:20
Znajdź wszystkie posty użytkownika Odpowiedz cytując ten post
SP2FP Offline
PAWEŁ
***

Liczba postów: 184
Dołączył: 01-11-2009
Post: #17
RE: VFO / VXO.... Jak to zrobić?
Dokładnie tak jak piszesz ale jego charakterystyka jest bardzo obiecująca - pierwsze zdjęcie . Na drugim podobny do obecnego więc jak mogło być dobrze hi..


Załączone pliki Miniatury
İmage İmage
(Ten post był ostatnio modyfikowany: 22-11-2013 13:18 przez SP2FP.)
22-11-2013 13:17
Odwiedź stronę użytkownika Znajdź wszystkie posty użytkownika Odpowiedz cytując ten post
SP2JQR Offline
Henryk
*****

Liczba postów: 1,528
Dołączył: 23-08-2009
Post: #18
RE: VFO / VXO.... Jak to zrobić?
Jak sobie poradzić z dryftem częstotliwości przy zmianie temperatury pisałem już wiele razy, również na łamach ŚR przy okazji prezentowania różnych TRXów zawierających takie VXO z rezonatorami ceramicznymi.
Mój generator jest stabilny pomimo, że całe radio jest umieszczone wewnątrz radiatora, który rozgrzewa się podczas nadawania do 50 stopni Celsjusza.
Pawle, napisz czy udało Ci się zrobić dobre VXO na zapodanym rezonatorze bez dodatkowej kompensacji elektronicznej.
(Ten post był ostatnio modyfikowany: 24-11-2013 11:21 przez SP2JQR.)
22-11-2013 15:03
Znajdź wszystkie posty użytkownika Odpowiedz cytując ten post
SP2FP Offline
PAWEŁ
***

Liczba postów: 184
Dołączył: 01-11-2009
Post: #19
RE: VFO / VXO.... Jak to zrobić?
Witam ponownie . Rezonator dotarł . Włożyłem go też w obudowę po kwarcu wyprowadzając skrajne nogi na zewnątrz a środek do obudowy . Rezonator niestety ma kondensatory 2x30pf. dryf generalnie do przyjęcia . Nie mam termometru z sondą ale podgrzewanie rez. palcami powodowało dryf około 50-100 hz później stawało , i nawet lekkie podgrzewanie lutownicą nie powodowało dużego dryfu . Prawdopodobnie dość równa charakterystyka jest w przedziale 30-50st . Niestety żeby nie było za pięknie maksymalne przestrajanie to 120 kHz a na zwykłym bez kondensatorów mogłem uzyskać prawie 400 kHz Układ z linku "cqhamru" działa dość poprawnie, ale przestrajanie max 100 kHz . Obydwa rodzaje generatorów po dobraniu punktów pracy ( prki w trzech elektrodach) dają harmoniczne poniżej 40 db bez filtrowania . Zwykły schemat (popularny) daje tylko 20-25 db odstępu dla 2giej harmonicznej . Jestem w trakcie wykonywania takiej wersji http://www.qsl.net/va3iul/Push-Push_VFO/...sh_VFO.pdf ale jeszcze nie działa w całości . Zobaczę co mi z tego wyjdzie . Tak czy tak bez stabilizacji termicznej będzie ciężko , a poza tym czym lepszy rezonator tym mniejszy jego zakres przestrajania - przynajmniej w tym przypadku Smile
25-11-2013 22:34
Odwiedź stronę użytkownika Znajdź wszystkie posty użytkownika Odpowiedz cytując ten post
SP2JQR Offline
Henryk
*****

Liczba postów: 1,528
Dołączył: 23-08-2009
Post: #20
RE: VFO / VXO.... Jak to zrobić?
W moich generatorach przestrajanych varicapami miałem zakres przestrajania tylko około50kHz, ale stabilność bez zarzutu (z kompensacją). Było to satysfakcjonujące i dawało zakres pracy TRXa od 3,690 do 3,745 - radia były przeznaczone do gadania na SSB dla początkujących.
26-11-2013 0:36
Znajdź wszystkie posty użytkownika Odpowiedz cytując ten post
Odpowiedz 


Skocz do:


Użytkownicy przeglądający ten wątek: 1 gości