Odpowiedz 
 
Ocena wątku:
  • 2 Głosów - 5 Średnio
  • 1
  • 2
  • 3
  • 4
  • 5
Analizator NA01
SP6FRE Offline
Leszek
****

Liczba postów: 737
Dołączył: 20-09-2009
Post: #35
RE: Analizator NA01
Nic tak nie cieszy jak kolega, który zaufał prezentowanemu rozwiązaniu ;-)
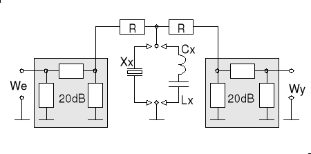
Powoli kontynuuję oprogramowanie o nowe funkcjonalności. Tym razem chodzi o zespół pomiarów związanych z rezonansem obwodu LC lub rezonatora kwarcowego. W ramach tego pomiaru system określa częstotliwość rezonansu ale również parametry Lx oraz Cx przy znanych wartościach referencyjnych Cr oraz Lr. System automatycznie wylicza również dobroć mierzonego obwodu.
Z pomiarem dobroci mam jeszcze dylemat opisany w wątku:
metoda pomiaru dobroci
niemniej widać, że co najmniej możliwe będzie porównanie jakości obwodów.
Pomiar częstotliwości rezonansu wykonywane jest z dokładnością 10Hz co sprawdza się szczególnie przy pomiarach rezonatorów kwarcowych co, mam nadzieję, będę mógł pokazać na krótkim filmie. Pomiar 3 rezonatorów 8MHz wykazał różnicę w częstotliwościach rzędu 30Hz oraz ich dobroci w zakresie od 190000 do 120000.
Sam pomiar będzie wymagał przystawki zawierającej dwa tłumiki 20dB oraz podstawek dla mierzonych elementów. Załączony schemat pokazuje, że nie będzie to układ zbyt skomplikowany ;-) Przed pomiarem trzeba będzie wykonać kalibrację podobną do tej przy pomiarze w paśmie. Pomiar pozwoli na znalezienie metodą rezonansową komplementarnej wartości pojemności Cx lub indukcyjności Lx przy znanej wartości referencyjnej Lr lub pojemności Cr. Wartości Lr i Cr można ustawić na początku pomiaru - dla tej funkcjonalności musiałem rozbudować początkowe menu jak to widać na pierwszym zdjęciu. Wartości Cr oraz Lr można zmieniać z krokiem LCst w zakresie od 0.1 do 1000 w zakresie od 0.1uH oraz 1pF do 99999uH oraz 99999pF. Sam pomiar jest wykonany automatycznie po właściwym doborze częstotliwości pomiaru. Dla przykładu, mając obwód rezonansowy gdzie dobrze określona jest pojemność należy doprowadzić do pomiaru jego rezonansu szeregowego uzyskując w wyniku wartość częstotliwości rezonansu, dobroć mierzonego obwodu rezonansowego oraz indukcyjność Lx użytej cewki przy znanej pojemności Cr. Dodatkowy wynik pojemności Cx pokazuje jaki powinien być kondensator Cx dla założonej w menu wartości indukcyjności Lr.
Na kolejnych zdjęciach widać wynik pomiaru rezonatora kwarcowego 8MHz oraz pomiar przypadkowego obwodu rezonansowego.
Wkrótce zamieszczę kolejną wersję oprogramowania z nową funkcjonalnością i przede mną oprogramowanie pomiaru mocy.
L.J.


Załączone pliki Miniatury
İmage İmage İmage İmage
(Ten post był ostatnio modyfikowany: 11-07-2011 23:09 przez SP6FRE.)
11-07-2011 23:07
Odwiedź stronę użytkownika Znajdź wszystkie posty użytkownika Odpowiedz cytując ten post
Odpowiedz 


Wiadomości w tym wątku
Analizator NA01 - SP6FRE - 09-05-2010, 21:35
RE: Analizator NA01 - TG50 - 11-05-2010, 23:27
RE: Analizator NA01 - SP6FRE - 12-05-2010, 20:31
RE: Analizator NA01 - SP2QCA - 17-05-2010, 10:19
RE: Analizator NA01 - SP6FRE - 19-05-2010, 0:48
RE: Analizator NA01 - SP8RHP - 07-06-2010, 9:28
RE: Analizator NA01 - SQ4AVS - 07-06-2010, 10:20
RE: Analizator NA01 - SP6FRE - 09-06-2010, 14:08
RE: Analizator NA01 - SQ4AVS - 09-06-2010, 17:09
RE: Analizator NA01 - SP2QCA - 10-06-2010, 12:14
RE: Analizator NA01 - SQ4AVS - 10-06-2010, 12:55
RE: Analizator NA01 - SP2QCA - 10-06-2010, 16:14
RE: Analizator NA01 - SQ4AVS - 10-06-2010, 17:33
RE: Analizator NA01 - SP6FRE - 10-06-2010, 20:18
RE: Analizator NA01 - SQ4AVS - 10-06-2010, 20:41
RE: Analizator NA01 - TG50 - 11-06-2010, 12:54
RE: Analizator NA01 - SP2QCA - 12-06-2010, 2:04
RE: Analizator NA01 - SP3NYF - 11-06-2010, 17:39
RE: Analizator NA01 - SP6FRE - 13-06-2010, 23:04
RE: Analizator NA01 - SP6FRE - 26-06-2011, 15:35
RE: Analizator NA01 - SP6FRE - 26-06-2011, 23:49
RE: Analizator NA01 - SP6FRE - 29-06-2011, 0:06
RE: Analizator NA01 - SP6FRE - 29-06-2011, 22:38
RE: Analizator NA01 - SP2QCA - 30-06-2011, 10:56
RE: Analizator NA01 - SP6FRE - 30-06-2011, 23:03
RE: Analizator NA01 - 3Z6AEF - 01-07-2011, 1:01
RE: Analizator NA01 - SP6FRE - 02-07-2011, 20:03
RE: Analizator NA01 - SP6FRE - 03-07-2011, 14:36
RE: Analizator NA01 - SQ9MDD - 04-07-2011, 12:28
RE: Analizator NA01 - SP6FRE - 05-07-2011, 9:25
RE: Analizator NA01 - SQ9MDD - 05-07-2011, 12:16
RE: Analizator NA01 - SP6FRE - 06-07-2011, 23:44
RE: Analizator NA01 - SP6FRE - 07-07-2011, 23:34
RE: Analizator NA01 - SP3VPA - 11-07-2011, 22:24
RE: Analizator NA01 - SP6FRE - 11-07-2011 23:07
RE: Analizator NA01 - SP3VPA - 13-07-2011, 21:22
RE: Analizator NA01 - SP6FRE - 14-07-2011, 0:11
RE: Analizator NA01 - SP3VPA - 14-07-2011, 8:39
RE: Analizator NA01 - SP6FRE - 14-07-2011, 10:37
RE: Analizator NA01 - SP6FRE - 15-07-2011, 10:30
RE: Analizator NA01 - SP6FRE - 17-07-2011, 0:29
RE: Analizator NA01 - SP6FRE - 17-07-2011, 12:46
RE: Analizator NA01 - SP3SWJ - 18-07-2011, 14:14
RE: Analizator NA01 - SP6FRE - 18-07-2011, 22:00
RE: Analizator NA01 - SP6FRE - 22-07-2011, 0:16
RE: Analizator NA01 - SP3SWJ - 22-07-2011, 0:56
RE: Analizator NA01 - SP6FRE - 22-07-2011, 20:26
RE: Analizator NA01 - SP6FRE - 25-07-2011, 23:27
RE: Analizator NA01 - SP3SWJ - 25-07-2011, 23:48
RE: Analizator NA01 - SP6FRE - 29-07-2011, 0:15
RE: Analizator NA01 - SP6FRE - 31-07-2011, 19:30
RE: Analizator NA01 - SP6FRE - 07-08-2011, 21:39
RE: Analizator NA01 - SP3SWJ - 09-08-2011, 12:47
RE: Analizator NA01 - SP6FRE - 10-08-2011, 12:53
RE: Analizator NA01 - SP3SWJ - 10-08-2011, 16:59
RE: Analizator NA01 - SP6FRE - 28-08-2011, 22:11
RE: Analizator NA01 - SP3SWJ - 28-08-2011, 22:34
RE: Analizator NA01 - SP6FRE - 02-09-2011, 22:52
RE: Analizator NA01 - SP3SWJ - 02-09-2011, 23:42
RE: Analizator NA01 - SP6FRE - 03-09-2011, 18:01
RE: Analizator NA01 - SP6FRE - 04-09-2011, 18:43
RE: Analizator NA01 - SP6FRE - 09-09-2011, 21:15
RE: Analizator NA01 - SP6FRE - 12-09-2011, 21:47
RE: Analizator NA01 - SQ7HJB - 17-09-2011, 14:28
RE: Analizator NA01 - SP6FRE - 18-09-2011, 13:25
RE: Analizator NA01 - SQ7HJB - 18-09-2011, 14:34
RE: Analizator NA01 - SP6FRE - 18-09-2011, 14:48
RE: Analizator NA01 - SQ7HJB - 18-09-2011, 16:49
RE: Analizator NA01 - SQ7HJB - 21-09-2011, 0:31
RE: Analizator NA01 - SP6FRE - 21-09-2011, 10:17
RE: Analizator NA01 - SQ7HJB - 21-09-2011, 22:42
RE: Analizator NA01 - SP6FRE - 22-09-2011, 8:52
RE: Analizator NA01 - SQ7HJB - 22-09-2011, 12:25
RE: Analizator NA01 - SP6FRE - 22-09-2011, 12:41
RE: Analizator NA01 - SQ7HJB - 23-09-2011, 11:21
RE: Analizator NA01 - SP6FRE - 23-09-2011, 12:32
RE: Analizator NA01 - SQ7HJB - 24-09-2011, 17:25
RE: Analizator NA01 - SP6FRE - 28-09-2011, 22:55
RE: Analizator NA01 - SQ7HJB - 28-09-2011, 22:59
RE: Analizator NA01 - SP6FRE - 29-09-2011, 9:48
RE: Analizator NA01 - SP6FRE - 03-12-2011, 11:59
RE: Analizator NA01 - SQ7HJB - 01-01-2012, 12:00
RE: Analizator NA01 - SP8LNG - 21-01-2012, 22:51
RE: Analizator NA01 - SQ7HJB - 25-01-2012, 11:47
RE: Analizator NA01 - SP6FRE - 25-01-2012, 20:48
RE: Analizator NA01 - SQ7HJB - 25-01-2012, 23:58
RE: Analizator NA01 - SP6FRE - 26-01-2012, 0:21
RE: Analizator NA01 - SP8LNG - 26-01-2012, 0:53
RE: Analizator NA01 - SQ7HJB - 26-01-2012, 10:24
RE: Analizator NA01 - SP6FRE - 26-01-2012, 10:46
RE: Analizator NA01 - SP6FRE - 22-02-2012, 1:19
RE: Analizator NA01 - SQ4RNF - 24-02-2012, 21:12
RE: Analizator NA01 - SQ1GYQ - 24-02-2012, 18:30
RE: Analizator NA01 - SQ8Z - 24-02-2012, 21:27
RE: Analizator NA01 - SQ4AVS - 24-02-2012, 22:01
RE: Analizator NA01 - SP6FRE - 25-02-2012, 20:01
RE: Analizator NA01 - SP6FRE - 23-03-2012, 21:57
RE: Analizator NA01 - SQ1GYQ - 23-03-2012, 22:39
RE: Analizator NA01 - SQ8NVF - 24-03-2012, 18:45
RE: Analizator NA01 - SP6FRE - 24-03-2012, 19:39
RE: Analizator NA01 - SP6FRE - 26-03-2012, 23:35
RE: Analizator NA01 - SP6FRE - 28-03-2012, 23:50
RE: Analizator NA01 - SP6FRE - 31-03-2012, 21:32
RE: Analizator NA01 - SP6JUT - 04-04-2012, 18:01
RE: Analizator NA01 - SP6FRE - 05-04-2012, 23:10
RE: Analizator NA01 - SP6FRE - 14-04-2012, 0:10
RE: Analizator NA01 - SP6FRE - 16-04-2012, 22:05
RE: Analizator NA01 - SP6FRE - 19-06-2012, 13:10
RE: Analizator NA01 - SQ9ROP - 19-06-2012, 18:26
RE: Analizator NA01 - SP7MUN - 18-07-2012, 20:03
RE: Analizator NA01 - SP6FRE - 18-07-2012, 21:31
RE: Analizator NA01 - SP7MUN - 23-07-2012, 18:08
RE: Analizator NA01 - KLIMA - 23-07-2012, 19:08
RE: Analizator NA01 - SQ8NVF - 23-07-2012, 20:59
RE: Analizator NA01 - SQ1GYQ - 23-07-2012, 21:24
RE: Analizator NA01 - SP6FRE - 24-07-2012, 13:24
RE: Analizator NA01 - SP7MUN - 30-07-2012, 13:00
RE: Analizator NA01 - SP6FRE - 30-07-2012, 20:31
RE: Analizator NA01 - SP7MUN - 11-08-2012, 11:54
RE: Analizator NA01 - SP6FRE - 06-10-2012, 17:42
RE: Analizator NA01 - SP7MUN - 21-10-2012, 12:11
RE: Analizator NA01 - SP6FRE - 21-10-2012, 17:58
RE: Analizator NA01 - SQ1GYQ - 21-10-2012, 18:47
RE: Analizator NA01 - SP4HKQ - 21-10-2012, 20:18
RE: Analizator NA01 - SQ1GYQ - 21-10-2012, 20:39
RE: Analizator NA01 - SP7MUN - 26-10-2012, 12:57
RE: Analizator NA01 - SP6FRE - 29-10-2012, 14:08
RE: Analizator NA01 - SP7MUN - 29-10-2012, 16:34
RE: Analizator NA01 - SP9FKP - 30-10-2012, 8:58
RE: Analizator NA01 - SP6FRE - 31-10-2012, 8:46
RE: Analizator NA01 - SP6FRE - 18-11-2012, 19:53
RE: Analizator NA01 - SP7MUN - 11-01-2013, 16:09
RE: Analizator NA01 - SP7MUN - 11-02-2013, 15:56
RE: Analizator NA01 - SP6FRE - 11-02-2013, 19:41
RE: Analizator NA01 - SP7MUN - 12-02-2013, 12:19
RE: Analizator NA01 - SP6FRE - 07-04-2013, 12:46
RE: Analizator NA01 - SP7MUN - 18-04-2013, 13:29
RE: Analizator NA01 - SP6FRE - 19-04-2013, 13:58
RE: Analizator NA01 - SP6FRE - 06-05-2013, 22:07
RE: Analizator NA01 - SP6FRE - 11-05-2013, 15:29
RE: Analizator NA01 - SP6FRE - 16-05-2013, 22:06
RE: Analizator NA01 - SP6FRE - 19-05-2013, 14:59
RE: Analizator NA01 - SQ8LUY - 25-05-2013, 12:51
RE: Analizator NA01 - SP6FRE - 26-05-2013, 20:52
RE: Analizator NA01 - UA6HNA - 29-05-2013, 18:23
RE: Analizator NA01 - SP6FRE - 29-05-2013, 19:01
RE: Analizator NA01 - UA6HNA - 29-05-2013, 19:23
RE: Analizator NA01 - SP6FRE - 30-05-2013, 0:17
RE: Analizator NA01 - SQ9JXB - 28-06-2013, 18:32
RE: Analizator NA01 - SP6FRE - 11-07-2013, 8:30
RE: Analizator NA01 - UA6HNA - 11-07-2013, 18:31
RE: Analizator NA01 - SQ8LUY - 12-07-2013, 12:08
RE: Analizator NA01 - SP6FRE - 12-07-2013, 12:43
RE: Analizator NA01 - UA6HNA - 12-07-2013, 12:47
RE: Analizator NA01 - SQ7HJB - 12-08-2013, 20:13
RE: Analizator NA01 - SP8LNG - 19-09-2013, 22:02
RE: Analizator NA01 - SP6FRE - 25-09-2013, 15:40
RE: Analizator NA01 - SP8LNG - 27-09-2013, 0:16
RE: Analizator NA01 - SP6FRE - 27-09-2013, 8:04
RE: Analizator NA01 - SP8LNG - 30-09-2013, 23:17
RE: Analizator NA01 - SP6FRE - 01-10-2013, 13:40
RE: Analizator NA01 - SP8LNG - 03-10-2013, 0:05
RE: Analizator NA01 - SP6FRE - 03-10-2013, 9:15
RE: Analizator NA01 - SQ7HJB - 03-10-2013, 11:09
RE: Analizator NA01 - SP8LNG - 18-10-2013, 15:45
RE: Analizator NA01 - SP6FRE - 21-10-2013, 9:31
RE: Analizator NA01 - SP8LNG - 21-10-2013, 14:57
RE: Analizator NA01 - SQ7HJB - 29-10-2013, 20:26
RE: Analizator NA01 - SP6FRE - 30-10-2013, 19:40
RE: Analizator NA01 - SQ7HJB - 04-11-2013, 20:16
RE: Analizator NA01 - SP6FRE - 20-12-2013, 10:56
RE: Analizator NA01 - SP6FRE - 08-02-2014, 16:03
RE: Analizator NA01 - SQ5TDZ - 15-02-2014, 11:32
RE: Analizator NA01 - SQ9JXB - 15-02-2014, 17:35
RE: Analizator NA01 - blejders - 20-03-2014, 20:02
RE: Analizator NA01 - SP6FRE - 23-03-2014, 12:30
RE: Analizator NA01 - SQ4AVS - 23-03-2014, 12:57
RE: Analizator NA01 - SP4EJT - 23-03-2014, 15:34
RE: Analizator NA01 - SP9FKP - 23-03-2014, 15:45
RE: Analizator NA01 - blejders - 23-03-2014, 15:48
RE: Analizator NA01 - SP6FRE - 24-03-2014, 10:29
RE: Analizator NA01 - blejders - 24-03-2014, 15:57
RE: Analizator NA01 - SP6FRE - 24-03-2014, 18:14
RE: Analizator NA01 - blejders - 25-03-2014, 15:12
RE: Analizator NA01 - SQ4AVS - 25-03-2014, 16:52
RE: Analizator NA01 - blejders - 25-03-2014, 18:16
RE: Analizator NA01 - SQ4AVS - 25-03-2014, 19:41
RE: Analizator NA01 - SQ6ADE - 25-03-2014, 20:59
RE: Analizator NA01 - blejders - 25-03-2014, 22:55
RE: Analizator NA01 - SQ6ADE - 25-03-2014, 23:05
RE: Analizator NA01 - blejders - 25-03-2014, 23:54
RE: Analizator NA01 - SP6FRE - 26-03-2014, 10:34
RE: Analizator NA01 - SQ5TDZ - 12-07-2014, 8:05
RE: Analizator NA01 - SP7DCB - 05-01-2017, 9:34
RE: Analizator NA01 - SP6FRE - 05-01-2017, 10:55
RE: Analizator NA01 - SP7DCB - 05-01-2017, 14:30
RE: Analizator NA01 - SP6FRE - 05-01-2017, 16:22
RE: Analizator NA01 - SP7DCB - 05-01-2017, 22:21
RE: Analizator NA01 - SP7DCB - 12-01-2017, 23:51
RE: Analizator NA01 - SP6FRE - 13-01-2017, 10:19
RE: Analizator NA01 - SP6FRE - 30-01-2017, 22:12
RE: Analizator NA01 - SP6FRE - 18-05-2017, 13:52
RE: Analizator NA01 - SQ4AVS - 09-01-2021, 12:28

Skocz do:


Użytkownicy przeglądający ten wątek: 1 gości