Odpowiedz 
 
Ocena wątku:
  • 0 Głosów - 0 Średnio
  • 1
  • 2
  • 3
  • 4
  • 5
Mostek SWR do NA01
SP6FRE Offline
Leszek
****

Liczba postów: 737
Dołączył: 20-09-2009
Post: #1
Mostek SWR do NA01
Wprawdzie temat był już poruszany kilkukrotnie ale wydaje mi się logiczne wydzielenie opisu mostka, który wprawdzie stanowił będzie część zestawu pomiarowego analizatora:
NA01
ale może być użyty zupełnie niezależnie lub z innym systemem pomiarowym tego typu.
Praca niezależna wymaga dołączenia na wyjściu Mon detektora oraz np. miernika wskazówkowego a także wyskalowania w jednostkach SWR.
Schemat układu jest wielokrotnie już przytaczany w tym dziale, realizacja również nie jest specjalnie odkrywcza.
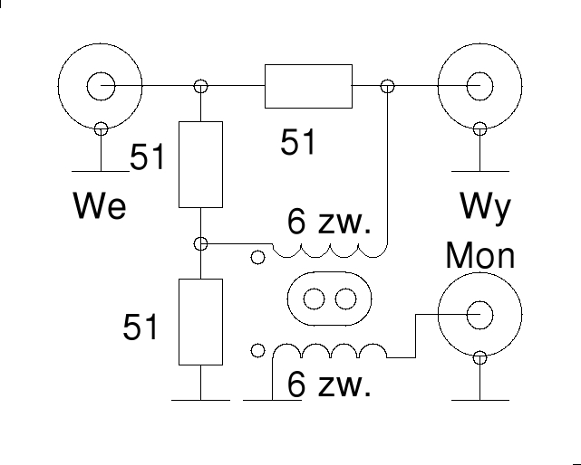
Układ pomiarowy zmontowany został w pudełku wykonanym ze zlutowanych płytek z laminatu jednostronnego a wymiary pudełka to 40/53/20mm. Całość została zamontowana wewnątrz metodą montażu przestrzennego i składa się z trzech gniazd BNC, trzech rezystorów 51 omów oraz transformatora na rdeniu dwuotworowym, na którego środkowej kolumnie nawinąłem 6 zwojów skręconą parą drutów izolowanych 0.4mm.
Na kolejnych zdjęciach pokazałem tłumienie i równomierność tłumienia mostka w paśmie 1-30MHz pomiędzy wejściem a wyjściem oraz sygnał na wyjściu Mon mostka przy dopasowaniu na jego wyjściu co daje pogląd na dynamikę układu pomiarowego. Tłumienie mostka w paśmie pracy (we-wy) waha się w granicach 3-6 dB. Tłumienie na wyjściu pomiarowym, przy dopasowaniu mostka na wyjściu, zmienia się od. ok. 39db dla 1MHz do ok 16 dB na częstotliwości 30MHz co zapewnia dynamikę pomiaru SWR w zakresie od 1.02 na 1MHz oraz 1.4 na 30MHz. To wyniki wstępne, może uda się poprawić je dla wyższych częstotliwości ;-)
L.J.


Załączone pliki Miniatury
İmage İmage İmage İmage İmage
(Ten post był ostatnio modyfikowany: 08-07-2011 0:04 przez SP6FRE.)
08-07-2011 0:02
Odwiedź stronę użytkownika Znajdź wszystkie posty użytkownika Odpowiedz cytując ten post
Odpowiedz 


Wiadomości w tym wątku
Mostek SWR do NA01 - SP6FRE - 08-07-2011 0:02
RE: Mostek SWR do NA01 - SP4HKQ - 08-07-2011, 10:03
RE: Mostek SWR do NA01 - SP6FRE - 08-07-2011, 10:31
RE: Mostek SWR do NA01 - SP6FRE - 08-07-2011, 23:26
RE: Mostek SWR do NA01 - SP6FRE - 25-07-2011, 23:17
RE: Mostek SWR do NA01 - SQ8GUM - 27-07-2011, 22:49
RE: Mostek SWR do NA01 - SP5AQT - 28-07-2011, 8:37
RE: Mostek SWR do NA01 - SP2QCA - 28-07-2011, 12:05
RE: Mostek SWR do NA01 - SP6FRE - 28-07-2011, 12:28
RE: Mostek SWR do NA01 - SP2QCA - 28-07-2011, 13:53
RE: Mostek SWR do NA01 - SQ8GUM - 28-07-2011, 13:07
RE: Mostek SWR do NA01 - SP5AQT - 28-07-2011, 16:22
RE: Mostek SWR do NA01 - SP2QCA - 28-07-2011, 16:55

Skocz do:


Użytkownicy przeglądający ten wątek: 1 gości