|
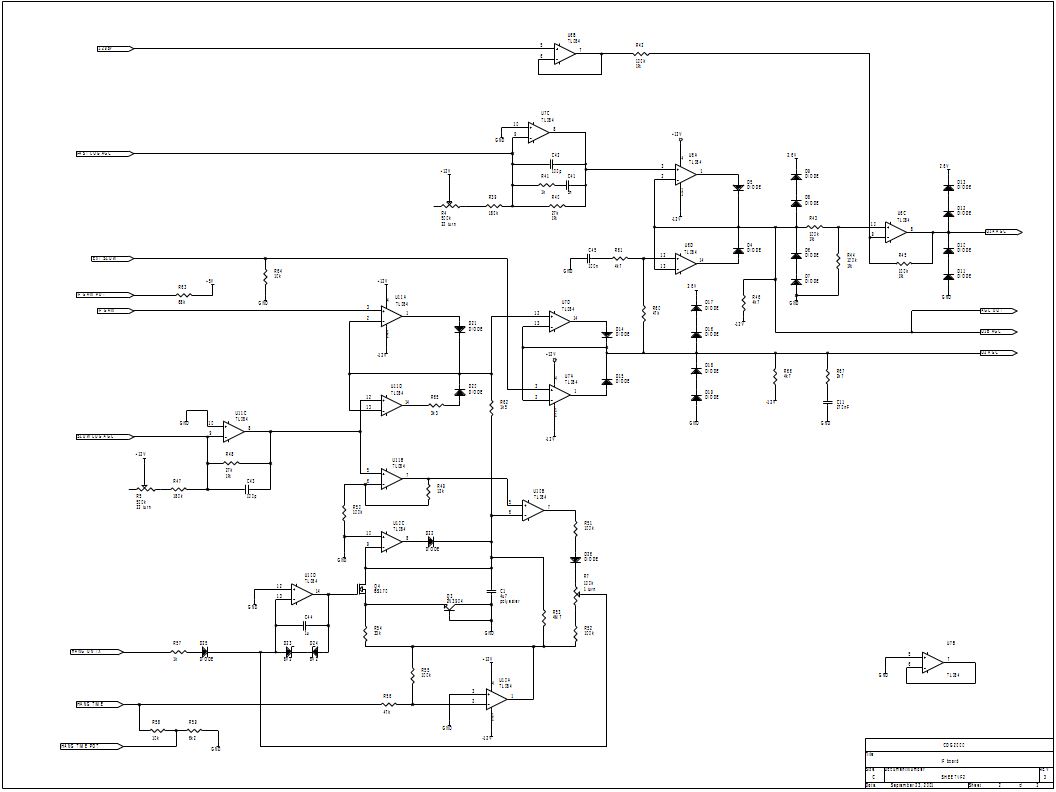
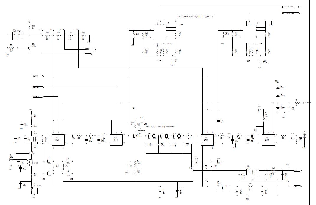
Wzmacniacz pośr. (IF) wg. F6CER, ew. hycas wg. W7ZOI
|
SP2JQR
Henryk ![]() ![]() ![]() ![]() ![]() Liczba postów: 1,528 Dołączył: 23-08-2009 |
|
||
| 24-01-2025 12:07 |
|
|
« Starszy wątek | Nowszy wątek »
|
Użytkownicy przeglądający ten wątek: 6 gości




