Odpowiedz 
 
Ocena wątku:
  • 3 Głosów - 4.67 Średnio
  • 1
  • 2
  • 3
  • 4
  • 5
Trx Wolf
SP2NBC Offline
Zdzisław
***

Liczba postów: 107
Dołączył: 28-01-2010
Post: #367
RE: Trx Wolf
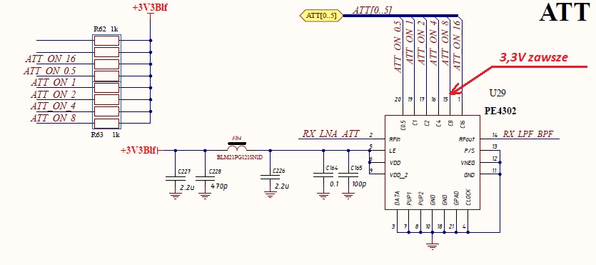
W wersji WF-100D zawsze jest stan wysoki, 3,3V jak na załączonym schemacie


Załączone pliki Miniatury
İmage
08-11-2022 0:37
Znajdź wszystkie posty użytkownika Odpowiedz cytując ten post
Odpowiedz 


Wiadomości w tym wątku
Trx Wolf - SP1EZC - 09-05-2022, 17:42
RE: Trx Wolf - SQ3AUP - 09-05-2022, 19:31
RE: Trx Wolf - SP1EZC - 09-05-2022, 23:02
RE: Trx Wolf - SP8NTY - 10-05-2022, 6:26
RE: Trx Wolf - SP9BSL - 10-05-2022, 8:44
RE: Trx Wolf - SP1EZC - 14-05-2022, 14:14
RE: Trx Wolf - SQ3AUP - 14-05-2022, 21:52
RE: Trx Wolf - SP1EZC - 14-05-2022, 23:53
RE: Trx Wolf - SP5TAA - 15-05-2022, 13:20
RE: Trx Wolf - SP6AUO - 15-05-2022, 17:25
RE: Trx Wolf - SP5TAA - 15-05-2022, 23:19
RE: Trx Wolf - SP7GRV - 15-05-2022, 19:41
RE: Trx Wolf - SP2NBC - 16-05-2022, 8:10
RE: Trx Wolf - SP1EZC - 16-05-2022, 13:41
RE: Trx Wolf - SP5TAA - 16-05-2022, 21:30
RE: Trx Wolf - SQ2EER - 16-05-2022, 18:05
RE: Trx Wolf - SP9XCC - 16-05-2022, 23:00
RE: Trx Wolf - SP6AUO - 17-05-2022, 9:36
RE: Trx Wolf - SP6LTP - 17-05-2022, 10:26
RE: Trx Wolf - SP6AUO - 17-05-2022, 11:19
RE: Trx Wolf - SP9XCC - 17-05-2022, 12:01
RE: Trx Wolf - SP6AUO - 18-05-2022, 17:13
RE: Trx Wolf - SP1EZC - 18-05-2022, 19:20
RE: Trx Wolf - SP9XCC - 19-05-2022, 11:58
RE: Trx Wolf - SP6AUO - 19-05-2022, 13:24
RE: Trx Wolf - SP9XCC - 19-05-2022, 17:50
RE: Trx Wolf - SP6AUO - 19-05-2022, 19:03
RE: Trx Wolf - SP9XCC - 19-05-2022, 21:09
RE: Trx Wolf - SP6AUO - 19-05-2022, 21:11
RE: Trx Wolf - SP9XCC - 19-05-2022, 22:09
RE: Trx Wolf - SP6AUO - 19-05-2022, 22:16
RE: Trx Wolf - SP9XCC - 20-05-2022, 7:33
RE: Trx Wolf - SP6AUO - 20-05-2022, 11:55
RE: Trx Wolf - SP9XCC - 20-05-2022, 13:31
RE: Trx Wolf - SP6AUO - 20-05-2022, 13:43
RE: Trx Wolf - SP9XCC - 20-05-2022, 13:59
RE: Trx Wolf - SP6AUO - 20-05-2022, 15:00
RE: Trx Wolf - SP9XCC - 20-05-2022, 15:49
RE: Trx Wolf - SP6AUO - 20-05-2022, 19:22
RE: Trx Wolf - SP4LVC - 20-05-2022, 19:50
RE: Trx Wolf - SP6AUO - 20-05-2022, 20:18
RE: Trx Wolf - SP4LVC - 20-05-2022, 22:31
RE: Trx Wolf - SP6AUO - 21-05-2022, 4:55
RE: Trx Wolf - SP9XCC - 21-05-2022, 9:52
RE: Trx Wolf - SP6AUO - 22-05-2022, 12:42
RE: Trx Wolf - SP9XCC - 22-05-2022, 13:13
RE: Trx Wolf - SP5TAA - 22-05-2022, 14:34
RE: Trx Wolf - SP9XCC - 22-05-2022, 15:28
RE: Trx Wolf - SP9MTS - 22-05-2022, 17:07
RE: Trx Wolf - SP9BSL - 23-05-2022, 11:41
RE: Trx Wolf - SP9XCC - 24-05-2022, 15:24
RE: Trx Wolf - SP9BSL - 24-05-2022, 16:15
RE: Trx Wolf - SP9XCC - 24-05-2022, 16:22
RE: Trx Wolf - SP5CGI - 24-05-2022, 16:42
RE: Trx Wolf - SP5TAA - 24-05-2022, 16:44
RE: Trx Wolf - SP6LTP - 24-05-2022, 21:32
RE: Trx Wolf - SP2NBC - 24-05-2022, 21:32
RE: Trx Wolf - SP5TAA - 24-05-2022, 22:38
RE: Trx Wolf - SP9XCC - 25-05-2022, 14:55
RE: Trx Wolf - SP9XCC - 28-05-2022, 15:56
RE: Trx Wolf - SP6AUO - 28-05-2022, 16:38
RE: Trx Wolf - SP9XCC - 29-05-2022, 21:14
RE: Trx Wolf - SP3JDZ - 06-06-2022, 11:38
RE: Trx Wolf - SP9XCC - 06-06-2022, 12:00
RE: Trx Wolf - SP3JDZ - 06-06-2022, 12:15
RE: Trx Wolf - SP9XCC - 07-06-2022, 13:47
RE: Trx Wolf - SP3JDZ - 07-06-2022, 14:24
RE: Trx Wolf - SP9XCC - 07-06-2022, 21:59
RE: Trx Wolf - SP3JDZ - 08-06-2022, 9:15
RE: Trx Wolf - SP5TAA - 29-05-2022, 21:46
RE: Trx Wolf - SP9XCC - 29-05-2022, 22:55
RE: Trx Wolf - SP5TAA - 30-05-2022, 11:57
RE: Trx Wolf - SP9XCC - 31-05-2022, 18:02
RE: Trx Wolf - SP2NBC - 31-05-2022, 20:40
RE: Trx Wolf - SP9XCC - 31-05-2022, 22:37
RE: Trx Wolf - SP9XCC - 04-06-2022, 22:38
RE: Trx Wolf - SP6AUO - 05-06-2022, 13:54
RE: Trx Wolf - SP9MTS - 05-06-2022, 20:14
RE: Trx Wolf - SP6AUO - 05-06-2022, 21:49
RE: Trx Wolf - SP9XCC - 08-06-2022, 19:43
RE: Trx Wolf - SP3JDZ - 08-06-2022, 19:45
RE: Trx Wolf - SP9XCC - 09-06-2022, 9:15
RE: Trx Wolf - SP9FKP - 09-06-2022, 9:58
RE: Trx Wolf - SP9XCC - 09-06-2022, 11:19
RE: Trx Wolf - SP9XCC - 13-06-2022, 22:23
RE: Trx Wolf - SP9XCC - 16-06-2022, 13:12
RE: Trx Wolf - SP9XCC - 21-06-2022, 6:42
RE: Trx Wolf - SP9BSL - 21-06-2022, 9:16
RE: Trx Wolf - SP9XCC - 21-06-2022, 11:07
RE: Trx Wolf - SP5TAA - 23-06-2022, 23:26
RE: Trx Wolf - SP9XCC - 24-06-2022, 7:02
RE: Trx Wolf - SP2NBC - 24-06-2022, 8:45
RE: Trx Wolf - SP5TAA - 24-06-2022, 8:53
RE: Trx Wolf - SP9XCC - 24-06-2022, 10:31
RE: Trx Wolf - SP6AUO - 24-06-2022, 11:34
RE: Trx Wolf - SP9XCC - 24-06-2022, 13:12
RE: Trx Wolf - SP6AUO - 24-06-2022, 16:23
RE: Trx Wolf - SP9XCC - 24-06-2022, 21:19
RE: Trx Wolf - SP6AUO - 24-06-2022, 21:50
RE: Trx Wolf - SP9XCC - 25-06-2022, 13:55
RE: Trx Wolf - SP6AUO - 25-06-2022, 16:11
RE: Trx Wolf - SP9XCC - 25-06-2022, 16:47
RE: Trx Wolf - SP9XCC - 28-06-2022, 18:02
RE: Trx Wolf - SP6AUO - 30-06-2022, 16:08
RE: Trx Wolf - SP9XCC - 01-07-2022, 6:38
RE: Trx Wolf - SP6AUO - 01-07-2022, 8:15
RE: Trx Wolf - SP9XCC - 01-07-2022, 9:12
RE: Trx Wolf - SP6AUO - 02-07-2022, 17:03
RE: Trx Wolf - SP9XCC - 02-07-2022, 19:49
RE: Trx Wolf - SP6AUO - 02-07-2022, 19:54
RE: Trx Wolf - SP9XCC - 02-07-2022, 20:17
RE: Trx Wolf - SP6AUO - 02-07-2022, 21:22
RE: Trx Wolf - SP9XCC - 02-07-2022, 22:49
RE: Trx Wolf - SP6AUO - 03-07-2022, 7:55
RE: Trx Wolf - SP9XCC - 03-07-2022, 10:54
RE: Trx Wolf - SP6AUO - 05-07-2022, 9:43
RE: Trx Wolf - SP9XCC - 05-07-2022, 16:18
RE: Trx Wolf - SP6AUO - 07-07-2022, 9:33
RE: Trx Wolf - SP9XCC - 07-07-2022, 10:51
RE: Trx Wolf - SP6AUO - 07-07-2022, 12:00
RE: Trx Wolf - SP9XCC - 07-07-2022, 12:51
RE: Trx Wolf - SP6LTP - 07-07-2022, 13:22
RE: Trx Wolf - SP9XCC - 07-07-2022, 22:20
RE: Trx Wolf - SP4EBI - 10-07-2022, 16:44
RE: Trx Wolf - SP9XCC - 11-07-2022, 20:47
RE: Trx Wolf - SP4EBI - 11-07-2022, 22:16
RE: Trx Wolf - SP9XCC - 14-07-2022, 6:21
RE: Trx Wolf - SP9OYN - 15-07-2022, 5:48
RE: Trx Wolf - SP4EBI - 15-07-2022, 10:23
RE: Trx Wolf - SP9XCC - 15-07-2022, 20:26
RE: Trx Wolf - SP9OYN - 16-07-2022, 18:14
RE: Trx Wolf - SP5TAA - 26-07-2022, 13:32
RE: Trx Wolf - SP6AUO - 26-07-2022, 16:11
RE: Trx Wolf - SP5TAA - 26-07-2022, 16:30
RE: Trx Wolf - SP6AUO - 26-07-2022, 18:34
RE: Trx Wolf - SP5TAA - 27-07-2022, 10:46
RE: Trx Wolf - SP6AUO - 27-07-2022, 15:43
RE: Trx Wolf - SP5TAA - 27-07-2022, 16:52
RE: Trx Wolf - SP6AUO - 27-07-2022, 18:08
RE: Trx Wolf - SP5TAA - 27-07-2022, 21:01
RE: Trx Wolf - SP6AUO - 28-07-2022, 6:06
RE: Trx Wolf - SP9XCC - 28-07-2022, 13:20
RE: Trx Wolf - SP6AUO - 28-07-2022, 14:45
RE: Trx Wolf - SP9XCC - 28-07-2022, 15:05
RE: Trx Wolf - SP6AUO - 28-07-2022, 16:01
RE: Trx Wolf - SP9BSL - 28-07-2022, 19:55
RE: Trx Wolf - SP6AUO - 29-07-2022, 8:22
RE: Trx Wolf - SP5TAA - 29-07-2022, 11:15
RE: Trx Wolf - SQ2EER - 29-07-2022, 13:40
RE: Trx Wolf - SP6AUO - 29-07-2022, 15:34
RE: Trx Wolf - SP5TAA - 30-07-2022, 1:28
RE: Trx Wolf - SP6AUO - 30-07-2022, 17:26
RE: Trx Wolf - SP5TAA - 30-07-2022, 18:24
RE: Trx Wolf - SP6AUO - 30-07-2022, 19:41
RE: Trx Wolf - SP9XCC - 30-07-2022, 22:26
RE: Trx Wolf - SP6AUO - 31-07-2022, 4:14
RE: Trx Wolf - SP9XCC - 31-07-2022, 12:28
RE: Trx Wolf - SP6AUO - 31-07-2022, 20:08
RE: Trx Wolf - SP9XCC - 31-07-2022, 20:45
RE: Trx Wolf - Qmar - 31-07-2022, 20:47
RE: Trx Wolf - SP9XCC - 31-07-2022, 21:43
RE: Trx Wolf - SP6AUO - 31-07-2022, 21:44
RE: Trx Wolf - SP9XCC - 31-07-2022, 21:57
RE: Trx Wolf - SP6AUO - 31-07-2022, 22:18
RE: Trx Wolf - SP9XCC - 01-08-2022, 16:58
RE: Trx Wolf - SP6AUO - 02-08-2022, 21:39
RE: Trx Wolf - SP9XCC - 02-08-2022, 22:19
RE: Trx Wolf - SP6AUO - 03-08-2022, 9:04
RE: Trx Wolf - SP9XCC - 03-08-2022, 9:52
RE: Trx Wolf - SP6AUO - 03-08-2022, 10:16
RE: Trx Wolf - SP9BSL - 03-08-2022, 11:16
RE: Trx Wolf - SP6AUO - 03-08-2022, 13:10
RE: Trx Wolf - SP9BSL - 04-08-2022, 6:33
RE: Trx Wolf - SP6AUO - 04-08-2022, 8:29
RE: Trx Wolf - SP6AUO - 26-08-2022, 19:39
RE: Trx Wolf - Qmar - 26-08-2022, 19:48
RE: Trx Wolf - SP6AUO - 26-08-2022, 19:58
RE: Trx Wolf - SP5TAA - 27-08-2022, 0:14
RE: Trx Wolf - SP6AUO - 27-08-2022, 8:04
RE: Trx Wolf - SP5TAA - 27-08-2022, 8:49
RE: Trx Wolf - SP6AUO - 27-08-2022, 13:22
RE: Trx Wolf - SP5TAA - 27-08-2022, 13:50
RE: Trx Wolf - SP6AUO - 27-08-2022, 14:12
RE: Trx Wolf - SP9XCC - 27-08-2022, 21:59
RE: Trx Wolf - SP6AUO - 28-08-2022, 6:37
RE: Trx Wolf - SP9XCC - 28-08-2022, 10:39
RE: Trx Wolf - SP6AUO - 28-08-2022, 13:00
RE: Trx Wolf - SP9XCC - 28-08-2022, 14:27
RE: Trx Wolf - SP6AUO - 28-08-2022, 15:47
RE: Trx Wolf - SP9XCC - 29-08-2022, 8:24
RE: Trx Wolf - SP6AUO - 29-08-2022, 9:13
RE: Trx Wolf - SP9XCC - 29-08-2022, 10:20
RE: Trx Wolf - SP6AUO - 29-08-2022, 11:28
RE: Trx Wolf - SP5TAA - 29-08-2022, 16:23
RE: Trx Wolf - SP6AUO - 30-08-2022, 6:18
RE: Trx Wolf - SP9XCC - 30-08-2022, 10:15
RE: Trx Wolf - SP6AUO - 30-08-2022, 11:58
RE: Trx Wolf - SP9XCC - 30-08-2022, 12:21
RE: Trx Wolf - SP6AUO - 30-08-2022, 12:24
RE: Trx Wolf - SP9XCC - 30-08-2022, 13:41
RE: Trx Wolf - SQ8MVY - 30-08-2022, 18:31
RE: Trx Wolf - SP6AUO - 30-08-2022, 18:57
RE: Trx Wolf - SP9XCC - 30-08-2022, 21:58
RE: Trx Wolf - SP6AUO - 31-08-2022, 7:45
RE: Trx Wolf - SP9XCC - 31-08-2022, 9:58
RE: Trx Wolf - SP6AUO - 31-08-2022, 17:29
RE: Trx Wolf - SP9XCC - 01-09-2022, 6:26
RE: Trx Wolf - SP6AUO - 01-09-2022, 7:01
RE: Trx Wolf - SP6AUO - 04-09-2022, 16:01
RE: Trx Wolf - SP5TAA - 04-09-2022, 20:44
RE: Trx Wolf - SP6AUO - 05-09-2022, 9:23
RE: Trx Wolf - SP9XCC - 05-09-2022, 10:39
RE: Trx Wolf - SP5TAA - 05-09-2022, 12:26
RE: Trx Wolf - SP6AUO - 05-09-2022, 14:41
RE: Trx Wolf - SP9XCC - 05-09-2022, 19:56
RE: Trx Wolf - SP6AUO - 06-09-2022, 12:42
RE: Trx Wolf - SP9XCC - 06-09-2022, 13:09
RE: Trx Wolf - SP6AUO - 06-09-2022, 14:13
RE: Trx Wolf - SP5TAA - 06-09-2022, 14:22
RE: Trx Wolf - SP9XCC - 06-09-2022, 21:02
RE: Trx Wolf - SP6LTP - 06-09-2022, 22:23
RE: Trx Wolf - SP9XCC - 07-09-2022, 6:29
RE: Trx Wolf - SP5TAA - 07-09-2022, 10:00
RE: Trx Wolf - SP9XCC - 07-09-2022, 11:54
RE: Trx Wolf - SP6AUO - 07-09-2022, 14:43
RE: Trx Wolf - SP9BSL - 07-09-2022, 15:03
RE: Trx Wolf - SP6AUO - 07-09-2022, 19:42
RE: Trx Wolf - SP6LTP - 07-09-2022, 21:56
RE: Trx Wolf - SP9XCC - 08-09-2022, 6:52
RE: Trx Wolf - SP6AUO - 08-09-2022, 8:48
RE: Trx Wolf - SP9BSL - 08-09-2022, 10:38
RE: Trx Wolf - SP6AUO - 08-09-2022, 14:18
RE: Trx Wolf - SP9BSL - 08-09-2022, 14:30
RE: Trx Wolf - SP5TAA - 08-09-2022, 16:35
RE: Trx Wolf - SP9BSL - 09-09-2022, 9:10
RE: Trx Wolf - SP6AUO - 08-09-2022, 20:20
RE: Trx Wolf - SP5TAA - 08-09-2022, 21:30
RE: Trx Wolf - SP6AUO - 08-09-2022, 21:39
RE: Trx Wolf - SP6LTP - 08-09-2022, 21:53
RE: Trx Wolf - SP5TAA - 08-09-2022, 23:03
RE: Trx Wolf - SP6LTP - 08-09-2022, 23:14
RE: Trx Wolf - SP5TAA - 09-09-2022, 0:02
RE: Trx Wolf - SP5TAA - 09-09-2022, 14:34
RE: Trx Wolf - SP6AUO - 10-09-2022, 7:50
RE: Trx Wolf - SP5TAA - 10-09-2022, 10:47
RE: Trx Wolf - SP6AUO - 10-09-2022, 10:57
RE: Trx Wolf - SP5TAA - 10-09-2022, 11:25
RE: Trx Wolf - SP2NBC - 10-09-2022, 12:57
RE: Trx Wolf - SP9XCC - 11-09-2022, 15:41
RE: Trx Wolf - SP7GRV - 11-09-2022, 19:45
RE: Trx Wolf - SP5TAA - 11-09-2022, 19:53
RE: Trx Wolf - SP6AUO - 12-09-2022, 9:07
RE: Trx Wolf - SP6LTP - 12-09-2022, 21:31
RE: Trx Wolf - SP5TAA - 12-09-2022, 22:44
RE: Trx Wolf - SP6LTP - 13-09-2022, 7:37
RE: Trx Wolf - SQ7BCN - 13-09-2022, 15:57
RE: Trx Wolf - SP6LTP - 13-09-2022, 22:47
RE: Trx Wolf - SP5TAA - 14-09-2022, 10:30
RE: Trx Wolf - SP6LTP - 14-09-2022, 11:02
RE: Trx Wolf - SQ7BCN - 14-09-2022, 18:50
RE: Trx Wolf - SP6LTP - 14-09-2022, 23:11
RE: Trx Wolf - SP7ET - 16-09-2022, 11:21
RE: Trx Wolf - SQ9GAC - 17-09-2022, 6:37
RE: Trx Wolf - SQ7BCN - 17-09-2022, 17:15
RE: Trx Wolf - SP7ET - 17-09-2022, 19:53
RE: Trx Wolf - SP5TAA - 17-09-2022, 23:19
RE: Trx Wolf - SP6AUO - 18-09-2022, 11:08
RE: Trx Wolf - SQ7BCN - 18-09-2022, 13:09
RE: Trx Wolf - SP5TAA - 18-09-2022, 13:42
RE: Trx Wolf - SP6LTP - 18-09-2022, 19:54
RE: Trx Wolf - SQ7BCN - 18-09-2022, 20:11
RE: Trx Wolf - SP6LTP - 18-09-2022, 20:38
RE: Trx Wolf - SP5TAA - 18-09-2022, 21:20
RE: Trx Wolf - SQ7BCN - 18-09-2022, 21:58
RE: Trx Wolf - SP5TAA - 18-09-2022, 22:55
RE: Trx Wolf - SP7GRV - 19-09-2022, 9:58
RE: Trx Wolf - SP6LTP - 19-09-2022, 10:05
RE: Trx Wolf - SP7GRV - 19-09-2022, 12:42
RE: Trx Wolf - SP7ET - 19-09-2022, 13:41
RE: Trx Wolf - SP5TAA - 19-09-2022, 14:58
RE: Trx Wolf - SP7ET - 19-09-2022, 16:20
RE: Trx Wolf - SP2NBC - 19-09-2022, 17:01
RE: Trx Wolf - SP6AUO - 19-09-2022, 17:41
RE: Trx Wolf - SQ7BCN - 19-09-2022, 18:34
RE: Trx Wolf - SP5TAA - 19-09-2022, 20:51
RE: Trx Wolf - SQ7BCN - 19-09-2022, 21:38
RE: Trx Wolf - SP6AUO - 20-09-2022, 19:31
RE: Trx Wolf - SQ7BCN - 20-09-2022, 21:24
RE: Trx Wolf - SP6LTP - 20-09-2022, 21:51
RE: Trx Wolf - SP5TAA - 20-09-2022, 22:11
RE: Trx Wolf - SP6LTP - 20-09-2022, 22:42
RE: Trx Wolf - SP5TAA - 20-09-2022, 23:57
RE: Trx Wolf - SP2NBC - 21-09-2022, 9:29
RE: Trx Wolf - SP7ET - 21-09-2022, 16:38
RE: Trx Wolf - SP6LTP - 21-09-2022, 21:29
RE: Trx Wolf - SP7ET - 21-09-2022, 21:39
RE: Trx Wolf - SQ7BCN - 22-09-2022, 17:40
RE: Trx Wolf - SP6LTP - 22-09-2022, 21:45
RE: Trx Wolf - SQ7BCN - 22-09-2022, 22:25
RE: Trx Wolf - SQ7BCN - 26-09-2022, 20:53
RE: Trx Wolf - SP5CGI - 03-10-2022, 18:59
RE: Trx Wolf - SP6LTP - 03-10-2022, 23:21
RE: Trx Wolf - SQ7BCN - 04-10-2022, 17:10
RE: Trx Wolf - SP6LTP - 05-10-2022, 6:16
RE: Trx Wolf - SP8LMS - 04-10-2022, 21:04
RE: Trx Wolf - SP5CGI - 04-10-2022, 21:18
RE: Trx Wolf - SP7ET - 05-10-2022, 8:45
RE: Trx Wolf - SP6LTP - 05-10-2022, 14:43
RE: Trx Wolf - SP5CGI - 05-10-2022, 9:39
RE: Trx Wolf - SP5CGI - 05-10-2022, 17:10
RE: Trx Wolf - SP8LMS - 05-10-2022, 21:45
RE: Trx Wolf - SP6LTP - 06-10-2022, 11:41
RE: Trx Wolf - SP7ET - 07-10-2022, 10:19
RE: Trx Wolf - SP5CGI - 11-10-2022, 21:25
RE: Trx Wolf - SP5TAA - 11-10-2022, 22:15
RE: Trx Wolf - SP5CGI - 11-10-2022, 22:59
RE: Trx Wolf - SP6LTP - 12-10-2022, 6:18
RE: Trx Wolf - SP5TAA - 12-10-2022, 14:25
RE: Trx Wolf - SP9XCC - 12-10-2022, 17:33
RE: Trx Wolf - SP5TAA - 12-10-2022, 18:50
RE: Trx Wolf - SP9XCC - 12-10-2022, 20:32
RE: Trx Wolf - SP5CGI - 13-10-2022, 22:18
RE: Trx Wolf - SP7GRV - 14-10-2022, 9:44
RE: Trx Wolf - SP6LTP - 14-10-2022, 9:51
RE: Trx Wolf - SP2NBC - 14-10-2022, 10:17
RE: Trx Wolf - SP6AUO - 14-10-2022, 20:29
RE: Trx Wolf - SP7GRV - 15-10-2022, 10:14
RE: Trx Wolf - SP5TAA - 15-10-2022, 11:20
RE: Trx Wolf - SP5CGI - 15-10-2022, 19:08
RE: Trx Wolf - SP7GRV - 16-10-2022, 12:37
RE: Trx Wolf - SQ5MGA - 16-10-2022, 12:48
RE: Trx Wolf - SP9XCC - 16-10-2022, 16:16
RE: Trx Wolf - SQ5MGA - 16-10-2022, 19:55
RE: Trx Wolf - SP9XCC - 16-10-2022, 20:31
RE: Trx Wolf - SQ7BCN - 21-10-2022, 20:51
RE: Trx Wolf - SP5TAA - 21-10-2022, 21:32
RE: Trx Wolf - SP7ET - 24-10-2022, 13:49
RE: Trx Wolf - SP5CGI - 25-10-2022, 18:11
RE: Trx Wolf - SP2NBC - 25-10-2022, 20:49
RE: Trx Wolf - SP5CGI - 25-10-2022, 22:49
RE: Trx Wolf - SP2NBC - 25-10-2022, 23:37
RE: Trx Wolf - SP6LTP - 26-10-2022, 10:34
RE: Trx Wolf - SP5CGI - 27-10-2022, 11:37
RE: Trx Wolf - SQ5MGA - 27-10-2022, 13:16
RE: Trx Wolf - SQ7BCN - 27-10-2022, 16:44
RE: Trx Wolf - SP2NBC - 27-10-2022, 19:27
RE: Trx Wolf - SP7GRV - 29-10-2022, 16:28
RE: Trx Wolf - SP6AUO - 29-10-2022, 16:35
RE: Trx Wolf - SP7GRV - 29-10-2022, 16:43
RE: Trx Wolf - SQ7BCN - 29-10-2022, 20:49
RE: Trx Wolf - Qmar - 29-10-2022, 20:55
RE: Trx Wolf - SP7GRV - 30-10-2022, 8:52
RE: Trx Wolf - SP7ET - 31-10-2022, 11:00
RE: Trx Wolf - SP5CGI - 31-10-2022, 12:36
RE: Trx Wolf - SQ7BCN - 31-10-2022, 18:18
RE: Trx Wolf - SP3JDZ - 01-11-2022, 10:37
RE: Trx Wolf - SQ7BCN - 01-11-2022, 12:22
RE: Trx Wolf - SP9XCC - 01-11-2022, 23:25
RE: Trx Wolf - SP6AUO - 02-11-2022, 11:19
RE: Trx Wolf - SP9XCC - 05-11-2022, 23:19
RE: Trx Wolf - SQ4CTM - 02-11-2022, 22:40
RE: Trx Wolf - SP2NBC - 06-11-2022, 12:43
RE: Trx Wolf - SP5TAA - 06-11-2022, 16:37
RE: Trx Wolf - SP2NBC - 06-11-2022, 21:50
RE: Trx Wolf - SP5TAA - 06-11-2022, 23:45
RE: Trx Wolf - SP9XCC - 07-11-2022, 23:52
RE: Trx Wolf - SP2NBC - 08-11-2022 0:37
RE: Trx Wolf - SP9XCC - 08-11-2022, 7:49
RE: Trx Wolf - SP6LTP - 08-11-2022, 8:21
RE: Trx Wolf - SP9XCC - 08-11-2022, 8:49
RE: Trx Wolf - SP7GRV - 08-11-2022, 9:42
RE: Trx Wolf - SP2NBC - 08-11-2022, 9:45
RE: Trx Wolf - SP9XCC - 08-11-2022, 12:42
RE: Trx Wolf - SQ7BCN - 08-11-2022, 23:16
RE: Trx Wolf - SP7GRV - 08-11-2022, 23:46
RE: Trx Wolf - SP2NBC - 09-11-2022, 1:41
RE: Trx Wolf - SP9XCC - 09-11-2022, 13:27
RE: Trx Wolf - SP2NBC - 09-11-2022, 13:46
RE: Trx Wolf - SP9XCC - 09-11-2022, 15:04
RE: Trx Wolf - SP2NBC - 09-11-2022, 15:34
RE: Trx Wolf - SQ7BCN - 12-11-2022, 11:09
RE: Trx Wolf - SP5TAA - 12-11-2022, 13:18
RE: Trx Wolf - SP9XCC - 12-11-2022, 15:00
RE: Trx Wolf - SQ7BCN - 14-11-2022, 18:18
RE: Trx Wolf - SP6LTP - 14-11-2022, 21:18
RE: Trx Wolf - SQ4AVS - 22-11-2022, 20:41
RE: Trx Wolf - SP2NBC - 22-11-2022, 22:02
RE: Trx Wolf - SP9XCC - 22-11-2022, 23:41
RE: Trx Wolf - SP5CGI - 24-11-2022, 0:39
RE: Trx Wolf - SP9XCC - 24-11-2022, 8:01
RE: Trx Wolf - SQ7BCN - 26-11-2022, 11:33
RE: Trx Wolf - SP9FYS - 26-11-2022, 14:01
RE: Trx Wolf - SP9XCC - 26-11-2022, 21:05
RE: Trx Wolf - SP2NBC - 27-11-2022, 0:09
RE: Trx Wolf - SP5CGI - 29-11-2022, 0:53
RE: Trx Wolf - SP8LMS - 30-11-2022, 18:12
RE: Trx Wolf - SP3JDZ - 12-12-2022, 13:43
RE: Trx Wolf - SP5CGI - 30-11-2022, 21:34
RE: Trx Wolf - SP8LMS - 30-11-2022, 21:54
RE: Trx Wolf - SP5CGI - 30-11-2022, 22:13
RE: Trx Wolf - SP8LMS - 01-12-2022, 21:16
RE: Trx Wolf 100D - SQ4CTM - 01-12-2022, 13:26
RE: Trx Wolf - SP2NBC - 01-12-2022, 14:55
RE: Trx Wolf 100 D - SQ4CTM - 01-12-2022, 15:50
RE: Trx Wolf - SP7GRV - 01-12-2022, 20:01
RE: Trx Wolf - SP2NBC - 01-12-2022, 20:09
RE: Trx Wolf - SQ4CTM - 01-12-2022, 21:09
RE: Trx Wolf - SQ7BCN - 01-12-2022, 21:34
RE: Trx Wolf - SQ5MGA - 02-12-2022, 0:28
RE: Trx Wolf - SP3GWC - 01-12-2022, 23:50
RE: Trx Wolf 100 D - SQ4CTM - 02-12-2022, 11:34
RE: Trx Wolf - SP2NBC - 02-12-2022, 13:19
RE: Trx Wolf - SQ4CTM - 02-12-2022, 18:00
RE: Trx Wolf - SP2NBC - 02-12-2022, 20:35
RE: Trx Wolf - SP4LVC - 02-12-2022, 21:20
RE: Trx Wolf - SP2NBC - 02-12-2022, 22:42
RE: Trx Wolf - SP7GRV - 08-12-2022, 17:30
RE: Trx Wolf - SP5TAA - 11-12-2022, 19:05
RE: Trx Wolf - SQ4CTM - 11-12-2022, 21:14
RE: Trx Wolf - SP3GWC - 15-12-2022, 13:09
RE: Trx Wolf - SQ4CTM - 16-12-2022, 16:49
RE: Trx Wolf - SP2NBC - 21-12-2022, 11:46
RE: Trx Wolf - SQ4CTM - 21-12-2022, 17:07
RE: Trx Wolf - SP6AUO - 21-12-2022, 17:47
RE: Trx Wolf - SQ4CTM - 21-12-2022, 17:59
RE: Trx Wolf - SP6AUO - 21-12-2022, 18:12
RE: Trx Wolf - SQ4CTM - 21-12-2022, 19:20
RE: Trx Wolf - SP9HVW - 21-12-2022, 20:11
RE: Trx Wolf - SP2NBC - 21-12-2022, 22:29
RE: Trx Wolf - SQ4CTM - 22-12-2022, 0:11
RE: Trx Wolf - SP6AUO - 22-12-2022, 9:34
RE: Trx Wolf - SQ4CTM - 23-12-2022, 14:17
RE: Trx Wolf - SQ4CTM - 27-12-2022, 11:34
RE: Trx Wolf - SQ7BCN - 29-12-2022, 20:38
RE: Trx Wolf - SQ4CTM - 29-12-2022, 21:01
RE: Trx Wolf - SP8LMS - 30-12-2022, 11:14
RE: Trx Wolf - SQ4CTM - 30-12-2022, 12:15
RE: Trx Wolf - SQ7BCN - 31-12-2022, 10:49
RE: Trx Wolf - SQ4CTM - 31-12-2022, 12:19
RE: Trx Wolf - SP5CGI - 31-12-2022, 14:07
RE: Trx Wolf - SP9XCC - 09-01-2023, 8:57
RE: Trx Wolf - SQ4CTM - 09-01-2023, 18:28
RE: Trx Wolf - SP8LMS - 12-01-2023, 13:12
RE: Trx Wolf - SP5TAA - 12-01-2023, 15:32
RE: Trx Wolf - SQ4CTM - 12-01-2023, 23:03
RE: Trx Wolf - SP9HVW - 13-01-2023, 14:36
RE: Trx Wolf - SQ4CTM - 18-01-2023, 20:22
RE: Trx Wolf - SQ4CTM - 21-01-2023, 11:29
RE: Trx Wolf - SP8LMS - 23-01-2023, 18:49
RE: Trx Wolf - SQ4CTM - 27-01-2023, 22:48
RE: Trx Wolf - SP3GWC - 28-01-2023, 14:59
RE: Trx Wolf - SP2NBC - 28-01-2023, 21:32
RE: Trx Wolf - SQ4CTM - 28-01-2023, 22:49
RE: Trx Wolf - SP6LTP - 31-01-2023, 13:32
RE: Trx Wolf - SP2NBC - 31-01-2023, 14:29
RE: Trx Wolf - SP6LTP - 01-02-2023, 0:05
RE: Trx Wolf - SP2NBC - 01-02-2023, 9:21
RE: Trx Wolf - SQ7BCN - 01-02-2023, 11:30
RE: Trx Wolf - SQ4CTM - 04-02-2023, 9:14
RE: Trx Wolf - SP9XCC - 07-02-2023, 9:06
RE: Trx Wolf - SQ4CTM - 07-02-2023, 19:46
RE: Trx Wolf - SP9XCC - 08-02-2023, 8:30
RE: Trx Wolf - SP6AUO - 08-02-2023, 9:59
RE: Trx Wolf - SQ4CTM - 08-02-2023, 18:43
RE: Trx Wolf - SQ4CTM - 11-02-2023, 19:43
RE: Trx Wolf - SP6AUO - 15-02-2023, 10:34
RE: Trx Wolf - SP9XCC - 15-02-2023, 15:30
RE: Trx Wolf - SQ7BCN - 15-02-2023, 16:13
RE: Trx Wolf - SP6AUO - 15-02-2023, 17:23
RE: Trx Wolf - SP5CGI - 15-02-2023, 17:52
RE: Trx Wolf - SP9XCC - 15-02-2023, 18:51
RE: Trx Wolf - SP6AUO - 15-02-2023, 19:13
RE: Trx Wolf - SP1EZC - 15-02-2023, 20:20
RE: Trx Wolf - SQ7BCN - 15-02-2023, 20:44
RE: Trx Wolf - SP6AUO - 15-02-2023, 20:44
RE: Trx Wolf - SP1EZC - 15-02-2023, 20:57
RE: Trx Wolf - SP5CGI - 15-02-2023, 20:57
RE: Trx Wolf - SP6AUO - 16-02-2023, 7:37
RE: Trx Wolf - SP9XCC - 16-02-2023, 9:48
RE: Trx Wolf - SP6AUO - 16-02-2023, 15:15
RE: Trx Wolf - SP1EZC - 16-02-2023, 22:00
RE: Trx Wolf - SQ7BCN - 16-02-2023, 20:38
RE: Trx Wolf - SQ4CTM - 16-02-2023, 20:47
RE: Trx Wolf - SP6AUO - 16-02-2023, 22:13
RE: Trx Wolf - SP9XCC - 17-02-2023, 12:11
RE: Trx Wolf - SP6AUO - 18-02-2023, 13:42
RE: Trx Wolf - SP9XCC - 20-02-2023, 12:17
RE: Trx Wolf - SP6AUO - 20-02-2023, 13:20
RE: Trx Wolf - SP9XCC - 20-02-2023, 14:20
RE: Trx Wolf - SP6AUO - 20-02-2023, 14:51
RE: Trx Wolf - SP6AUO - 23-02-2023, 7:36
RE: Trx Wolf - SP6AUO - 26-02-2023, 7:28
RE: Trx Wolf - SP9XCC - 27-02-2023, 14:32
RE: Trx Wolf - SP6AUO - 27-02-2023, 16:19
RE: Trx Wolf - SQ4CTM - 27-02-2023, 17:37
RE: Trx Wolf - SP9XCC - 28-02-2023, 8:05
RE: Trx Wolf - SP6AUO - 28-02-2023, 8:54
RE: Trx Wolf - SP9XCC - 28-02-2023, 15:56
RE: Trx Wolf - SQ7BCN - 28-02-2023, 16:58
RE: Trx Wolf - SP9XCC - 01-03-2023, 8:09
RE: Trx Wolf - SP6AUO - 01-03-2023, 8:12
RE: Trx Wolf - SP9XCC - 01-03-2023, 9:07
RE: Trx Wolf - SP6AUO - 02-03-2023, 6:38
RE: Trx Wolf - SP6AUO - 17-03-2023, 4:22
RE: Trx Wolf - SP5TAA - 17-03-2023, 13:08
RE: Trx Wolf - SP6AUO - 18-03-2023, 3:16
RE: Trx Wolf - SQ4CTM - 24-03-2023, 16:17
RE: Trx Wolf - SQ7BCN - 26-03-2023, 20:09
RE: Trx Wolf - SQ4CTM - 27-03-2023, 16:49
RE: Trx Wolf - SP7GRV - 30-03-2023, 9:25
RE: Trx Wolf - ELKA - 17-04-2023, 13:13
RE: Trx Wolf - SQ4CTM - 21-04-2023, 11:40
RE: Trx Wolf - SQ7BCN - 22-04-2023, 14:10
RE: Trx Wolf - SP9HVW - 22-04-2023, 20:17
RE: Trx Wolf - SQ4CTM - 25-04-2023, 20:04
RE: Trx Wolf - ELKA - 27-04-2023, 9:08
RE: Trx Wolf - SQ4CTM - 27-04-2023, 10:57
RE: Trx Wolf - ELKA - 27-04-2023, 15:28
RE: Trx Wolf - SP8LMS - 10-05-2023, 19:53
RE: Trx Wolf - SQ7BCN - 11-05-2023, 13:10
RE: Trx Wolf - SP9HVW - 20-05-2023, 16:02
RE: Trx Wolf - SP5TAA - 21-05-2023, 11:58
RE: Trx Wolf - SP9BSL - 21-05-2023, 12:23
RE: Trx Wolf - SQ4RD - 24-05-2023, 16:17
RE: Trx Wolf - ELKA - 29-05-2023, 8:42
RE: Trx Wolf - SP3JDZ - 29-05-2023, 10:14
RE: Trx Wolf - GREG - 20-10-2023, 21:12
RE: Trx Wolf - SP3JDZ - 21-10-2023, 8:19
RE: Trx Wolf - SQ7BCN - 29-05-2023, 20:56
RE: Trx Wolf - SP6AUO - 30-05-2023, 21:38
RE: Trx Wolf - SP5TAA - 30-05-2023, 23:53
RE: Trx Wolf - SP6AUO - 31-05-2023, 7:11
RE: Trx Wolf - SQ4CTM - 31-05-2023, 9:12
RE: Trx Wolf - SQ7BCN - 31-05-2023, 19:55
RE: Trx Wolf - SP5TAA - 31-05-2023, 20:57
RE: Trx Wolf - SQ4CTM - 01-06-2023, 10:15
RE: Trx Wolf - ELKA - 02-06-2023, 14:12
RE: Trx Wolf - SP6AUO - 05-06-2023, 22:10
RE: Trx Wolf - ELKA - 09-06-2023, 19:24
RE: Trx Wolf - SQ4KDM - 07-06-2023, 17:40
RE: Trx Wolf - SP6AUO - 11-06-2023, 4:02
RE: Trx Wolf - ELKA - 11-06-2023, 16:29
RE: Trx Wolf - SP1EZC - 13-06-2023, 18:03
RE: Trx Wolf - SP9JQZ - 14-06-2023, 12:51
RE: Trx Wolf - SQ4RD - 19-06-2023, 11:32
RE: Trx Wolf - SP2JQR - 22-06-2023, 9:15
RE: Trx Wolf - SP7GRV - 23-06-2023, 18:53
RE: Trx Wolf - SP9LVZ - 02-07-2023, 16:41
RE: Trx Wolf - SP3JDZ - 03-07-2023, 6:57
RE: Trx Wolf - SP3GWC - 26-06-2023, 16:04
RE: Trx Wolf - SP1EZC - 26-06-2023, 16:22
RE: Trx Wolf - SP9HVW - 26-06-2023, 16:57
RE: Trx Wolf - SQ4CTM - 26-06-2023, 20:07
RE: Trx Wolf - SP1EZC - 01-07-2023, 16:13
RE: Trx Wolf - SP9LVZ - 03-07-2023, 13:45
RE: Trx Wolf - SP3JDZ - 03-07-2023, 15:26
RE: Trx Wolf - SP9BSL - 03-07-2023, 18:14
RE: Trx Wolf - SP9BSL - 03-07-2023, 15:08
RE: Trx Wolf - SP9LVZ - 03-07-2023, 19:53
RE: Trx Wolf - SP3JDZ - 03-07-2023, 21:21
RE: Trx Wolf - SP9LVZ - 03-07-2023, 21:51
RE: Trx Wolf - SP9BSL - 04-07-2023, 0:12
RE: Trx Wolf - SP9LVZ - 04-07-2023, 17:12
RE: Trx Wolf - SP3JDZ - 04-07-2023, 19:26
RE: Trx Wolf - SP9LVZ - 05-07-2023, 10:01
RE: Trx Wolf - SP3JDZ - 05-07-2023, 11:00
RE: Trx Wolf - SP9LVZ - 05-07-2023, 11:44
RE: Trx Wolf - SP4EBI - 12-07-2023, 10:39
RE: Trx Wolf - SP1EZC - 15-07-2023, 21:13
RE: Trx Wolf - SP3JDZ - 16-07-2023, 19:21
RE: Trx Wolf - SP1EZC - 16-07-2023, 21:08
RE: Trx Wolf - SP5CGI - 17-07-2023, 19:38
RE: Trx Wolf - SP5TAA - 17-07-2023, 20:02
RE: Trx Wolf - SP5CGI - 17-07-2023, 20:50
RE: Trx Wolf - SP5TAA - 17-07-2023, 21:19
RE: Trx Wolf - SP5CGI - 17-07-2023, 22:07
RE: Trx Wolf - SQ1GU - 24-07-2023, 15:22
RE: Trx Wolf - SP6AUO - 26-07-2023, 13:18
RE: Trx Wolf - SP8LMS - 26-07-2023, 14:31
RE: Trx Wolf - SP6AUO - 26-07-2023, 15:18
RE: Trx Wolf - SP3JDZ - 26-07-2023, 19:56
RE: Trx Wolf - SP4EBI - 26-07-2023, 23:16
RE: Trx Wolf - SP7GRV - 27-07-2023, 9:22
RE: Trx Wolf - SP3JDZ - 27-07-2023, 10:24
RE: Trx Wolf - SP7GRV - 27-07-2023, 12:21
RE: Trx Wolf - ELKA - 28-07-2023, 12:51
RE: Trx Wolf - SQ5MGA - 31-07-2023, 1:04
RE: Trx Wolf - SP5CGI - 06-08-2023, 12:53
RE: Trx Wolf - SP7GRV - 07-08-2023, 21:29
RE: Trx Wolf - SP5CGI - 07-08-2023, 22:50
RE: Trx Wolf - SP9HVW - 17-08-2023, 1:02
RE: Trx Wolf - SP9HVW - 12-09-2023, 20:42
RE: Trx Wolf - SP7GRV - 21-09-2023, 21:40
RE: Trx Wolf - SP9JQZ - 21-09-2023, 22:28
RE: Trx Wolf - SQ7BCN - 22-09-2023, 15:57
RE: Trx Wolf - SP7GRV - 22-09-2023, 19:00
RE: Trx Wolf - SP7MFR - 25-09-2023, 18:06
RE: Trx Wolf - SP9FKP - 28-09-2023, 6:03
RE: Trx Wolf - SP7GRV - 29-09-2023, 18:42
RE: Trx Wolf - SP9FKP - 29-09-2023, 19:51
RE: Trx Wolf - SP1EZC - 29-09-2023, 20:30
RE: Trx Wolf - HA8AP - 01-10-2023, 13:01
RE: Trx Wolf - SP9JQZ - 04-10-2023, 22:34
RE: Trx Wolf - SP1EZC - 08-10-2023, 13:04
RE: Trx Wolf - SP5CGI - 08-10-2023, 13:14
RE: Trx Wolf - SP1EZC - 08-10-2023, 13:19
RE: Trx Wolf - SP1EZC - 12-10-2023, 21:33
RE: Trx Wolf - SP6LTP - 12-10-2023, 21:56
RE: Trx Wolf - SP1EZC - 12-10-2023, 22:03
RE: Trx Wolf - SP7GRV - 14-10-2023, 10:36
RE: Trx Wolf - SP1EZC - 14-10-2023, 10:50
RE: Trx Wolf - SP7MFR - 15-10-2023, 6:10
RE: Trx Wolf - SP7GRV - 15-10-2023, 8:55
RE: Trx Wolf - SP1EZC - 15-10-2023, 8:58
RE: Trx Wolf - SP9JQZ - 17-10-2023, 13:35
RE: Trx Wolf - SP9JQZ - 29-11-2023, 10:42
RE: Trx Wolf - SP7GRV - 29-11-2023, 18:10
RE: Trx Wolf - SP5TAA - 29-11-2023, 22:17
RE: Trx Wolf - SP9JQZ - 30-11-2023, 0:09
RE: Trx Wolf - SP7MFR - 30-11-2023, 10:54
RE: Trx Wolf - SP7GRV - 30-11-2023, 11:03
RE: Trx Wolf - SP8LMS - 10-12-2023, 21:57
RE: Trx Wolf - SQ5MGA - 12-12-2023, 18:07
RE: Trx Wolf - SQ7BCN - 17-12-2023, 11:02
RE: Trx Wolf - SQ5MGA - 17-12-2023, 16:30
RE: Trx Wolf - GREG - 18-12-2023, 19:20
RE: Trx Wolf - SQ7BCN - 20-12-2023, 19:54
RE: Trx Wolf - SQ7BCN - 18-01-2024, 20:13
RE: Trx Wolf - SP7GRV - 03-02-2024, 21:36
RE: Trx Wolf - SP9BSL - 03-02-2024, 23:24
RE: Trx Wolf - GREG - 04-02-2024, 0:49
RE: Trx Wolf - SP9KN - 05-02-2024, 9:03
RE: Trx Wolf - SP6LTP - 06-02-2024, 21:36
RE: Trx Wolf - SP5CGI - 13-03-2024, 23:46
RE: Trx Wolf - SP9FKP - 14-03-2024, 6:51
RE: Trx Wolf - SP7GRV - 14-03-2024, 9:00
RE: Trx Wolf - SP7MFR - 25-03-2024, 14:36
RE: Trx Wolf - SP9JQZ - 28-03-2024, 20:51
RE: Trx Wolf - SP3GWC - 02-04-2024, 13:50
RE: Trx Wolf - SP8WM - 02-04-2024, 14:34
RE: Trx Wolf - SP2QVX - 11-05-2024, 12:46
RE: Trx Wolf - SP5TAA - 11-05-2024, 22:25
RE: Trx Wolf - SP2QVX - 12-05-2024, 11:53
RE: Trx Wolf - SP5TAA - 12-05-2024, 13:54
RE: Trx Wolf - SP2QVX - 14-05-2024, 22:59
RE: Trx Wolf - SP5TAA - 15-05-2024, 11:19
RE: Trx Wolf - SP7GRV - 16-06-2024, 19:40
RE: Trx Wolf - SP5TAA - 17-06-2024, 23:06
RE: Trx Wolf - SP7GRV - 18-06-2024, 7:41
RE: Trx Wolf - SP5TAA - 18-06-2024, 17:41
RE: Trx Wolf - SP7GRV - 19-06-2024, 16:01
RE: Trx Wolf - GREG - 19-06-2024, 13:13
RE: Trx Wolf - SP9KN - 19-06-2024, 14:57
RE: Trx Wolf - SP5TAA - 19-06-2024, 23:12
RE: Trx Wolf - SP7GRV - 20-06-2024, 7:50
RE: Trx Wolf - SP5TAA - 20-06-2024, 9:13
RE: Trx Wolf - SP7GRV - 22-06-2024, 9:22
RE: Trx Wolf - SP7GRV - 20-06-2024, 15:01
RE: Trx Wolf - SP9JQZ - 20-06-2024, 22:48
RE: Trx Wolf - SP5TAA - 23-06-2024, 19:05
RE: Trx Wolf - SQ7BCN - 24-06-2024, 12:43
RE: Trx Wolf - SP9BSL - 24-06-2024, 12:52
RE: Trx Wolf - SQ7BCN - 24-06-2024, 15:37
RE: Trx Wolf - SP9BSL - 24-06-2024, 16:05
RE: Trx Wolf - SP7GRV - 24-06-2024, 20:05
RE: Trx Wolf - SQ7BCN - 04-07-2024, 17:22
RE: Trx Wolf - SP5MBM - 27-06-2024, 12:04
RE: Trx Wolf - SP7JS - 28-06-2024, 13:03
RE: Trx Wolf - SP5TAA - 28-06-2024, 22:32
RE: Trx Wolf - SP5CGI - 29-06-2024, 14:38
RE: Trx Wolf - SP7JS - 04-07-2024, 11:48
RE: Trx Wolf - SP7GRV - 04-07-2024, 20:55
RE: Trx Wolf - GREG - 12-07-2024, 13:55
RE: Trx Wolf - SQ4CTM - 12-07-2024, 16:39
RE: Trx Wolf - GREG - 14-07-2024, 17:49
RE: Trx Wolf - SQ7BCN - 14-07-2024, 19:57
RE: Trx Wolf - SQ4CTM - 15-07-2024, 23:02
RE: Trx Wolf - SQ5MGA - 22-07-2024, 15:02
RE: Trx Wolf - SP5MBM - 26-07-2024, 13:43
RE: Trx Wolf - GREG - 30-07-2024, 0:10
RE: Trx Wolf - SP7GRV - 30-07-2024, 15:27
RE: Trx Wolf - SP5MBM - 31-07-2024, 13:33
RE: Trx Wolf - SQ7BCN - 31-07-2024, 20:30
RE: Trx Wolf - GREG - 01-08-2024, 15:38
RE: Trx Wolf - SP2QVX - 29-09-2024, 15:20
RE: Trx Wolf - SP9FKP - 29-09-2024, 15:55
RE: Trx Wolf - GREG - 30-09-2024, 13:03
RE: Trx Wolf - SP5MBM - 01-10-2024, 19:36
RE: Trx Wolf - GREG - 03-10-2024, 14:30
RE: Trx Wolf - SP2QVX - 29-09-2024, 20:26
RE: Trx Wolf - BASTEK79 - 03-10-2024, 12:18
RE: Trx Wolf - SQ6IYY - 14-11-2024, 14:13
RE: Trx Wolf - GREG - 12-12-2024, 23:28
RE: Trx Wolf - SP2QVX - 15-12-2024, 18:53
RE: Trx Wolf - SP3GWC - 22-01-2025, 13:51
RE: Trx Wolf - SP7JS - 18-03-2025, 9:06
RE: Trx Wolf - SQ7BCN - 18-03-2025, 17:18
RE: Trx Wolf - SP7JS - 19-03-2025, 9:26
RE: Trx Wolf - SQ7BCN - 19-03-2025, 16:22
RE: Trx Wolf - SP7JS - 21-03-2025, 10:52
RE: Trx Wolf - SP2QVX - 21-05-2025, 23:28
RE: Trx Wolf - SP9FKP - 22-05-2025, 6:18
RE: Trx Wolf - SP2QVX - 31-05-2025, 10:26
RE: Trx Wolf - SP2QVX - 08-06-2025, 17:58
RE: Trx Wolf - SQ6IYY - 08-06-2025, 20:00
RE: Trx Wolf - SP5CGI - 23-06-2025, 23:13
RE: Trx Wolf - WIESLAW - 30-06-2025, 20:52
RE: Trx Wolf - SP5CGI - 01-07-2025, 13:06
RE: Trx Wolf - SP2QVX - 01-07-2025, 22:30
RE: Trx Wolf - SP5CGI - 02-07-2025, 0:07
RE: Trx Wolf - WIESLAW - 23-07-2025, 9:34
RE: Trx Wolf - SP5CGI - 27-07-2025, 14:52
RE: Trx Wolf - SP9XCC - 12-08-2025, 12:49
RE: Trx Wolf - SP3JDZ - 14-08-2025, 14:23
RE: Trx Wolf - WIESLAW - 31-08-2025, 17:33
RE: Trx Wolf - SP5CGI - 01-09-2025, 0:38

Skocz do:


Użytkownicy przeglądający ten wątek: 12 gości