Odpowiedz 
 
Ocena wątku:
  • 0 Głosów - 0 Średnio
  • 1
  • 2
  • 3
  • 4
  • 5
Bardzo klasyczny TRX Dziadek77
SP7CLB Offline
Krzysztof
***

Liczba postów: 187
Dołączył: 05-04-2010
Post: #13
RE: Bardzo klasyczny TRX Dziadek77
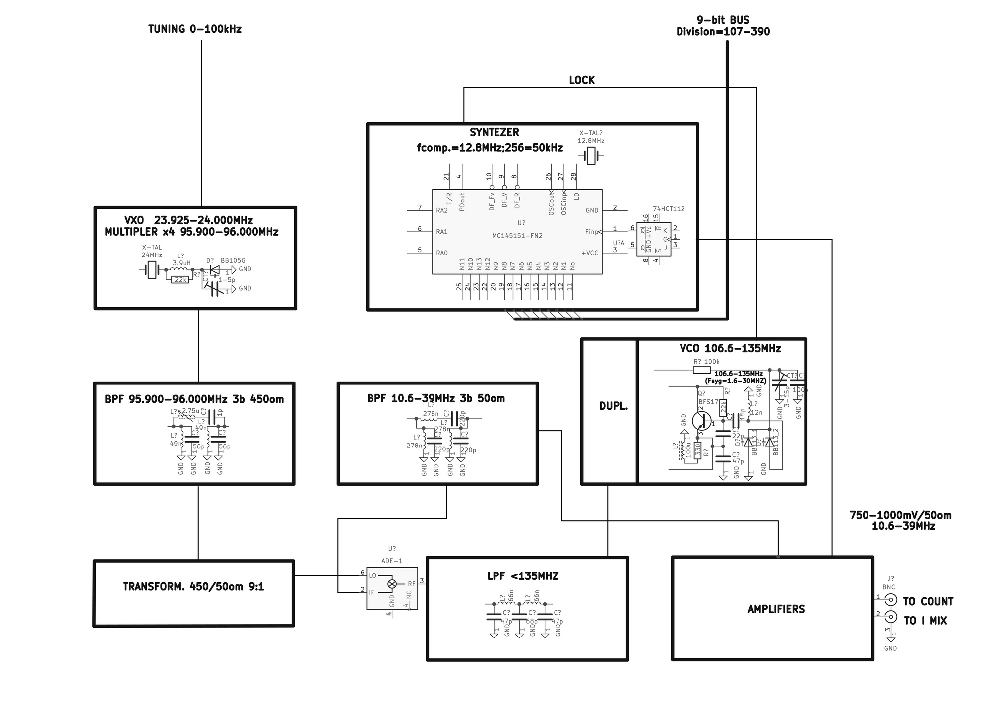
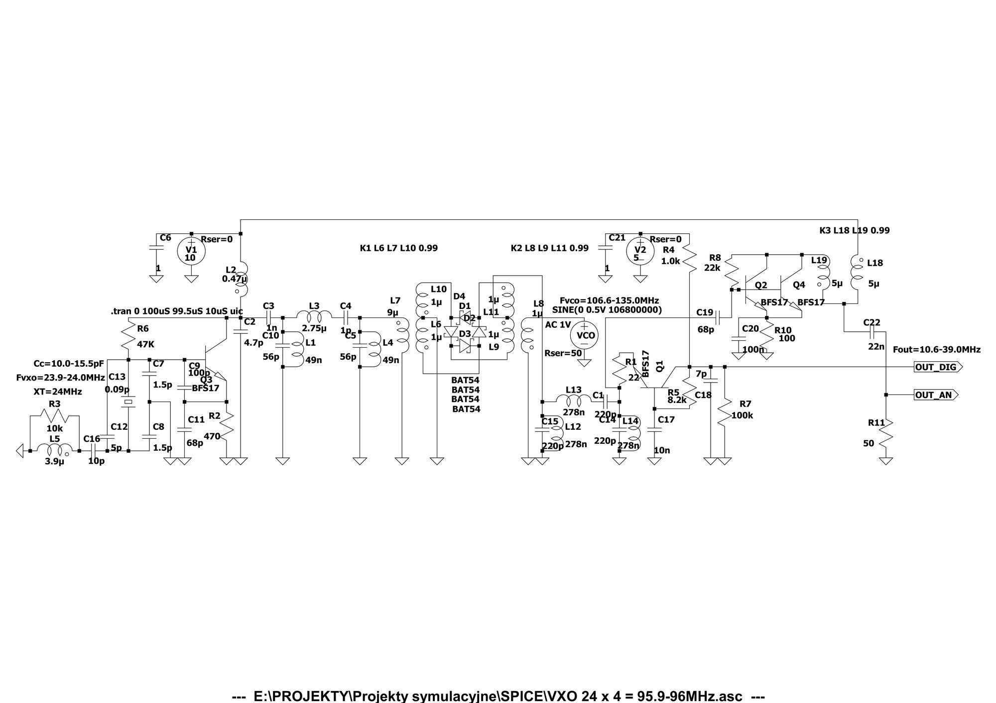
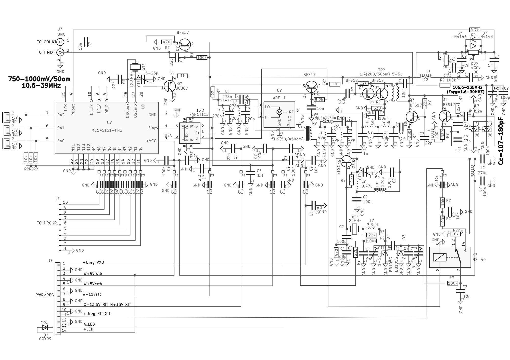
Poniżej alternatywne rozwiązanie Syntezera V2 Dziadek77.
Jest ono w zasadzie działania podobne do zastosowanego w kultowym już
TRX DRAKE TR7, ale mocno zmodyfikowane i możliwe do sterowania w pełni cyfrowego. Załączam: schemat ideowy, schemat blokowy i symulację Spice.
Układ VXO był zmontowany i stabilność jego w całym zakresie jest zbliżona do stabilności zastosowanego kwarcu.


Załączone pliki Miniatury
İmage İmage İmage İmage
(Ten post był ostatnio modyfikowany: 11-07-2021 14:16 przez SP7CLB.)
11-07-2021 14:16
Znajdź wszystkie posty użytkownika Odpowiedz cytując ten post
Odpowiedz 


Wiadomości w tym wątku
RE: Bardzo klasyczny TRX Dziadek77 - SP7CLB - 11-07-2021 14:16

Skocz do:


Użytkownicy przeglądający ten wątek: 1 gości