Odpowiedz 
 
Ocena wątku:
  • 0 Głosów - 0 Średnio
  • 1
  • 2
  • 3
  • 4
  • 5
Bardzo klasyczny TRX Dziadek77
SP7CLB Offline
Krzysztof
***

Liczba postów: 187
Dołączył: 05-04-2010
Post: #12
RE: Bardzo klasyczny TRX Dziadek77
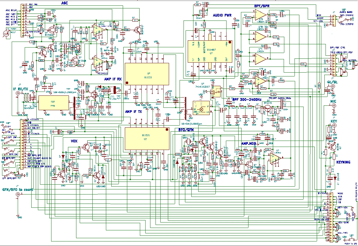
Teraz ostatni segment Dziadka77 - Płyta główna.
Umieszczone nazwy poszczególnych segmentów układu.
Elementy Front-End uwidocznione tutaj poza konektorami.
Układ IF TX/RX zrealizowany na mosfecie BF998 i układach
CEMI UL1221 - bo takie właśnie mam w starych szpargałach.
Układ filtru/rejektora z regulacją szerokości pasma i dobroci
filtru/wycięcia na układzie poczwórnego OP. MOS LM324.
Przy odbiorze telegrafii daje możliwość zawężenia pasma do
ok. 150HZ. Kiedyś już go eksploatowałem i był OK w pajlabie.
Oprócz tej filtracji zastosowałem również prosty filtr szeregowy
LC w obwodzie uj.sprz.zwr. w końcówce audio. Układ ten również
kiedyś używałem i zawęża pasmo na częstotliwości 850Hz.
Można zmienić częstotliwość zawężania przez zmianę iloczynu LC.
Układ VXO BFO/GFN jest przestrajany diodą pojemnościową.
W pracy na CW TX częstotliwość powinna być ustawiona na załamaniu
górnym lewej krawędzi pasma filtru, czyli ok. 8998.8kHz. Podczas odbioru
CW RX na częstotliwości 9998kHz. Kluczowanie odbywa się przez
podawanie napięcia dodatniego na modulator ADE-1. Wznoszenie
i opadanie sygnału trwa ok. 3ms i jest niezależne od prędkości kluczowania.
Prosty układ VOX-a jest "popychany" z przedwzmacniacza audio na BF256B.
Nie pracuje w trybie CW, ale nic nie stoi na przeszkodzie, by sygnał kluczowania
do niego doprowadzić. Układ ARW jest moją modyfikacją znanego schematu
z progiem zadziałania (TRESHOLD). Poziom progu można ustawić PR-kiem 1000k.
Połączenia międzypłytkowe, zasilacz, przełączanie zakresów pozostawiam inwencji
sobie i ew. wykonawcom na później .
Dla chcących pobawić się symulacjami układów Dziadka77 załączam kilka zrzutów SPICE.
Ten transceiverek jest ulepszeniem i rozwinięciem małego (również gabarytowo) urządzenia,
które popełniłem w latach 70-tych ( http://sp-hm.pl/thread-4049.html ) i które długo dawało
mi dużo radości w pracy na wszystkich pasmach KF.


Załączone pliki Miniatury
İmage İmage İmage İmage İmage İmage İmage
(Ten post był ostatnio modyfikowany: 11-06-2021 7:44 przez SP7CLB.)
09-06-2021 3:40
Znajdź wszystkie posty użytkownika Odpowiedz cytując ten post
Odpowiedz 


Wiadomości w tym wątku
RE: Bardzo klasyczny TRX Dziadek77 - SP7CLB - 09-06-2021 3:40

Skocz do:


Użytkownicy przeglądający ten wątek: 1 gości