Odpowiedz 
 
Ocena wątku:
  • 2 Głosów - 5 Średnio
  • 1
  • 2
  • 3
  • 4
  • 5
uSDX
SQ4AVS Offline
Rafał
*****

Liczba postów: 1,421
Dołączył: 29-01-2010
Post: #1
uSDX
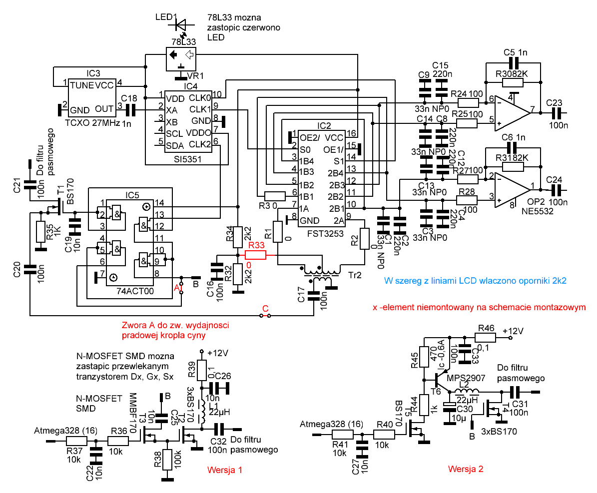
Przedstawiam swoją kompilację płytki uSDX. Kolegów montujących proszę o informacje zwrotne w tym wątku, pozwoli to od razu odpowiedzieć na wszystkie pytania zainteresowanym i wspólnie dzielić się doświadczeniami. Po uruchomieniu tej serii jak wszystko będzie ok, opublikuję tutaj pcb. Płytka jest mocno zmodernizowaną wersją UR5EIN. W układzie zastosowano zwory, których nie było w oryginale by jak najmniej przerywać ciągłość masy.

W pliku:
schematy.gif -schemat części w.cz. element R33 zmienić na 0 (kolor czerwony) informacja dotyczy osób które otrzymały wcześniej schemat montażowy na maila. Układ posiada mieszacz podwójnie zrównoważony dla w.cz. co jest oczywiście na plus dla układu. Jako wzm. operacyjny polecam niskoszumne rail to rail jeden z możliwych wyborów OPA1662.
Wersja 1 i 2 to różne sposoby modulacji stopnia końcowego jakie można zmontować na płytce. Dla porónania co lepiej.
uSDX_20200815 Atmega328 dil.pdf standardowy schemat części procesorowej, nic nie zmieniono wzg. niego
wb2cba filtry.pdf -wartości elementów filtru donoprzepustowego dla różnych pasm

Jutro postaram się rozrysować alternatywny sposób sterowania słuchawkami, strasznie nie podobało mi się podłączenie pinu bezpośrednio do słuchawek, dodałem tranzystor jako bufor (opcja)

Uwaga podczas montażu czasami środkowa nóżka tranzystorów jest nie cofnięta w wysunięta do przodu.

3 równolegle połączone tranzystory BS170 można zastąpić IRF610 a jeszcze lepiej tranzystorem serii RD06 lub podobnym

Linki do zagranicznych forum poświęconych tej konstrukcji:
Główne źródło wiedzy:
https://groups.io/g/ucx/

Forum rosyjskie:
http://www.cqham.ru/forum/showthread.php...light=usdx


Załączone pliki Miniatury
İmage

.pdf  a1.pdf (Rozmiar: 58.92 KB / Pobrań: 1737)
.pdf  a2.pdf (Rozmiar: 48.54 KB / Pobrań: 1489)
.pdf  b1.pdf (Rozmiar: 58.89 KB / Pobrań: 1427)
.pdf  b2.pdf (Rozmiar: 49.67 KB / Pobrań: 1357)
.pdf  uSDX_20200815 Atmega328 dil.pdf (Rozmiar: 179.34 KB / Pobrań: 2001)
.pdf  wb2cba filtry.pdf (Rozmiar: 345.19 KB / Pobrań: 1817)
(Ten post był ostatnio modyfikowany: 07-12-2020 12:36 przez SQ4AVS.)
05-12-2020 15:17
Odwiedź stronę użytkownika Znajdź wszystkie posty użytkownika Odpowiedz cytując ten post
Odpowiedz 


Wiadomości w tym wątku
uSDX - SQ4AVS - 05-12-2020 15:17
RE: uSDX - SP6LTP - 05-12-2020, 20:12
RE: uSDX - SP9RQA - 05-12-2020, 22:40
RE: uSDX - SQ4AVS - 07-12-2020, 12:35
RE: uSDX - SP3VPA - 13-12-2020, 1:36
RE: uSDX - SQ4AVS - 13-12-2020, 10:35
RE: uSDX - SP3VPA - 13-12-2020, 14:30
RE: uSDX - SQ4AVS - 13-12-2020, 17:27
RE: uSDX - SP9RQA - 21-12-2020, 16:07
RE: uSDX - SP3VPA - 13-12-2020, 18:32
RE: uSDX - SQ4AVS - 13-12-2020, 20:19
RE: uSDX - YL2GL - 03-01-2021, 13:57
RE: uSDX - SP6LTP - 03-01-2021, 15:38
RE: uSDX - SP9RQA - 23-01-2021, 19:00
RE: uSDX - SQ4CTK - 25-01-2021, 1:30
RE: uSDX - SP9RQA - 29-01-2021, 19:54
RE: uSDX - SQ5DTL - 01-02-2021, 19:04
RE: uSDX - SQ4CTK - 02-02-2021, 12:22
RE: uSDX - SP9RQA - 02-02-2021, 12:51
RE: uSDX - SQ5DTL - 03-02-2021, 3:48
RE: uSDX - SP9RQA - 03-02-2021, 9:42
RE: uSDX - SQ5DTL - 03-02-2021, 12:32
RE: uSDX - SP9RQA - 01-02-2021, 19:15
RE: uSDX - SQ9RFC - 02-02-2021, 4:21
RE: uSDX - SQ5DTL - 02-02-2021, 4:29
RE: uSDX - SQ4CTK - 02-02-2021, 14:23
RE: uSDX - SP9RQA - 02-02-2021, 14:31
RE: uSDX - SP6LUN - 02-02-2021, 16:57
RE: uSDX - SO8FM - 03-02-2021, 19:06
RE: uSDX - SP9RQA - 03-02-2021, 20:54
RE: uSDX - SQ4AVS - 03-02-2021, 16:34
RE: uSDX - SQ5DTL - 03-02-2021, 16:43
RE: uSDX - SP9RQA - 09-02-2021, 10:35
RE: uSDX - SP9FKP - 09-02-2021, 11:24
RE: uSDX - SQ5DTL - 12-02-2021, 14:01
RE: uSDX - SP6IFN - 12-02-2021, 14:42
RE: uSDX - SQ5DTL - 12-02-2021, 14:53
RE: uSDX - SQ4AVS - 14-02-2021, 18:32
RE: uSDX - SQ4AVS - 21-02-2021, 9:59
RE: uSDX - SP9RQA - 21-02-2021, 18:39
RE: uSDX - SQ5DTL - 23-02-2021, 18:42
RE: uSDX - SP6IFN - 03-03-2021, 21:50
RE: uSDX - SO6R - 04-03-2021, 11:18
RE: uSDX - SP4XYD - 06-03-2021, 22:10
RE: uSDX - SP4XYD - 07-03-2021, 19:34
RE: uSDX - SQ4AVS - 05-03-2021, 7:54
RE: uSDX - SP6IFN - 06-03-2021, 22:22
RE: uSDX - SP4XYD - 06-03-2021, 22:26
RE: uSDX - SO6R - 07-03-2021, 11:17
RE: uSDX - SP6IFN - 07-03-2021, 18:02
RE: uSDX - SO6R - 07-03-2021, 18:57
RE: uSDX - SO6R - 07-03-2021, 21:19
RE: uSDX - SP6AUO - 08-03-2021, 1:40
RE: uSDX - SP6IFN - 08-03-2021, 12:12
RE: uSDX - SQ5DTL - 08-03-2021, 5:10
RE: uSDX - SP6AUO - 08-03-2021, 12:52
RE: uSDX - SQ4AVS - 08-03-2021, 12:58
RE: uSDX - SP6IFN - 08-03-2021, 13:45
RE: uSDX - SQ8MVY - 08-03-2021, 13:28
RE: uSDX - SP6AUO - 08-03-2021, 18:20
RE: uSDX - SQ5DTL - 08-03-2021, 19:05
RE: uSDX - SP6AUO - 08-03-2021, 19:11
RE: uSDX - SQ5DTL - 08-03-2021, 19:13
RE: uSDX - SP6AUO - 08-03-2021, 20:17
RE: uSDX - SQ5DTL - 08-03-2021, 20:32
RE: uSDX - Qmar - 08-03-2021, 20:41
RE: uSDX - SP7GRV - 09-03-2021, 8:43
RE: uSDX - SP6LUN - 09-03-2021, 10:12
RE: uSDX - SP7GRV - 09-03-2021, 11:41
RE: uSDX - SP6LUN - 09-03-2021, 12:10
RE: uSDX - SP9RQA - 09-03-2021, 12:52
RE: uSDX - SP7GRV - 09-03-2021, 13:04
RE: uSDX - SP6LUN - 09-03-2021, 13:33
RE: uSDX - SP7GRV - 09-03-2021, 13:55
RE: uSDX - SP6AUO - 09-03-2021, 14:54
RE: uSDX - SP3VPA - 11-03-2021, 21:46
RE: uSDX - SP6IFN - 12-03-2021, 0:16
RE: uSDX - SP6LTP - 12-03-2021, 10:26
RE: uSDX - SQ4AVS - 12-03-2021, 15:33
RE: uSDX - SQ4AVS - 16-03-2021, 17:22
RE: uSDX - SP7GRV - 16-03-2021, 18:33
RE: uSDX - SQ4AVS - 16-03-2021, 18:59
RE: uSDX - SP7GRV - 16-03-2021, 20:14
RE: uSDX - SQ4AVS - 16-03-2021, 20:42
RE: uSDX - SP6IFN - 18-03-2021, 21:17
RE: uSDX - SP9FKP - 18-03-2021, 21:53
RE: uSDX - SP6IFN - 18-03-2021, 22:42
RE: uSDX - SQ5DTL - 20-03-2021, 17:25
RE: uSDX - SQ4AVS - 23-03-2021, 16:40
RE: uSDX - SQ5DTL - 25-03-2021, 4:29
RE: uSDX - SQ4AVS - 25-03-2021, 7:18
RE: uSDX - SP6IFN - 25-03-2021, 12:00
RE: uSDX - SQ8MVY - 26-03-2021, 7:24
RE: uSDX - SQ4AVS - 28-03-2021, 9:59
RE: uSDX - SP7GRV - 28-03-2021, 10:29
RE: uSDX - SO6R - 28-03-2021, 10:40
RE: uSDX - SQ4AVS - 28-03-2021, 11:51
RE: uSDX - SQ4AVS - 31-03-2021, 15:17
RE: uSDX - SP9VEY - 31-03-2021, 22:38
RE: uSDX - SQ5DTL - 01-04-2021, 4:07
RE: uSDX - SP2JQR - 01-04-2021, 8:50
RE: uSDX - SQ4CTK - 01-04-2021, 12:26
RE: uSDX - SP9FKP - 01-04-2021, 13:08
RE: uSDX - SQ4CTK - 01-04-2021, 17:35
RE: uSDX - SP2JQR - 01-04-2021, 13:09
RE: uSDX - SQ4CTK - 01-04-2021, 16:17
RE: uSDX - SP9FKP - 01-04-2021, 16:42
RE: uSDX - SO6R - 01-04-2021, 18:56
RE: uSDX - SQ5KVS - 01-04-2021, 19:13
RE: uSDX - SQ4AVS - 01-04-2021, 19:35
RE: uSDX - SQ4CTK - 01-04-2021, 22:10
RE: uSDX - SQ4AVS - 02-04-2021, 3:15
RE: uSDX - SP2JQR - 02-04-2021, 11:21
RE: uSDX - SP6AUO - 02-04-2021, 11:00
RE: uSDX - SQ5KVS - 02-04-2021, 17:18
RE: uSDX - SQ4AVS - 02-04-2021, 20:59
RE: uSDX - SP6AUO - 03-04-2021, 18:32
RE: uSDX - SQ4AVS - 03-04-2021, 19:17
RE: uSDX - SP6AUO - 04-04-2021, 14:37
RE: uSDX - SP6LTP - 05-04-2021, 1:16
RE: uSDX - SP6AUO - 05-04-2021, 17:04
RE: uSDX - SP6LTP - 05-04-2021, 23:56
RE: uSDX - SP9LVZ - 07-04-2021, 8:20
RE: uSDX - SQ3SKN - 08-04-2021, 15:36
RE: uSDX - SP2JQR - 08-04-2021, 15:57
RE: uSDX - SQ4AVS - 08-04-2021, 18:18
RE: uSDX - SP7GRV - 08-04-2021, 19:12
RE: uSDX - SP2JQR - 08-04-2021, 20:38
RE: uSDX - SP7GRV - 08-04-2021, 20:59
RE: uSDX - SP2JQR - 08-04-2021, 21:24
RE: uSDX - SQ4AVS - 09-04-2021, 7:20
RE: uSDX - SP2JQR - 09-04-2021, 8:55
RE: uSDX - SP6LUN - 09-04-2021, 9:12
RE: uSDX - SQ4AVS - 09-04-2021, 9:35
RE: uSDX - SP2JQR - 09-04-2021, 9:39
RE: uSDX - SQ4AVS - 09-04-2021, 10:29
RE: uSDX - SP2JQR - 09-04-2021, 10:54
RE: uSDX - SQ5DTL - 09-04-2021, 11:39
RE: uSDX - SP7GRV - 23-06-2021, 18:11
RE: uSDX - SP2JQR - 09-04-2021, 12:44
RE: uSDX - SQ4AVS - 09-04-2021, 13:01
RE: uSDX - SP6AUO - 13-04-2021, 18:36
RE: uSDX - SP9RQA - 13-04-2021, 19:06
RE: uSDX - SP6AUO - 13-04-2021, 19:48
RE: uSDX - SP9RQA - 13-04-2021, 20:00
RE: uSDX - SQ4AVS - 13-04-2021, 19:55
RE: uSDX - SP6AUO - 13-04-2021, 20:12
RE: uSDX - SP9RQA - 13-04-2021, 20:22
RE: uSDX - SP6AUO - 14-04-2021, 6:11
RE: uSDX - SP9RQA - 14-04-2021, 8:29
RE: uSDX - SP6AUO - 14-04-2021, 9:50
RE: uSDX - SP9RQA - 14-04-2021, 10:07
RE: uSDX - SP6AUO - 14-04-2021, 10:46
RE: uSDX - SQ5KVS - 14-04-2021, 10:53
RE: uSDX - SP6AUO - 14-04-2021, 11:05
RE: uSDX - SQ5KVS - 14-04-2021, 11:30
RE: uSDX - SP9RQA - 14-04-2021, 14:08
RE: uSDX - SP7GRV - 14-04-2021, 15:32
RE: uSDX - SP9RQA - 14-04-2021, 15:54
RE: uSDX - SP7GRV - 14-04-2021, 16:03
RE: uSDX - SQ5DTL - 30-04-2021, 9:32
RE: uSDX - SQ4AVS - 30-04-2021, 16:17
RE: uSDX - SP7GRV - 30-04-2021, 17:17
RE: uSDX - SQ9GAC - 30-04-2021, 19:21
RE: uSDX - SQ4AVS - 01-05-2021, 8:15
RE: uSDX - SP2JQR - 03-05-2021, 11:21
RE: uSDX - SQ9GAC - 01-05-2021, 8:45
RE: uSDX - SQ4AVS - 01-05-2021, 19:00
RE: uSDX - SP5CGI - 03-05-2021, 9:52
RE: uSDX - SQ4AVS - 03-05-2021, 10:11
RE: uSDX - SQ4AVS - 03-05-2021, 12:24
RE: uSDX - SP2JQR - 03-05-2021, 13:36
RE: uSDX - SQ4AVS - 03-05-2021, 19:23
RE: uSDX - SP9RQA - 03-05-2021, 20:51
RE: uSDX - SQ4AVS - 03-05-2021, 22:24
RE: uSDX - SP2JQR - 04-05-2021, 13:14
RE: uSDX - SP6LUN - 04-05-2021, 14:29
RE: uSDX - SQ4AVS - 04-05-2021, 15:15
RE: uSDX - SP6LTP - 11-05-2021, 6:22
RE: uSDX - SP7QHP - 11-05-2021, 12:52
RE: uSDX - SP2JQR - 11-05-2021, 15:08
RE: uSDX - SQ9GAC - 11-05-2021, 16:07
RE: uSDX - SP2JQR - 11-05-2021, 16:48
RE: uSDX - SQ9GAC - 11-05-2021, 17:12
RE: uSDX - SP2JQR - 13-05-2021, 9:17
RE: uSDX - SQ4AVS - 11-05-2021, 19:50
RE: uSDX - SP9LVZ - 13-05-2021, 12:32
RE: uSDX - SP9RQA - 13-05-2021, 12:38
RE: uSDX - SP9LVZ - 13-05-2021, 13:25
RE: uSDX - SQ5KVS - 13-05-2021, 13:45
RE: uSDX - SP2JQR - 13-05-2021, 14:00
RE: uSDX - SP9LVZ - 13-05-2021, 15:59
RE: uSDX - SP2JQR - 13-05-2021, 17:10
RE: uSDX - SQ4AVS - 13-05-2021, 17:29
RE: uSDX - SP2JQR - 13-05-2021, 18:29
RE: uSDX - SP4XYD - 13-05-2021, 22:04
RE: uSDX - SP2JQR - 13-05-2021, 23:01
RE: uSDX - SPO3O2OL - 23-05-2021, 10:01
RE: uSDX - SP2JQR - 23-05-2021, 10:43
RE: uSDX - SPO3O2OL - 23-05-2021, 10:44
RE: uSDX - SP2JQR - 23-05-2021, 11:26
RE: uSDX - SPO3O2OL - 23-05-2021, 11:47
RE: uSDX - SP2JQR - 23-05-2021, 12:53
RE: uSDX - SQ2RH - 23-05-2021, 17:48
RE: uSDX - SP7GRV - 23-05-2021, 19:00
RE: uSDX - SP2JQR - 23-05-2021, 20:23
RE: uSDX - SPO3O2OL - 23-05-2021, 22:42
RE: uSDX - SP2JQR - 24-05-2021, 21:59
RE: uSDX - SPO3O2OL - 30-05-2021, 8:13
RE: uSDX - SP2JQR - 08-06-2021, 10:46
RE: uSDX - SQ4AVS - 23-06-2021, 18:36
RE: uSDX - SP7GRV - 23-06-2021, 21:03
RE: uSDX - SQ4AVS - 24-06-2021, 6:32
RE: uSDX - SP7GRV - 24-06-2021, 7:40
RE: uSDX - SP7GRV - 26-06-2021, 10:54
RE: uSDX - SO6R - 11-07-2021, 13:33
RE: uSDX - SQ4CTK - 26-06-2021, 22:00
RE: uSDX - SP7GRV - 27-06-2021, 10:08
RE: uSDX - SP9RQA - 08-07-2021, 10:32
RE: uSDX - SP4XYD - 08-07-2021, 14:52
RE: uSDX - SP7GRV - 11-07-2021, 17:59
RE: uSDX - SQ4AVS - 11-07-2021, 20:44
RE: uSDX - SQ2SNG - 11-07-2021, 21:40
RE: uSDX - SQ4AVS - 12-07-2021, 7:07
RE: uSDX - SQ2SNG - 12-07-2021, 19:31
RE: uSDX - SP6AUO - 13-07-2021, 18:40
RE: uSDX - SQ2SNG - 13-07-2021, 20:58
RE: uSDX - SO6R - 14-07-2021, 8:53
RE: uSDX - SQ2SNG - 14-07-2021, 14:37
RE: uSDX - SP5CGI - 14-07-2021, 18:10
RE: uSDX - SP2JQR - 14-07-2021, 18:14
RE: uSDX - SP7GRV - 14-07-2021, 19:21
RE: uSDX - SP5CGI - 14-07-2021, 22:49
RE: uSDX - SP7GRV - 15-07-2021, 6:45
RE: uSDX - SO6R - 15-07-2021, 10:14
RE: uSDX - SP9ODT - 28-07-2021, 16:05
RE: uSDX - SQ4AVS - 28-07-2021, 16:22
RE: uSDX - SP9ODT - 28-07-2021, 16:27
RE: uSDX - SP9RQA - 06-08-2021, 16:44
RE: uSDX - SO8FM - 06-08-2021, 21:31
RE: uSDX - SP9RQA - 07-09-2021, 9:41
RE: uSDX - SP9SKP - 07-09-2021, 13:56
RE: uSDX - SP9RQA - 07-09-2021, 14:49
RE: uSDX - SQ4AVS - 16-10-2021, 13:31
RE: uSDX - SP2JQR - 19-10-2021, 13:35
RE: uSDX - SP8NTP - 19-02-2022, 17:12
RE: uSDX - SP6LTP - 16-10-2021, 18:53
RE: uSDX - SQ4AVS - 17-10-2021, 10:05
RE: uSDX - SQ4AVS - 19-10-2021, 18:20
RE: uSDX - SP2JQR - 20-10-2021, 12:29
RE: uSDX - SO5WI - 01-02-2022, 19:05
RE: uSDX - SQ4AVS - 20-10-2021, 15:07
RE: uSDX - SP2JQR - 22-10-2021, 21:14
RE: uSDX - SQ4AVS - 23-10-2021, 15:16
RE: uSDX - SP9SKP - 18-11-2021, 22:24
RE: uSDX - SQ2RH - 19-11-2021, 0:23
RE: uSDX - SQ4CTK - 19-11-2021, 10:49
RE: uSDX - SP9SKP - 19-11-2021, 17:46
RE: uSDX - SQ4AVS - 26-11-2021, 18:01
RE: uSDX - SP7QHP - 30-12-2021, 20:29
RE: uSDX - SP2DMB - 07-01-2022, 11:42
RE: uSDX - SP7GRV - 08-01-2022, 21:23
RE: uSDX - SP2DMB - 16-01-2022, 19:27
RE: uSDX - SP9SKP - 22-03-2022, 8:20
RE: uSDX - SP9RQA - 10-04-2022, 1:01
RE: uSDX - SP9SKP - 13-05-2022, 11:15
RE: uSDX - SP9RQA - 02-06-2022, 8:34
RE: uSDX - SP7GRV - 02-06-2022, 11:52
RE: uSDX - SP9RQA - 02-06-2022, 13:59
RE: uSDX - SP8NTP - 25-11-2022, 8:22
RE: uSDX - SP5IMO - 11-04-2023, 0:56
RE: uSDX - SP9RQA - 11-04-2023, 8:24
RE: uSDX - SP9FKP - 11-04-2023, 9:21
RE: uSDX - SP5IMO - 12-04-2023, 2:34
RE: uSDX - SP9FKP - 12-04-2023, 7:54
RE: uSDX - SP5IMO - 12-04-2023, 14:11
RE: uSDX - SP9FKP - 12-04-2023, 15:43
RE: uSDX - SP5IMO - 14-04-2023, 0:12
RE: uSDX - SP5IMO - 18-04-2023, 23:26
RE: uSDX - SP5IMO - 02-05-2023, 21:07
RE: uSDX - SP9FKP - 03-05-2023, 9:59
RE: uSDX - SP5IMO - 03-05-2023, 20:42
RE: uSDX - SP5IMO - 07-05-2023, 21:25
RE: uSDX - SP5IMO - 06-07-2023, 0:43
RE: uSDX - SP5IMO - 15-08-2023, 1:23
RE: uSDX - SP5IMO - 10-11-2024, 3:20
RE: uSDX - SP9RQA - 26-11-2024, 14:54

Skocz do:


Użytkownicy przeglądający ten wątek: 4 gości