Odpowiedz 
 
Ocena wątku:
  • 1 Głosów - 3 Średnio
  • 1
  • 2
  • 3
  • 4
  • 5
LC meter na PIC 16F628A
SP6AUO Offline
Andrzej
*****

Liczba postów: 1,051
Dołączył: 20-09-2009
Post: #1
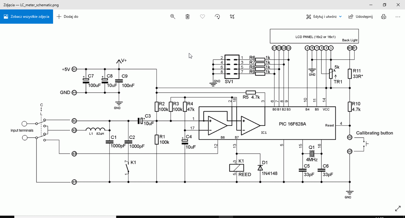
LC meter na PIC 16F628A
Pod tym adresem https://www.electronics-lab.com/project/...-lc-meter/
ukazał się poprawiony projekt LC-meter na PIC 16F628A
Są tam dwie wersje do poczytania
Fragmenty
İmage
İmage
schematy
İmage
İmage

Andrzej
(Ten post był ostatnio modyfikowany: 20-08-2020 14:11 przez SP6AUO.)
20-08-2020 14:11
Znajdź wszystkie posty użytkownika Odpowiedz cytując ten post
Odpowiedz 


Wiadomości w tym wątku
LC meter na PIC 16F628A - SP6AUO - 20-08-2020 14:11
RE: LC meter na PIC 16F628A - SQ7BCN - 20-08-2020, 20:25
RE: LC meter na PIC 16F628A - SP6AN - 20-08-2020, 22:14
RE: LC meter na PIC 16F628A - SP6AUO - 21-08-2020, 15:51
RE: LC meter na PIC 16F628A - SP6AN - 21-08-2020, 19:02
RE: LC meter na PIC 16F628A - SP6AUO - 21-08-2020, 19:32
RE: LC meter na PIC 16F628A - SP6AN - 21-08-2020, 23:10
RE: LC meter na PIC 16F628A - SP6AUO - 22-08-2020, 7:02
RE: LC meter na PIC 16F628A - SQ7BCN - 23-08-2020, 22:05
RE: LC meter na PIC 16F628A - SQ9RFC - 01-10-2020, 3:13
RE: LC meter na PIC 16F628A - SP6LUN - 24-08-2020, 19:48
RE: LC meter na PIC 16F628A - SP6AUO - 26-08-2020, 9:08
RE: LC meter na PIC 16F628A - SP6AUO - 15-09-2020, 9:47
RE: LC meter na PIC 16F628A - SQ7BCN - 15-09-2020, 20:13
RE: LC meter na PIC 16F628A - SQ7BCN - 20-09-2020, 18:53
RE: LC meter na PIC 16F628A - SQ7BCN - 01-10-2020, 20:43
RE: LC meter na PIC 16F628A - SP6LTP - 01-10-2020, 21:02
RE: LC meter na PIC 16F628A - SP6AUO - 02-10-2020, 5:17
RE: LC meter na PIC 16F628A - SQ7BCN - 02-10-2020, 22:22
RE: LC meter na PIC 16F628A - SP6AUO - 03-10-2020, 5:29
RE: LC meter na PIC 16F628A - SP6LTP - 03-10-2020, 20:35
RE: LC meter na PIC 16F628A - SQ7BCN - 03-10-2020, 22:02
RE: LC meter na PIC 16F628A - SP6LTP - 03-10-2020, 23:32
RE: LC meter na PIC 16F628A - SQ7BCN - 04-10-2020, 19:24
RE: LC meter na PIC 16F628A - SP2SGA - 05-10-2020, 11:00
RE: LC meter na PIC 16F628A - EC4AGT - 18-04-2022, 20:41
RE: LC meter na PIC 16F628A - SP6LUN - 19-04-2022, 18:05
RE: LC meter na PIC 16F628A - EC4AGT - 20-04-2022, 5:37
RE: LC meter na PIC 16F628A - SP4SKP - 20-04-2022, 8:16
RE: LC meter na PIC 16F628A - EC4AGT - 20-04-2022, 8:42
RE: LC meter na PIC 16F628A - SP7GRV - 20-04-2022, 12:35
RE: LC meter na PIC 16F628A - EC4AGT - 20-04-2022, 13:35
RE: LC meter na PIC 16F628A - SP7GRV - 20-04-2022, 21:44
RE: LC meter na PIC 16F628A - SP3RAT - 11-06-2022, 22:54
RE: LC meter na PIC 16F628A - SQ7BCN - 21-08-2022, 21:03

Skocz do:


Użytkownicy przeglądający ten wątek: 1 gości