Odpowiedz 
 
Ocena wątku:
  • 0 Głosów - 0 Średnio
  • 1
  • 2
  • 3
  • 4
  • 5
TRX2006
SP6FRE Offline
Leszek
****

Liczba postów: 737
Dołączył: 20-09-2009
Post: #36
RE: TRX2006
Witam!

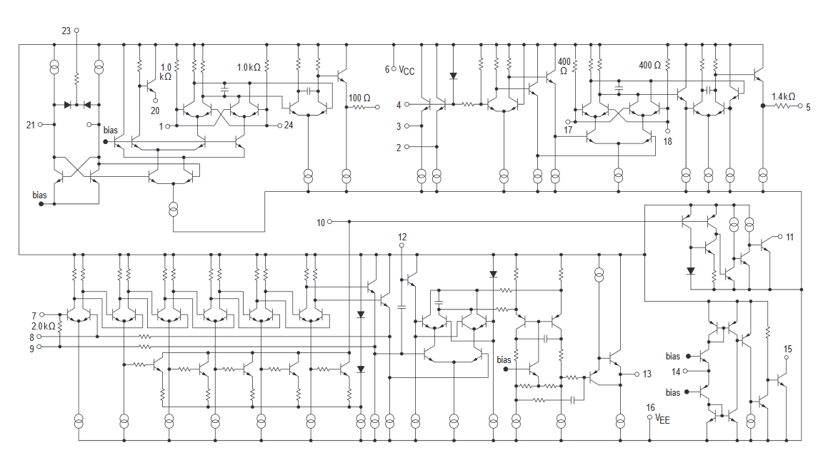
Układ MC3362 zaintrygował mnie i przejrzałem kilka jego aplikacji amatorskich. We wszystkich przypadkach (JG1EAD, SP5AHT, SP5DDJ) drugi mieszacz (wejście piny 17 i 18) ma jedno z wejść (18) zawsze na poziomie zasilania. To się trochę kłóci z logiką pracy mieszacza zrównoważonego i zachodzi pytanie czy konstrukcje te nie powielają jakiegoś, gdzieś, najwcześniej popełnionego błędu?

Niestety, nota producenta zawiera zalecenia aby jedno z wejść tego mieszacza dołączone było do zasilania ale, na logikę, symetryczna konstrukcja mieszacza wręcz przeczy takiej praktyce.

Dlatego zamówiłem sobie ten układ i będę chciał sam w praktyce sprawdzić jak zachowuje się ten mieszacz jako modulator, sprawdzę też pomysł na jego równoważenie za pomocą zewnętrznego potencjometru.

Dodatkowo, zamówiłem sobie, może zbyt pochopnie, także generator AD9833 bo przyszedł mi do głowy pomysł aby wykonać na bazie MC3362 trzypasmowy transceiver małej mocy. AD9833 działa do 12.5MHz co oznacza, że jako heterodyna, z filtrem 5MHz, mógłby działać na pasmach 3.5MHz (8.5-8.8MHz), 7MHz (12-12.1MHz) oraz 14MHz (9-9.35MHz). Całością mógłby sterować np. Mega168 z wyświetlaczem 2x16 i przestrajaniem za pomocą impulsatora.

Struktura wewnętrzna MC3362 zawiera, poza powszechnie stosowanymi: mieszaczami oraz generatorami, także kilka innych układów i zamierzam sprawdzić czy któreś z nich nie dadzą się zastosować jako dodatkowy wzmacniacz, element automatyki lub np. generator m.cz ( ton cw)?

L.J.


Załączone pliki Miniatury
İmage İmage
15-08-2019 9:36
Odwiedź stronę użytkownika Znajdź wszystkie posty użytkownika Odpowiedz cytując ten post
Odpowiedz 


Wiadomości w tym wątku
TRX2006 - SP6TGB - 29-07-2019, 21:38
RE: TRX2006 - SP6AUO - 30-07-2019, 7:50
RE: TRX2006 - SQ5KVS - 30-07-2019, 11:32
RE: TRX2006 - SQ5KVS - 30-07-2019, 16:55
RE: TRX2006 - SP6TGB - 30-07-2019, 17:29
RE: TRX2006 - SQ5KVS - 30-07-2019, 17:45
RE: TRX2006 - SP6TGB - 01-08-2019, 19:09
RE: TRX2006 - SQ5KVS - 02-08-2019, 11:15
RE: TRX2006 - SQ5KVS - 02-08-2019, 12:52
RE: TRX2006 - SP6FRE - 02-08-2019, 14:29
RE: TRX2006 - SP6TGB - 06-08-2019, 1:41
RE: TRX2006 - SQ5KVS - 06-08-2019, 13:10
RE: TRX2006 - SP6FRE - 06-08-2019, 16:47
RE: TRX2006 - SQ5KVS - 06-08-2019, 17:55
RE: TRX2006 - SP6TGB - 06-08-2019, 22:48
RE: TRX2006 - SP9FKP - 07-08-2019, 10:53
RE: TRX2006 - SQ5KVS - 06-08-2019, 23:10
RE: TRX2006 - SP6FRE - 07-08-2019, 12:29
RE: TRX2006 - SP9FKP - 07-08-2019, 13:24
RE: TRX2006 - SP6FRE - 07-08-2019, 14:00
RE: TRX2006 - SP9FKP - 07-08-2019, 14:07
RE: TRX2006 - SP6FRE - 07-08-2019, 14:54
RE: TRX2006 - SQ5KVS - 07-08-2019, 18:48
RE: TRX2006 - SP6TGB - 08-08-2019, 20:24
RE: TRX2006 - SP6FRE - 08-08-2019, 22:43
RE: TRX2006 - SQ5KVS - 09-08-2019, 11:06
RE: TRX2006 - SP9FKP - 09-08-2019, 13:05
RE: TRX2006 - SQ5KVS - 09-08-2019, 13:51
RE: TRX2006 - SPO3O2OL - 10-08-2019, 9:29
RE: TRX2006 - SP6TGB - 09-08-2019, 22:11
RE: TRX2006 - SQ9RFC - 10-08-2019, 8:38
RE: TRX2006 - SQ5KVS - 10-08-2019, 10:37
RE: TRX2006 - SP2JQR - 14-08-2019, 11:58
RE: TRX2006 - SPO3O2OL - 15-08-2019, 9:52
RE: TRX2006 - SP6FRE - 15-08-2019 9:36
RE: TRX2006 - SP2JQR - 15-08-2019, 11:29
RE: TRX2006 - SQ9RFC - 15-08-2019, 12:56
RE: TRX2006 - SP6FRE - 16-08-2019, 12:36
RE: TRX2006 - SQ5KVS - 16-08-2019, 16:02
RE: TRX2006 - SP6FRE - 16-08-2019, 19:24
RE: TRX2006 - SP6FRE - 21-08-2019, 17:37
RE: TRX2006 - SP6FRE - 01-09-2019, 14:14

Skocz do:


Użytkownicy przeglądający ten wątek: 1 gości