Odpowiedz 
 
Ocena wątku:
  • 4 Głosów - 4.75 Średnio
  • 1
  • 2
  • 3
  • 4
  • 5
QRP-CW wg. SP5QU - prośba o identyfikację mojego QRP z przed 30 lat
SP5RF Offline
Robert
****

Liczba postów: 343
Dołączył: 13-03-2010
Post: #28
RE: QRP-CW wg. SP5QU - prośba o identyfikację mojego QRP z przed 30 lat
Dziękuję za wyczerpującą odpowiedź Smile

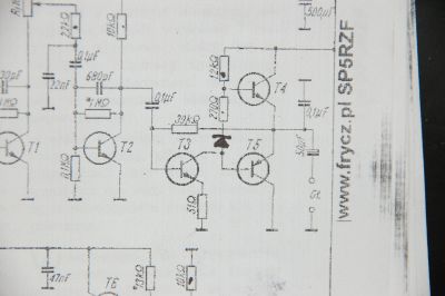
-> Ta dioda o tak jak na rysunku? Rozumiem że to może być dowolna typu np BYP401-50. Doczytam czemu ona służy.

->Radiatory do BC211/313 już mam! Założę je na pastę przewodzącą. Tak sobie myślę żeby docelowo zamiast T3,T4,T5, czyli zaraz po 0,1uF dać wzmacniacz UL 1498. Świetne wzmocnienie, a też rozwiązanie "z epoki" Smile
A co najważniejsze bardzo skuteczne. A T8 się nie grzeje?

->Stabilizator na 9V dołożę. Może dołożyć też 3-4 dławiki 10uH.

->Mieszacz założyłem SRA-1. To absolutnie doskonały mieszacz i skoro go mam.
http://allegro.pl/diodowy-mieszacz-zrown...43798.html

No i nie mam BUY52. Kupię w weekend, na razie założyłem KT801B. Katalogowo ma 5W. Zobaczymy?

Zamiast T8 można dać 2N2219, a zamiast BUY52 dać 2SC2078 z małym radiatorkiem.

No i ta przekładnia do strojenia..... Pod wpływem uwag o koniecznej przekładni zrobiłem coś takiego z pełnowartościową skalą i obok maleńkim precyzerem (nie RIT). (foto) U mnie będzie też gniazdko na kwarce. Włożenie kwarcu będzie powodowało pracę z kwarcem. Mam takie dwa wielkie przedwojenne kwarce; 3,550 i 3,570
O wszystkim napiszę na bieżąco..

__________________________________
Co do Amidonów o było by super jakby ktoś się wypowiedział dlaczego są czerwone/białe/żółte. i do czego. Ja używam czerwonych "na czuja". Smile To znaczy nawijam i mostkiem RLC mierzę indukcyjność... Słowem - amatorka..
__________________________________
Łączność? Na 100% Smile


F.


Załączone pliki Miniatury
İmage İmage İmage İmage İmage

Shy SP5RF
(Ten post był ostatnio modyfikowany: 08-10-2010 23:25 przez SP5RF.)
08-10-2010 20:07
Znajdź wszystkie posty użytkownika Odpowiedz cytując ten post
Odpowiedz 


Wiadomości w tym wątku
RE: QRP-CW wg. SP5QU - prośba o identyfikację mojego QRP z przed 30 lat - SP5RF - 08-10-2010 20:07

Skocz do:


Użytkownicy przeglądający ten wątek: 1 gości