Odpowiedz 
 
Ocena wątku:
  • 8 Głosów - 3.5 Średnio
  • 1
  • 2
  • 3
  • 4
  • 5
SP5WW - Jerzego Węglewskiego
SP4NSJ Offline
Marcin
***

Liczba postów: 104
Dołączył: 22-10-2017
Post: #181
RE: SP5WW - Jerzego Węglewskiego
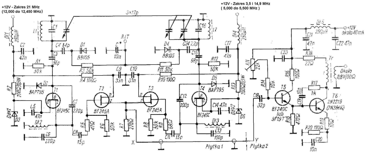
Czy pojemności: 47nF i 33nF koniecznie muszą być ceramiczne/ są takie pojemności ceramiczne?/ Foliowe mogą być? Oczywiście SP5WW - VFO


Załączone pliki Miniatury
İmage
(Ten post był ostatnio modyfikowany: 09-12-2017 19:36 przez SP4NSJ.)
09-12-2017 19:36
Znajdź wszystkie posty użytkownika Odpowiedz cytując ten post
Odpowiedz 


Wiadomości w tym wątku
RE: SP5WW - Jerzego Węglewskiego - opornik - 17-06-2010, 13:06
RE: SP5WW - Jerzego Węglewskiego - SP4NSJ - 09-12-2017 19:36
Transceiver lampowy SP5WW - SP9RTN - 03-03-2010, 22:49

Skocz do:


Użytkownicy przeglądający ten wątek: 5 gości