Odpowiedz 
 
Ocena wątku:
  • 1 Głosów - 5 Średnio
  • 1
  • 2
  • 3
  • 4
  • 5
Pięciopasmowy odb.KF wg SP3NYI
SQ9HHU Offline
Bartek
**

Liczba postów: 50
Dołączył: 05-09-2010
Post: #3
RE: Pięciopasmowy odb.KF wg SP3NYI
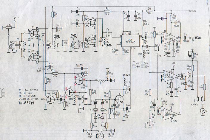
Kolejny krok w uruchamianiu odbiornika,jeszcze nie w pełni tylko jedno pasmo 80m.
Zestroiłem filtry pcz i na razie jedyny filtr wejsciowy na pasmo 80m. Nagrałem krótki filmik z pracy odbiornika.
https://www.youtube.com/watch?v=7HnzZcXK8hU
W załącznikach zamieściłem narysowaną płytkę z poprawkami błędów.Oraz schemat z numerami filtrów 7x7 które zastosowałem.


Załączone pliki
.bmp  SWScan00058.bmp (Rozmiar: 969.43 KB / Pobrań: 3809)
.bmp  SWScan00057.bmp (Rozmiar: 1,016.49 KB / Pobrań: 2720)
(Ten post był ostatnio modyfikowany: 21-07-2016 21:09 przez SQ9HHU.)
21-07-2016 15:41
Znajdź wszystkie posty użytkownika Odpowiedz cytując ten post
Odpowiedz 


Wiadomości w tym wątku
RE: Pięciopasmowy odb.KF wg SP3NYI - SQ9HHU - 21-07-2016 15:41

Skocz do:


Użytkownicy przeglądający ten wątek: 3 gości