Odpowiedz 
 
Ocena wątku:
  • 11 Głosów - 4 Średnio
  • 1
  • 2
  • 3
  • 4
  • 5
Tranciever Тюльпан-DSP
SP6AUO Offline
Andrzej
*****

Liczba postów: 1,051
Dołączył: 20-09-2009
Post: #803
RE: Tranciever Тюльпан-DSP
Wedle noty katalogowej to LM2575HVS-12 nie nadaję się do naszej PCB bo jest na 12V.
Na płytce potrzebny jest regulator 5V.
Ten LM2575HVS-ADJ może ostatecznie być,ale trzeba dołożyć dwa wysokiej klasy rezystory które ustalą 5V na wyjściu.
Jeżeli chodzi o przetwornicę to jest ona DC-DC.
Jak już coś przerabiać to sugeruję przetwornicę mini-360.Cena 3,50pF.Płytka o wymiarach 17x11mm.
Z regulacją napięcia peerkiem i prądem 2A.Takie mam zastosowane.
I ta duża i ta mała mają na wyjściu około 30mV śmieci.Ustawione mam 8V na wyjściu.
I dopiero tymi 8Voltami zasilam stabilizatory 5V.
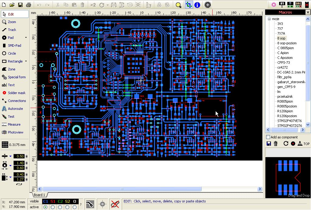
W załączniku mój DSP z przetwornicą ( to ta płytka ze strzałką).
İmage



Na drugiej części będzie SDR.
İmage

Andrzej
(Ten post był ostatnio modyfikowany: 30-03-2016 22:49 przez SP6AUO.)
30-03-2016 22:34
Znajdź wszystkie posty użytkownika Odpowiedz cytując ten post
Odpowiedz 


Wiadomości w tym wątku
RE: Tranciever Тюльпан-DSP - SP6AUO - 30-03-2016 22:34
Transceiver Тulip - EA7HOG - 27-06-2016, 19:06

Skocz do:


Użytkownicy przeglądający ten wątek: 7 gości