Odpowiedz 
 
Ocena wątku:
  • 1 Głosów - 5 Średnio
  • 1
  • 2
  • 3
  • 4
  • 5
Analizator NA200
SP5FCS Offline
Adam
*****

Liczba postów: 1,073
Dołączył: 02-02-2009
Post: #22
RE: Analizator NA200
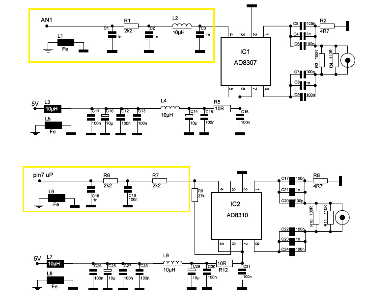
Tomek, schemat sond pomiarowych jest poprawny i zgodny z ostateczną wersja analizatora. Moje pierwsze zdjęcia były zrobione przed próbami po których kilka elementów w filtrach sond zostało zmienionych. Stąd różnice pomiędzy zdjęciami a ostatecznym schematem.

Dla sondy AD807 kondensator C2 może być trochę większy niż 1nF ale ostrożnie bo można popsuć początek charakterystyki analizatora.
Detektor AD810 nie "lubi" pojemności na wyjściu dlatego mamy tam rezystor 2k2 (może być większy) zamiast dławika 10uH. Pomiędzy rezystorami 2k2 może być większy kondensator np. tak jak na schemacie 100nF.
Można sobie zrobić kilka prób z wartościami kondensatorów tak aby przebiegi były OK. Czasem zależy to od źródła pochodzenia detektorów (chińskie/oryginały z Analoga).

Kondensatory 1nF warto aby były NP0, jeśli nie mamy takich to dodatkowo na kanapkę jakiś pikowy (100..220pF) typu NP0.
Kondensatory blokujące 100nF mogą być zwykłe, można dołożyć na "kanapkę" dodatkowo jakiś NP0 (1...10nF).


Załączone pliki Miniatury
İmage

73 Adam
19-12-2015 22:51
Znajdź wszystkie posty użytkownika Odpowiedz cytując ten post
Odpowiedz 


Wiadomości w tym wątku
Analizator NA200 - SP5FCS - 20-03-2014, 20:40
RE: Analizator NA200 - SP5FCS - 21-03-2014, 20:56
RE: Analizator NA200 - SP4HKQ - 22-03-2014, 19:16
RE: Analizator NA200 - SQ4AVS - 22-03-2014, 20:56
RE: Analizator NA200 - SP5FCS - 23-03-2014, 0:08
RE: Analizator NA200 - SQ4AVS - 23-03-2014, 9:11
RE: Analizator NA200 - SP5CGI - 28-03-2014, 18:42
RE: Analizator NA200 - SP5AQT - 29-03-2014, 10:44
RE: Analizator NA200 - SP4HKQ - 29-03-2014, 15:46
RE: Analizator NA200 - SP5FCS - 20-09-2014, 15:30
RE: Analizator NA200 - SP3OSJ - 27-11-2014, 13:19
RE: Analizator NA200 - SP5FCS - 05-12-2014, 23:35
RE: Analizator NA200 - SP4HKQ - 01-12-2014, 10:40
RE: Analizator NA200 - SP3OSJ - 06-12-2014, 16:56
RE: Analizator NA200 - SQ2KLX - 28-05-2015, 19:50
RE: Analizator NA200 - SP5FCS - 28-05-2015, 22:04
RE: Analizator NA200 - SQ2KLX - 29-05-2015, 10:23
RE: Analizator NA200 - SP5FCS - 29-05-2015, 11:27
RE: Analizator NA200 - SP6VGX - 09-12-2015, 3:51
RE: Analizator NA200 - SP6VGX - 19-12-2015, 22:14
RE: Analizator NA200 - SP5FCS - 19-12-2015 22:51
RE: Analizator NA200 - SP6VGX - 20-12-2015, 2:57
RE: Analizator NA200 - SP4HKQ - 21-01-2016, 11:57
RE: Analizator NA200 - SP6VGX - 21-01-2016, 12:44
RE: Analizator NA200 - SQ5KVS - 21-01-2016, 14:33
RE: Analizator NA200 - SQ4AVS - 21-01-2016, 15:54
RE: Analizator NA200 - BUBAMUBA - 18-03-2016, 12:26
RE: Analizator NA200 - SP5BMP - 18-03-2016, 13:59
RE: Analizator NA200 - BUBAMUBA - 18-03-2016, 14:21
RE: Analizator NA200 - SP9AWP - 07-11-2016, 10:16
RE: Analizator NA200 - BUBAMUBA - 22-03-2016, 12:45
RE: Analizator NA200 - SP5BMP - 22-03-2016, 16:07
RE: Analizator NA200 - SQ1GYQ - 20-01-2017, 17:58
RE: Analizator NA200 - SP8GPQ - 09-05-2017, 19:39
RE: Analizator NA200 - SP8GPQ - 11-04-2018, 22:07
RE: Analizator NA200 - SP8GPQ - 14-04-2018, 17:41
RE: Analizator NA200 - SQ7GVU - 16-04-2018, 9:56
RE: Analizator NA200 - SP8GPQ - 16-04-2018, 11:50
RE: Analizator NA200 - SQ7GVU - 16-04-2018, 12:24
RE: Analizator NA200 - SP8GPQ - 16-04-2018, 12:44
RE: Analizator NA200 - SP8GPQ - 16-04-2018, 18:48
RE: Analizator NA200 - SQ7GVU - 16-04-2018, 13:00
RE: Analizator NA200 - SP8GPQ - 16-04-2018, 13:10
RE: Analizator NA200 - SQ8MVY - 16-04-2018, 13:48
RE: Analizator NA200 - SP8GPQ - 16-04-2018, 15:01
RE: Analizator NA200 - SP2SGA - 16-04-2018, 15:16
RE: Analizator NA200 - SP8GPQ - 16-04-2018, 17:57
RE: Analizator NA200 - SQ8MVY - 16-04-2018, 18:14
RE: Analizator NA200 - SP8GPQ - 16-04-2018, 18:18
RE: Analizator NA200 - SQ8MVY - 16-04-2018, 18:22
RE: Analizator NA200 - SP8GPQ - 16-04-2018, 18:26
RE: Analizator NA200 - SQ8MVY - 16-04-2018, 18:34
RE: Analizator NA200 - SQ8MVY - 16-04-2018, 19:38
RE: Analizator NA200 - SP8GPQ - 16-04-2018, 21:25
RE: Analizator NA200 - SQ8MVY - 16-04-2018, 21:43
RE: Analizator NA200 - SP8GPQ - 16-04-2018, 22:07
RE: Analizator NA200 - SP6VGJ - 10-05-2018, 17:08
RE: Analizator NA200 - SP8GPQ - 10-05-2018, 18:03
RE: Analizator NA200 - JACEK11111 - 20-01-2019, 12:31
RE: Analizator NA200 - SQ8MVY - 20-01-2019, 14:35
RE: Analizator NA200 - SP1NV - 30-03-2019, 0:50
RE: Analizator NA200 - SP5FCS - 30-03-2019, 11:58
RE: Analizator NA200 - SQ1GYQ - 30-03-2019, 14:36
RE: Analizator NA200 - SP1NV - 30-03-2019, 18:56
RE: Analizator NA200 - SP1NV - 30-05-2019, 0:36
RE: Analizator NA200 - SP1NV - 03-06-2019, 15:41
RE: Analizator NA200 - SP8GPQ - 18-11-2019, 10:59
RE: Analizator NA200 - SQ8AQX - 18-11-2019, 17:57
RE: Analizator NA200 - SP8GPQ - 18-11-2019, 20:10
RE: Analizator NA200 - SP6VGX - 09-02-2020, 11:57
RE: Analizator NA200 - bolanren - 20-06-2025, 14:29
RE: Analizator NA200 - SP8BAI - 20-06-2025, 16:49
RE: Analizator NA200 - bolanren - 20-06-2025, 22:46
RE: Analizator NA200 - SQ4AVS - 21-06-2025, 8:28
RE: Analizator NA200 - bolanren - 21-06-2025, 21:29

Skocz do:


Użytkownicy przeglądający ten wątek: 3 gości