Odpowiedz 
 
Ocena wątku:
  • 11 Głosów - 4 Średnio
  • 1
  • 2
  • 3
  • 4
  • 5
Tranciever Тюльпан-DSP
SP6AUO Offline
Andrzej
*****

Liczba postów: 1,051
Dołączył: 20-09-2009
Post: #516
RE: Tranciever Тюльпан-DSP
Ja się nie upieram.Chcesz polaryzuj klucze.W m0nku,do dziś nie mam podpiętej polaryzacji. (taka wersja PCB).
Polaryzowanie klucza z dwóch stron to jakaś nowa filozofia.
Pisałem,że nie chcę wywoływać burzy.Kropka koniec.
Przydało by się coś poprawić w Tx.
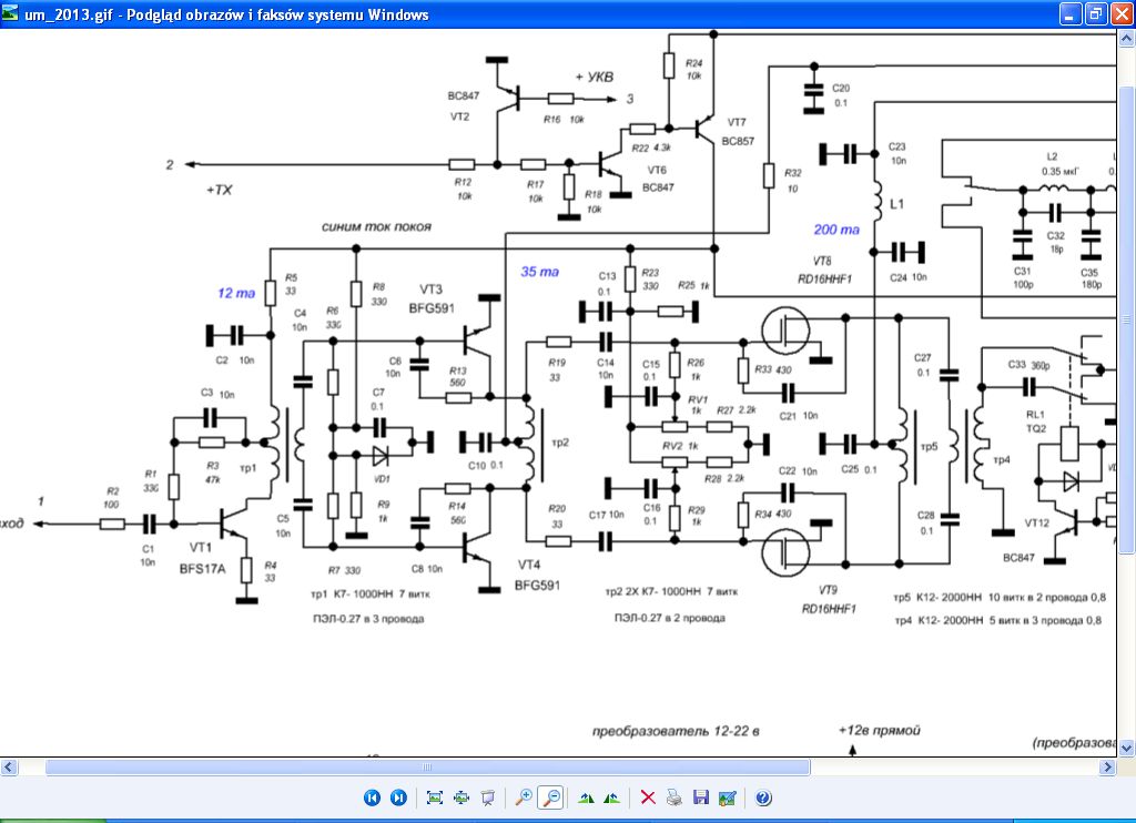
W takim stanie dokumentacji u mnie jest tak:
Q3 bez 13mA, w załączniku 12mA,
Q5 iQ6 razem 16mA, w załączniku 35mA Czy istnieje potrzeba jakoś zwiększyć te 16mA ?
Q7 i Q8 razem 200mA tak jak w załączniku.
Załącznik wyłowiłem z jakiegoś TRx. wzmacniacz jest taki sam jak nasz
(minimalne zmiany wartości)
İmage

Andrzej
14-12-2015 12:49
Znajdź wszystkie posty użytkownika Odpowiedz cytując ten post
Odpowiedz 


Wiadomości w tym wątku
RE: Tranciever Тюльпан-DSP - SP6AUO - 14-12-2015 12:49
Transceiver Тulip - EA7HOG - 27-06-2016, 19:06

Skocz do:


Użytkownicy przeglądający ten wątek: 6 gości