Odpowiedz 
 
Ocena wątku:
  • 7 Głosów - 4.14 Średnio
  • 1
  • 2
  • 3
  • 4
  • 5
Składamy wzbudnicę SSB G4CLF
SP2JQR Offline
Henryk
*****

Liczba postów: 1,528
Dołączył: 23-08-2009
Post: #590
RE: Składamy wzbudnicę SSB G4CLF
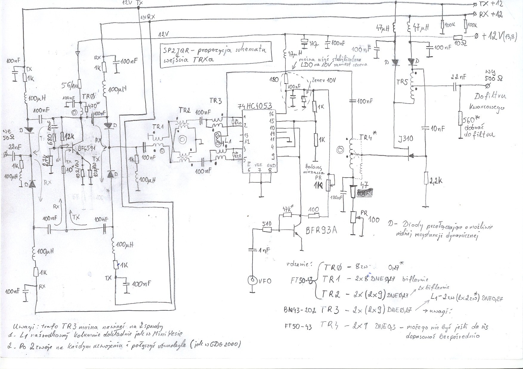
Zgodnie z obietnicą wklejam dziś swoją propozycję toru wejściowego TRXa do przemyślenia i ewentualnie sprawdzenia.
Kilka elementów tego toru jest wrysowanych trochę na zapas, gdyby np. okazało się że nie da się dopasować J310 do mieszacza na wprost, to wrysowałem trafo, które można umieścić w projekcie płytki drukowanej, ale przy pierwszym podejściu nie umieszczać w układzie. Jednak, gdyby ktoś dysponował innym bardziej wysokoprądowym fetem lub chciał połączyć wiele J310 równolegle to może spróbować z trafem.

Mieszacz na HC4053 pochodzący z MiniYesa można zastąpić tradycyjunym mieszaczem diodowym np. SRA-3H - będzie po staremu.

Wzmacniacz w.cz. też można zrobić inaczej - jest to tylko propozycja.
Należy zastanowić się jakie diody użyć do przełączania kierunku toru. Powinny być takie, aby nie było kłopotu z ich zdobyciem.

Schemat może być wykorzystany w zupełnie innym radiu, nie koniecznie tu budowanym, jest to tylko moja propozycja, kto zechce, wypróbuje, dobierze parametyry

Teraz kolej na kolegów, którzy zechcą zasymulować ten układ na komputerze.
Proponuję osobną symulację wzmacniacza w.cz. i dokładne sprawdzenie ewentualnie korektę impedancji wejściowej i wyjściowej.
To samo należy zrobić z mieszaczem - da to odpowiedź czy trafo na wejściu J310 jest potrzebne.
Symulacje powinny dać odpowiedź jakie będzie wzmocnienie i tłumienie poszczególnych stopni.

İmage
(Ten post był ostatnio modyfikowany: 14-12-2015 9:57 przez SP2JQR.)
14-12-2015 9:52
Znajdź wszystkie posty użytkownika Odpowiedz cytując ten post
Odpowiedz 


Wiadomości w tym wątku
RE: Składamy wzbudnicę SSB G4CLF - SP2JQR - 14-12-2015 9:52

Skocz do:


Użytkownicy przeglądający ten wątek: 8 gości