Odpowiedz 
 
Ocena wątku:
  • 7 Głosów - 4.14 Średnio
  • 1
  • 2
  • 3
  • 4
  • 5
Składamy wzbudnicę SSB G4CLF
bolanren Offline
Jerzy SP5RZM
****

Liczba postów: 434
Dołączył: 10-04-2011
Post: #563
RE: Składamy wzbudnicę SSB G4CLF
Witam Szanownych Kolegów Plesseyowców i niemniej Szanownych Kibiców,


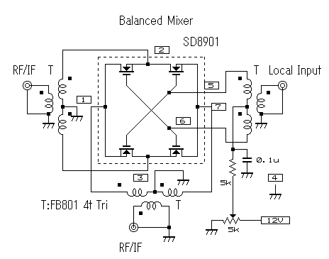
Skoro powraca temat mieszacza do naszej konstrukcji, to podrzucam kolejny raz inne rozwiązanie. Trochę skomplikowane ale może i skuteczne? Sam nie potrafię tego ocenić, bo w przeciwieństwie do wszystkich Kolegów z forum mam zbyt małe doświadczenie w temacie.

Pozdrawiam
Jerzy
İmage

Hi-Dynamic-Range Mixer/Balanced Modulator
and Low-Distortion Amplifier /załącznik/

I jeszcze kilka innych mikserów . Tym razem w 5 smakach Smile


Załączone pliki Miniatury
İmage

.doc  Japonska wersja mixera na SD8901HD.doc (Rozmiar: 316.5 KB / Pobrań: 2177)
(Ten post był ostatnio modyfikowany: 04-12-2015 23:36 przez bolanren.)
04-12-2015 21:36
Znajdź wszystkie posty użytkownika Odpowiedz cytując ten post
Odpowiedz 


Wiadomości w tym wątku
RE: Składamy wzbudnicę SSB G4CLF - bolanren - 04-12-2015 21:36

Skocz do:


Użytkownicy przeglądający ten wątek: 7 gości