Odpowiedz 
 
Ocena wątku:
  • 7 Głosów - 4.14 Średnio
  • 1
  • 2
  • 3
  • 4
  • 5
Składamy wzbudnicę SSB G4CLF
SP2GNB Offline
Staszek sk
****

Liczba postów: 451
Dołączył: 14-02-2015
Post: #556
RE: Składamy wzbudnicę SSB G4CLF
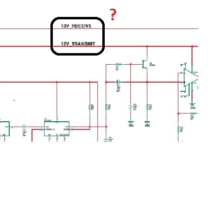
Tak sobie przeglądam i znalazłem na obowiązującym schemacie takie coś... Mylę się, czy nie?

İmage

73 Staszek SP2GNB
15-11-2015 18:58
Znajdź wszystkie posty użytkownika Odpowiedz cytując ten post
Odpowiedz 


Wiadomości w tym wątku
RE: Składamy wzbudnicę SSB G4CLF - SP2GNB - 15-11-2015 18:58

Skocz do:


Użytkownicy przeglądający ten wątek: 8 gości