Odpowiedz 
 
Ocena wątku:
  • 7 Głosów - 4.14 Średnio
  • 1
  • 2
  • 3
  • 4
  • 5
Składamy wzbudnicę SSB G4CLF
SP9LVZ Offline
Piotr
*****

Liczba postów: 807
Dołączył: 13-01-2015
Post: #274
RE: Składamy wzbudnicę SSB G4CLF
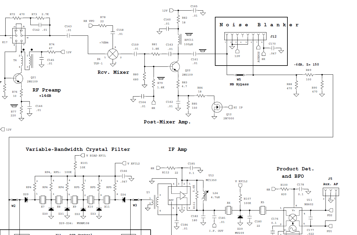
Ja na tym etapie też bym proponował nie przejmować się na razie tym dopasowaniem mieszacza,... Układ ze wzmacniaczem rewersyjnym na J310 wg. mnie jest wystarczający. Reszta to drobne szczegóły. Myślę, by uruchomić do końca cały TRX, a później ew. testować inne modyfikacje.
Ja widać fachowcy od K2, jakoś specjalnie to tematu nie podeszli, a niby super część odbiorcza wg. ARRL. Tu trzeba przyznać, że skupili się bardziej na VFO i zrobili pętlę PLL sterowaną z DDSa. Jak z tego wynika, wg. nich czystość sygnału z VFO jest ważniejsza niż dopasowanie mieszacza.



İmage
(Ten post był ostatnio modyfikowany: 12-03-2015 13:19 przez SP9LVZ.)
12-03-2015 13:19
Odwiedź stronę użytkownika Znajdź wszystkie posty użytkownika Odpowiedz cytując ten post
Odpowiedz 


Wiadomości w tym wątku
RE: Składamy wzbudnicę SSB G4CLF - SP9LVZ - 12-03-2015 13:19

Skocz do:


Użytkownicy przeglądający ten wątek: 7 gości