Odpowiedz 
 
Ocena wątku:
  • 2 Głosów - 5 Średnio
  • 1
  • 2
  • 3
  • 4
  • 5
Analizator NA01
SP6FRE Offline
Leszek
****

Liczba postów: 737
Dołączył: 20-09-2009
Post: #3
RE: Analizator NA01
Ponieważ od czasu do czasu zajmuję również programowaniem to potrafię ocenić, że dla przeciętnego programisty, za jakiego się mam, napisanie programu na PC nie powinno stanowić problemu tym bardziej, że w zasadzie poza obsługą połączenia szeregowego pozostaje odpowiednie zobrazowanie wyników pomiarów. Jak pisałem, zabiorę się za to na pewno, bo wpisywanie danych do arkusza jest męczące. Dziękuję za sugestię z wyświetlaczem LCD i choć teraz pomysł wydaje się oczywisty to początkowo nie przyszedł mi do głowy :-(
Obsługa wyświetlacza musi być jednak obsłużona przez oddzielny mikrokontroler bo teraz program zajmuje już 96% pamięci procesora AT Mega8. Polecenia obsługi grafiki są najbardziej 'pamięciożerne' więc zapewne procesor powinien mieć 16k pamięci. Muszę to przemyśleć bo choć rozdzielczość 256/128 jest już dość dokładna to może wystaczyłoby "tylko" 128/64 ze względu na cenę. Mając dynamikę pomiaru rzędu 80-90 dB rozdzielczość pionowa wyniosłaby nie więcej niż 1.5dB/pixel dla pełnej skali. Dla pasma 30MHz w poziomie daje to 0.25MHz dla jednego pixel-a. Oczywiście można byłoby powiększać wybrane obszary wykresu aż do poziomu rozdzielczości samego pomiaru (ok. 0.2 db) za pomocą klawiszy dla pionu i poziomu. Rozdzielczość w dziedzinie częstotliwości jest znacznie większa i sięga ułamków Hz więc tu nie będzie takich ograniczeń.
İmage
Przy okazji zmierzyłem dokładniej dynamikę miernika. Na rysunku znajduje się prosta odniesienia (0dB) oraz dynamika dla układu z założonym wyświetlaczem LCD (krzywa LCD) oraz krzywa dla układu bez wyświetlacza (NLCD). jak widać układ z założonym wyświetlaczem traci na dynamice ok. 16dB!. Z drugiej strony w pokazanym układzie udało mi się uzyskać dynamikę ok. 70dB bez specjalnego ekranowania wyjścia sygnału oraz wejścia. W rzeczywistości istnieje jeszcze pewien 'zapas' dynamiki (6-10dB) jeśli mierzony układ będzie miał dodatnie wzmocnienie. Wpływ wyświetlacza na dynamikę jest dość oczywisty jeśli weźmie się pod uwagę, że wzmacniacz AD8307 w obudowie DIL leży tuż pod płytką wyświetlacza (gdzie działa przecież stale procesor obsługujący i odświeżający dane). Jeśli zdecyduję się więc wybrać wariant z wyświetlaczem graficznym LCD muszę wziąć pod uwagę odseparowanie obu elementów pod kątem wzajemnego wpływu.
L.J.
Ponieważ miałem w szpargałach wyświetlacz graficzny 128/64 (kontroler typu sed), który kiedyś zakupiłem do celu , którego już nie pamiętam ;-), to okazał się on idealny do realizacji pomysłu przenośnego analizatora. Na razie zmontowałem mikrokontroler (ATMega 32) sterujący wyświetlaczem na drutach na łączówce wyświetlacza :

İmage

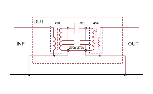
Ponieważ najlepiej udokumentowana jest współpraca ATMega z wyświetlaczami sterowanymi kontrolerem T6963 to najpierw stoczyłem walkę z wyświetlaczem sed zmuszając go do pracy i poznając ograniczenia oraz właściwości. Następnie sporo czasu spędziłem na właściwym połączeniu obu mikrokontrolerów przez RS. Wydaje się, że oba te problemy są już za mną ale dziś czasu starczyło jedynie na prosty test pracy. Do testów wybrałem filtr pasmowy pracujący w zakresie ok. 3.5-4MHz zrobiony jak na schemacie:

İmage

Analizator pokazuje charakterystykę tego filtra w zakresie 1-11MHz za pomocą przebiegu liniowego następująco:

İmage

Ten sam filtr analizowany przy przestrajaniu logarytmicznym pokazuje na wykresie znacznie więcej ukrytych szczegółów:

İmage

Dynamika układu w całej skali (w pionie) wynosi ok. 55dB (sam generator analizatora działał z wyświetlaczem LCD 2*16, który mi pozwala jako tako sterować pomiarem ale przez to tracę ok. 15-20dB na dynamice). Zastanawiające są dwa lustra poniżej pasma pracy filtra, prawdopodobnie wynikają z harmonicznych w sygnale z generatora. Muszę jednak przejść z technologii pajęczynowej na jakąś bardziej stabilną, która pozwoli mi na stabilne sterowanie całością urządzenia i zajęcie się detalami rozwiązania. Najpierw więc muszę zrobić płytkę drukowaną dla wyświetlacza graficznego LCD oraz jakieś pudełko na całość. Zamierzam wyposażyć kompletny analizator z graficznym wyświetlaczem LCD w 3 lub 5 klawiszy, z których jeden będzie funkcyjny a pozostałe służyć będą do ustawienia zakresu pracy w dziedzinie częstotliwości oraz w dziedzinie tłumienia. Będzie również możliwość ustawienia poziomej linii dla określenia pasma na zadanym poziomie oraz linii pionowej dla określenia częstotliwości charakterystycznych punktów wykresu. Na razie wydaje się, że największym ograniczeniem jest moc obliczeniowa procesora ale to normalne przy aplikacjach graficznych co widać najlepiej po technologii kart graficznych dla PC, które nierzadko kosztują więcej niż reszta komputera ;-). Widać również ograniczenia pamięci na dane choć ma to mniejsze znaczenie i da się obejść przez odpowiednią organizację pomiaru. .Niemniej widać już, że możliwa jest praca w trybie rzeczywistym a odświeżenie wykresu zajmuje ok. 1 sek dla 128 pomiarów w paśmie analizy przy prędkości połączenia szeregowego 9600bps. Liczę, że lepiej organizując przesyłanie danych zmniejszę czasy reakcji co najmniej o połowę.
L.J.
(Ten post był ostatnio modyfikowany: 15-06-2010 19:58 przez SP6FRE.)
12-05-2010 20:31
Odwiedź stronę użytkownika Znajdź wszystkie posty użytkownika Odpowiedz cytując ten post
Odpowiedz 


Wiadomości w tym wątku
Analizator NA01 - SP6FRE - 09-05-2010, 21:35
RE: Analizator NA01 - TG50 - 11-05-2010, 23:27
RE: Analizator NA01 - SP6FRE - 12-05-2010 20:31
RE: Analizator NA01 - SP2QCA - 17-05-2010, 10:19
RE: Analizator NA01 - SP6FRE - 19-05-2010, 0:48
RE: Analizator NA01 - SP8RHP - 07-06-2010, 9:28
RE: Analizator NA01 - SQ4AVS - 07-06-2010, 10:20
RE: Analizator NA01 - SP6FRE - 09-06-2010, 14:08
RE: Analizator NA01 - SQ4AVS - 09-06-2010, 17:09
RE: Analizator NA01 - SP2QCA - 10-06-2010, 12:14
RE: Analizator NA01 - SQ4AVS - 10-06-2010, 12:55
RE: Analizator NA01 - SP2QCA - 10-06-2010, 16:14
RE: Analizator NA01 - SQ4AVS - 10-06-2010, 17:33
RE: Analizator NA01 - SP6FRE - 10-06-2010, 20:18
RE: Analizator NA01 - SQ4AVS - 10-06-2010, 20:41
RE: Analizator NA01 - TG50 - 11-06-2010, 12:54
RE: Analizator NA01 - SP2QCA - 12-06-2010, 2:04
RE: Analizator NA01 - SP3NYF - 11-06-2010, 17:39
RE: Analizator NA01 - SP6FRE - 13-06-2010, 23:04
RE: Analizator NA01 - SP6FRE - 26-06-2011, 15:35
RE: Analizator NA01 - SP6FRE - 26-06-2011, 23:49
RE: Analizator NA01 - SP6FRE - 29-06-2011, 0:06
RE: Analizator NA01 - SP6FRE - 29-06-2011, 22:38
RE: Analizator NA01 - SP2QCA - 30-06-2011, 10:56
RE: Analizator NA01 - SP6FRE - 30-06-2011, 23:03
RE: Analizator NA01 - 3Z6AEF - 01-07-2011, 1:01
RE: Analizator NA01 - SP6FRE - 02-07-2011, 20:03
RE: Analizator NA01 - SP6FRE - 03-07-2011, 14:36
RE: Analizator NA01 - SQ9MDD - 04-07-2011, 12:28
RE: Analizator NA01 - SP6FRE - 05-07-2011, 9:25
RE: Analizator NA01 - SQ9MDD - 05-07-2011, 12:16
RE: Analizator NA01 - SP6FRE - 06-07-2011, 23:44
RE: Analizator NA01 - SP6FRE - 07-07-2011, 23:34
RE: Analizator NA01 - SP3VPA - 11-07-2011, 22:24
RE: Analizator NA01 - SP6FRE - 11-07-2011, 23:07
RE: Analizator NA01 - SP3VPA - 13-07-2011, 21:22
RE: Analizator NA01 - SP6FRE - 14-07-2011, 0:11
RE: Analizator NA01 - SP3VPA - 14-07-2011, 8:39
RE: Analizator NA01 - SP6FRE - 14-07-2011, 10:37
RE: Analizator NA01 - SP6FRE - 15-07-2011, 10:30
RE: Analizator NA01 - SP6FRE - 17-07-2011, 0:29
RE: Analizator NA01 - SP6FRE - 17-07-2011, 12:46
RE: Analizator NA01 - SP3SWJ - 18-07-2011, 14:14
RE: Analizator NA01 - SP6FRE - 18-07-2011, 22:00
RE: Analizator NA01 - SP6FRE - 22-07-2011, 0:16
RE: Analizator NA01 - SP3SWJ - 22-07-2011, 0:56
RE: Analizator NA01 - SP6FRE - 22-07-2011, 20:26
RE: Analizator NA01 - SP6FRE - 25-07-2011, 23:27
RE: Analizator NA01 - SP3SWJ - 25-07-2011, 23:48
RE: Analizator NA01 - SP6FRE - 29-07-2011, 0:15
RE: Analizator NA01 - SP6FRE - 31-07-2011, 19:30
RE: Analizator NA01 - SP6FRE - 07-08-2011, 21:39
RE: Analizator NA01 - SP3SWJ - 09-08-2011, 12:47
RE: Analizator NA01 - SP6FRE - 10-08-2011, 12:53
RE: Analizator NA01 - SP3SWJ - 10-08-2011, 16:59
RE: Analizator NA01 - SP6FRE - 28-08-2011, 22:11
RE: Analizator NA01 - SP3SWJ - 28-08-2011, 22:34
RE: Analizator NA01 - SP6FRE - 02-09-2011, 22:52
RE: Analizator NA01 - SP3SWJ - 02-09-2011, 23:42
RE: Analizator NA01 - SP6FRE - 03-09-2011, 18:01
RE: Analizator NA01 - SP6FRE - 04-09-2011, 18:43
RE: Analizator NA01 - SP6FRE - 09-09-2011, 21:15
RE: Analizator NA01 - SP6FRE - 12-09-2011, 21:47
RE: Analizator NA01 - SQ7HJB - 17-09-2011, 14:28
RE: Analizator NA01 - SP6FRE - 18-09-2011, 13:25
RE: Analizator NA01 - SQ7HJB - 18-09-2011, 14:34
RE: Analizator NA01 - SP6FRE - 18-09-2011, 14:48
RE: Analizator NA01 - SQ7HJB - 18-09-2011, 16:49
RE: Analizator NA01 - SQ7HJB - 21-09-2011, 0:31
RE: Analizator NA01 - SP6FRE - 21-09-2011, 10:17
RE: Analizator NA01 - SQ7HJB - 21-09-2011, 22:42
RE: Analizator NA01 - SP6FRE - 22-09-2011, 8:52
RE: Analizator NA01 - SQ7HJB - 22-09-2011, 12:25
RE: Analizator NA01 - SP6FRE - 22-09-2011, 12:41
RE: Analizator NA01 - SQ7HJB - 23-09-2011, 11:21
RE: Analizator NA01 - SP6FRE - 23-09-2011, 12:32
RE: Analizator NA01 - SQ7HJB - 24-09-2011, 17:25
RE: Analizator NA01 - SP6FRE - 28-09-2011, 22:55
RE: Analizator NA01 - SQ7HJB - 28-09-2011, 22:59
RE: Analizator NA01 - SP6FRE - 29-09-2011, 9:48
RE: Analizator NA01 - SP6FRE - 03-12-2011, 11:59
RE: Analizator NA01 - SQ7HJB - 01-01-2012, 12:00
RE: Analizator NA01 - SP8LNG - 21-01-2012, 22:51
RE: Analizator NA01 - SQ7HJB - 25-01-2012, 11:47
RE: Analizator NA01 - SP6FRE - 25-01-2012, 20:48
RE: Analizator NA01 - SQ7HJB - 25-01-2012, 23:58
RE: Analizator NA01 - SP6FRE - 26-01-2012, 0:21
RE: Analizator NA01 - SP8LNG - 26-01-2012, 0:53
RE: Analizator NA01 - SQ7HJB - 26-01-2012, 10:24
RE: Analizator NA01 - SP6FRE - 26-01-2012, 10:46
RE: Analizator NA01 - SP6FRE - 22-02-2012, 1:19
RE: Analizator NA01 - SQ4RNF - 24-02-2012, 21:12
RE: Analizator NA01 - SQ1GYQ - 24-02-2012, 18:30
RE: Analizator NA01 - SQ8Z - 24-02-2012, 21:27
RE: Analizator NA01 - SQ4AVS - 24-02-2012, 22:01
RE: Analizator NA01 - SP6FRE - 25-02-2012, 20:01
RE: Analizator NA01 - SP6FRE - 23-03-2012, 21:57
RE: Analizator NA01 - SQ1GYQ - 23-03-2012, 22:39
RE: Analizator NA01 - SQ8NVF - 24-03-2012, 18:45
RE: Analizator NA01 - SP6FRE - 24-03-2012, 19:39
RE: Analizator NA01 - SP6FRE - 26-03-2012, 23:35
RE: Analizator NA01 - SP6FRE - 28-03-2012, 23:50
RE: Analizator NA01 - SP6FRE - 31-03-2012, 21:32
RE: Analizator NA01 - SP6JUT - 04-04-2012, 18:01
RE: Analizator NA01 - SP6FRE - 05-04-2012, 23:10
RE: Analizator NA01 - SP6FRE - 14-04-2012, 0:10
RE: Analizator NA01 - SP6FRE - 16-04-2012, 22:05
RE: Analizator NA01 - SP6FRE - 19-06-2012, 13:10
RE: Analizator NA01 - SQ9ROP - 19-06-2012, 18:26
RE: Analizator NA01 - SP7MUN - 18-07-2012, 20:03
RE: Analizator NA01 - SP6FRE - 18-07-2012, 21:31
RE: Analizator NA01 - SP7MUN - 23-07-2012, 18:08
RE: Analizator NA01 - KLIMA - 23-07-2012, 19:08
RE: Analizator NA01 - SQ8NVF - 23-07-2012, 20:59
RE: Analizator NA01 - SQ1GYQ - 23-07-2012, 21:24
RE: Analizator NA01 - SP6FRE - 24-07-2012, 13:24
RE: Analizator NA01 - SP7MUN - 30-07-2012, 13:00
RE: Analizator NA01 - SP6FRE - 30-07-2012, 20:31
RE: Analizator NA01 - SP7MUN - 11-08-2012, 11:54
RE: Analizator NA01 - SP6FRE - 06-10-2012, 17:42
RE: Analizator NA01 - SP7MUN - 21-10-2012, 12:11
RE: Analizator NA01 - SP6FRE - 21-10-2012, 17:58
RE: Analizator NA01 - SQ1GYQ - 21-10-2012, 18:47
RE: Analizator NA01 - SP4HKQ - 21-10-2012, 20:18
RE: Analizator NA01 - SQ1GYQ - 21-10-2012, 20:39
RE: Analizator NA01 - SP7MUN - 26-10-2012, 12:57
RE: Analizator NA01 - SP6FRE - 29-10-2012, 14:08
RE: Analizator NA01 - SP7MUN - 29-10-2012, 16:34
RE: Analizator NA01 - SP9FKP - 30-10-2012, 8:58
RE: Analizator NA01 - SP6FRE - 31-10-2012, 8:46
RE: Analizator NA01 - SP6FRE - 18-11-2012, 19:53
RE: Analizator NA01 - SP7MUN - 11-01-2013, 16:09
RE: Analizator NA01 - SP7MUN - 11-02-2013, 15:56
RE: Analizator NA01 - SP6FRE - 11-02-2013, 19:41
RE: Analizator NA01 - SP7MUN - 12-02-2013, 12:19
RE: Analizator NA01 - SP6FRE - 07-04-2013, 12:46
RE: Analizator NA01 - SP7MUN - 18-04-2013, 13:29
RE: Analizator NA01 - SP6FRE - 19-04-2013, 13:58
RE: Analizator NA01 - SP6FRE - 06-05-2013, 22:07
RE: Analizator NA01 - SP6FRE - 11-05-2013, 15:29
RE: Analizator NA01 - SP6FRE - 16-05-2013, 22:06
RE: Analizator NA01 - SP6FRE - 19-05-2013, 14:59
RE: Analizator NA01 - SQ8LUY - 25-05-2013, 12:51
RE: Analizator NA01 - SP6FRE - 26-05-2013, 20:52
RE: Analizator NA01 - UA6HNA - 29-05-2013, 18:23
RE: Analizator NA01 - SP6FRE - 29-05-2013, 19:01
RE: Analizator NA01 - UA6HNA - 29-05-2013, 19:23
RE: Analizator NA01 - SP6FRE - 30-05-2013, 0:17
RE: Analizator NA01 - SQ9JXB - 28-06-2013, 18:32
RE: Analizator NA01 - SP6FRE - 11-07-2013, 8:30
RE: Analizator NA01 - UA6HNA - 11-07-2013, 18:31
RE: Analizator NA01 - SQ8LUY - 12-07-2013, 12:08
RE: Analizator NA01 - SP6FRE - 12-07-2013, 12:43
RE: Analizator NA01 - UA6HNA - 12-07-2013, 12:47
RE: Analizator NA01 - SQ7HJB - 12-08-2013, 20:13
RE: Analizator NA01 - SP8LNG - 19-09-2013, 22:02
RE: Analizator NA01 - SP6FRE - 25-09-2013, 15:40
RE: Analizator NA01 - SP8LNG - 27-09-2013, 0:16
RE: Analizator NA01 - SP6FRE - 27-09-2013, 8:04
RE: Analizator NA01 - SP8LNG - 30-09-2013, 23:17
RE: Analizator NA01 - SP6FRE - 01-10-2013, 13:40
RE: Analizator NA01 - SP8LNG - 03-10-2013, 0:05
RE: Analizator NA01 - SP6FRE - 03-10-2013, 9:15
RE: Analizator NA01 - SQ7HJB - 03-10-2013, 11:09
RE: Analizator NA01 - SP8LNG - 18-10-2013, 15:45
RE: Analizator NA01 - SP6FRE - 21-10-2013, 9:31
RE: Analizator NA01 - SP8LNG - 21-10-2013, 14:57
RE: Analizator NA01 - SQ7HJB - 29-10-2013, 20:26
RE: Analizator NA01 - SP6FRE - 30-10-2013, 19:40
RE: Analizator NA01 - SQ7HJB - 04-11-2013, 20:16
RE: Analizator NA01 - SP6FRE - 20-12-2013, 10:56
RE: Analizator NA01 - SP6FRE - 08-02-2014, 16:03
RE: Analizator NA01 - SQ5TDZ - 15-02-2014, 11:32
RE: Analizator NA01 - SQ9JXB - 15-02-2014, 17:35
RE: Analizator NA01 - blejders - 20-03-2014, 20:02
RE: Analizator NA01 - SP6FRE - 23-03-2014, 12:30
RE: Analizator NA01 - SQ4AVS - 23-03-2014, 12:57
RE: Analizator NA01 - SP4EJT - 23-03-2014, 15:34
RE: Analizator NA01 - SP9FKP - 23-03-2014, 15:45
RE: Analizator NA01 - blejders - 23-03-2014, 15:48
RE: Analizator NA01 - SP6FRE - 24-03-2014, 10:29
RE: Analizator NA01 - blejders - 24-03-2014, 15:57
RE: Analizator NA01 - SP6FRE - 24-03-2014, 18:14
RE: Analizator NA01 - blejders - 25-03-2014, 15:12
RE: Analizator NA01 - SQ4AVS - 25-03-2014, 16:52
RE: Analizator NA01 - blejders - 25-03-2014, 18:16
RE: Analizator NA01 - SQ4AVS - 25-03-2014, 19:41
RE: Analizator NA01 - SQ6ADE - 25-03-2014, 20:59
RE: Analizator NA01 - blejders - 25-03-2014, 22:55
RE: Analizator NA01 - SQ6ADE - 25-03-2014, 23:05
RE: Analizator NA01 - blejders - 25-03-2014, 23:54
RE: Analizator NA01 - SP6FRE - 26-03-2014, 10:34
RE: Analizator NA01 - SQ5TDZ - 12-07-2014, 8:05
RE: Analizator NA01 - SP7DCB - 05-01-2017, 9:34
RE: Analizator NA01 - SP6FRE - 05-01-2017, 10:55
RE: Analizator NA01 - SP7DCB - 05-01-2017, 14:30
RE: Analizator NA01 - SP6FRE - 05-01-2017, 16:22
RE: Analizator NA01 - SP7DCB - 05-01-2017, 22:21
RE: Analizator NA01 - SP7DCB - 12-01-2017, 23:51
RE: Analizator NA01 - SP6FRE - 13-01-2017, 10:19
RE: Analizator NA01 - SP6FRE - 30-01-2017, 22:12
RE: Analizator NA01 - SP6FRE - 18-05-2017, 13:52
RE: Analizator NA01 - SQ4AVS - 09-01-2021, 12:28

Skocz do:


Użytkownicy przeglądający ten wątek: 1 gości