Odpowiedz 
 
Ocena wątku:
  • 0 Głosów - 0 Średnio
  • 1
  • 2
  • 3
  • 4
  • 5
TouchTRX - sterownik radia HUSAR
SP5FCS Offline
Adam
*****

Liczba postów: 1,073
Dołączył: 02-02-2009
Post: #1
TouchTRX - sterownik radia HUSAR
Rozpoczynam prace nad nowym sterownikiem dedykowanym do radia HUSAR. Moim zdaniem HUSAR powinien mieć nowy sterownik aby odróżniał się od Husarka. Docelowo radio HUSAR ma być konstrukcją jeszcze bardziej zaawansowaną dlatego w sterowniku będą potrzebne dodatkowe funkcje np. obsługa drugiego sprzętowego odbiornika. Jest również szansa na wprowadzenie pewnych poprawek wynikających z eksploatacji pierwszej wersji sterownika.

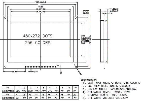
Pierwsza zmiana to większy wyświetlacz 4,3 cala z tej samej rodziny co poprzedni. Wybrany model ma rozdzielczość 480x272 pikseli, jest bardziej "panoramiczny", wysokość prawie taka sama ale jest dłuższy co do radia fajnie pasuje. Wyświetlacz nie jest tani (244zł) ale ma wszystkie zalety "młodszego brata", dobry kontrast, kolory, i jest piekielnie szybki. Dodatkowa zaleta to ma pamięć na dwa ekrany, programowo zmieniana intensywność podświetlania, normalne złącze szpilkowe co 2,54mm.

Nowy sterownik radia będzie zawierał:
- wyświetlacz TFT 4,3 cala + panel dotykowy;
- złącza do 4 obsługi enkoderów;
- multiplekser na 4053 do obsługi czterech układów Si570;
- zegarek + bateria + 24c512 na płytce sterownika;
- optoizolację dla PTT, KEY, CW;
- trzeci kanał szeregowy (CAT, DSP, easyATU lub 2*DSP);

Początkowo myślałem o wersji na dwóch procesorach ale to trochę komplikuje budowę i uruchomienie sterownika. Jeśli uda się to zrobić na Xmega128A3U to układ będzie równie prosty jak w pierwszym sterowniku. Multiplekser magistrali I2C pozwoli sterować 4 generatorami na Si570 potrzebnymi do obsługi dwóch odbiorników (VFO+BFO). Moduł procesora będzie miał wymiar wyświetlacza TFT i będzie składany z min "na kanapkę". Aktualnie projektuję druk prototypu sterownika.

Drugie problem do rozwiązania to zobrazowanie dodatkowych informacji oraz klawiszy dotykowych. Ja skłaniam się za szybkim dostępem do funkcji DSP. W załącznikach widok wybranego wyświetlacza TFT 4,3 cala.


Załączone pliki Miniatury
İmage İmage

73 Adam
22-03-2014 2:05
Znajdź wszystkie posty użytkownika Odpowiedz cytując ten post
Odpowiedz 


Wiadomości w tym wątku
TouchTRX - sterownik radia HUSAR - SP5FCS - 22-03-2014 2:05

Skocz do:


Użytkownicy przeglądający ten wątek: 3 gości